±±¾©Æ½ºÍ PH-44Ö±Á÷¸ôÀë·ÖÅäÆ÷£¨Ò»Â·ÊäÈë¡¢ËÄ·Êä³ö£©ÊäÈë×迹£ºµçѹÐÍ¡Ý100K¦¸¡¡µçÁ÷ÐÍ£º¡Ü100¦¸£¬Êä³ö×迹£ºµçѹÐÍ¡Ý10K¦¸¡¡ µçÁ÷ÐÍ£º¡Ü400¦¸
¹æ¸ñÐͺż°´úÂë

¡¡¡¡A£º4-20mA
¡¡¡¡B£º2-10mA
¡¡¡¡C£º1-5V
¡¡¡¡D£º0-20mA
¡¡¡¡E£º0-5V
¡¡¡¡F: Óû§Ìض¨²ÎÊý
Ö÷Òª¼¼Êõ²ÎÊý
ÊäÈë×迹£ºµçѹÐÍ¡Ý100K¦¸¡¡µçÁ÷ÐÍ£º¡Ü100¦¸
Êä³ö×迹£ºµçѹÐÍ¡Ý10K¦¸¡¡ µçÁ÷ÐÍ£º¡Ü400¦¸
¾«¡¡¡¡¶È£º¡À0.2%F.S
ζÈϵÊý£º£¼50PPM/¡æ
»·¾³Î¶ȣº£10¡æ££«60¡æ
¾øÔµµç×裺µçÔ´¡¢ÊäÈë¡¢Êä³ö¸÷ͨµÀÖ®¼ä¡Ý100M¦¸£¨500VDC£©
¾øÔµÇ¿¶È£ºµçÔ´¡¢ÊäÈë¡¢Êä³ö¸÷ͨµÀÖ®¼ä1500VAC/·ÖÖÓ
µç Ô´£º24VDC¡À10%
ÏûºÄ¹¦ÂÊ£º£¼3W
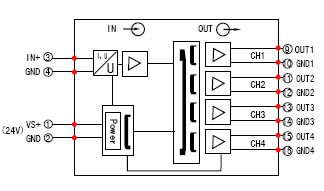
ÔÀíʾÒâͼ

¶Ë×Ó±àºÅ¼°½ÓÏßͼ

¶©»õ×¢Ã÷
±êÃ÷ÊäÈë¡¢Êä³öÐźŵĴúÂë
Àý£ºÊäÈë0-5V
Êä³öÐźÅ1¡¢2£º4-20mA
¡¡¡¡Êä³öÐźÅ3¡¢4£º1-5V
¡¡ ¸ôÀë·ÖÅäÆ÷ÐͺÅPH4042AC