ÄÍÕðÕæ¿ÕѹÁ¦±íZN-50/ZN60/ZN75/ZN100/ZN150
ÄÍÕðÕæ¿ÕѹÁ¦±íÊÊÓÃÓÚ»·¾³¾çÁÒÕñ¶¯³¡Ëù£¬¿ÉÄÍÊܽéÖʵÄÂö¶¯£¬³å»÷¼°Í»È»Ð¶ºÉ£¬ÒDZíָʾÎȶ¨ÇåÎúÎȶ¨¡£Íâ¿Ç²ÄÁÏÓÐÌú¿ÇºÍ²»Ðâ¸Ö¿Ç¶þÖÖ£¬ÐͺŹæ¸ñÓÐZN-50/ZN60/ZN100/ZN150¡£¹ã·ºÓ¦ÓÃÓÚ»úе¡¢Ê¯ÓÍ¡¢»¯¹¤¡¢Ò±½ð¡¢¿óɽ¡¢µçÁ¦µÈ²¿ÃÅ£¬²âÁ¿¶ÔͺÍͺϽðÎÞ¸¯Ê´ÐÔ½éÖʵÄÕæ¿Õ²âÁ¿¡£Ê¹ÓÃÊÙÃü³¤£¬ÊÇÆÕͨѹÁ¦±íµÄÌæ´ú²úÆ·..·À»¤µÈ¼¶IP65¡£
ÐͺÅÃüÃû£º

¼¼Êõ²ÎÊý£º
|
ÐͺÅ
|
½á¹¹ÐÎʽ
|
¾«È·¶È%
|
²âÁ¿·¶Î§ MPa
|
|
ZN-50Z
|
ÖáÏòÎÞ±ß
|
±2.5
|
ÄÍÕðÕæ¿Õ±í²âÁ¿·¶Î§£º
-0.1¡«0;
ÄÍÕðѹÁ¦Õæ¿Õ±í²âÁ¿·¶Î§£º
-0.1¡«0.06;-0.1¡«0.15;
-0.1¡«0.3;-0.1¡«0.5;-0.1¡«0.9
-0.1¡«1.5;-0.1¡«2.4;
|
|
ZN-60
ZN-60T
ZN-60Z
ZN-60ZQ
|
¾¶ÏòÎÞ±ß
¾¶Ïò´øºó±ß
ÖáÏòÎÞ±ß
ÖáÏò´øÇ°±ß
|
|
ZN-75
ZN-75T
ZN-75Z
ZN-75ZQ
|
¾¶ÏòÎÞ±ß
¾¶Ïò´øºó±ß
ÖáÏòÎÞ±ß
ÖáÏò´øÇ°±ß
|
|
ZN-100
ZN-100T
ZN-100Z
ZN-100ZQ
|
¾¶ÏòÎÞ±ß
¾¶Ïò´øºó±ß
ÖáÏòÎÞ±ß
ÖáÏò´øÇ°±ß
|
±1.6
|
|
ZN-150
ZN-150T
ZN-150Z
ZN-150ZQ
|
¾¶ÏòÎÞ±ß
¾¶Ïò´øºó±ß
ÖáÏòÎÞ±ß
ÖáÏò´øÇ°±ß
|
|
×¢£ºÖáÏò¿É°´ÒªÇó´ø·½ÐÎǰ±ß¡£
|
Õæ¿ÕÄÍÕðѹÁ¦±íʹÓù¤×÷ζȣº-5¡æ~55¡æ£»-25¡æ~55¡æ
ʹÓù¤×÷»·¾³Õñ¶¯ÆµÂʲ»´óÓÚ25Hz£¬Õñ·ù²»´óÓÚ1mm
ÄÍÕðÕæ¿ÕѹÁ¦±íÖ´Ðбê×¼£ºQ/320211 DGH01-2003
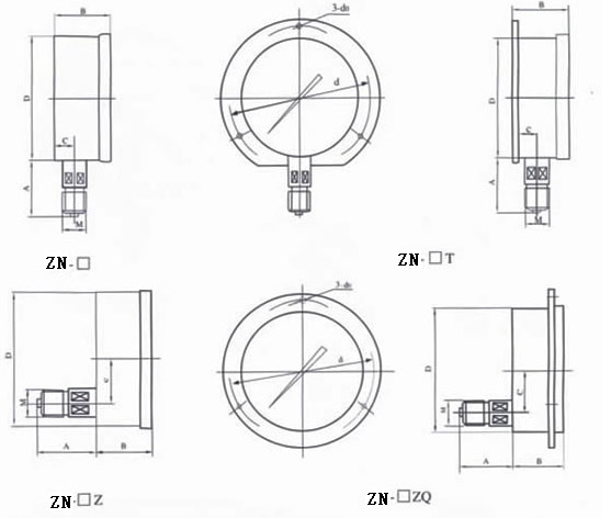
ÍâÐγߴç

|
ÐͺÅ
|
ÍâÐγߴç mm
|
|
A
|
B
|
C
|
D
|
d
|
d0
|
M
|
|
ZN-50Z
|
29
|
24
|
0
|
50
|
/
|
/
|
14X1.5
|
|
ZN-60
|
31
|
32
|
14
|
60
|
/
|
/
|
|
ZN-60T
|
31
|
32
|
15
|
75
|
3.4
|
|
ZN-60Z
|
30
|
32
|
0
|
/
|
/
|
|
ZN-60ZQ
|
30
|
32
|
0
|
75
|
3.4
|
|
ZN-75
|
24
|
30
|
12
|
75
|
/
|
/
|
|
ZN-75T
|
24
|
30
|
12
|
90
|
5.5
|
|
ZN-75Z
|
24
|
30
|
0
|
/
|
/
|
|
ZN-75ZQ
|
24
|
30
|
0
|
90
|
5.5
|
|
ZN-100
|
44
|
45
|
18
|
100
|
/
|
/
|
20X1.5
|
|
ZN-100T
|
44
|
46
|
19
|
118
|
5.5
|
|
ZN-100Z
|
43
|
45
|
34
|
/
|
/
|
|
ZN-100ZQ
|
43
|
45
|
44
|
118
|
5.5
|
|
ZN-150
|
50
|
47
|
19
|
149
|
/
|
/
|
20X1.5
|
|
ZN-150T
|
50
|
48
|
20
|
165
|
5.5
|
|
ZN-150Z
|
51
|
47
|
55
|
/
|
/
|
|
ZN-150ZQ
|
51
|
47
|
55
|
165
|
5.5
|
|
×¢£ºÁ¬½ÓÂÝÎÆ¿É°´ÒªÇó¶©»õ
|
ʹÓÃÓë¶©»õÐëÖª£º
ʹÓÃÖÐÒò»·¾³Î¶ȹý¸ß£¬ÒDZíָʾֵ²»»ØÁã룬¿ÉÓÃϸÕëÔÚÒDZíÏðƤÈûÉÏͨһС¿×£¬Ê¹ÒDZíÄÚÇ»Óë´óÆøÏàͨ¼´¿É¡£
¹¤×÷»·¾³Ó¦ÎÞ¸¯Ê´ÐÔÆøÌå¡£
¶©»õÇë˵Ã÷Ãû³Æ¡¢Ðͺż°²âÁ¿·¶Î§¡£