|
0510-82845021 15061829426
Óà ;£º¹¤Òµ×Ô¶¯»¯¡¢µçÌÝËÙ¶È¿ØÖÆ
ÌØ µã£ºÐÔÄܿɿ¿ |
 |
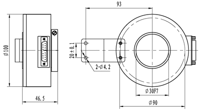
¡ö °²×°³ß´ç
| ¡ö µçÆø²ÎÊý¼°»·¾³²ÎÊý |
¡ö »úе²ÎÊý |
¡ö Ë÷ Òý
|
|
|
|
|
¡ö ²¨Ðαȣº X1+X2=0.5T¡À0.1T X2+X3=0.5T¡À0.1T Xn¡Ý0.125T£¨n=1,2,3,4£© Z=1T¡À0.5T |
¡ö Êä³öÏàλ¶¶¶¯£º¡Ü10% ¡ö ÖÜÆÚ£ºR1=30O¡À0.9O ¡ö Ïàλ²î Yn¡Ý0.125T (n=1,2,3,4¡) ABÁ½ÏàÐźÅÓëU V WÐźżäµÄ Ïàλ²î²»×ö¹æ¶¨¡£ | |
|
|
|
|
|
|
|
|
|
|
|
|
|
|
|
|
|
|
|
|
|
|
|
|
ÐźÅÐÎʽ: R:A¡¢B E:A¡¢B A-¡¢B- | |
|
|
µçÔ´µçѹ: 5:DC5V 8:DC8V 15:DC15V 30DC30V | |
³öÏßÐÎʽ: J:²å×ù²à³ö G:µçÀ²à³ö | |
|
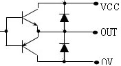
×¢:V:µçѹ C:¼¯µç¼«¿ªÂ· F:»¥²¹ E:Çý¶¯Æ÷88C30 M:Çý¶¯Æ÷MC3487 I:Çý¶¯Æ÷ET7272 L:Çý¶¯Æ÷26LS31 H:Çý¶¯Æ÷26C31 P: Çý¶¯Æ÷75183