M400ϵÁÐÖÇÄܵçÁ¦²â¿ØÒÇ±í£¬²ÉÓ÷ÖÌåʽÉè¼Æ£¬¿ÉÒÔÖ±½Ó°²×°ÔÚ1/4Ä£ÊýµÄ³éÌë¹ñÖУ¬¾ßÓд«Í³µÄ¶à¹¦Äܵç±íµÄ²âÁ¿¹¦ÄÜ¡¢¼¯³ÉÁ˳£¼û¶Ï·Æ÷µÄ¿ØÖÆ·½·¨¡¢×´Ì¬¼ì²â¹¦ÄÜ£¬¿ÉÒÔÍê³É¶ÔÖ÷»ØÂ·µÄ¶Ï·Æ÷¿ØÖƺÍ״̬¼ì²â¡¢ÍⲿÁ¬Ëø¶¯×÷ºÍ±£»¤¹¦ÄÜ£¬¼ò»¯´«Í³¿ª¹Ø¹ñÏß·µÄÉè¼Æ¡£
¡ µçÔ´Ö§³Ö½»¡¢Ö±Á÷¹©µç,¹©µç·¶Î§¿í£¨AC/DC 80V~270V£©
¡ ²úÆ·Ìå»ýС¡¢½á¹¹½ô´Õ£¬¿ÉÔÚ1/4Ä£Êý³éÌë¹ñÖÐʹÓÃ
¡ ʪ½ÚµãÊäÈë, ÊäÈ빦ÄÜ¿ÉÑ¡
¡ ²âÁ¿²ÎÊýÆëÈ«¡£ÄÚ²¿¼¯³ÉÁËDSP,¿ÉÒÔ°´ÕÕ±ê×¼¼ÆËã³öÖÚ¶àµÄµçÁ¿²ÎÊý,Ö§³Ö¶àÖÖ³£¼ûµÄ½ÓÏß·½Ê½£»µçѹ²âÁ¿£¨ÏßµçѹºÍÏàµçѹ£©¡¢ÆµÂʲâÁ¿¡¢µçÁ÷²âÁ¿£¨ÈýÏàºÍÖÐÏࣩ¡¢Óй¦¹¦ÂʲâÁ¿£¨·¢µç/Êܵ磩¡¢ÎÞ¹¦¹¦ÂʲâÁ¿£¨ÈÝÐÔ/¸ÐÐÔ£©¡¢ÊÓÔÚ¹¦ÂʲâÁ¿¡¢¹¦ÂÊÒòÊý²âÁ¿¡¢Ó馵çÄÜͳ¼Æ£¨ÕýÏò/¸ºÏò£©¡¢ÎÞ¹¦µçÄÜͳ¼Æ£¨ÕýÏòÏò/¸ºÏò£©¡¢Ð³²¨º¬Á¿¡¢¸÷·ÖÏàµÄµç²ÎÊý
¡ ²â¿ØÒDZíÄÚ²¿¼¯³ÉÓзÇÒ×ʧÐÔ´æ´¢Æ÷£¬ÉèÖõIJÎÊý¼°µçÄÜÊý¾Ý¾ßÓеôµç¼ÇÒ书ÄÜ
¡ ÒDZíÖ÷ÌåÖ§³ÖModbus-RTU¡¢Profibus-DP¡¢DeviceNetµÈ¶àÖÖ×ÜÏߣ¬ÐźÅͨ¹ý×ÜÏß·½Ê½´«Ê䣬¿ÉÒÔÓë¸÷ÖÖϵͳ×éÍø¹ÜÀí
¡ ±£»¤¹¦ÄܵÄͶ¡¢ÍË¡¢±£»¤²ÎÊýµÈ¿ÉÓÉרҵÈËÔ±¸ù¾ÝÏÖ³¡µÄµÄʵ¼ÊÔËÐÐÇé¿ö½øÐÐÕû¶¨£¬µôµç²»¶ªÊ§
¡ ¹ÊÕÏ¡¢±¨¾¯£¬ÏÔʾģ¿éµ¯³ö½çÃæÌáʾ£»´øÓÐʱÖÓ¹¦ÄÜ£»²â¿ØÒDZíÖ÷Ìå¿ÉÒÔ´æ´¢¹ÊÕϼǼ¡¢±¨¾¯¼Ç¼¡¢ºÏÕ¢¼Ç¼¡¢·ÖÕ¢¼Ç¼,±ãÓÚÓû§¹ÜÀíºÍ²éÔÄ
¡ ²âÁ¿Ö÷ÌåÓë²Ù×÷ÏÔʾģ¿é·Ö¿ª£¬¿ÉÒÔÂú×㲻ͬ³¡ºÏµÄ°²×°ÐèÇó£¬ÊÊÓ¦¹¤³Ì²â¿Ø²É¼¯ËùÐèµÄ¶àÖÖ×éºÏ·½°¸
|
ÐźÅÊäÈë |
|
¶î¶¨µçѹ |
AC100V/400V |
|
¶î¶¨µçÁ÷ |
AC1A/5A |
|
¶î¶¨ÆµÂÊ |
50Hz |
|
¶î¶¨¾øÔµµçѹ |
690V |
|
±£»¤¹¦ÄÜ |
|
Ƿѹ±£»¤ |
5%Ue¡«95%Ue |
|
¹ýÁ÷I¶Î±£»¤ |
110%Ie¡«200%Ie |
|
¹ýÁ÷II¶Î±£»¤ |
110%Ie¡«200%Ie |
|
©µç±£»¤ |
1%I¡÷e¡«120%I¡÷e |
|
¸¨ÖúµçÔ´ |
|
¿íѹÐÍ |
AC/DC 80¡«270V |
|
¹¦ºÄ |
£¼8W/8VA |
|
¹¦ÄÜÄ£¿é |
|
ͨѶ½Ó¿Ú |
¿ÉÑ¡Modbus-RTU¡¢Profibus-DP¡¢DeviceNet¡¢Ë«Modbus-RTU»òË«Profibus-DP
²¨ÌØÂÊ£º2400¡«115200bps£¬Ä¬ÈÏ9600bps |
|
¿ª¹ØÁ¿ÊäÈë |
8·ÓÐÔ´ £¬AC220V£¬DC220V£¬DC110V |
|
¿ØÖƼ̵çÆ÷Êä³ö |
2·£¬×î´ó¶Ï¿ªµçѹAC400V |
|
±¨¾¯¼ÌµçÆ÷Êä³ö |
2·£¬×î´ó¶Ï¿ªµçѹAC300V |
|
Ä£ÄâÁ¿Êä³ö |
¿ÉÑ¡2·£¬4¡«20mA |
|
°²È« |
|
¾øÔµÇ¿¶È |
2kV |
|
¾øÔµµç×è |
¡Ý20M¦¸ |
|
½éÖÊÇ¿¶ÈÊÔÑé |
2kV£¨r.m.s£©£¬50Hz£¬1min |
|
ƽ¾ùÎÞ¹ÊÕÏʱ¼ä(MTBF) |
¡Ý50000h |
|
»·¾³ |
|
¹¤×÷ÎÂ¶È |
-20¡æ¡«+70¡æ |
|
´æ´¢ÎÂ¶È |
-40¡æ¡«+85¡æ |
|
Ïà¶Ôʪ¶È |
5£¥¡«95%£¬ÎÞÄý¶ |
|
°²×°Àà±ð |
III |
|
µç´Å¼æÈÝ |
|
µç¿ìËÙ˲±äÂö³åȺ |
4¼¶ |
|
¾²µç·Åµç |
4¼¶ |
|
ÀËÓ¿£¨³å»÷£© |
4¼¶ |

¹æ¸ñÑ¡ÐÍ
|
¹¦ÄÜ ÐͺŠ|
M400 |
|
±£»¤
¹¦ÄÜ |
Ƿѹ±£»¤ |
¡Ì |
|
¹ýÁ÷I¶Î±£»¤ |
¡Ì |
|
¹ýÁ÷II¶Î±£»¤ |
¡Ì |
|
ºÏÕ¢¶ÏÏß¼ì²â |
¡Ì |
|
·ÖÕ¢¶ÏÏß¼ì²â |
¡Ì |
|
PT¶ÏÏß±¨¾¯ |
¡Ì |
|
©µç±£»¤ |
¡Ì* |
|
¿ØÖÆ
·½Ê½ |
ÎÞ¿ØÖÆ·½Ê½ |
¡Ì*(ÈÎÑ¡ÆäÒ») |
|
ËܿǿØÖÆ·½Ê½ |
|
¿ò¼Ü¿ØÖÆ·½Ê½ |
|
ͨÓÿØÖÆ·½Ê½ |
|
²âÁ¿
¹¦ÄÜ |
ÈýÏàµçÁ÷ |
¡Ì |
|
ÈýÏàµçѹ |
|
Óй¦¹¦ÂÊ |
|
ÎÞ¹¦¹¦ÂÊ |
|
ÊÓÔÚ¹¦ÂÊ |
|
¹¦ÂÊÒòÊý |
|
ƵÂÊ |
|
Ë«ÏòÓ馵çÄÜ |
|
Ë«ÏòÎÞ¹¦µçÄÜ |
|
г²¨²âÁ¿ |
¡Ì* |
|
©µçÁ÷ |
¡Ì* |
|
ʵʱʱÖÓ |
Äê¡¢Ô¡¢ÈÕ¡¢Ê±¡¢·Ö¡¢Ãë |
¡Ì |
|
ͨѶ¹¦ÄÜ |
Modbus-RTU |
1*(ÈÎÑ¡ÆäÒ») |
|
Profibus-DP |
|
DeviceNet |
|
˫Modbus-RTU |
|
˫Profibus -DP |
|
Ä£ÄâÁ¿Êä³ö |
4¡«20mA |
2* |
|
¿ª¹ØÁ¿ÊäÈë |
ʪ½ÚµãÊäÈë(AC220V) |
8(ÈÎÑ¡ÆäÒ») |
|
ʪ½ÚµãÊäÈë(DC220V/110V) |
|
¿ª¹ØÁ¿Êä³ö |
¿ØÖƼ̵çÆ÷Êä³ö |
2 |
|
±¨¾¯¼ÌµçÆ÷Êä³ö |
2 |
|
LEDָʾµÆ |
ͨÐÅָʾ/ÔËÐÐָʾ/¹ÊÕÏָʾ |
¡Ì |
|
ÐÅÏ¢²éѯ |
¹ÊÕϼǼ |
¡Ì |
|
±¨¾¯¼Ç¼ |
|
ºÏÕ¢¼Ç¼ |
|
·ÖÕ¢¼Ç¼ |
|
ÏÔʾ·½Ê½ |
LCD |
×¢£º¡°*¡±±íʾ´ËÏÄÜΪ¿ÉÑ¡¡£
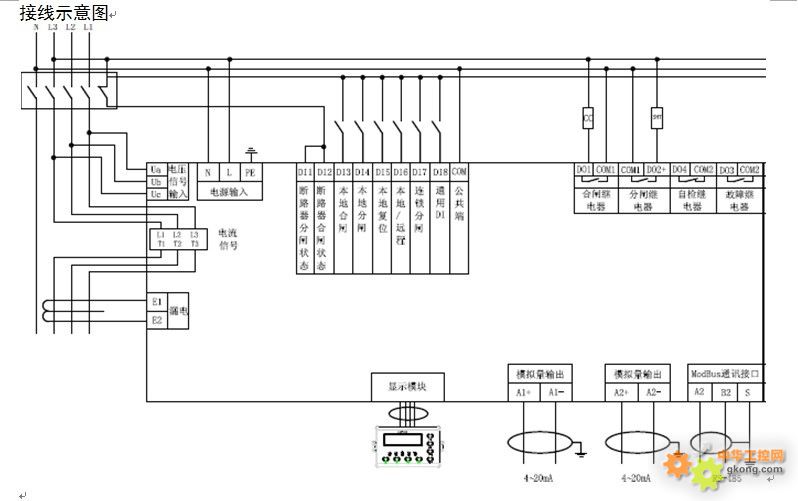
Ö÷Ìå¶Ë×Ó¹¦Äܶ¨Òå
|
¶Ë×ӺŠ|
¹¦Äܶ¨Òå |
¶Ë×ӺŠ|
¹¦Äܶ¨Òå |
|
COM |
DIÊäÈ빫¹²¶Ë |
COM1 |
DO1ºÍDO2µÄ¹«¹²¶Ë |
|
DI1 |
¶Ï·Æ÷·Öբ״̬¼ì²â(³£±Õ) |
DO1 |
ºÏÕ¢¼ÌµçÆ÷£¨³£¿ª,Âö³åÊä³ö£© |
|
DI2 |
¶Ï·Æ÷ºÏբ״̬ÊäÈ루³£±Õ£© |
DO2 |
·ÖÕ¢¼ÌµçÆ÷(³£¿ª,Âö³åÊä³ö) |
|
DI3 |
±¾µØºÏÕ¢(³£¿ª) |
COM2 |
DO3ºÍDO4µÄ¹«¹²¶Ë |
|
DI4 |
±¾µØ·ÖÕ¢(³£¿ª) |
DO3
£¨¿É±à³Ì£© |
ºÏÕ¢¼ÌµçÆ÷(³£¿ª) |
|
DI5 |
±¾µØ¸´Î»£¨³£¿ª£© |
·ÖÕ¢¼ÌµçÆ÷£¨³£¿ª£© |
|
DI6 |
±¾µØ/Ô¶³Ì£¨³£¿ª£© |
¹ÊÕÏ£¨³£¿ª£© |
|
DI7 |
Á¬Ëø·ÖÕ¢£¨³£¿ª£© |
±¨¾¯£¨³£¿ª£© |
|
DI8£¨¿É±à³Ì£© |
ͨÓÃDI£¨³£¿ª£© |
¹ýÁ÷I¶Î±¨¾¯£¨³£¿ª£© |
|
E1 |
Ê£ÓàµçÁ÷»¥¸ÐÆ÷ÊäÈë1 |
¹ýÁ÷II¶Î±¨¾¯£¨³£¿ª£© |
|
E2 |
Ê£ÓàµçÁ÷»¥¸ÐÆ÷ÊäÈë2 |
½ÓµØ¹ÊÕÏ£¨³£¿ª£© |
|
A1+ |
4¡«20mAÄ£ÄâÁ¿Êä³ö1Õý |
Ƿѹ¹ÊÕÏ£¨³£¿ª£© |
|
A1- |
4¡«20mAÄ£ÄâÁ¿Êä³ö1¸º |
ºÏÕ¢¶ÏÏߣ¨³£¿ª£© |
|
A2+ |
4¡«20mAÄ£ÄâÁ¿Êä³ö2Õý |
·ÖÕ¢¶ÏÏߣ¨³£¿ª£© |
|
A2- |
4¡«20mAÄ£ÄâÁ¿Êä³ö2¸º |
Á¬Ëø¹ÊÕÏ£¨³£¿ª£© |
|
A1 |
RS-485ͨѶ½Ó¿Ú1 |
×ÔÕï¶Ï£¨³£¿ª£© |
|
B1 |
ͨÓÃDO£¨³£¿ª£© |
|
S |
ͨѶÆÁ±ÎµØ |
DO4 |
×ÔÕï¶ÏÊä³ö£¨³£±Õ£© |
|
A2 |
RS-485ͨѶ½Ó¿Ú2 |
L1¡¢T1 |
AÏàµçÁ÷ÐźÅÊäÈ룬L1½øÏߣ¬T1³öÏß |
|
B2 |
L2¡¢T2 |
BÏàµçÁ÷ÐźÅÊäÈ룬L2½øÏߣ¬T2³öÏß |
|
L£¨+£© |
¸¨ÖúµçÔ´£ºAC/DC 80¡«270V |
L3¡¢T3 |
CÏàµçÁ÷ÐźÅÊäÈ룬L3½øÏߣ¬T3³öÏß |
|
N£¨-£© |
Ua¡¢Ub¡¢Uc¡¢Un |
µçѹÐźÅÊäÈë |
|
PE |
±£»¤µØ |
|
|



¶©»õʾÀý
Àý1£®
ÐͺţºM403-M/5A/T/LM1H+D02+T910
µçѹµÈ¼¶£º400V
˵Ã÷£º¿ØÖÆÆ÷²úƷʹÓÃMODUBUS-RTUͨÐÅÐÒ飬DIÊäÈ빤×÷µçԴΪAC220V£¬¿ØÖÆDO»ØÂ·Ê¹ÓõĵçԴΪAC220V/380V£¬¿ØÖÆ·½Ê½ÎªÍ¨Ó÷½Ê½£¬ÔöÑ¡ÁËг²¨²âÁ¿¹¦ÄÜ¡¢±äËÍÊä³ö¡¢Â©µç±£»¤¹¦ÄÜ£¬ÅäMD02ÏÔʾģ¿é£¬´®¿ÚÏß³¤¶ÈΪ£±Ãס£