Ä£¿éÌØÕ÷£º
¡ö µçÁ÷:25-1000A--------¡ö ÖØ¸´·åÖµµçѹ:100-3000V---¡ö »ù°å¡Ý3000RMS------¡ö ·ûºÏ¹ú¼Ê±ê×¼µÄÍâÐνṹ
¡ö ³ÐÊܸßÀËÓ¿µçÁ÷ÄÜÁ¦---¡ö ¼òµ¥µÄ×éºÏ·½Ê½-----------¡ö ·ûºÏ¹ú¼Ò±ê×¼-------¡ö ·ûºÏIEC¹ú¼Êµç¹¤Î¯Ô±»á±ê×¼
µäÐÍÓ¦Óãº
¡ö DCÂí´ï¿ØÖƺÍÇý¶¯Æ÷ ¡ö Ðîµç³ØµÄ³äµç ¡ö º¸½ÓÉ豸 ¡ö AC/DC±ä»»Æ÷ ¡ö Ö±Á÷µçÆ÷ ¡ö »ú´²¿ØÖÆ

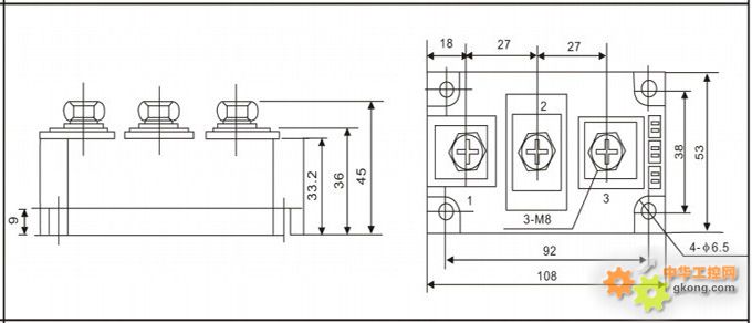
²Î¿¼³ß´çͼ£º

³Ðŵ£º±¾¹«Ë¾ËùÉú²úµÄ²úÆ·¶¼¾¹ýÑϸñÈ«¶¯Ì¬Ä£Äâ²âÊÔ£¡È·±£²úÆ·ÔÚ³ö³§Ç°ºÏ¸ñÂÊ´ï100%£¬²úÆ·Ò»ÄêÄÚ³öÏÖÖÊÁ¿ÎÊÌ⣬Ãâ·Ñ±£ÐÞ¼°¸ü»»£¡
±¾¹«Ë¾×¨ÒµÉú²úºÍÏúÊÛ¸÷ÖÖÐͺÅÕûÁ÷¹Ü£¬¾§Õ¢¹Ü£¬¿É¿Ø¹èÄ£¿é£¬ÇÅʽÕûÁ÷Æ÷£¬¹Ì̬¼ÌµçÆ÷£¬ÖÊÓżÛÁ®£¬»¶Ó¹ã´ó¿Í»§À´µçÀ´º¯×ÉѯÐͺż°¼Û¸ñ£¡