DW200ϵÁÐ΢²îѹ±äËÍÆ÷ÍâÐγߴçÓëD2000ϵÁÐÖ¸Õëʽ²îѹ±íÍêÈ«Ïàͬ.²ÉÓýø¿Ú´«¸ÐÆ÷Ð¾Æ¬ÖÆÔì¡£´«¸ÐÆ÷ºÍ·Å´óµç·¸ß¶È¼¯³É£»²ÉÓÃÂÁºÏ½ð¼°Ó¦Á¦¸ôÀë¼¼Êõ×é×°¶ø³É¡£ÁéÃô¶È¸ß¡¢¾«¶È¸ß£¬¿¹¹ýÔØÄÜÁ¦Ç¿¡£ÒDZíÓ¦ÓÃÎȶ¨´«¸ÐÆ÷¼¼Êõ£¬½â¾öÁËÔÚ΢ѹ²âÁ¿ÁìÓò³£¼ûµÄÎÂ¶ÈÆ¯ÒƺÍÁãλ²»×¼µÄÄÑÌâ¡£
²úÆ·ÌØµã
ѹÁ¦½Ó¿Ú£º1/8" ËþÐνÓÍ·
¿Ç£ºÖýÂÁÍâ¿Ç£¬Óлú²£Á§Ãæ°å,Éî»ÒɫͿ²ã£¬¿ÉÄÍ168СʱÅçÑβâÊÔ
ÖØÁ¿£ºÔ¼70¿Ë
½éÖÊ£º½à¾»¸ÉÔï·Ç¸¯Ê´ÐÔÆøÌå
°²×°£º´¹Ö±°²×°
¼¼Êõ²ÎÊý
¾«¶È(F.S)£º±1%F.S ¾«¶È°üº¬ÏßÐÔ£¬³ÙÖͺÍÖØ¸´ÐÔ
Îȶ¨ÐÔ£º ≤0.5%F.S/Äê
µ¥Ë«ÏòÁ¿³Ì¼ûÑ¡ÐÍ±í£º
ÏìӦʱ¼ä£º250ms
ζȷ¶Î§£º
´æ´¢Î¶ȣº-40¡«85¡æ
¹¤×÷ζȣº-15¡«70¡æ
ÎÂ¶ÈÆ¯ÒÆ£º±0.03%F.S/Äê
¹ýѹ·¶Î§£ºÁ¿³Ì¸ºÔØÁ½±¶
°²×°Î»ÖÃÓ°Ï죺±1%/g
Êä³öÐźţº4-20mA (2Ïß)
¹© µç£º12-36VDC
·´Ïò½ÓÏß±£»¤
ÁãµãºÍÂúÁ¿³Ìµ÷½Ú£º Íⲿµ÷½Ú
Áãµã£º±5%F.S ÂúÁ¿³Ì£º±5%F.S
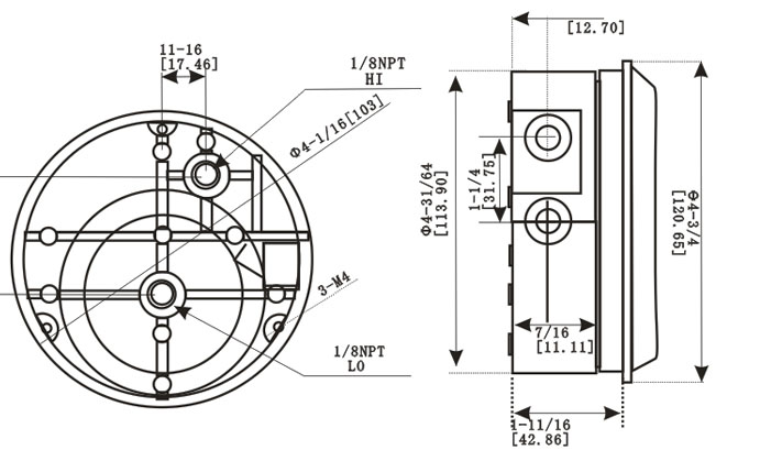
²úÆ·³ß´ç£º
²úÆ·Ñ¡ÐÍ£º

²úÆ·ÌØµã
ѹÁ¦½Ó¿Ú£º1/8" ËþÐνÓÍ·
¿Ç£ºÖýÂÁÍâ¿Ç£¬Óлú²£Á§Ãæ°å,Éî»ÒɫͿ²ã£¬¿ÉÄÍ168СʱÅçÑβâÊÔ
ÖØÁ¿£ºÔ¼70¿Ë
½éÖÊ£º½à¾»¸ÉÔï·Ç¸¯Ê´ÐÔÆøÌå
°²×°£º´¹Ö±°²×°
¼¼Êõ²ÎÊý
¾«¶È(F.S)£º±1%F.S ¾«¶È°üº¬ÏßÐÔ£¬³ÙÖͺÍÖØ¸´ÐÔ
Îȶ¨ÐÔ£º ≤0.5%F.S/Äê
µ¥Ë«ÏòÁ¿³Ì¼ûÑ¡ÐÍ±í£º
ÏìӦʱ¼ä£º250ms
ζȷ¶Î§£º
´æ´¢Î¶ȣº-40¡«85¡æ
¹¤×÷ζȣº-15¡«70¡æ
ÎÂ¶ÈÆ¯ÒÆ£º±0.03%F.S/Äê
¹ýѹ·¶Î§£ºÁ¿³Ì¸ºÔØÁ½±¶
°²×°Î»ÖÃÓ°Ï죺±1%/g
Êä³öÐźţº4-20mA (2Ïß)
¹© µç£º12-36VDC
·´Ïò½ÓÏß±£»¤
ÁãµãºÍÂúÁ¿³Ìµ÷½Ú£º Íⲿµ÷½Ú
Áãµã£º±5%F.S ÂúÁ¿³Ì£º±5%F.S
²úÆ·³ß´ç£º
²úÆ·Ñ¡ÐÍ£º
