Ò»¡¢Ìصã
¡ñ·´Ïò½ÓÏß±£»¤
¡ñ¿¹Õ𶯣¬µÍÆ¯ÒÆ
¡ñµÍÁ¿³ÌʱÊä³öÎȶ¨£¬³±ÆøºÍ»Ò³¾ÎÞÓ°Ïì
¡ñ¸ù¾Ýζȱ仯ÖðµãÐÞÕýÎÂ¶ÈÆ¯ÒÆ
¡ñ²ÉÓÃABSÍâ¿Ç,ÊýÂë¹Ü·¢¹âÏÔʾ
¶þ¡¢¼¼Êõ²ÎÊý
¡ñ¾« ¶È: ±0.8%F.S (¾«¶È°üº¬ÏßÐÔ,³ÙÖͺÍÖØ¸´ÐÔ)
¡ñÁ¿ ³Ì£º´Ó0¡«25Paµ½±3KPa£¨¸ù¾ÝÐͺţ©
¡ñµç Ô´£º24Vdc
¡ñÊä ³ö£º4¡«20mA
¡ñÄÍÑ¹ÌØÐÔ£º¹ýѹ100KPa
¡ñ¹¦ ºÄ£º5VA
¡ñѹÁ¦½Ó¿Ú£º1/8" »ÆÍËþÐνÓÍ·
¡ñ¹¤×÷ζȣº-18¡«70°C
¡ñ´¢´æÎ¶ȣº-40¡«80°C
¡ñ²¹³¥·¶Î§£º1.6¡«54°C
¡ñÎÂ¶ÈÆ¯ÒÆ: ±0.03%F.S
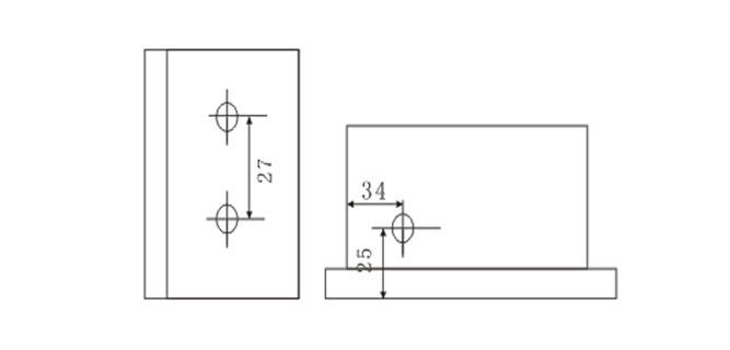
Èý¡¢ÍâÐγߴ磨mm£©


µçÆøÁ¬½Ó
ËÄ¡¢²úÆ·Ñ¡ÐÍ

