首页 新闻 工控搜 论坛 厂商论坛 产品 方案 厂商 人才 文摘 下载 展览
中华工控网首页
  P L C | 变频器与传动 | 传感器 | 现场检测仪表 | 工控软件 | 人机界面 | 运动控制
  D C S | 工业以太网 | 现场总线 | 显示调节仪表 | 数据采集 | 数传测控 | 工业安全
  电 源 | 嵌入式系统 | PC based | 机柜箱体壳体 | 低压电器 | 机器视觉
基于MC9S08AW32芯片的开关柜智能测控装置设计及应用
安科瑞电气股份有限公司
收藏本文     查看收藏

基于MC9S08AW32芯片的开关柜智能测控装置设计及应用

上海安科瑞电气集团有限公司

摘要:电力系统中高压开关柜的一次开关设备工作状态、温湿度控制、高压带电指示等功能一般是由信号灯和独立的电气元件实现的,这势必会带来集成度低、配线复杂、可靠性差的缺点。本文介绍了一种开关柜智能测控装置,适用于335kV户内高压开关柜,用于一次开关设备状态模拟显示、高压带电指示、防凝露温湿度控制、电参数测量等,大大提高了开关柜操控和测显的集成度和智能化程度。

关键词:MC9S08AW32;开关柜;一次系统图;智能测控装置

Design and application of the Intelligent Monitoring and Control Device for Switchboard Based on the Chip of MC9S08AW32

 (1,Shanghai Acrel Co. , Ltd. , Shanghai 201801, China;)

Abstract: According to the survey, working state of the switching device, control of temperature and humidity and high-voltage live instruction are usually achieved by some signal lamps and several independent electronic devices in a high-voltage switchboard of power system, which will inevitably bring about the shortcomings of low integration, complex wiring, and lower reliability.  An intelligent monitoring and control device for switchboard named ASD is introduced in this paper, which is used in 3 ~ 35kV indoor high voltage switchboard. The device is used for the indicate of switching device status, high-voltage live instructions, anti-condensing temperature and humidity control, electrical parameter measurement and so on, which is highly increased the integration and intelligence of manipulation and measurement of the switchboard.

Key words: MC9S08AW32; switchboard ; primary system diagram; intelligent monitoring and control device

0 引言

开关柜一般有断路器(负荷开关)、隔离刀闸、接地刀闸等一次开关设备。在运行或调试中,监测这些一次开关设备状态是至关重要的。在传统的开关柜上,一般使用信号灯来指示这些状态的,这样做显示不直观,且接线不方便。开关柜智能测控装置将一次设备状态显示与开关柜的一次方案图相结合,LED显示器件置于一次方案图中设备符号所处位置,电路状态一目了然,生动直观,如图1所示。

   

 

同时集成的高压带电显示、自动温湿度控制、电参数测量功能使开关柜盘面简洁大方,降低二次接线工作量。

1 硬件设计方法

1.1 设计平台

中央处理器采用Freescale公司的第一款基于高度节能型S08核的器件MC9S08AW32高性能单片机,该单片机片上资源丰富,支持BDM片上调试功能,片内集成看门狗电路,抗干扰能力突出,具有业内最佳的EMC性能。CPU总线频率最高可达20MHz,最高运行速率可达40MHz。丰富的片上资源:32KB在线可编程FLASH存储器,内部时钟发生器,带有2个可编程定时器,丰富的I/O口:双SCI口,SPII2C等接口,极大的方便了硬件的扩展。

电能计量芯片采用美国ADI公司的高精确度三相电能测量芯片ADE7758。该芯片的测量精度高,功能强大。该IC内嵌高精度的模数转换器和固定模式的数字处理信号处理器( DSP),具有数字积分、数字滤波、实用电能监测、计量功能。芯片带有一个SPI串行口、有功电能脉冲输出、无功电能脉冲输出,可用于各种三相系统中有功功率、无功功率、电能、电压电流有效值的测量以及以数字方式校正系统误差所必须的信号处理电路。

ADE7758为各相提供系统校准功能,包括有效值偏移校准、相位校准、功率校准。

1.2 设计框图

装置硬件电路设计框图如下,整个系统以MC9S08AW32为核心,按功能可划分为中央处理单元、电源模块、电压电流采样及运算、开关量控制模块、温湿度采集模块、人机交互模块、通讯模块等。

1.3 部分电路

1.3.1 中央处理单元

中央处理单元电路图如图3所示,CPU对采样信号进行处理计算,根据测量得到的电流、电压、温湿度值与预先设定的各种保护数值进行对比,由此来判断开关柜的电压电流是否正常、温湿度状况是否正常,若不正常则输出相应的告警信息。外部扩展了铁电存储器,用于存储一些重要的参数,即使以后升级程序也不会丢失先前的重要数据。

1.3.2开关量控制模块

开关量控制模块包括开关量输入和告警输出,其电路图如图4所示。开关量输入经光电耦合接入CPU;告警由GPIO口经光电耦合器连接到继电器输出。开关量输入设有8路,依次对应一次图中的断路器合、断路器分、手车工作位置、手车试验位置、接地刀位置以及弹簧储能指示,其余预留。开关量输入对应一次图可编程设置。开关量输出设有6路,依次输出加热器1、加热器2、风扇、告警、照明、闭锁的状态。

1.3.3 人机交互单元

本装置高端产品的人机交互界面采用LCD液晶显示模块。LCD采用128*128点阵显示,初始界面为电参量显示界面,通过按键输入进入菜单设置界面,菜单选项均采用中文显示界面,使得操作直观易懂。通过菜单选项可以设置诸如接线方式、电压变比、电流变比、告警定值、通信地址波特率等参数。低端产品则采用双排四位LED数码管显示来温湿度信息及各种可编程信息。用户可根据实际需要进行设置各种告警定值参数、通信地址波特率等。

1.4 评述

本装置采用的电源模块为开关电源模块。该电源模块输入电压为AC90285VDC100300V,输入频率4560Hz,输出电压稳定、故障率小,输出纹波<1%,转换效率≥75%。具有过压、过流保护。该模块经实际现场使用,具有很高的稳定性、可靠性和抗干扰能力。

温湿度传感器采用SHT10,该系列产品是一款高度集成的温湿度传感器芯片,具有超快响应、抗干扰能力强等优点,提供全标定的数字输出。CPUSHT10采用串行接口,在传感器信号的读取及电源损耗方面,都做了优化处理。

高压带电显示模块由高压带电传感器输入电信号,由此判断此高压柜是否带电。由于母线电压较高,所以高压带电显示电路采用了各种过压保护、隔离保护器件来确保装置内部电路的正常工作。

此外,本装置还集成有操控功能、人体感应功能、语音防误提示功能等。

2 软件设计流程

系统软件设计包括主程序、通讯模块2个部分。

主程序完成上电或复位初始化,电能芯片初始化,其他外设初始化,温湿度测量,读取电参数,电量计算,状态显示及报警处理,LCD显示刷新及按键处理等功能,程序设计流程如图5

CPU初始化主要指对CPU的特殊状态寄存器SFR进行配置,设置I/O口的输入输出状态及初始状态,读取铁电寄存器数据等;电能芯片初始化主要指对ADE7758功能寄存器的配置;主程序其余部分则是对各项功能的完成,只有合理安排程序流程来完成这些功能,装置才能可靠工作。

通讯模块以中断方式实现,主要完成接收数据,协议处理等功能。通讯协议采用标准MODBUS-RTU规约,便于上位机的通讯,与其他网络仪表组网使用,实现对开关柜状态的实时监测。

3 实现的技术指标及性能

ASD系列开关柜智能测控装置的技术指标见表1。产品设计时采用优异的电磁干扰PCB设计技术,生产时经过整机带电老化与出厂检验测试,确保了产品的长期工作的稳定性和可靠性。

 

1 ASD装置技术指标

技术参数

指标

输入

网络

三相三线、三线四线

频率

4560 Hz

电压

/电流

额定值:AC 100V/5A

过负荷:1.2倍额定值(持续);2倍额定值持续1

功耗:电压回路小于 0.5VA;电流回路小于1VA

输出

电能

输出方式:集电极开路的光耦脉冲

脉冲常数:32000imp/kWh

通讯

RS485接口,MODBUS-RTU协议

精度

电参量

频率0.05Hz、无功电能1级,其余0.5

温湿度

温度:±1;湿度:±4%

开关量输入

8路干接点输入,内置+12V电源

开关量输出

输出方式:6路继电器输出

触点容量:AC250V/5A

电源

AC90-285VDC100-300,功耗≤8VA

安全性

工频耐压:AC2kV/1min;绝缘电阻:>100MΩ

电磁兼容性

兼容

静电测试:3级;脉冲群测试:4级;浪涌测试:4

环境

工作温度:-1055℃;存储温度-2070℃;相对湿度:5%95%不结露;海拔高度:小于2500

4 应用案例

 

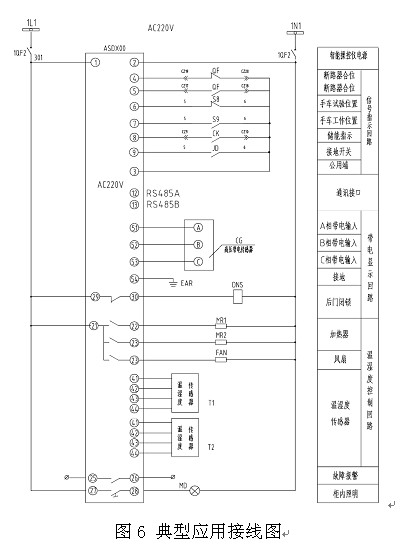
    在某水泥厂高压开关柜设计中,全部采用了ASD系列开关柜智能测控装置。应用方案见图6。图中信号指示回路通过开关量输入采集来实现一次原理图指示;带电显示回路通过高压传感器输入来指示母线是否带电;温湿度控制回路通过温湿度传感器输入来实现温湿度控制。并带有Modbus通讯输出, 供用户远程监测和控制。一改以往每个开关柜需配备不同厂家的多种产品,既减少了工程量节约了成本,又提高了系统的可靠性。投入试用的开关柜智能测控装置以其良好的稳定性和可靠性能保证了对开关柜内的一次设备的保护,并且保证了对于电压、电流、功率等参数的准确测量和对电能的准确计量,同时方便了用户对开关柜的实时监控。

5 结语

开关柜智能测控装置针对电力开关柜的控制要求设计,适用于中置柜、手车柜、固定柜、环网柜等多种开关柜。该产品已经系列化,集操作、显示于一体,满足多种客户的需求,具有功能齐全、运行可靠、抗干扰性能优越等特点,应用前景十分广阔。

 

【参考文献】

[1] 任致程,周中. 电力电测数字仪表原理与应用指南[M].北京:中国电力出版社,2007.

[2] 王威. 嵌入式微控制器S08AW原理与实践[M].北京:北京航空航天大学出版社,2009.

[3] ADE7758数据手册[EB/OL].Analog Devices2006.

[4] 孙兴丽,刘曙光. 一种开关柜智能操控装置的设计与实现[J]. 高压电器,2009.

  

 

 


 

状 态: 离线

公司简介
产品目录

公司名称: 安科瑞电气股份有限公司
联 系 人: 钱琪明
电  话: 021-69158305
传  真:
地  址: 上海市嘉定区育绿路253号
邮  编: 201801
主  页:
 
该厂商相关技术文摘:
浅析35kV变电站综合自动化的改造方案
浅谈电气火灾监控系统在煤矿高层公寓中的应用
10kV高压开关柜无线测温系统设计及产品选型
浅析物联网技术在公共建筑能源管理系统中的应用
浅谈集中控制型消防应急疏散照明和疏散指示 系统在民用建筑的设计应用
银川建发大阅城·凯悦酒店Acrel-5000能耗管理系统
苏州市社会福利院电能管理系统的设计与应用
苏州广奕大厦电能管理系统的设计与应用
AFPM100消防设备电源监控系统在连云港万达广场的应用
AFPM100消防设备电源监控系统在济南高新万达广场的应用
湖州万达投资有限公司10KV配电
AFPM100/B消防电源在武汉华星光电新建厂房项目的应用
更多文摘...
立即发送询问信息在线联系该技术文摘厂商:
用户名: 密码: 免费注册为中华工控网会员
请留下您的有效联系方式,以方便我们及时与您联络

关于我们 | 联系我们 | 广告服务 | 本站动态 | 友情链接 | 法律声明 | 不良信息举报
工控网客服热线:0755-86369299
版权所有 中华工控网 Copyright©2022 Gkong.com, All Rights Reserved