|
“我们的光伏并网点就在电流互感器前面,结果补偿器一点不起作用,功率因数一直卡在 0.83!”浙江某纺织厂2MW分布式光伏项目的李经理,最近被电费单上的力调电费压得喘不过气。工厂车间里的纺纱机、织布机等设备多为感性负载,本身无功需求巨大,加上光伏并网点位于CT前端的特殊接线,传统补偿控制器无法精准采集电网侧数据,并网半年就累计被罚力调电费近10万元,光伏收益几乎被吞噬殆尽。

纺织厂光伏项目的功率因数问题,远比普通场所复杂:
- 负载特性特殊,车间里大量感性负载,运行时会消耗大量无功功率,本身就存在功率因数偏低的问题;
- 接线错位雪上加霜,并网点位于CT前端导致采样失真,传统控制器只能捕捉负载侧局部数据,无法匹配电网侧真实无功需求,补偿如同盲打;
- 改造限制严格,工厂生产线 24 小时不间断运行,调整CT位置或重新接线需要停产施工,仅停工损失就远超罚款,根本不具备实操性。
更关键的是,电网对功率因数有明确考核标准,低于 0.9 就会启动罚款,每低 1% 在电费基础上加收 0.5%,严重时罚款比例能高达 95%,对利润微薄的纺织行业来说,无疑是沉重负担。
李经理在万般无奈下请来了易控宝技术团队帮忙解困。针对该纺织厂的特殊场景,在没有停产情况下,易控宝通过“光伏四象限无功补偿控制器+高采低补” 组合方案帮助李经理破解了难题:
第一步:更换易控宝光伏四象限无功补偿控制器
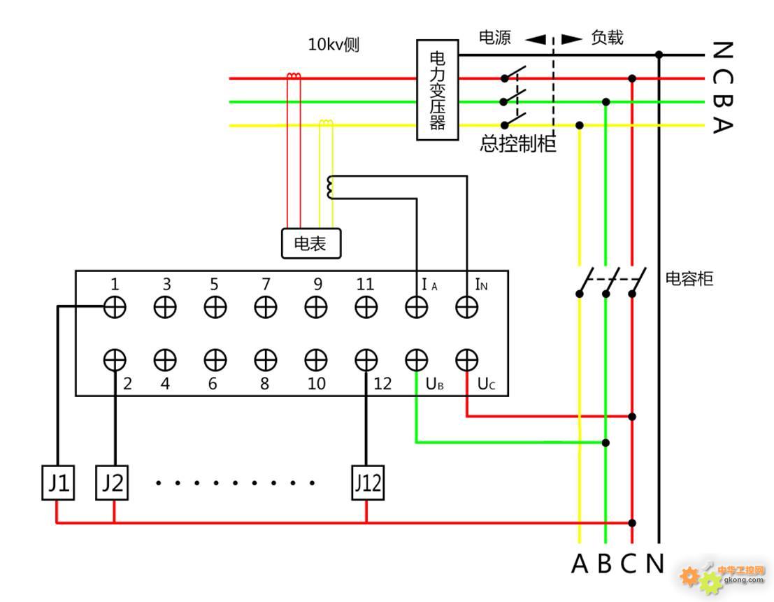
该控制器是专为光伏场景设计的四象限无功补偿控制器,无需改动原有接线。它通过直接捕获电网侧完整电参量,精准计算双向有功和无功数据,彻底解决传统控制器 “看不见、调不准” 的问题。其毫秒级响应速度,能实时适配光伏出力波动与纺织机械启停的双重动态无功需求,补偿精度大幅提升。
第二步:采用更高精度的高采低补技术方案
“高采低补” 即高压侧采集电流信号、低压侧实施补偿,能全面反映系统真实无功需求。该方案无需调整并网点或CT位置,仅需在变压器高压侧加装电流互感器,接到低压侧无功控制器,改造周期短,完全不影响工厂正常生产。

以上两步方案的搭配使用实现了 “采样无死角、补偿无偏差” 的双重保障,完美适配纺织厂的生产特性。
让我们看看该纺织厂在使用组合方案后30天的效果:
- 第1天:电网侧功率因数升至0.95以上,远超电网考核标准,摆脱了罚款风险;
- 第30天:力调电费从每月罚款1万多转为奖励1百多,系统线损降低约3%,每月额外节省电费支出约4百元。
“原本以为要停产改造,没想到换个控制器、优化下方案就解决了大问题。” 李经理欣喜地表示,现在工厂功率因数稳定在0.97左右,不仅每月省下大额罚款,还能拿到电费奖励,一年预计多增收10余万元,光伏项目的投资回报率显著提升。

遭遇类似功率因数难题的光伏项目并非个例。大量纺织厂、印染厂、机械厂的光伏系统,都因车间感性负载集中、并网点与 CT 位置错位等共性问题,陷入 “发电越多、罚款越多” 的困境。而光伏四象限无功补偿控制器的安装使用提供了低成本、快见效的破解之道:它既能规避力调电费罚款,还能降低系统线损、延长生产设备寿命,让光伏真正成为企业降本增效的得力帮手!
如果您的光伏项目也存在 “功率因数低、力调电费高” 的问题,请随时咨询易控宝技术团队,我们为您提供专业解决方案!
欢迎光临TB小店:电力控制仪表行,原厂现货供应易控宝JKG-KAC/JKG-KAZ抗谐波光伏四象限无功补偿控制器、高采低补光伏四象限无功补偿控制器,公司提供远程视频技术指导,若问题没解决,承诺可退货退款。
|