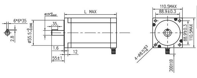
Details
Electrical Specification£º
|
Model
|
step angel
º
|
Motor Length
mm
|
Voltage
v
|
Current
A
|
Resistance
Ω
|
Inductance
Mh
|
Hording torque
N.m
|
Detent Torque
N.m
|
Rotor Inertia
g.cm2
|
Lead Wires
|
Weight
KG
|
|
42HS9460
|
1.8
|
100
|
4.95
|
6.0
|
0.9
|
12
|
11.2
|
3
|
5500
|
4
|
5
|
|
42HS5460
|
1.8
|
150
|
5.2
|
6.0
|
0.8
|
15
|
21
|
5.9
|
10900
|
4
|
8.4
|
|
42HS6480
|
1.8
|
201
|
8
|
8.0
|
1
|
16
|
28
|
9.5
|
16200
|
4
|
11.7
|
