首页 新闻 工控搜 论坛 厂商论坛 产品 方案 厂商 人才 文摘 下载 展览
中华工控网首页
  P L C | 变频器与传动 | 传感器 | 现场检测仪表 | 工控软件 | 人机界面 | 运动控制
  D C S | 工业以太网 | 现场总线 | 显示调节仪表 | 数据采集 | 数传测控 | 工业安全
  电 源 | 嵌入式系统 | PC based | 机柜箱体壳体 | 低压电器 | 机器视觉
基于CX2443x解码内核的数字电视机顶盒设计
深圳威智普电子有限公司
收藏本文     查看收藏
当前,广播电视正处于模拟技术向数字技术,单向广播向双向交互式传输,基本业务向扩展和增值业务的过渡和发展阶段。数字有线电视机顶盒正是这一发展阶段的产物。借助机顶盒,人们不仅可以用原有的模拟电视收看数字电视节目,还可利用数字机顶盒交互式功能获得电子节目指南(EPG)、视频点播(VOD)、收发电子邮件、数据广播、远程教育等增值服务。具体操作上,需要在用户终端的模拟电视机上加装机顶盒以完成数字电视信号和数据的接入,并完成视音频信号的解码输出。本文介绍了机顶盒系统的硬件设计。
器件的选型
   选择芯片时除了要满足基本的接收数字电视功能,还要能够使用户通过有线电视网络实现Internet的高速接入,即要具备STB和Cable Modem两种基本的应用模块。根据这一需求,本设计选择了CONEXANT(科胜讯)公司的交互数字电视机顶盒单芯片CX24430为核心来设计整个系统。
系统的整体结构
    本系统以CX24430芯片为核心,还包括电缆调谐器(Tuner)、上行功率放大器、作为固化程序和存储节目参数用的闪存、配合CPU处理和存储数据使用的SDRAM、EEPROM、音频DAC及音视频输出电路和电源单元等,此外,还有用于软件调试的Multi-ICE接口和用于终端监控的RS23接口以及USB接口、1394接口和以太物理层RJ45接口等。系统结构框图如图1所示。
图1  机顶盒终端系统结构框图

    本系统设计的主要创新之处在于系统采用双CPU架构,各自独立地支持Cable Modem和系统的应用程序运行。基本工作流程是:数字电视信号从电视台经过有线电缆传输到用户后,若要恢复出原始的图像和声音,需要经过多个过程。首先进行信道解调和解码,然后对输出的传输流进行信源解码,包括解复用、音视频解码、图形处理、视频编码和音频DAC等。
主要模块的硬件设计
1 系统前端接入部分的设计
    综合业务数字有线电视双模机顶盒的前端射频接入信号主要包含下行带内的数据流(包括音视频和IP网络)、下行带外的数据流和上行数据流(包括带内和带外);其中带内频率的通道用来传输音视频和IP网络的数据,带外频率的通道主要用来传输CATV网络头端的电缆调制解调终端系统(CMTS)和用户端的机顶盒的控制参数和交互信息,而且各种信息和数据在HFC网络上通过频分复用和时分复用得到并行的处理。
    前端接入部分的设计如图2所示。其中,PMX1338C为集成模块,接收射频信号,包括LNA低噪放大器、同向双工器(将发射和接收的射频信号隔离)和信号分离器(将下行信号分发到相应的端口);MT1530包含反混频滤波和上行信号功率放大;CX2443x用做数字解码和编码以及输出到外部接口。
图2  系统前端接入电路图
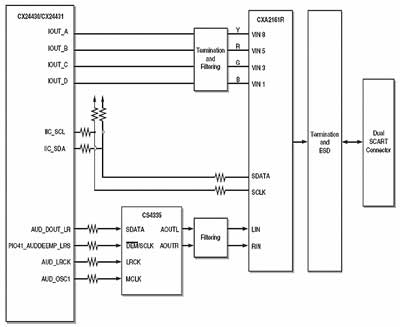
图3  机顶盒接受系统后端电路图
音视频输出部分电路设计
    在机顶盒接收系统中,CX2443x后端子系统的视频和音频解码器构成了系统音视频输出接口;解码后的音视频信号从半导体晶振输送到立体声DAC CS4335,或者从双重的音/视频信号开关输送到CX2161R。音视频信号输出部分的电路如图3所示。
音视频解码的原理和电路设计实现
1 音视频信号解码处理的流程
    数字电视技术的首要目标是提高传送图像的质量,完成对数字有线电视的相关改造后,不仅传送图像的质量而且传送图像的数量均要得到提高。CX2443x是高度集成的单片IC,它在一块芯片上包含了完整的STB后端子系统和CM子系统。其后端子系统包含有一个视频解码器、一个音频解码器、三个多标准传输流解复用器和高性能的嵌入式32位ARM920T RISC处理器以及集成的外设I/O接口等。CX2443x片上的数字电视解码内核能够对音视频流信号进行完全的解码并最终输出数字的视频和音频信号到编码模块。
    信号流的处理过程如图4所示。完成了解调和信道解码的MPEGⅡ格式或其他格式的音视频信号传输流在解复用模块进入DTDC子系统,它包含了音视频的基本码流、同步信息、程序导航和解密信息。解复用分析器标识这些不同格式的数据并输送每一格式的数据到相应的内存缓冲器。程序导航和解密信息则被输送到DTDC外部主机;音视频的基本码流被输送到专用的SDRAM中,并通过存储桥传送到相应的解码器以输出音视频的解码数字信号;同步信息则被输送到一个音视频同步机。
图4  数字电视数字解码子系统结构图

2 音视频解码模块的电路设计实现
    CX2443x和其他子芯片以及晶振电路协同完成信号的解码处理,如图5所示,这部分设计主要包含音频视频信号模块、系统调试用的JTAG口的电路连接,以及一些外围电路。CX2443x芯片输出完成数字解码的音频和视频到相应的编码模块。JTAG口用来连接外部的调试设备,在实际电路设计中要注意外部晶振电路的配合。
图5  音视频解码模块的电路
机顶盒音视频解码测试
    经过初步的测试,本样机设计符合以下标准:信道解码遵循DVB-C EN300 429;视频解码遵循MPEG-2 Video(MP@ML)和MPEG-1 Video;音频解码遵循MPEG-2、MPEG-1和线性PCM。数字电视信号解码处理后的图像如图6所示。
 
图6  解码图像的显示

 

状 态: 离线

公司简介
产品目录

公司名称: 深圳威智普电子有限公司
联 系 人: 陈礼
电  话: 0755-83675696
传  真: 0755-83675696
地  址: 深圳市福田区滨河大道9003号湖北大厦北座24楼A2
邮  编: 518048
主  页:
 
该厂商相关技术文摘:
DVB-C机顶盒信源解码器的设计与实现
更多文摘...
立即发送询问信息在线联系该技术文摘厂商:
用户名: 密码: 免费注册为中华工控网会员
请留下您的有效联系方式,以方便我们及时与您联络

关于我们 | 联系我们 | 广告服务 | 本站动态 | 友情链接 | 法律声明 | 不良信息举报
工控网客服热线:0755-86369299
版权所有 中华工控网 Copyright©2022 Gkong.com, All Rights Reserved