CS9´®¿Ú¿ØÖÆmp3-FMÍòÄêÀúÄÖÖÓÌ×¼þʹÓÃ˵Ã÷Êé
5ÖÖģʽ£ºÊÕÒô/FM/MP3/×ù»úµç»°/LINE INÏß·ÊäÈ룬ȫң¿Ø´óLCD²ÊÆÁ
Ö÷ÒªÌØÐÔ:
ͨ¹ý´®¿ÚʵÏÖmp3µÄÑ¡Çú²¥·Å¡¢¿ª¹ØºÍÒôÁ¿µ÷Õû
¿É²¥·ÅUÅèºÍSD¿¨/MMC¿¨£¨¿ÉÑ¡£©ÀïµÄMP3¸ñʽÎļþ£¬¿ìËÙÑ¡Çú¡£
½ÓÊգƣÍÁ¢ÌåÉùÊÕÒô¹ã²¥µç̨£¬£±£¸¸öµç̨×Ô¶¯´æ´¢¹¦ÄÜ
È«¶à¹¦ÄܺìÍâÏßÒ£¿Ø»ò£¨¿ÉÑ¡£©ÎÞÏßÒ£¿Ø¿ØÖÆ£¨¾àÀ벻СÓÚ£µ£°Ã×£©
ÊÕÒôµ¥ÉùµÀ/Á¢ÌåÉù¿ØÖÆ£¨ºìÍâÏßÒ£¿ØÉϲÙ×ö£©
¾²Òô¿ØÖÆ È«µç×ÓÒôÁ¿¿ØÖÆ
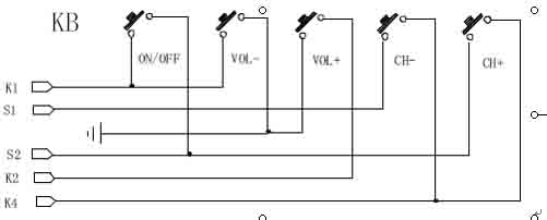
Ãæ°å½ÓÏßͼ:

1. £Í£Ï£Ä£¯£Â£Î£ÄÅ¥
³¤°´£Í£Ï£Ä£¯£Â£Î£ÄÅ¥1Ãëºó·Å¿ª£¬¿ÉÔÚ£²ÖÖģʽ£ºÊÕÒô£Æ£Í¡¢MP3²¥·Åģʽ֮¼äʵÏÖת»».
a)ÔÚÊÕÒôFM״̬ÏÂ:
¶Ì°´MOD/BNDÅ¥ÔÚ²¨¶ÎFM1£¬FM2£¬FM3Ö®¼äת»»¡£FM״̬ÏÔʾµ±Ç°ÆµÂʺͽÓÊÕÐźÅ֮ǿ¶ÈºÍ£ä£ÂÊý£¬£¨×¢£º¿ª»úϵͳĬÈÏǰ´Î¹Ø»ú×îºóµÄ״̬£©. ³¤°´£Í£Ï£Ä£¯£Â£Î£ÄÅ¥1Ãëºó·Å¿ª×ª»»ÎªMP3²¥·Åģʽ.
b)ÔÚ²¥·ÅMP3״̬ÏÂ
¶Ì°´£Í£Ï£Ä£¯£Â£Î£ÄÅ¥ÎªÖØ²¥´ò¿ª»ò¹Ø±Õ¡£³¤°´£Í£Ï£Ä£¯£Â£Î£ÄÅ¥1Ãëºó·Å¿ª×ª»»ÎªFMÊÕÒô²¥·Åģʽ.
2£®FF/VOL+ºÍFB/VOL-¡£
³¤°´FF/VOL+»òFB/VOL-¿É¶ÔÊä³öÒôÁ¿½øÐе÷½Ú
a)ÔÚÊÕÒô״̬ÏÂ:
¶Ì°´FF/VOL+»òFB/VOL-Å¥¿ÉÏòǰÏòºó×Ô¶¯µ÷гǿÐźŵĵç̨.
b)ÔÚ²¥·ÅMMC/SD¿¨,USB״̬ÏÂ
¶Ì°´FF/VOL+»òFB/VOL-ťѡÔñ²¥·ÅÏÂÒ»Ê×ÇúÄ¿»òÉÏÒ»Ê×ÇúÄ¿¡£
4£¬PS/ASÅ¥
ÊÕÒôģʽÏÂ:
1) ³¤°´PS/ASÅ¥1ÃëÒÔÉÏ£¬ÊÕÒô½«ÔÚµ±Ç°²¨¶ÎÄÚ´Óµ±Ç°ÆµÂÊ¿ªÊ¼×Ô¶¯ËÑË÷µç̨Ðźţ¬µ±´Å³¡Ç¿¶È³¬¹ýÍ£¶ÙµÄˮƽʱ,ÊÕÒô½«Ëø¶¨¸ÃÔ¤ÖÃÊýÂëÆµÂʲ¢¾²Òô5ÃëÖÓ,È»ºóÔÙËÑË÷ÆäËûµÄµç̨ƵÂÊ.Ö±ÖÁËÑË÷ÍêÒ»¸öÑ»·¡£ÆäÖÐ6¸ö×îÇ¿Ðźŵĵç̨ƵÂʽ«±»Ô¤Öô¢´æÔÚÏà¶ÔÓ¦µÄ±àÂë¼ÇÒäµ¥ÔªÖУ¬Ã¿¸ö±»Ñ¡ÖеIJ¨¶Î¶¼¿ÉÒÔ½øÐÐÒÔÉϵÄ×Ô¶¯´æ´¢²Ù×÷£¬Íê³É×Ô¶¯´æ´¢ºó£¬ÊÕÒô½«Ö´ÐÐ×Ô¶¯É¨ÃèÔ¤Öõç̨¼ÇÒä¡£
2) ¶Ì°´PS/ASÅ¥ÊÕÒô½«ÔÚµ±Ç°²¨¶ÎɨÃ赽ÿһ¸öÔ¤Öõĵç̨ƵÂÊ¡£
MP3ģʽÏÂ:
3) °´PS/ASÅ¥£¬ÔÙ³¤°´FF/VOL+ºÍFB/VOL-¿É¿ìËÙÌôÑ¡¸èÇú¡£
5.FM/LOUD²¨¶Îת»»Å¥
¶Ì°´¡°FM/LOUD¡±¼üÊÇLOUD£¨ÌáÉý¸ßºÍµÍÒô£¬²»ÌáÖÐÒô£©£»³¤°´£¨°´×¡1Ãë·Å¿ª£©
°´×¡1Ãë·Å¿ªÊÇFM1/FM2/FM3ºÍAM1£¬AM2²¨¶Îת»»£¬¿ÉÑ¡ÔñÏëÒªÊÕÌýµÄ²¨¶Î¡£µ÷·ù(MW)/µ÷Ƶ(FM)µÄ²¨¶Î»áÒÀ´ÎÑ»·³öÏÖ.(->FM1->FM2->FM3->MW1->MW2->)
6£®EQ£º¿ØÖÆÅ¥£¨Ö»ÓÐÒ£¿ØÆ÷ÓдËÅ¥£©
DSPÒôµ÷(OFF¹Ø/ POPÁ÷ÐÐ/ROCKÒ¡¹ö/CLASSIC¹Åµä/FLATƽÒô)
7. ON/MUTEµçÔ´¿ª¹Ø
¹Ø»ú״̬Ï£¬³¤°´´ËON/OFFµçÔ´Å¥0.5Ãë.¿ª»ú״̬Ï£¬³¤°´´ËON/OFFµçÔ´Å¥0.5ÃëÒÔÉϿɹرյçÔ´¡£¶Ì°´ÎªMUTE¾²Òô¿ª¹Ø×ª»»¡£
8.Á¢ÌåÉù/µ¥ÉùµÀת»»Å¥£¨Ö»ÓÐÒ£¿ØÆ÷ÓдËÅ¥£©
ÊÕÒô״̬ÏÂ,µ¥»÷STÅ¥¿ÉÑ¡ÔñÁ¢ÌåÉù»òµ¥ÉùµÀÒôÏìģʽ,ÒÔ»ñµÃ×î¼ÑÊÕÌýЧ¹û.
10. PLAY/CHÊÖ¶¯Ô¤Öõç̨¼ÇÒä(M1-M6)
a)ÔÚÊÕÒô״̬ÏÂ:
µ¥»÷PLAY/CHÅ¥»Ö¸´Ò»Ô¤Öõĵç̨¼ÇÒ䣨M1~M6£©;
³¤°´PLAY/CHÅ¥2ÃëÒÔÉÏ£¬µ±Ç°µç̨½«±»´æ´¢µ½Ëù°´¼ÇÒäÅ¥ËùÔÚµÄÔ¤Öõ¥ÔªÖÐ. Àý×Ó£»ÔÚFM1Ï£º°´Ãæ°åÉϵÄPLAY/CHÅ¥ 1ÃëÒÔÉÏ£¬µ±Ç°ÆµÂʽ«±»´æÈëFM1-1ÄÚ¡£
b)ÔÚMP3²¥·Å״̬ÏÂ:
µ¥»÷PLAY/CHÅ¥½«ÔÝÍ£MP3-MMC/SD¿¨»òUSB²¥·Å, ÏÔʾÆÁÉÏ»á³öÏÖ×Ö·ûPUSE 2Ã룬ÔٴδËÅ¥»Ö¸´Õý³£µÄ²¥·Å.
´®¿Ú¿ØÖÆÍ¨ÐÅÐÒéÏêÇé˵Ã÷: ---VER 02 14:03 2009-7-21
0Ð޸ļǼ£º
0.1£ºÐÞ¸ÄÈÕÆÚ¡°2009-7-20¡±ÐÞ¸ÄÄÚÈÝ£ºóÊ2µãÇëÇóÃüÁî²ÎÊýµÄ2.1~2.5ÇëÇóÃüÁî²ÎÊý
0.2£ºÐÞ¸ÄÈÕÆÚ¡°2009-7-21¡±ÐÞ¸ÄÄÚÈÝ£ºóÊ2µãÇëÇóÃüÁî²ÎÊýµÄ2.6~2.7ÇëÇóÃüÁî²ÎÊý ;
1:´®¿ÚÉèÖÃÅäÖÃ:
1.1²¨³Ö=19200λ/ÿÃë
1.2:Êý¾Ýλ=8λ
1.3:ֹͣλ=1λ;--
2:ÇëÇóÃüÁî²ÎÊý
2.1:MP3°åÊÕµ½1×Ö½ÚÇëÇóÃüÁî²ÎÊý0X81ʱ£ºMP3°å·µ»Ø2×Ö½Ú!óÊ1×Ö½ÚÊÇ0X41;óÊ2×Ö½ÚÊÇͨµÀÂë;0X11=FMͨµÀ;0X10=MP3ͨµÀ!
; 0X09=µÀ;0X00=AͨµÀ,0X01=A1ͨµÀ;0X02=A2ͨµÀ,
, 0X03=A3ͨµÀ;0X04=A4ͨµÀ,0X05=A5ͨµÀ;0X06=A6ͨµÀ,
0X07=A7ͨµÀ;0X08=A8ͨµÀ,
2.2:MP3°åÊÕµ½1×Ö½ÚÇëÇóÃüÁî²ÎÊý0X82ʱ£ºMP3°å·µ»Ø2×Ö½Ú!óÊ1×Ö½ÚÊÇ0X56;óÊ2×Ö½ÚÊÇÒôÁ¿Âë;0X09=VOL 09;0X1E=VOL 30!
2.3:MP3°åÊÕµ½1×Ö½ÚÇëÇóÃüÁî²ÎÊý0X83ʱ£ºMP3°å·µ»Ø2×Ö½Ú!óÊ1×Ö½ÚÊÇ0X4D;óÊ2×Ö½ÚÊǾ²ÒôÂë;0X01=¾²Òô¹Ø;0X00=¾²¿ª£¡
2.5:MP3°åÊÕµ½1×Ö½ÚÇëÇóÃüÁî²ÎÊý0X85ʱ£ºMP3°å·µ»Ø2×Ö½Ú!óÊ1×Ö½ÚÊÇ0X54;óÊ2×Ö½ÚÊÇζÈÂë;0X09=ζÈ9¶È;0X1E=ζÈ30¶È!
2.7:MP3°åÊÕµ½1×Ö½ÚÇëÇóÃüÁî²ÎÊý0X87ʱ£ºMP3°å·µ»Ø2×Ö½Ú!óÊ1×Ö½ÚÊÇ0X41;óÊ2×Ö½ÚÊÇͨµÀÂë;0X11=FMͨµÀ;0X10=MP3ͨµÀ!
;0X09=BͨµÀ;0X00=AͨµÀ,0X01=A1ͨµÀ;0X02=A2ͨµÀ,,0X03=A3ͨµÀ;0X04=A4ͨµÀ,0X05=A5ͨµÀ;0X06=A6ͨµÀ,,0X07=A7ͨµÀ;0X08=A8ͨµÀ,
3:Ö´ÐÐÃüÁî²ÎÊý
3.1:MP3°åÊÕµ½Ö´ÐÐÃüÁî,óÊ1×Ö½Ú²ÎÊý0X41,£ºóÊ2×Ö½Ú²ÎÊýÊÇͨµÀÂë ;óÊ2×Ö½ÚÈôÊÇ0X11 =Ö´ÐÐÉèÖÃFMͨµÀ;0X10=Ö´ÐÐÉèÖÃMP3ͨµÀ!
3.2:MP3°åÊÕµ½Ö´ÐÐÃüÁî,óÊ1×Ö½Ú²ÎÊý0X56,£ºóÊ2×Ö½Ú²ÎÊýÊÇÒôÁ¿Âë ;óÊ2×Ö½ÚÈôÊÇ;0X09 =Ö´ÐÐÉèÖÃVOL 09;0X1E=Ö´ÐÐÉèÖÃVOL 30!
3.2:MP3°åÊÕµ½Ö´ÐÐÃüÁî,óÊ1×Ö½Ú²ÎÊý0X4D,£ºóÊ2×Ö½Ú²ÎÊýÊǾ²ÒôÂë ;óÊ2×Ö½ÚÈôÊÇ;;0X01=Ö´ÐÐÉèÖþ²Òô¹Ø;0X00=Ö´ÐÐÉèÖþ²Òô¿ª!
3.3:MP3°åÊÕµ½Ö´ÐÐÃüÁî,óÊ1×Ö½Ú²ÎÊý0X50,£ºóÊ2×Ö½Ú²ÎÊýÊÇPOWÂë ;óÊ2×Ö½ÚÈôÊÇ;;0X00=ÊÇÖ´ÐÐÉèÖùػú;0X02=ÊÇÖ´ÐÐÉèÖÿª»ú!
3.4:MP3°åÊÕµ½Ö´ÐÐÃüÁî,óÊ1×Ö½Ú²ÎÊý0X44,£ºóÊ2×Ö½Ú²ÎÊýÊÇÄê·ÝÂë ;0X09=ÊÇÖ´ÐÐÉèÖÃ2009Äê,0X12=ÊÇÖ´ÐÐÉèÖÃ2012Äê
3.5:MP3°åÊÕµ½Ö´ÐÐÃüÁî,óÊ1×Ö½Ú²ÎÊý0X45,£ºóÊ2×Ö½Ú²ÎÊýÊÇÔ·ÝÂë ;0X09=ÊÇÖ´ÐÐÉèÖÃ09Ô£» 0X12=ÊÇÖ´ÐÐÉèÖÃ12ÔÂ
3.6:MP3°åÊÕµ½Ö´ÐÐÃüÁî,óÊ1×Ö½Ú²ÎÊý0X46,£ºóÊ2×Ö½Ú²ÎÊýÊÇÈÕÆÚÂë ;0X09=ÊÇÖ´ÐÐÉèÖÃ09ÈÕ£» 0X12=ÊÇÖ´ÐÐÉèÖÃ12ÈÕ£¬0X30=ÊÇÖ´ÐÐÉèÖÃ30ÈÕ
3.7:MP3°åÊÕµ½Ö´ÐÐÃüÁî,óÊ1×Ö½Ú²ÎÊý0X47,£ºóÊ2×Ö½Ú²ÎÊýÊÇÐÇÆÚÂë ;0X01=ÊÇÖ´ÐÐÉèÖÃÐÇÆÚ1£»0X7=ÊÇÖ´ÐÐÉèÖÃÐÇÆÚ7=ÐÇÆÚÈÕ
3.8:MP3°åÊÕµ½Ö´ÐÐÃüÁî,óÊ1×Ö½Ú²ÎÊý0X48,£ºóÊ2×Ö½Ú²ÎÊýÊÇÖÓµãÂë ;0X09=ÊÇÖ´ÐÐÉèÖÃ09µã£» 0X23=ÊÇÖ´ÐÐÉèÖÃ23µã
3.9:MP3°åÊÕµ½Ö´ÐÐÃüÁî,óÊ1×Ö½Ú²ÎÊý0X49,£ºóÊ2×Ö½Ú²ÎÊýÊÇÖÓ·ÖÂë ;0X09=ÊÇÖ´ÐÐÉèÖÃ09·Ö£» 0X23=ÊÇÖ´ÐÐÉèÖÃ23·Ö£»0X59=ÊÇÖ´ÐÐÉèÖÃ59·Ö
3.10:MP3°åÊÕµ½Ö´ÐÐÃüÁî,óÊ1×Ö½Ú²ÎÊý0X6C,£ºóÊ2×Ö½Ú²ÎÊýÊÇlockÂë ;óÊ2×Ö½ÚÈôÊÇ0X1=Ö´ÐÐÉèÖÃlock´ò¿ª;0X00=Ö´ÐÐÉèÖÃlock¹Ø±Õ!£»
Çë×¢ÒâÒÔÉϵģºóÊ2.6ºÍóÊ3.4~3.9µã£¬²»»áÓÐA~FÂë³öÏÖ£»ÒòΪ:ÀýÈç0X09¼Ó1»á¸ÄÕýΪ0X10£»»ò0X49¼Ó1»á¸ÄÕýΪ0X50£»
£¾£¾ÁªÏµ·½Ê½£º
µç»°£º0769-81669501-8015
´«Õ棺0769-81669501-8008
ÁªÏµÈË£ººúS
QQ£º 1607338972
ÍúÍú£ºdgtunersys
ÓÊÏ䣺salesl@tunersys.com
꿅᣼www.tunersys.com
Óʱࣺ523878
µØÖ·£º¶«Ý¸Êг¤°²ÕòÉϽǴåÇàÁúÎ÷½Ö±±Ê®¶þÏï11ºÅ