ÐÔÄÜÌØµã£º
8226; ÎÞ±äѹÆ÷Éè¼Æ£¬×î´óת»»Ð§ÂÊ´ï97.5%
8226; ˫·¶ÀÁ¢MPPTͨµÀ£¬ÊµÏÖÁ½Â·×î´ó¹¦Âʵã¸ú×Ù
8226; ¿íÊäÈëµçѹ·¶Î§£¬·½±ã×é¼þÅäÖÃ
8226; ¸ß¾«¶ÈMPPTËã·¨£¬ÊµÏÖЧÂʵÄ×î´ó»¯
8226; ±£»¤¹¦ÄÜÆëÈ«£¬Îȶ¨ÐÔ¸ß
8226; ÊÊÓÃÓÚ»§Íâ°²×°£¬¼ÒͥʹÓÃ
8226; Ö±²åʽ·ÀË®¶Ë×Ó
8226; ¶àÓïÖÖÒº¾§ÏÔʾ½çÃæ£¬¿É×ÔÓÉÉèÖÃÔËÐи÷ÖÖ²ÎÊý£¬
8226; ÄÚÖöàÖÖͨѶ½Ó¿Ú£¬·½±ãÔ¶³Ì¼à¿Ø
8226; T¨¹V CEÈÏÖ¤£¬·ûºÏµÂ¹úVDE 0126-1-1±ê×¼ÒªÇó£¬Ó¢¹úG83-1-1¡¢G59-2ÈÏÖ¤£¬Òâ´óÀûENEL GuideÈÏÖ¤£¬°ÄÖÞAS4777¡¢AS3100ÈÏÖ¤£¬CQC£¨½ðÌ«ÑôÈÏÖ¤£©
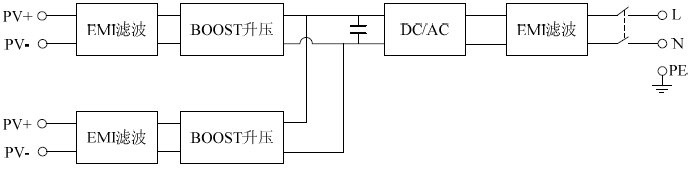
ÔÀí¿òͼ£º

ЧÂÊÇúÏߣº

¼¼Êõ²ÎÊý£º
| |
²ÎÊý/ÐͺŠ|
EA4KDL |
EA4K6DL |
EA5KDL |
EA6KDL |
|
ÊäÈ루DC£© |
×î´óÖ±Á÷¹¦ÂÊ |
4400Wp |
5000Wp |
5500Wp |
6600Wp |
|
Ö±Á÷×î´ó¿ªÂ·µçѹ |
520V |
520V |
520V |
520V |
|
ÍÆ¼ö¹â·üÕóÁÐÖ±Á÷µçѹ |
400V |
400V |
400V |
400V |
|
ÂúÔØMPPTµçѹ·¶Î§ |
180-420V |
180-420V |
180-420V |
180-420V |
|
¶ÀÁ¢MPPT·Êý |
2 |
2 |
2 |
2 |
|
ÿ·MPPT×î´óµçÁ÷ |
12A |
14 |
15A |
18A |
|
Ö±Á÷ÊäÈë¶ÔÊý |
4(ÿ·MPPT 2¶Ô) |
4(ÿ·MPPT 2¶Ô) |
4(ÿ·MPPT 2¶Ô) |
4(ÿ·MPPT 2¶Ô) |
|
MPPTЧÂÊ |
99% |
99% |
99% |
99% |
|
|
|
Êä³ö(AC) |
¶î¶¨Êä³ö¹¦ÂÊ |
4000W |
4600W |
5000W |
6000W |
|
¶î¶¨µçÍøµçѹ |
230Vac |
230Vac |
230Vac |
230Vac |
|
¶î¶¨Êä³öµçÁ÷ |
18A |
20A |
22A |
26A |
|
¶î¶¨µçÍøÆµÂÊ |
50Hz/60Hz |
|
ÔÊÐíµçÍøÆµÂÊ·¶Î§ |
47.5-50.2Hz/
57.5-60.2Hz |
|
×ܵçÁ÷г²¨»û±äÂÊTHD |
£¼3%£¨¶î¶¨¹¦ÂÊ£© |
|
Êä³öµçÁ÷Ö±Á÷·ÖÁ¿ |
£¼0.5%£¨¶î¶¨Êä³öµçÁ÷£© |
|
¹¦ÂÊÒòËØ |
£¾0.99 |
|
²¢ÍøÏàÊý |
1 |
1 |
1 |
1 |
|
|
|
ϵͳ²ÎÊý |
×î´óЧÂÊ |
97.5% |
97.5% |
97.5% |
97.5% |
|
Å·ÖÞЧÂÊ |
96.2% |
96.2% |
96.3% |
96.5% |
|
Ò¹¼äËðºÄ |
0W |
0W |
0W |
0W |
|
ÍØÆË |
ÎÞ±äѹÆ÷ |
ÎÞ±äѹÆ÷ |
ÎÞ±äѹÆ÷ |
ÎÞ±äѹÆ÷ |
|
ÔëÒô |
50dB(A) |
50dB(A) |
50dB(A) |
50dB(A) |
|
¹¤×÷ÎÂ¶È |
-20¡æ¡«+50¡æ |
|
ʪ¶È |
4¡«100%£¨ÎÞÀäÄý£© |
|
·À»¤µÈ¼¶ |
IP65 |
|
º£°Î¸ß¶È |
1000m |
|
|
|
½á¹¹²ÎÊý |
³ß´ç(¿í¡Á¸ß¡ÁÉî) |
|
410mm¡Á550mm¡Á200mm |
|
ÖØÁ¿ |
25kg |
25kg |
25kg |
30kg |
|
|
|
ÆäËû |
ͨѶ |
RS485,USB(¿ÉÑ¡),ÒÔÌ«Íø(¿ÉÑ¡) |
|
ÏÔʾ |
¿íƵҺ¾§ÏÔʾ |