|
|
|
²úÆ·Ãû³Æ£º
|
SZE6A-360RF-304Y±àÂëÆ÷
|
|
ÐÍ ºÅ£º
|
SZE6A-360RF-304Y
|
|
¼Û ¸ñ£º
|
0.00
|
|
Æ· ÅÆ£º
|
|
|
|
|
|
ÓÃ;£ºµçÌÝÃÅ»ú¡¢¹¤Òµ×Ô¶¯¿ØÖÆ |
 |
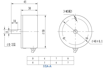
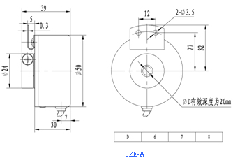
 | ¡ö °²×°³ß´ç
| ¡ö µçÆø²ÎÊý¼°»·¾³²ÎÊý |
¡ö »úе²ÎÊý |
¡ö Ë÷ Òý
|
|
 |
|
|
¡ö ²¨Ðαȣº X1+X2=0.5T¡À0.1T X2+X3=0.5T¡À0.1T Xn¡Ý0.125T£¨n=1,2,3,4£© Z=1T¡À0.5T |
¡ö Êä³öÏàλ¶¶¶¯£º¡Ü10% ¡ö ÖÜÆÚ£ºR1=30O¡À0.9O ¡ö Ïàλ²î Yn¡Ý0.125T (n=1,2,3,4¡) ABÁ½ÏàÐźÅÓëU V WÐźżäµÄ Ïàλ²î²»×ö¹æ¶¨¡£ | |
|
|
|
|
|
|
|
|
|
|
|
|
|
|
|
|
|
|
|
|
|
|
Öá(¿×)³ß´ç: 6:¦µ6 8:¦µ8 10:¦µ10 | |
|
·Ö±æÂÊ: 40 50 100 128 200 300 360 500 512 600 1024 | |
|
|
µçÔ´µçѹ: 8:DC8V 15:DC15V 30DC30V | |
|
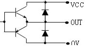
| ×¢: V:µçѹ¡¡C:¼¯µç¼«¿ªÂ·¡¡F:»¥²¹
|
|
|