T4GL Á½ÏßÖÆÖ±Á÷ÐźŸôÀëÆ÷
¸ÅÊö
T4GL Á½ÏßÖÆÖ±Á÷ÐźŸôÀëÆ÷ΪÊä³ö»ØÂ·¹©µç£¬µçÔ´½ÓÔÚÊä³ö»ØÂ·ÖУ¬¿É½ÚÊ¡2¸ù½ÓÏß¡£T4GL ¿É½«ÊäÈëµÄÖ±Á÷µçÁ÷»òµçѹÐźÅת»»³É¸ôÀëµÄ4~20mAÊä³ö¡£Î¶ÈÌØÐÔÓÅÁ¼£¬³¤ÆÚ¹¤×÷Îȶ¨¿É¿¿¡£Ö÷ÒªÓ¦ÓÃÓÚ¹¤ÒµÔÚÏß¼à²âϵͳ¡£
ÌØµã
- Á½ÏßÖÆ¶Ë×ÓÐÍ£¬Êä³ö»ØÂ·¹©µç
- ÊäÈëÐźţº4~20mA DC»ò1~5VµÈÖ±Á÷ÐźÅ
- Êä³öÐźţº4~20mA DC£¨Á½ÏßÖÆ»ØÂ·¹©µç£©
- ¸¨ÖúµçÔ´£ºDC24V
- ÊäÈëÓëÊä³öÖ®¼ä¡¢ÊäÈëÓëµçÔ´Ö®¼äµçÆø¸ôÀë
- ζÈÌØÐÔÓÅÁ¼£¬³¤ÆÚ¹¤×÷Îȶ¨¿É¿¿
- Íâ¿Ç²ÄÖÊ£ººÚÉ«×èȼÊ÷Ö¬
- DIN¹ìµÀ°²×°
- ½á¹¹½ô´Õ£¬¿É¸ßÃܰ²×°
¼¼Êõ²ÎÊý
- ¸¨ÖúµçÔ´£ºDC24V£¬≤50mA
- ¾« ¶È£º±0.1%
- ζÈϵÊý£º±0.015%/¡æ
- ÏìӦʱ¼ä£º≤350ms
- Êä³ö¸ºÔØ£º≤500Ω£¨µçÁ÷Êä³ö£©
- ¸ôÀëµçѹ£ºÊäÈëÓëÊä³ö¼ä£º2.0kV/min·1mA
- ÊäÈëÓëµçÔ´¼ä£º2.0kV/min·1mA
- ¾øÔµµç×裺≥100MΩ µçѹΪ500VDC
- ¹¤×÷»·¾³£º-10¡æ-50¡æ£¬20%RH-90%RH ÎÞÄý¶
- ´¢´æ»·¾³£º-40¡æ-70¡æ£¬20%RH-95%RH ÎÞÄý¶
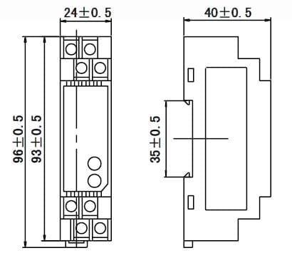
ÍâÐνṹͼ

ÐźŸôÀëÆ÷Ñ¡ÐͲο¼
F4GLÐźŸôÀëÆ÷£ºÒ»ÈëÒ»³öÐÍ
M6GLË«Êä³öÐźŸôÀëÆ÷£ºÒ»Èë¶þ³öÐÍ
DVS˫ͨµÀÐźŸôÀëÆ÷£º¶þÈë¶þ³öÐÍ
T4GNÎÞÔ´ÐźŸôÀëÆ÷£ºÒ»ÈëÒ»³öÐÍ