ÀιÌÐ͹âµç´«¸ÐÆ÷
RXϵÁÐ
ÌØµã£ºÏȽøµÄ´«¸ÐÆ÷¼¼Êõ
·ÀË®
Æä±£»¤¹¹Ôì´ïµ½IP67(IEC)£¬´«¸ÐÆ÷¿ÉÒÔÓÃË®³åÏ´¡£°²×°¸Ã´«¸ÐÆ÷µÄÉ豸Ҳ
¿ÉÓÃË®³åÏ´¡£
×¢£ºµ«ÊÇ£¬Çë×¢ÒâÈç¹û´«¸ÐÆ÷ÔÚ¹¤×÷ʱ±©Â¶ÔÚË®ÖУ¬ËüÒ²Ðí»á¼ì²âË®µÎ±¾Éí¡£
ÀιÌ
Íâ¿ÇÊÇÓÉѹÖýпºÏ½ðÖÆ³É£¬·Ç³£Àι̡£
Ͷ¹âÍ£Ö¹ÊäÈë
ÔÚÆô¶¯Ç°£¬¹¤×÷¼ì²âºÜ·½±ã¡£(RX2ÐͳýÍâ) ´«¸ÐÆ÷¹¤×÷¼ì²âÊÇͨ¹ý·´¸´ÖжÏ
Ͷ¹âÓëÈ·¶¨ÏàÓ¦Êä³ö±ä»¯¶ø½øÐеġ£
×Ô¶¯·À¸ÉÈŹ¦ÄÜ (½ö»Ø¹é·´ÉäÐÍÓëÀ©É¢·´ÉäÐÍ´«¸ÐÆ÷)
ÒòÆä¾ßÓÐ×Ô¶¯·À¸ÉÈŹ¦ÄÜ£¬2¸ö´«¸ÐÆ÷¿É²¢ÅŰ²×°¡£(RX2ÐͳýÍâ)
ÓÃ;
¼ì²â͸Ã÷±¡Æ¬ |
È·ÈϳµÔÚÍ£³µ¿âµÄλÖà |
¼ì²â·¢¶¯»ú |
 |
 |
 |
¹ÞÍ·¼ÆÊý |
¹¤×÷»úеµÄ¹¤¾ß¼ì²â |
|
 |
 |
|
RX...±ê×¼ÐÍ
| ͸¹ýÐÍ |
À©É¢·´ÉäÐÍ |
»Ø¹é·´ÉäÐÍ |
 |
 |
 |
RX2...Ö±Á÷Ë«Ïßʽ
¡¤½ÓÏß¼õÉÙ1/3 µç·ÓÉÔÀ´µÄÈý¸ù±äΪÁ½¸ù¡£ |
¡¤ µçÔ´ÏûºÄ£º½µÖÁ1£¯30ÒÔÏ ÏûºÄµçÁ÷£º1mAÒÔϲ»ÐèÒªÓô«¸ÐÆ÷µÄ¸½¼ÓµçÔ´ |
ÈýÏßʽ ÈýÇ®´«¸ÐÆ÷µÄ½ÓÇ®¼È·ÑʱÓÖÐèÒª¶îÍâµçÔ´¡£ |
Ë«Ïßʽ ½ÓÏß¼òµ¥£¬Ö»ÐèÁ½¸ùµçÏß¡£ |
 |
 |
RX4...ÖØÔØÐÍ
¡¤ ÄÍÓÍ IP67g(JEM)±£»¤¹¹Ôì¿Éͨ¹ýÔÚÍâ¿ÇÍ¿ÉÏÒ»²ã·ú»¯Ê÷Ö¬£¬²¢Ê¹ÓÃÄÍÓͱ£»¤¹ÜÀ´ÊµÏÖ£¬´«¸ÐÆ÷¿ÉÔڱȽ϶ñÁӵĻ·¾³ÏÂʹÓᣠ|
 |
¶©¹ºÖ¸ÄÏ
| ÖÖÀà |
ÐÎ×´ |
¼ì²â¾àÀë |
ÐͺŠ|
Êä ³ö |
RX (±ê×¼ÐÍ) |
͸¹ýÐÍ |
ºìÍâÏß |
|
 |
10m |
RX-M10 |
NPN¿ªÂ·¼¯ µç¼«¾§Ìå¹Ü |
| ³¤¼ì²â¾àÀë |
50m |
RX-M50 |
| ±êʶ¼ì²â |
ºìÉ« |
2m |
RX-M2R |
| ÂÌÉ« |
500mm |
RX-500G |
| »Ø¹é·´ÉäÐÍ |
ºìÉ«(´øÆ«¼«Â˹âÆ÷) |
|
 |
0.1¡«3m(×¢) |
RX-PRVM3 |
| ¼ì²â ͸Ã÷ÎïÌå |
500mm(×¢) |
RX-PRV500 |
| ºìÍâÏß(³¤¼ì²â¾àÀë) |
0.1¡«5m(×¢) |
RX-RVM5 |
| À©É¢·´ÉäÐÍ |
ºìÍâÏß |
 |
700mm |
RX-D700 |
| ºìÉ« |
200mm |
RX-D200R |
X2 (Ö±Á÷Ë« Ïßʽ) |
͸¹ýÐÍ |
ºìÍâÏß |
 |
5m |
RX2-M5 |
ÎÞ½ÓµãÖ± Á÷Ë«Ïßʽ |
| »Ø¹é·´ÉäÐÍ |
ºìÉ«(´øÆ«¼«Â˹âÆ÷) |
 |
0.1¡«2m(×¢) |
RX2-PRVM2 |
| À©É¢·´ÉäÐÍ |
ºìÍâÏß |
 |
300mm |
RX2-D300 |
RX4 (ÖØÔØÐÍ) |
͸¹ýÐÍ |
ºìÍâÏß |
2m³¤¶ÈµçÀ |
 |
5m |
RX4-M5 |
NPN¿ªÂ·¼¯ µç¼«¾§Ìå¹Ü |
| 3m³¤¶ÈµçÀ |
RX4-M5-C3 |
| 5m³¤¶ÈµçÀ |
RX4-M5-C5 |
×¢£º »Ø¹é·´ÉäÐÍ´«¸ÐÆ÷µÄ¼ì²â¾àÀëÊǶԷ´Éä¾µRF-230µÄÖµ¡£¶øÇÒ£¬RX-PRVM3£¬RX-RVM5ºÍRX2-PRVM2µÄ¼ì²â¾àÀëÊÇ·´Éä¾µ¿ÉÒÔÉ趨µÄ·¶Î§¡£´«¸ÐÆ÷¿É¼ì²â 0.1mÒÔÄÚµÄÎïÌå¡£
5mµçÀ³¤¶ÈÐÍ ±¸ÓÐ5mµçÀ³¤¶ÈÐÍ(±ê×¼£º2m)¡£
Ðͺűí
Åä¼þ(ÁíÊÛ)
| Æ·Ãû |
ÐͺŠ|
Æ·Ãû |
ÏÁ·ì͸¹âÕÖ (½öÊÊÓÃÓÚRX-M10ºÍRX2-M5) |
OS-RX-05¡Á5(ÏÁ·ì³ß´ç0.5¡Á5mm) OS-RX-5¡Á05(ÏÁ·ì³ß´ç5¡Á0.5mm) |
| °²×°ÔÚͶ¹âÆ÷ÉÏ |
¡¤¼ì²â¾àÀ룺 2.7m[RX-M10]1.4m[RX2-M5] |
| ¡¤×îС¼ì²âÎïÌ壺¦Õ8mm | |
| °²×°ÔÚÊܹâÆ÷ÉÏ |
¡¤¼ì²â¾àÀ룺 1.9m[RX-M10]1m[RX2-M5] |
| ¡¤×îС¼ì²âÎïÌ壺¦Õ6mm | |
| Ë«²à°²×° |
¡¤¼ì²â¾àÀ룺 0.4m[RX-M10]0.2m[RX2-M5] |
| ¡¤×îС¼ì²âÎïÌ壺0.5¡Á5mm | |
OS-RX-1¡Á5(ÏÁ·ì³ß´ç1¡Á5mm) OS-RX-5¡Á1(ÏÁ·ì³ß´ç5¡Á1mm) |
| °²×°ÔÚͶ¹âÆ÷ÉÏ |
¡¤¼ì²â¾àÀ룺 3.8m[RX-M10]1.9m[RX2-M5] |
| ¡¤×îС¼ì²âÎïÌ壺¦Õ8mm | |
| °²×°ÔÚÊܹâÆ÷ÉÏ |
¡¤¼ì²â¾àÀ룺 2.8m[RX-M10]1.4m[RX2-M5] |
| ¡¤×îС¼ì²âÎïÌ壺¦Õ6mm | |
| Ë«²à°²×° |
¡¤¼ì²â¾àÀ룺 0.8m[RX-M10]0.4m[RX2-M5] |
| ¡¤×îС¼ì²âÎïÌ壺1¡Á5mm | |
OS-RX-3¡Á5(ÏÁ·ì³ß´ç3¡Á5mm) OS-RX-5¡Á3(ÏÁ·ì³ß´ç5¡Á3mm) |
| °²×°ÔÚͶ¹âÆ÷ÉÏ |
¡¤¡¤¼ì²â¾àÀ룺 7m[RX-M10]3.5m[RX2-M5] |
| ¡¤×îС¼ì²âÎïÌ壺¦Õ8mm | |
| °²×°ÔÚÊܹâÆ÷ÉÏ |
¡¤¼ì²â¾àÀ룺 4.9m[RX-M10]2.5m[RX2-M5] |
| ¡¤×îС¼ì²âÎïÌ壺¦Õ6mm | |
| Ë«²à°²×° |
¡¤¼ì²â¾àÀ룺 2.6m[RX-M10]1.3m[RX2-M5] |
| ¡¤×îС¼ì²âÎïÌ壺3¡Á5mm | |
·´Éä¾µ (½ö»Ø¹é·´ÉäÐÍ ´«¸ÐÆ÷) |
RF-210 |
¡¤¼ì²â¾àÀ룺 0.2¡«1.5m[RX-RVM5]0.4¡«1m[RX-PRVM3] ¡¤×îС¼ì²âÎïÌ壺¦Õ 30mm |
| RF-220 |
¡¤¼ì²â¾àÀ룺 0.1¡«3.8m[RX-RVM5] 0.1¡«2m[RX-PRVM3] 0.1¡«1.3m[RX2-PRVM2] 250mm[RX-PRV500] ¡¤×îС¼ì²âÎïÌ壺¦Õ 35mm |
·´Éä¾µ °²×°Ö§¼Ü |
MS-RF21-1 |
ÊÊÓÃÓÚRF-210±£»¤ÐÔ°²×°Ö§¼Ü£¬±£»¤·´Éä¾µÃâÊÜË𺦣¬±£³Ö¶ÔÆë¡£ |
| MS-RF22 |
ÊÊÓÃÓÚRF-220 |
| MS-RF23 |
ÊÊÓÃÓÚRF-230 |
·´¹â´ø (½öÊÊÓÃÓÚRX-RVM5) |
RF-T110 |
·´¹â´øÍ¨¹ý²ÃÇгÉÊʵ±³ß´çÀ´´úÌæ·´Éä¾µ ¡¤³ß´ç£º100¡Á100mm ¡¤ ¼ì²â¾àÀ룺3m(50¡Á50mm) (¸ù¾Ý²úÆ·²»Í¬£¬»áÂÔÓб仯) |
| ±£»¤¹Ü |
PT-RX500 |
³¤¶È |
500mm |
µçÀÂÊܵ½±£»¤£¬ÃâÊÜÍâÁ¦Ó°Ïì¡£ÒòËüÊÇÓɲ»Ðâ¸ÖÖÆ³É£¬²»»áÉúÐâ¡£ |
| PT-RX1000 |
1,000mm |
| ´«¸ÐÆ÷¼ì²éÆ÷(×¢) |
CHX-SC2 |
ÊÊÓÃÓÚ͸¹ýÐÍ´«¸ÐÆ÷µÄ¹âÖá¶ÔÆë¡£ÊܹâÆ÷µÄ×î¼ÑλÖÃÓÉָʾµÆºÍÒôƵÐźÅָʾ¡£ |
ÏÁ·ì͸¹âÕÖ ¡¤OS-RX-¡õ |
·´Éä¾µ ¡¤RF-210 ¡¤RF-220 |
·´Éä¾µ°²×°Ö§¼Ü ¡¤MS-RF21-1 |
 |
 |
 |
·´Éä¾µ°²×°Ö§¼Ü ¡¤MS-RF22 ¡¤MS-RF23 |
±£»¤¹Ü ¡¤PT-RX500¡¤PT-RX1000 |
´«¸ÐÆ÷¼ì²éÆ÷ ¡¤CHX-SC2 |
 |
 |
 | |
×¢£ºÏêÇéÇë²ÎÔÄ¡¶ÌØÊâÓÃ;¡¢ÍâΧÉ豸ƪ²úƷĿ¼¡·µÄ´«¸ÐÆ÷¼ì²éÆ÷CHX-SC2¡£
¹æ¸ñ
±ê×¼ÐÍ
| ÖÖÀà |
͸¹ýÐÍ |
»Ø¹é·´ÉäÐÍ |
À©É¢·´ÉäÐÍ |
| ºìÍâÏß |
ºìÉ« |
ÂÌÉ« |
ºìÉ«(´øÆ«¼«Â˹âÆ÷) |
ºìÍâÏß (³¤¼ì²â ¾àÀë ) |
ºìÍâÏß |
ºìÉ« |
| ³¤¼ì²â¾àÀë |
|
¼ì²â͸ Ã÷ÎïÌå |
| ÐͺŠ|
RX-M10 |
RX-M50 |
RX-M2R |
RX-500G |
RX-PRVM3 |
RX-PRV500 |
RX-RVM5 |
RX-D700 |
RX-D200R |
| ¼ì²â¾àÀë |
10m |
50m |
2m |
500mm |
0.1¡«3m (×¢1) |
500mm (×¢1) |
0.1¡«5m (×¢1) |
700mm (×¢2) |
200mm (×¢2) |
| ¼ì²âÎïÌå |
¦Õ10mmÒÔÉϵIJ»Í¸Ã÷Ìå(×¢3) |
¦Õ50mmÒÔ ÉϵIJ»Í¸Ã÷ Ì壬°ë͸Ã÷ Ìå»òÓйâÔó ÎïÌå(×¢1) |
¦Õ50mmÒÔ ÉϵIJ»Í¸Ã÷ Ì壬°ë͸Ã÷ Ìå»ò͸Ã÷Ìå (×¢1) |
¦Õ50mmÒÔ ÉϵIJ»Í¸Ã÷Ìå»ò°ë͸Ã÷Ìå (×¢1) |
²»Í¸Ã÷Ìå¡¢°ë͸Ã÷ Ìå»ò͸Ã÷Ìå |
| Ó¦²î |
---------- |
---------- |
¹¤×÷¾àÀëµÄ15%ÒÔÏ |
| ÖØ¸´¾«¶È(´¹Ö±ÓÚ¼ì²âÖá) |
0.5mmÒÔÏÂ |
1mmÒÔÏÂ |
0.2mmÒÔÏÂ |
1mmÒÔÏÂ |
0.5mmÒÔÏÂ |
| µçÔ´µçѹ |
12¡«24V DC¡À10%¡¡Âö¶¯P-P10%ÒÔÏ |
| ÏûºÄµçÁ÷ |
Ͷ¹âÆ÷£º20mAÒÔÏÂ(RX-M50: 25mAÒÔÏÂ),ÊܹâÆ÷£º25mAÒÔÏ |
40mAÒÔÏÂ |
| ¼ì²âÊä³ö |
NPN¿ªÂ·¼¯µç¼«¾§Ìå¹Ü ¡¤×î´óÁ÷ÈëµçÁ÷£º100mA ¡¤Íâ¼Óµçѹ£º30V DCÒÔÏÂ(¼ì²âÊä³öºÍ0VÖ®¼ä) ¡¤Ê£Óàµçѹ£º 1.5VÒÔÏÂ(Á÷ÈëµçÁ÷Ϊ100mAʱ)0.4VÒÔÏÂ(Á÷ÈëµçÁ÷Ϊ16mAʱ) |
| Êä³ö¹¤×÷ |
¿ÉÔÚÈë¹âʱON»ò·ÇÈë¹âʱONÖ®¼äÇл» |
| ¶Ì·±£»¤ |
×°±¸ |
| ×ÔÎÒÕï¶ÏÊä³ö |
NPN¿ªÂ·¼¯µç¼«¾§Ìå¹Ü ¡¤×î´óÁ÷ÈëµçÁ÷£º50mA ¡¤Íâ¼Óµçѹ£º30V DCÒÔÏÂ(×ÔÎÒÕï¶ÏÊä³öºÍ0VÖ®¼ä) ¡¤Ê£Óàµçѹ£º 1VÒÔÏÂ(Á÷ÈëµçÁ÷Ϊ50mAʱ) 0.4VÒÔÏÂ(Á÷ÈëµçÁ÷Ϊ16mAʱ) |
| Êä³ö¹¤×÷ |
²»Îȶ¨¼ì²â״̬ÏÂON |
| ¶Ì·±£»¤ |
---------- |
| ·´Ó¦Ê±¼ä |
1msÒÔÏÂ |
| Ͷ¹âÍ£Ö¹¹¦ÄÜ |
×°±¸ |
| ¹¤×÷״ָ̬ʾµÆ |
ºìÉ«LED(µ±¼ì²âÊä³öΪONʱÁÁÆð) |
| Îȶ¨Ö¸Ê¾µÆ |
ÂÌÉ«LED(ÔÚÎȶ¨Êܹâ»òÎȶ¨·ÇÈë¹âÌõ¼þÏÂÁÁÆð) |
| Ͷ¹âָʾµÆ |
ºìÉ«LED(Ͷ¹âʱ£¬ÁÁÆð) |
---------- |
| ÁéÃô¶Èµ÷½ÚÆ÷ |
³ÖÐø¿É±äµ÷½ÚÆ÷ |
| ×Ô¶¯·À¸ÉÈŹ¦ÄÜ |
---------- |
×°±¸(2¸ö´«¸ÐÆ÷¿ÉÌù½ü°²×°) |
| »·¾³ÐÔÄÜ |
±£»¤¹¹Ôì |
IP67(IEC) |
| ÖÜΧÎÂ¶È |
£25¡«£«60¡ãC(×¢Òâ²»¿É½á¶¡¢½á±ù)£¬´æ´¢£º£30¡«£«70¡ãC |
| ÖÜΧʪ¶È |
35¡«85%RH£¬´æ´¢£º35¡«85%RH |
| ÖÜΧÕÕÃ÷¶È |
°×³ãµÆ£ºÊܹâÃæÕÕÃ÷¶È3,500 x |
| Ä͵çѹ |
AC1,000V 1·ÖÖÓ£¬ËùÓеçÔ´Á¬½Ó¶Ë×ÓÓëÍâ¿ÇÖ®¼ä |
| ¾øÔµµç×è |
ËùÓеçÔ´Á¬½Ó¶Ë×ÓÓëÍâ¿ÇÖ®¼ä£¬20M¦¸ÒÔÉÏ£¬»ùÓÚDC250VµÄ¸ß×è±í |
| ÄÍÕñ¶¯ |
ƵÂÊ£º10¡«500Hz£¬Ë«Õñ·ù£º1.5mm(×î´ó10G)£¬X,YºÍZ¸÷·½Ïò2Сʱ |
| Äͳå»÷ |
¼ÓËÙ¶È£º500m/s2(Ô¼50G)£¬X,YºÍZ¸÷·½Ïò3´Î |
| Ͷ¹â¶þ¼«Ìå |
ºìÍâÏßLED(µ÷ÖÆÊ½) |
ºìÉ«LED (µ÷ÖÆÊ½) |
ÂÌÉ«LED (µ÷ÖÆÊ½) |
ºìÉ«LED(µ÷ÖÆÊ½) |
ºìÍâÏßLED(µ÷ÖÆÊ½) |
ºìÉ«LED (µ÷ÖÆÊ½) |
| Ͷ¹â²¨·å²¨³¤ |
880¦Ìm880¦Ìm880¦Ìm |
680¦Ìm |
570¦Ìm |
680¦Ìm |
680¦Ìm |
680¦Ìm |
| ²ÄÖÊ |
Íâ¿Ç£ºÑ¹ÖýпºÏ½ð£¬Ö¸Ê¾µÆÍâÕÖ£º¾ÛÃÑí¿£¬Í¸¾µ£º¾Û̼Ëáõ¥(»Ø¹é·´ÉäÐÍ£º±ûÏ©) |
| µçÀ |
Ͷ¹âÆ÷£º0.15mm2 3оÄÍÓÍ£¬ÄÍÀäÈÈÏðÆ¤µçÀ£¬³¤2m ÊܹâÆ÷£º0.15mm2 4оÄÍÓÍ£¬ÄÍÀäÈÈÏðÆ¤µçÀ£¬³¤2m |
0.15mm2 5о·ÀÓÍ£¬ÄÍÀäÈÈÏðÆ¤µçÀ£¬³¤2m |
| µçÀÂÑÓ³¤ |
0.3mm2ÒÔÉϵĵçÀÂÏß¿ÉÑÓ³¤ÖÁ100m(͸¹ýÐÍ£ºÍ¶¹âÆ÷ºÍÊܹâÆ÷¸÷1¸ù) |
| ÖØÁ¿ |
Ͷ¹âÆ÷£ºÔ¼70g(RX-M50£º¸÷Ô¼75g) ÊܹâÆ÷£ºÔ¼70g(RX-M50£º¸÷Ô¼75g) |
Ô¼75g |
| ¸½¼þ |
MS-RX-1(´«¸ÐÆ÷°²×°Ö§¼Ü)£º1Ì×ÓÃÓÚͶ¹âÆ÷ºÍÊܹâÆ÷ µ÷ÕûÂÝË¿µ¶£º1¸ö |
MS-RX-1(´«¸ÐÆ÷°²×°Ö§¼Ü)£º1Ì× RF-230(·´Éä¾µ)£º1¸ö µ÷ÕûÂÝË¿µ¶£º1¸ö |
MS-RX-1(´«¸ÐÆ÷°²×°Ö§¼Ü)£º1Ì× µ÷ÕûÂÝË¿µ¶£º1¸ö |
| ×¢£º |
| 1) »Ø¹é·´ÉäÐÍ´«¸ÐÆ÷µÄ¼ì²â¾àÀëÓë¼ì²âÎïÌåÊǶԷ´Éä¾µRF-230µÄÖµ¡£¶øÇÒRX-PRVM3 ÓëRX-RVM5µÄ¼ì²â¾àÀëÊÇ·´Éä¾µ¿ÉÉ趨µÄ·¶Î§¡£´«¸ÐÆ÷¿É¼ì²â0.1mÒÔÄÚµÄÎïÌå¡£ |
| 2) À©É¢·´ÉäÐÍ´«¸ÐÆ÷µÄ¼ì²â¾àÀëÊÇÒÔ°×É«ÎÞ¹âÔóÖ½(200¡Á200mm)×÷Ϊ¼ì²âÎïÌåʱ²âµÃµÄ¡£ |
| 3) Èç¹ûRX-M10Éϰ²×°ÏÁ·ì͸¹âÕÖ(ÁíÊÛ)£¬Ò²Äܼì²âµ½0.5¡Á5mmµÄÎïÌå¡£ |
 |
Ö±Á÷Ë«Ïßʽ
| ÖÖÀà
|
͸¹ýÐÍ |
»Ø¹é·´ÉäÐÍ(´øÆ«¼«Â˹âÆ÷) |
À©É¢·´ÉäÐÍ |
| ÐͺŠ|
RX2-M5 |
RX2-PRVM2 |
RX2-D300 |
| ¼ì²â¾àÀë |
5m |
0.1¡«2m(×¢1) |
300mm(×¢2) |
| ¼ì²âÎïÌå |
¦Õ 10mmÒÔÉϵIJ»Í¸Ã÷Ìå(×¢3) |
¦Õ 50mmÒÔÉϵIJ»Í¸Ã÷Ì壬°ë͸ Ã÷Ìå»òÓйâÔóÎïÌå(×¢1) |
²»Í¸Ã÷Ì壬°ë͸Ã÷Ìå»ò͸Ã÷Ìå |
| Ó¦²î |
---------- |
---------- |
¹¤×÷¾àÀëµÄ15%ÒÔÏ |
ÖØ¸´¾«¶È (´¹Ö±ÓÚ¼ì²âÖá) |
0.5mmÒÔÏÂ |
1mmÒÔÏÂ |
0.5mmÒÔÏÂ |
| µçÔ´µçѹ |
12¡«24V DC¡À10%¡¡Âö¶¯P-P10%ÒÔÏ |
| ÏûºÄµçÁ÷ |
Ͷ¹âÆ÷£º8mAÒÔÏ£¬ÊܹâÆ÷£º0.8mAÒÔÏÂ(×¢4) |
1mAÒÔÏÂ(×¢4) |
| ¼ì²âÊä³ö |
ÎÞ½Ó µãÖ±Á÷Ë«Ïßʽ ¡¤¸ººÉµçÁ÷£º5¡«100mA ¡¤Ê£Óàµçѹ£º4VÒÔÏÂ(×¢5) |
| Êä³ö¹¤×÷ |
¿ÉÔÚÈë¹âʱON»ò·ÇÈë¹âʱONÖ®¼äÇл» |
| ¶Ì·±£»¤ |
×°±¸ |
| ·´Ó¦Ê±¼ä |
3msÒÔÏÂ |
| ¹¤×÷״ָ̬ʾµÆ |
ºìÉ«LED(Êä³öONʱÁÁÆð) |
| Îȶ¨Ö¸Ê¾µÆ |
ÂÌÉ«LED (Èë¹âʱONģʽ£ºÔÚÎȶ¨Èë¹âʱÁÁÆð·ÇÈë¹âʱONģʽ£ºÔÚÎȶ¨·ÇÈë¹âʱÁÁÆð) |
| Ͷ¹âָʾµÆ |
ºìÉ«LED(Ͷ¹âʱÁÁÆð) |
---------- |
| ÁéÃô¶Èµ÷½ÚÆ÷ |
³ÖÐø¿É±äµ÷½ÚÆ÷ |
»· ¾³ ÐÔ ÄÜ |
±£»¤¹¹Ôì |
IP67(IEC) |
| ÖÜΧÎÂ¶È |
£20¡«£«60¡ãC(×¢Òâ²»¿É½á¶¡¢½á±ù)£¬´æ´¢£º£30¡«£«70¡ãC |
| ÖÜΧʪ¶È |
35¡«85%RH£¬´æ´¢£º35¡«85%RH |
| ÖÜΧÕÕÃ÷¶È |
°×³ãµÆ£ºÊܹâÃæÕÕÃ÷¶È3,500 x |
| Ä͵çѹ |
AC1,000V 1·ÖÖÓ£¬ËùÓеçÔ´Á¬½Ó¶Ë×ÓÓëÍâ¿ÇÖ®¼ä |
| ¾øÔµµç×è |
ËùÓеçÔ´Á¬½Ó¶Ë×ÓÓëÍâ¿ÇÖ®¼ä£¬20M¦¸ÒÔÉÏ£¬»ùÓÚDC250VµÄ¸ß×è±í |
| ÄÍÕñ¶¯ |
ƵÂÊ£º10¡«500Hz£¬Ë«Õñ·ù£º1.5mm(×î´ó10G)£¬X,YºÍZ¸÷·½Ïò2Сʱ |
| Äͳå»÷ |
¼ÓËÙ¶È£º500m/s2(Ô¼50G)£¬X,YºÍZ¸÷·½Ïò3´Î |
| Ͷ¹â¶þ¼«Ìå |
ºìÍâÏßLED(µ÷ÖÆÊ½) |
ºìÉ«LED(µ÷ÖÆÊ½) |
ºìÍâÏßLED(µ÷ÖÆÊ½) |
| Ͷ¹â²¨·å²¨³¤ |
880¦Ìm |
680¦Ìm |
890¦Ìm |
| ²ÄÖÊ |
Íâ¿Ç£ºÑ¹ÖýпºÏ½ð£¬Ö¸Ê¾µÆÍâÕÖ£º¾ÛÃÑí¿£¬Í¸¾µ£º¾Û̼Ëáõ¥(RX-PRVM2£º±ûÏ©) |
| µçÀ |
0.15mm2 2оÄÍÓÍ£¬ÄÍÀäÈÈÏðÆ¤µçÀ£¬³¤2m |
| µçÀÂÑÓ³¤ |
----------(×¢5) |
| ÖØÁ¿ |
Ͷ¹âÆ÷£ºÔ¼70g£¬ÊܹâÆ÷£ºÔ¼70g |
Ô¼75g |
Ô¼70g |
| ¸½¼þ |
MS-RX-1(´«¸ÐÆ÷°²×°Ö§¼Ü)£º 1Ì×ÓÃÓÚͶ¹âÆ÷ºÍÊܹâÆ÷ µ÷ÕûÂÝË¿µ¶£º1¸ö |
MS-RX-1(´«¸ÐÆ÷°²×°Ö§¼Ü)£º1Ì× RF-230(·´Éä¾µ)£º1¸ö µ÷ÕûÂÝË¿µ¶£º1¸ö |
MS-RX-1(´«¸ÐÆ÷°²×°Ö§¼Ü)£º1Ì× µ÷ÕûÂÝË¿µ¶£º1¸ö |
×¢£º
1) RX2-PRVM2µÄ¼ì²â¾àÀëºÍ¼ì²âÎïÌåÊǶԷ´Éä¾µRF-230µÄÖµ¡£¶øÇÒ£¬¼ì²â¾àÀëΪ·´Éä¾µ¿ÉÉ趨µÄ·¶Î§¡£´«¸ÐÆ÷¿É¼ì²â0.1mÄÚµÄÎïÌå¡£
2) RX2-D300µÄ¼ì²â¾àÀëÊÇÒÔ°×É«ÎÞ¹âÔóÖ½(200¡Á200mm)×÷Ϊ¼ì²âÎïÌåʱ²âµÃµÄ¡£
3) Èç¹û°²×°ÁËÏÁ·ì͸¹âÕÖ(ÁíÊÛ)£¬Äܼì²âµ½0.5¡Á5mmµÄÎïÌå¡£
4) µ±Êä³ö´¦ÓÚOFFʱΪй©µçÁ÷¡£
5) µ±µçÀÂÑÓ³¤Ê±£¬Ê£Óàµçѹ»á¸ù¾ÝʹÓõĵçÀÂÀàÐͶøÔö¼Ó¡£Ð£ÑéÑÓ³¤µçÀÂʱµÄÊ£Óàµçѹ¡£
ÖØÔØ
| ÖÖÀà
|
͸¹ýÐÍ |
| µçÀ³¤¶È2m |
µçÀ³¤¶È3m |
µçÀ³¤¶È5m |
| ÐͺŠ|
RX4-M5 |
RX4-M5-C3 |
RX4-M5-C5 |
| ¼ì²â¾àÀë |
5m |
| ¼ì²âÎïÌå |
¦Õ 10mmÒÔÉϵIJ»Í¸Ã÷Ìå |
| ÖØ¸´¾«¶È(´¹Ö±ÓÚ¼ì²âÖá) |
0.5mmÒÔÏÂ |
| µçÔ´µçѹ |
12¡«24V DC¡À10%¡¡Âö¶¯P-P10%ÒÔÏ |
| ÏûºÄµçÁ÷ |
Ͷ¹âÆ÷£º20mAÒÔÏ£¬ÊܹâÆ÷£º25mAÒÔÏ |
| ¼ì²âÊä³ö |
NP N¿ªÂ·¼¯µç¼«¾§Ìå¹Ü ¡¤×î´óÁ÷ÈëµçÁ÷£º100mA ¡¤Íâ¼Óµçѹ£º30V DCÒÔÏÂ(¼ì²âÊä³öºÍ0VÖ®¼ä) ¡¤Ê£Óàµçѹ£º 1.5VÒÔÏÂ(Á÷ÈëµçÁ÷Ϊ100mAʱ) 0.4VÒÔÏÂ(Á÷ÈëµçÁ÷Ϊ16mAʱ) |
| Êä³ö¹¤×÷ |
¿ÉÔÚÈë¹âʱON»ò·ÇÈë¹âʱONÖ®¼äÇл» |
| ¶Ì·±£»¤ |
×°±¸ |
| ×ÔÎÒÕï¶ÏÊä³ö |
NP N¿ªÂ·¼¯µç¼«¾§Ìå¹Ü ¡¤×î´óÁ÷ÈëµçÁ÷£º50mA ¡¤Íâ¼Óµçѹ£º30V DCÒÔÏÂ(×ÔÎÒÕï¶ÏÊä³öºÍ0VÖ®¼ä) ¡¤Ê£Óàµçѹ£º 1VÒÔÏÂ(Á÷ÈëµçÁ÷Ϊ50mAʱ) 0.4VÒÔÏÂ(Á÷ÈëµçÁ÷Ϊ16mAʱ) |
| Êä³ö¹¤×÷ |
ÔÚ²»Îȶ¨¼ì²âʱON |
| ¶Ì·±£»¤ |
---------- |
| ·´Ó¦Ê±¼ä |
1msÒÔÏÂ |
| Ͷ¹âÍ£Ö¹¹¦ÄÜ |
×°±¸ |
| ¹¤×÷״ָ̬ʾµÆ |
ºìÉ«LED(¼ì²âÊä³öONʱÁÁÆð) |
| Îȶ¨Ö¸Ê¾µÆ |
ÂÌÉ«LED(Îȶ¨Èë¹â»òÎȶ¨·ÇÈë¹âÌõ¼þÏÂÁÁÆð) |
| Ͷ¹âָʾµÆ |
ºìÉ«LED(Èë¹âʱÁÁÆð) |
| ÁéÃô¶Èµ÷½ÚÆ÷ |
³ÖÐø¿É±äµ÷½ÚÆ÷ |
»· ¾³ ÐÔ ÄÜ |
±£»¤¹¹Ôì |
IP67(IEC), IP67g(JEM) |
| ÖÜΧÎÂ¶È |
£25¡«£«60¡ãC(×¢Òâ²»¿É½á¶¡¢½á±ù)£¬´æ´¢£º£30¡«£«70¡ãC |
| ÖÜΧʪ¶È |
35¡«85%RH£¬´æ´¢£º35¡«85%RH |
| ÖÜΧÕÕÃ÷¶È |
°×³ãµÆ£ºÊܹâÃæÕÕÃ÷¶È3,500 x |
| Ä͵çѹ |
AC 1,000V 1·ÖÖÓ£¬ËùÓеçÔ´Á¬½Ó¶Ë×ÓÓëÍâ¿ÇÖ®¼ä |
| ¾øÔµµç×è |
ËùÓеçÔ´Á¬½Ó¶Ë×ÓÓëÍâ¿ÇÖ®¼ä£¬20M¦¸ÒÔÉÏ£¬»ùÓÚDC 250VµÄ¸ß×è±í |
| ÄÍÕñ¶¯ |
ƵÂÊ£º10¡«500Hz£¬Ë«Õñ·ù£º1.5mm(×î´ó10G)£¬X,YºÍZ¸÷·½Ïò2Сʱ |
| Äͳå»÷ |
¼ÓËÙ¶È£º500m/s2(Ô¼50G)£¬X,YºÍZ¸÷·½Ïò3´Î |
| Ͷ¹â¶þ¼«Ìå |
ºìÍâÏßLED(µ÷ÖÆÊ½) |
| Ͷ¹â²¨·å²¨³¤ |
880¦Ìm |
| ²ÄÖÊ |
Íâ¿Ç£ºÑ¹ÖýпºÏ½ð(·ú»¯Ê÷֬Ϳ²ã)£¬Ö¸Ê¾µÆÍâÕÖ£º¾ÛÃÑí¿£¬Í¸¾µ£º¾Û·¼Ö¬£¬±£»¤¹Ü±»¸²£ºÄÍÓÍPVC |
| µçÀ |
0.15mm2 4о(Ͷ¹âÆ÷£º3о)ÄÍÓÍ£¬ÄÍÀäÈÈÏðÆ¤µçÀ |
| µçÀÂÑÓ³¤ |
1m |
2m |
4m |
| ±£»¤¹Ü³¤¶È |
0.3mm2ÒÔÉϵĵçÀÂÏß¿ÉÑÓ³¤ÖÁ100m£¬Í¶¹âÆ÷ºÍÊܹâÆ÷¸÷1¸ù |
| ÖØÁ¿ |
Ͷ¹âÆ÷£ºÔ¼175g£¬ÊܹâÆ÷£ºÔ¼175g |
Ͷ¹âÆ÷£ºÔ¼265g£¬ÊܹâÆ÷£ºÔ¼265g |
Ͷ¹âÆ÷£ºÔ¼495g£¬ÊܹâÆ÷£ºÔ¼495g |
| ¸½¼þ |
MS-RX-2(´«¸ÐÆ÷°²×°Ö§¼Ü)£º1Ì×ÓÃÓÚͶ¹âÆ÷ºÍÊܹâÆ÷£¬µ÷ÕûÂÝË¿µ¶£º1¸ö |
I/Oµç·ͼºÍÏß·ͼ
RX-¡õ RX4-¡õ
|
|
|
| ͸¹ýÐÍ¡¤Í¶¹âÆ÷ |
͸¹ýÐÍ¡¤ÊܹâÆ÷ |
 |
 |
| ͸¹ýÐÍ¡¤ÊܹâÆ÷ |
͸¹ýÐÍ¡¤ÊܹâÆ÷ |
 |
 |
| »Ø¹é·´ÉäÐÍ¡¤À©É¢·´ÉäÐÍ |
»Ø¹é·´ÉäÐÍ¡¤À©É¢·´ÉäÐÍ |
 |
 |
RX2-¡õ
|
|
|
| ͸¹ýÐÍ´«¸ÐÆ÷µÄͶ¹âÆ÷ |
͸¹ýÐÍ´«¸ÐÆ÷µÄͶ¹âÆ÷ |
 |
 |
͸¹ýÐÍ´«¸ÐÆ÷µÄÊܹâÆ÷£¬»Ø¹é·´ÉäÐÍ´«¸ÐÆ÷ºÍÀ©É¢·´Éä ÐÍ´«¸ÐÆ÷ |
͸¹ýÐÍ´«¸ÐÆ÷µÄÊܹâÆ÷£¬»Ø¹é·´ÉäÐÍ´«¸ÐÆ÷ºÍÀ©É¢·´Éä ÐÍ´«¸ÐÆ÷ |
 |
 |
¼ì²âÌØÐÔͼ(µäÐÍ)
RX-¡õ(ËùÓÐÐͺÅ)
RX-M10(͸¹ýÐÍ)
RX-M50(͸¹ýÐÍ)
RX-M2R(͸¹ýÐÍ)
RX-500G(͸¹ýÐÍ)
|
|
½Ç¶ÈÌØÐÔ |
 |
 |
RX4-M5¡õ(͸¹ýÐÍ)
RX2-M5(͸¹ýÐÍ)
RX-PRVM3(»Ø¹é·´ÉäÐÍ)
RX-PRV500(»Ø¹é·´ÉäÐÍ)
RX-RVM5(»Ø¹é·´ÉäÐÍ)
RX2-PRVM2(»Ø¹é·´ÉäÐÍ)
RX-D700(À©É¢·´ÉäÐÍ)
|
|
|
 |
 |
µ±¼ì²âÎïÌå³ß´çСÓÚ±ê×¼³ß´ç(°×É«ÎÞ¹âÔóÖ½ 200¡Á200mm)ʱ£¬¼ì²â¾àÀëÈç×óͼËùʾËõ¶Ì¡£ (Ϊ»æÖÆ×óͼ£¬´«¸ÐÆ÷ÁéÃô¶ÈÉ趨ÔÚ700mm¾à Àëʱ£¬Äܼì²âÒ»ÕÅ200¡Á200mmµÄ°×É«ÎÞ¹â ÔóÖ½¡£) |
RX-D200R(À©É¢·´ÉäÐÍ)
|
|
|
 |
 |
µ±¼ì²âÎïÌå³ß´çСÓÚ±ê×¼³ß´ç(°×É«ÎÞ¹âÔóÖ½ 200¡Á200mm)ʱ£¬¼ì²â¾àÀëÈç×óͼËùʾËõ¶Ì¡£ (Ϊ»æÖÆ×óͼ£¬´«¸ÐÆ÷ÁéÃô¶ÈÉ趨ÔÚ200mm¾à Àëʱ£¬Äܼì²âÒ»ÕÅ200¡Á200mmµÄ°×É«ÎÞ¹â ÔóÖ½¡£) |
RX2-D300(À©É¢·´ÉäÐÍ)
|
|
|
 |
 |
µ±¼ì²âÎïÌå³ß´çСÓÚ±ê×¼³ß´ç(°×É«ÎÞ¹âÔóÖ½ 200¡Á200mm)ʱ£¬¼ì²â¾àÀëÈç×óͼËùʾËõ¶Ì¡£ (Ϊ»æÖÆ×óͼ£¬´«¸ÐÆ÷ÁéÃô¶ÈÉ趨ÔÚ300mm¾à Àëʱ£¬Äܼì²âÒ»ÕÅ200¡Á200mmµÄ°×É«ÎÞ¹â ÔóÖ½¡£) |
ʹÓÃÖ¸ÄÏ
ËùÓÐÐͺÅ
¸Ã²úƷΪÎïÌå¼ì²â´«¸ÐÆ÷£¬²»¾ßÓб£»¤ÉúÃü¡¢²Æ²úµÄ¹¦ÄÜ£¬Îª·Àֹʹʡ¢È·±£°²È«£¬Çë½÷É÷ʹÓá£
|
|
| ¡¤ ½ô¹ÌŤ¾ØÓ¦ÔÚ1.17N¡¤mÒÔÏ¡£ |
 |
|
|
| ¡¤ ×ÔÎÒÕï¶ÏÊä³ö²»×°±¸¶Ì·±£»¤µç·¡£ÇëÎð½«ËüÓëµçÔ´»òµçÈÝÁ¿¸ººÉÖ±½ÓÁ¬½Ó¡£ |
|
|
| ¡¤ µçÔ´½ÓͨºóµÄ¶Ìʱ¼ä(50ms)ÄÚ£¬ÇëÎðʹÓᣠ|
RX-PRVM3 RX-PRV500RX2-PRVM2
|
|
| ¡¤ Èç¹û¹âÔóÎïÌåÓÃ͸Ã÷±¡Ä¤¸²¸Ç£¬ÈçÏÂËùÊö£¬´øÆ«¼«Â˹⾵µÄ»Ø¹é·´ÉäÐÍ´«¸ÐÆ÷¿ÉÄÜÎÞ·¨¼ì²âµ½¡£ÔÚÕâÖÖÇé¿öÏ£¬Çë°´ÒÔϲ½Öè²Ù×÷¡£ |
|
|
¡¤ÓÉÇåÎú±¡Ä¤°ü¹üµÄ¹ÞÍ· ¡¤ ÓÃËÜÁϱ¡Ä¤¸²¸ÇµÄÂÁƬ ¡¤ ½ðÉ«»òÒøÉ«(ÓйâÔó)µÄ±êÇ©»ò°ü×°Ö½ |
|
|
¡¤ÔÚ°²×°Ê±£¬¸ù¾Ý¼ì²âÎïÌåÇãб´«¸ÐÆ÷ ¡¤¼õСÁéÃô¶È ¡¤Ôö´ó´«¸ÐÆ÷ºÍ¼ì²âÎïÌåÖ®¼äµÄ¾àÀë |
RX-RVM5
|
|
¡¤ µ±¼ì²â²ÄÁÏÓйâÔóʱ£¬Çë×¢ÒâÒÔϼ¸µã£º ʹͼÖеÄL×ã¹»³¤¡£ Óë¼ì²âÎïÌå³É10¡«30¶ÈµÄ½Ç°²×°¡£ |
 |
RX2-¡õ
|
|
¡¤ ͨ¹ýÒ»¸ö¸ººÉ½«´«¸ÐÆ÷Á¬½Óµ½µçÔ´¡£Èç¹ûÖ±½Ó½Óµ½µçÔ´ÉÏ£¬¶Ì·±£»¤×°Öûáʹ´«¸ÐÆ÷ÎÞ·¨¹¤×÷(Êä³ö´¦ÔÚOFF״̬ÇÒûÓÐָʾµÆÁÁÆð)¡£Ò»µ©·¢Éú£¬½«´«¸ÐÆ÷ͨ¹ýÒ»¸ö¸ººÉÁ¬½Óµ½µçÔ´ÉÏ¡£ ¶øÇÒ£¬Òª×¢ÒâÈç¹ûµçÔ´½Ó·´ÇÒûͨ¹ý¸ººÉÁ¬½Ó£¬´«¸ÐÆ÷½«ÊÜËð¡£ |
 |
| ¡¤ ÇëÎð´®ÁªÁ¬½Ó´«¸ÐÆ÷(ANDµç·) |
 |
¡¤ ´«¸ÐÆ÷µÄÊ£ÓàµçѹΪ4V¡£ÔÚ½Óµ½¼ÌµçÆ÷֮ǰ£¬Çë×¢Òâ¼Ìµç Æ÷µÄ¼¤»îµçѹ¡£ (²¢·ÇËùÓÐ12VµÄ¼ÌµçÆ÷¶¼¿É×÷Ϊ¸ººÉÁ¬½Ó¡£) |
 |
RX4-¡õ
|
|
| ¡¤ ÈçÏÂͼËùʾ£¬°²È«Á¬½Ó½ÓºÏÁ¬½ÓÆ÷¡£½ô¹ÌŤ¾ØÓ¦ÔÚ0.98N¡¤mÒÔÏ¡£ |
| °²×°ÔÚ½ðÊô°åÉÏʱ |
 |
| ÓÃÄÚÂÝÎÆÂÝË¿°²×°Ê± |
 |
| Á¬½Óµ½ÁíÒ»±£»¤¹Üʱ |
 |
RX-¡õ4 RX4-¡õ
|
|
¡¤ ´«¸ÐÆ÷Õï¶ÏÈë¹âÁ¿£¬ÈôÒò»Ò³¾¡¢ÎÛ¹¸»ò¹âÖáδ¶ÔÆë¶øÊ¹Èë¹âÁ¿½µµÍ£¬¾Í»á²úÉúÊä³ö¡£
|
|
1) ×ÔÎÒÕï¶ÏÊä³ö¾§Ìå¹Ü£¬ÔÚÎȶ¨¼ì²âʱ±£³ÖÔÚ¡°OFF¡±×´Ì¬¡£ 2) µ±¼ì²âÊä³ö±ä»¯Ê±£¬ÈçÈë¹âÁ¿²»ÄÜ´ïµ½Îȶ¨Èë¹â»òÎȶ¨·ÇÈë¹âˮƽʱ£¬×ÔÎÒÕï¶ÏÊä³ö±äΪON¡£ÁíÍ⣬¼ì²âÊä³ö´ÓÈë¹â״̬±äΪ·ÇÈë¹â(ÕÚ¹â)״̬£¬×ÔÎÒÕï¶ÏÊä³öÒ²»á¸Ä±ä¡£(²»Êܹ¤×÷ģʽ¿ª¹ØµÄÓ°Ïì¡£)
3)ÔÚ·ÇÈë¹â(ÕÚ¹â)²»Îȶ¨Çé¿öÏ£¬×ÔÎÒÕï¶ÏÊä³ö±äΪON֮ǰ»áÓÐÒ»¶ÎÑÓ»º ʱ¼ä¡£ |
 |
³ß´ç(µ¥Î»£ºmm)
RX-M10 RX-M2R RX-500G RX2-M5(´«¸ÐÆ÷)
 |
×¢£º 1) ÔÚͶ¹âÆ÷Éϲ»×°±¸¡£ 2) ÊÇ͸¹ýÐÍ´«¸ÐÆ÷Ͷ¹âÆ÷ÉϵÄͶ¹âָʾµÆ(ºìÉ«)¡£ |
RX-M50(´«¸ÐÆ÷)
 |
×¢£º 1) ÔÚͶ¹âÆ÷Éϲ»×°±¸¡£ 2) ÊÇ͸¹ýÐÍ´«¸ÐÆ÷Ͷ¹âÆ÷ÉϵÄͶ¹âָʾµÆ(ºìÉ«)¡£ |
RX4-M5¡õ(´«¸ÐÆ÷)
 |
×¢£º 1) Ͷ¹âÆ÷Éϲ»×°±¸¡£ 2) ÊÇ͸¹ýÐÍ´«¸ÐÆ÷Ͷ¹âÆ÷ÉϵÄͶ¹âָʾµÆ(ºìÉ«)¡£ 3) ÊÇRX4-M5-C3µÄ±£»¤¹ÜµÄ³¤¶È¡£(RX4-M5£º1m£¬RX4-M5-C5£º4m) |
RX-PRVM3 RX-PRV500 RX-RVM5 RX2-PRVM2(´«¸ÐÆ÷)
RX-D700 RX-D200RRX2-D300(´«¸ÐÆ÷)
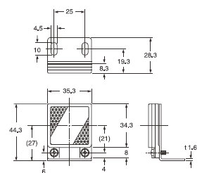
RF-230(·´Éä¾µ(»Ø¹é·´ÉäÐÍ´«¸ÐÆ÷µÄ¸½¼þ)
RF-220(·´Éä¾µ(ÁíÊÛ) RF-)
RF-210((·´Éä¾µ(ÁíÊÛ))
MS-RX-1
MS-RX-2
MS-RF21-1
MS-RF22
MS-RF23
PT-RX5000 PT-RX1000
|
|
|
 |
¡¤³¤¶ÈL
| ÐͺŠ|
³¤¶ÈL |
| PT-RX500 |
500£«100 |
| PT-RX1000 |
1,000£«100 | |