Ê×Ò³ - ÐÂÎÅ - ÕÐÆ¸ - ÏÂÔØ - ²úÆ· - ³§ÉÌ - ·½°¸ - ÎÄÕª - Çó¹º - Õ¹ÀÀ
Ãâ·Ñ×¢²á µÇ¼ | ¹ã¸æ·þÎñ | ¿Í·þÖÐÐÄ
Öлª¹¤¿ØÍø ¡ú ¹¤¿Ø²úÆ· ¡ú ÉñÊÓPM2ϵÁÐÏÞ¶¨·´Éä΢Ð͹âµç´«¸ÐÆ÷
²úÆ·Ãû³Æ£º ÉñÊÓPM2ϵÁÐÏÞ¶¨·´Éä΢Ð͹âµç´«¸ÐÆ÷
ÐÍ ºÅ£º PM2ϵÁÐ
¼Û ¸ñ£º
Æ· ÅÆ£º
 
Êղش˲úÆ·     ²é¿´ÊÕ²Ø
ÏÞ¶¨·´Éä΢Ð͹âµç´«¸ÐÆ÷ PM2ϵÁÐ
ÏÞ¶¨·´Éä΢Ð͹âµç´«¸ÐÆ÷

PM2ϵÁÐ
 

ÌØµã£ºÏÞ¶¨·´ÉäÐÍÈ·±£Îȶ¨¼ì²â
 
 
 
 
²úÆ·ÌØµã£º

ÏÞ¶¨·´ÉäģʽµÄÎȶ¨¼ì²â

ÒòÏÞ¶¨·´ÉäÐÍÊÇÔÚÏÞ¶¨·¶Î§ÄÚ¼ì²â£¬ËùÒÔ¾ßÓÐÎȶ¨¼ì²âµÄÌØÐÔ¡£
ÏÞ¶¨·´ÉäģʽµÄÎȶ¨¼ì²â

²»Êܱ³¾°Ó°Ïì

Èô´«¸ÐÆ÷ÖÃÓÚ30mmÒÔÄÚ£¬¼´Ê¹ÊÇÓйâÔó±³¾°Ò²²»»áÓ°Ïì¼ì²âÐÔÄÜ¡£
(µ«ÊÇ£¬¹âÔó±³¾°Ó¦±íÃæÆ½Õû£¬ÇÒÕý¶Ô´«¸ÐÆ÷¡£Çò×´»òÍäÇú±³¾°¿ÉÄܱ»¼ì²âµ½¡£)

¿É¼ì²âµ½°µÉ«ÎïÌå

Òò´«¸ÐÆ÷·Ç³£Ãô¸Ð£¬¿É¼ì²âµ½·´ÉäÂʵ͵ݵɫÎïÌå¡£
²»Êܱ³¾°Ó°Ïì ¿É¼ì²âµ½°µÉ«ÎïÌå

΢СÎïÌåÒ²Äܼì²â

¦Õ 0.05mmÍ­Ïß¿ÉÔÚ5mm¾àÀëÄÚ±»¼ì²âµ½¡£

±¸ÓеçÀÂÐÍ

²»ÐèÒª·±ËöµÄº¸½Ó£¬Ëü¿É½ÚÊ¡¿Õ¼ä£¬Ìá¸ß¿É¿¿ÐÔ¡£
¦Õ 0.05mmÍ­Ïß¿ÉÔÚ5mm¾àÀëÄÚ±»¼ì²âµ½¡£ ²»ÐèÒª·±ËöµÄº¸½Ó£¬Ëü¿É½ÚÊ¡¿Õ¼ä£¬Ìá¸ß¿É¿¿ÐÔ¡£

ÓÃ;

¼ì²âÍÐÅÌÄÚµçÈÝÆ÷

¼ì²âÓ¡Ë¢µç·°å

¼ì²âÍÐÅÌÄÚµçÈÝÆ÷ ¼ì²âÓ¡Ë¢µç·°å

¶©¹ºÖ¸ÄÏ

ÖÖÀà ÐÎ×´ ¼ì²â¾àÀë ÐͺŠÊä³ö Êä³ö¹¤×÷
Á¬
½Ó
Æ÷
ÐÍ
¶¥¶Ë¼ì²â ¶¥¶Ë¼ì²â 2.5¡«8mm
(ÖÐÐÄ£º5mm)
PM2-LH10 NPN¿ªÂ·¼¯µç¼«¾§Ìå¹Ü Èë¹âʱON
PM2-LH10B ·ÇÈë¹âʱON
ÕýÃæ¼ì²â ÕýÃæ¼ì²â PM2-LF10 Èë¹âʱON
PM2-LF10B ·ÇÈë¹âʱON
LÐÍ
(¶¥¶Ë¼ì²â)
LÐÍ(¶¥¶Ë¼ì²â) PM2-LL10 Èë¹âʱON
PM2-LL10B ·ÇÈë¹âʱON
µç
ÀÂ
ÐÍ
¶¥¶Ë¼ì²â ¶¥¶Ë¼ì²â PM2-LH10-C1 Èë¹âʱON
PM2-LH10B-C1 ·ÇÈë¹âʱON
ÕýÃæ¼ì²â ÕýÃæ¼ì²â PM2-LF10-C1 Èë¹âʱON
PM2-LF10B-C1 ·ÇÈë¹âʱON
LÐÍ
(¶¥¶Ë¼ì²â)
L ÐÍ(¶¥¶Ë¼ì²â) PM2-LL10-C1 Èë¹âʱON
PM2-LL10B-C1 ·ÇÈë¹âʱON

Åä¼þ(ÁíÊÛ)

Æ·¡¡Ãû ÐÍ¡¡ºÅ ˵¡¡Ã÷
Á¬½ÓÆ÷ CN-13 ²åÈëʽÁ¬½ÓÆ÷
´øµçÀÂÁ¬½ÓÆ÷ CN-13-C1 0.2mm2 3оÏðÆ¤µçÀ£¬³¤1m
CN-13-C3 0.2mm2 3оÏðÆ¤µçÀ£¬³¤3m
Á¬½ÓÆ÷¡¤CN-13
Á¬½ÓÆ÷¡¤CN-13
Á¬½ÓÆ÷¡¤CN-13-C1 ¡¤CN-13-C3
Á¬½ÓÆ÷¡¤CN-13-C1 ¡¤CN-13-C3

¼¼ÊõÐÅÏ¢£º
¹æ¸ñ

ÖÖÀà Á¬½ÓÆ÷ÐÍ µçÀÂÐÍ
¶¥¶Ë¼ì²â ÕýÃæ¼ì²â LÐÍ(¶¥¶Ë¼ì²â) ¶¥¶Ë¼ì²â ÕýÃæ¼ì²â LÐÍ(¶¥¶Ë¼ì²â)
ÐͺŠÈë¹âʱON PM2-LH10 PM2-LF10 PM2-LL10 PM2-LH10-C1 PM2-LF10-C1 PM2-LL10-C1
·ÇÈë¹âʱON PM2-LH10B PM2-LF10B PM2-LL10B PM2-LH10B-C1 PM2-LF10B-C1 PM2-LL10B-C1
¼ì²â¾àÀë 2.5¡«8mm(ÖÐÐÄ£º5mm)°×É«ÎÞ¹âÔóÖ½(15¡Á15mm)(×¢1)
×îС¼ì²âÎïÌå ¦Õ 0.05mmÍ­Ïß(É趨¾àÀ룺5mm)
Ó¦²î ʹÓð×É«ÎÞ¹âÔóÖ½(15¡Á15mm)¹¤×÷¾àÀëµÄ20%ÒÔÏÂ
ÖØ¸´¾«¶È
(´¹Ö±ÓÚ¼ì²âÖá)
0.08mmÒÔÏÂ(×¢2)
µçÔ´µçѹ 5¡«24V DC¡À10% Âö¶¯P-P5%ÒÔÏÂ
ÏûºÄµçÁ÷ ƽ¾ù£º25mAÒÔÏ£¬·åÖµ£º80mAÒÔÏÂ
Êä³ö NP N¿ªÂ·¼¯µç¼«¾§Ìå¹Ü
¡¤×î´óÁ÷ÈëµçÁ÷£º100mA
¡¤Íâ¼Óµçѹ£º30V DCÒÔÏÂ(Êä³öºÍ0VÖ®¼ä)
¡¤Ê£Óàµçѹ£º1VÒÔÏÂ(Á÷ÈëµçÁ÷Ϊ100mAʱ)
0.4VÒÔÏÂ(Á÷ÈëµçÁ÷Ϊ16mAʱ)
¶Ì·±£»¤ ×°¡¡±¸
·´Ó¦Ê±¼ä 0.8msÒÔÏÂ
¹¤×÷״ָ̬ʾµÆ ºìÉ«LED(Êä³öONʱÁÁÆð)
»·¾³ÐÔÄÜ ÖÜΧÎÂ¶È £­10¡«£«55¡ãC(×¢Òâ²»¿É½á¶¡¢½á±ù)£¬´æ´¢£º£­25¡«£«80¡ãC
ÖÜΧʪ¶È 45¡«85%RH£¬´æ´¢£º45¡«85%RH
ÖÜΧÕÕÃ÷¶È °×³ãµÆ£ºÊܹâÃæÕÕÃ÷¶È 3,500x
ÄÍÕñ¶¯ ƵÂÊ£º10¡«55Hz£¬Ë«Õñ·ù£º1.5mm£¬X£¬YºÍZ¸÷·½Ïò2Сʱ
Äͳå»÷ ¼ÓËÙ¶È£º500m/s2(Ô¼50G)X£¬YºÍZ¸÷·½Ïò3´Î
Ͷ¹â¶þ¼«Ìå ºìÍâÏßLED(µ÷ÖÆÊ½)
Ͷ¹â²¨·å²¨³¤ 880¦Ìm
²ÄÖÊ Íâ¿Ç£º¾Û̼Ëáõ¥£¬¶Ë×Ó²¿·Ö£ºHSM(¶ÆÒø) Íâ¿Ç£º¾Û̼Ëáõ¥£¬¹Ì¶¨µçÀ²¿·Ö£ºPBT
µçÀ ¡ª¡ª¡ª¡ª 0.2mm23оÏðÆ¤µçÀ£¬³¤1m(×¢3)
µçÀÂÑÓ³¤ 0.3mm2ÒÔÉϵĵçÀÂÈ«³¤¿ÉÑÓ³¤ÖÁ2m¡£
µçÀÂÈôÑÓ³¤ÖÁ2mÒÔÉÏ£¬10¦ÌFµÄµçÈÝÆ÷±ØÐëÁ¬½ÓÔÚ0VºÍ£«V¶Ë×ÓÖ®¼ä¡£
¡ª¡ª¡ª¡ª
ÖØÁ¿ Ô¼4.5g Ô¼4g Ô¼25g
×¢£º
1)°×É«ÎÞ¹âÔóÖ½µÄ¼ì²â¾àÀë¾Ý²úÆ·µÄ±ä»¯¿ÉÑÓ³¤ÖÁ12.5mm¡£
2)ÖØ¸´¾«¶ÈÊǶÔÉ趨¾àÀë5mmµÄ°×É«ÎÞ¹âÔóÖ½(15¡Á15mm)µÄÖµ¡£
3)µçÀ²»¿ÉÑÓ³¤¡£

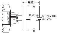
I/Oµç·ͼºÍÏß·ͼ

I/Oµç·ͼ

I/Oµç·ͼ ×¢£º Òò´«¸ÐÆ÷²»×°±¸·´Ïò¼«ÐÔ±£»¤µç·£¬ÇëÈ·±£¶Ë×ÓÕýÈ·Á¬½Ó¡£

·ûºÅ¡­ZD £º µçÓ¿ÎüÊÕÆëÄɶþ¼«¹Ü
·ûºÅ¡­Tr £º NPNÊä³ö¾§Ìå¹Ü

Ïß·ͼ

Ïß·ͼ

¼ì²âÌØÐÔͼ(µäÐÍ)

¼ì²âÁìÓòÌØÐÔ

ˮƽ(×óºÍÓÒ)·½Ïò

ˮƽ(×óºÍÓÒ)·½Ïò ´«¸ÐÆ÷¿ÉÌù½ü°²×°¡£µ«ÊÇ£¬Èç¹û´«¸ÐÆ÷Çãб¿ÉÄܲúÉú¸ÉÈÅ¡£Ê¹ÓÃǰÇëÊ×ÏÈÈ·¶¨ÊÇ·ñ´æÔÚ¸ÉÈÅ¡£
ˮƽ·½Ïò

´¹Ö±(ÉϺÍÏÂ)·½Ïò

´¹Ö±(ÉϺÍÏÂ)·½Ïò ´«¸ÐÆ÷¿ÉÌù½ü°²×°¡£µ«ÊÇ£¬Èç¹û´«¸ÐÆ÷Çãб¿ÉÄܲúÉú¸ÉÈÅ¡£Ê¹ÓÃǰÇëÊ×ÏÈÈ·¶¨ÊÇ·ñ´æÔÚ¸ÉÈÅ¡£
´¹Ö±·½Ïò

ÁÁ¶ÈºÍ¼ì²â¾àÀëÖ®¼äµÄÏ໥¹ØÏµ

ÁÁ¶ÈºÍ¼ì²â¾àÀëÖ®¼äµÄÏ໥¹ØÏµ ÔÚ×óͼÖУ¬¼ì²âÇøÓòÓÉбÏß±íʾ¡£ÓÉÓÚ²úÆ·´æÔÚϸ΢²î±ð£¬ÁéÃô¶ÈµÄÉ趨ҪÓÐ×ã¹»µÄÓàÁ¿¡£







£¨×ó±ßËùʾµÄÁÁ¶ÈÓëʵÎïÇé¿öÓÐϸ΢²îÒ죩
 

²ÄÖÊ(15¡Á15mm)ºÍ¼ì²â¾àÀëÖ®¼äµÄÏ໥¹ØÏµ

²ÄÖÊ(15¡Á15mm)ºÍ¼ì²â¾àÀëÖ®¼äµÄÏ໥¹ØÏµ ͼÖеÄÖùÐÎͼ±íʾ²»Í¬²ÄÖʵļì²â¾àÀë¡£µ«ÊǸù¾Ý²úÆ·²»Í¬¼ì²â¾àÀë»áÂÔÓб仯¡£¶øÇÒ£¬Èô¼ì²âÎïÌåµÄ±³¾°Óз´ÉäÎï(Èç´«ËÍ´øµÈ)£¬Õ⽫»áÓ°Ïì¼ì²â¡£Ç뽫Ëü·Åµ½×óͼËùʾ¼ì²â¾àÀë
Á½±¶ÒÔÉÏλÖá£
 

ʹÓÃÖ¸ÄÏ

ËùÓÐÐͺÅ

¸Ã²úƷΪÎïÌå¼ì²â´«¸ÐÆ÷£¬²»¾ßÓб£»¤ÉúÃü¡¢²Æ²úµÄ¹¦ÄÜ£¬Îª·Àֹʹʡ¢È·±£°²È«£¬Çë½÷É÷ʹÓá£

°²×°

¡¤ ÓÃÂÝË¿¹Ì¶¨´«¸ÐÆ÷ʱ£¬ÇëʹÓÃM3ÂÝË¿£¬½ô¹ÌŤ¾ØÓ¦Îª0.49N¡¤mÒÔÄÚ¡£ÁíÍ⣬ʹÓÃСÐÍÔ²ÐÎÆ½µæÈ¦¡£(¦Õ 6mm)
°²×°

½ÓÏß

¡¤ Òò´«¸ÐÆ÷²»×°±¸·´Ïò¼«ÐÔ±£»¤µç·£¬ÇëÈ·±£¶Ë×ÓÁ¬½ÓÕýÈ·¡£
¡¤ Èô´«¸ÐÆ÷ÔÚàÐÔӵĻ·¾³ÖÐʹÓã¬Çë¼ì²âÔëÒôµÄ·¶Î§¡£ÁíÍ⣬Èç¹û´«¸ÐÆ÷¸½½üÓвúÉú´óÁ¿µçÓ¿µÄÉ豸£¬ÀýÈç·¢¶¯»ú£¬ÂÝÏ߹ܻòµç´Å·§£¬ÇëÔÚÉ豸ÉÏÁ¬½ÓÒ»µçÓ¿ÎüÊÕÆ÷¡£

ÉèÖÃ

¡¤ ×î¼ÑÉ趨¾àÀë(ÖÁÖÐÐĵľàÀë)ÊÇ5mm¡£x ´«¸ÐÆ÷²»ÊÜ30mmÒÔÍâµÄ¹âÔó±³¾°µÄÓ°Ïì(Õý¶Ôʱ)¡£
ÉèÖà (µ«ÊÇ£¬¹âÔó±³¾°ÎïÌåÓ¦±íÃæÆ½Õû£¬ÇÒÕý¶Ô´«¸ÐÆ÷¡£Çò×´»òÍäÇú±³¾°¿ÉÄܱ»¼ì²âµ½¡£)

ÆäËû

¡¤ µçÔ´½ÓͨºóµÄ¶Ìʱ¼ä(50ms)ÄÚ£¬ÇëÎðʹÓá£
¡¤ ÇëÎ𽫴«¸ÐÆ÷ÓëË®¡¢ÓÍ¡¢ÓÍÖ¬»òÓлúÈÜÒº£¬ÈçÏ¡ÊÍÒºµÈÖ±½Ó½Ó´¥¡£

Á¬½ÓÆ÷ÐÍ

²åÉÏÓë°ÎÈ¥Á¬½ÓÆ÷×¢ÒâÊÂÏî

¡¤ ²»Òª²åÉÏ»ò°ÎÈ¥Á¬½ÓÆ÷10´ÎÒÔÉÏ¡£
¡¤ ÇÐÎðÔÚÁ¬½ÓÆ÷ºÍ´«¸ÐÆ÷¶Ë×ÓÊ©¼Ó5NÒÔÉϵÄѹÁ¦¡£Èç¹û²»°´ÕÕÉÏÊö×¢ÒâÊÂÏ×÷»áµ¼Ö½Ӵ¥²»Á¼¡£
²åÉÏÓë°ÎÈ¥Á¬½ÓÆ÷µÄ²½Öè
¢Ù ½«Á¬½ÓÆ÷Ö±½Ó²åÈë´«¸ÐÆ÷Ö±µ½Á¬½ÓÆ÷½ÓÏ߯¬±»´«¸ÐÆ÷¹Ò¹³Ëø×¡¡£ ¢Ú µ±°Î³öʱ£¬È·±£Ê©¼Ó×ã¹»µÄÁ¦Ê¹Á¬½ÓÆ÷½ÓÏ߯¬¿ÉÒÔ´Ó¹Ò¹³ËÉ¿ª¡£È»ºó½«Æä°ÎÏ¡£ ×¢ÒâÊÂÏ È·±£²åÉÏÓë°ÎÈ¥Á¬½ÓÆ÷ʱÎÕסÁ¬½ÓÆ÷¡£²åÉÏÓë°ÎÈ¥Á¬½ÓÆ÷֮ǰÇëÎðÎÕס¶Ë×Ó»òµçÀ¡£·ñÔò»áÔì³É½Ó´¥²»Á¼¡£
²åÉÏÓë°ÎÈ¥Á¬½ÓÆ÷µÄ²½Öè1 ²åÉÏÓë°ÎÈ¥Á¬½ÓÆ÷µÄ²½Öè2 ×¢ÒâÊÂÏî

º¸½Ó(Á¬½ÓÆ÷CN-13ºÍ´«¸ÐÆ÷)

¡¤ ÔÚÏÂÁÐÌõ¼þϺ¸½Ó¶Ë×Ó¡£
º¸½ÓÎÂ¶È 260¡ãCÒÔÏÂ
º¸½Óʱ¼ä 10ÃëÒÔÏÂ
º¸½ÓλÖà ²Î¼ûÓÒͼ
º¸½Ó(Á¬½ÓÆ÷CN-13ºÍ´«¸ÐÆ÷)

½ÓÏß

¡¤ 0.3mm2ÒÔÉϵçÀ±ØÐ볤2mÒÔÏ£¬ÈôµçÀÂÑÓ³¤ÖÁ2mÒÔÉÏ£¬ÇëÔÚ£«VºÍ0V¶Ë×ÓÖ®¼ä£¬Á¬½ÓÒ»¸ö10¦ÌFµÄµçÈÝÆ÷¡£ ½ÓÏß

³ß´ç(µ¥Î»£ºmm)

PM2-LH10 / PM2-LH10B ´«¸ÐÆ÷

PM2-LF10 / PM2-LF10B ´«¸ÐÆ÷

PM2-LH10 / PM2-LH10B ´«¸ÐÆ÷ PM2-LF10 / PM2-LF10B ´«¸ÐÆ÷

PM2-LL10 / PM2-LL10B ´«¸ÐÆ÷

 
PM2-LL10 / PM2-LL10B ´«¸ÐÆ÷ ¡ù ¶Ë×Ó²¿·Ö(Á¬½ÓÆ÷ÐÍ)

PM2-LH10-C1 / PM2-LH10B-C1 ´«¸ÐÆ÷

CN-13 Á¬½ÓÆ÷(ÁíÊÛ)

PM2-LH10-C1 / PM2-LH10B-C1 ´«¸ÐÆ÷ CN-13 Á¬½ÓÆ÷(ÁíÊÛ)

PM2-LF10-C1 / PM2-LF10B-C1 ´«¸ÐÆ÷

PM2-LF10-C1 / PM2-LF10B-C1 ´«¸ÐÆ÷  

PM2-LL10-C1 / PM2-LL10B-C1 ´«¸ÐÆ÷

PM2-LL10-C1 / PM2-LL10B-C1 ´«¸ÐÆ÷  
 


¹«Ë¾¼ò½é
²úƷĿ¼
¹©Ó¦ÐÅÏ¢

¹«Ë¾Ãû³Æ£º ÉîÛÚÊÐÉ­ÁÖÉ­»úµçÉ豸ÓÐÏÞ¹«Ë¾
µç »°£º 0755 83994350 / ºÎÔ¾Ãñ
ÊÖ»ú£º
µØ Ö·£º ÉîÛÚÊÐÂÞºþÇø±¦°²ÄÏ·±±¾©´óÏÃ1002ÊÒ
ÓÊ ±à£º 518013
Ö÷ Ò³£º www.senlinsen.com

¸Ã³§ÉÌÏà¹Ø²úÆ·£º
  • FP-X¿É±à³Ì¿ØÖÆÆ÷
  •  
  • ËÉÏÂFP2¿É±à³Ì¿ØÖÆÆ÷
  •  
  • ¿É±à³Ì¿ØÖÆÆ÷ FP-X
  •  
  • ËÉÏÂFP0ϵÁпɱà³Ì¿ØÖÆÆ÷
  •  
  • ËÉÏÂFP¦²ÏµÁпɱà³Ì¿ØÖÆÆ÷
  •  
  • ËÉÏÂFP-e¿É±à³Ì¿ØÖÆÆ÷
  •  
  • ¿É±à³Ì¿ØÖÆÆ÷FP0ϵÁÐ
  •  
  • ËÉÏÂGT01¿É±à³ÌÖÇÄܲÙ×÷Ãæ°å
  •  
  • TH8DC¼ÆÊ±Æ÷
  •  
  • KW4M»·±£Ð͹¦Âʱí
  •  
    ¸ü¶à²úÆ·...
      ¹ØÓÚÎÒÃÇ | ÁªÏµÎÒÃÇ | ¹ã¸æ·þÎñ | ±¾Õ¾¶¯Ì¬ | ÓÑÇéÁ´½Ó | ·¨ÂÉÉùÃ÷ | ·Ç·¨ºÍ²»Á¼ÐÅÏ¢¾Ù±¨  
    ¹¤¿ØÍø¿Í·þÈÈÏߣº0755-86369299
    °æÈ¨ËùÓÐ ¹¤¿ØÍø Copyright@ Gkong.com, All Rights Reserved