|
|
|
²úÆ·Ãû³Æ£º
|
ÉñÊÓSF2BϵÁйâÄ»´«¸ÐÆ÷
|
|
ÐÍ ºÅ£º
|
SF2BϵÁÐ
|
|
¼Û ¸ñ£º
|
0.00
|
|
Æ· ÅÆ£º
|
ÉñÊÓ
|
|
|
|
¹âÄ»´«¸ÐÆ÷[Type2]
SF2BϵÁÐ
ÌØµã£º×¿Ô½µÄ»ù±¾ÐÔÄÜ¡¢ºÏÀíµÄ¼Û¸ñ£¬ ¸ü·ûºÏ¹ú¼Ê±ê×¼µÄ°²È«¶Ô²ß¡£
²úÆ·ÌØµã£º
ͨ¹ýÊʵ±µÄ³É±¾ÊµÏÖ¹ú¼Ê»ù×¼µÄ°²È«Éè¼Æ¡ ÇøÓò´«¸ÐÆ÷ʱ´ú¿çÈë¹âÄ»´«¸ÐÆ÷ʱ´ú
 |
SUNXÌáÒéʹÓÃÓ¦¶Ô·çÏյȼ¶µÄ×î¼ÑÉ豸£¬Í¬Ê±¿¼Âǰ²È«Éè¼ÆºÍ³É±¾Æ½ºâÁ½·½Ãæ¡£ ¹ú¼Ê»ù×¼µÄ°²È«Éè¼Æ Êʵ±µÄ³É±¾ |
Ó¦¶Ô·çÏյȼ¶µÄ°²È«½â¾ö·½°¸¡ª¡ªÀàÐÍ2&ÀàÐÍ4¶ÔÓÚ²»»á²úÉúÖØÉ˼°ËÀÍöʹÊΣÏÕµÄÉ豸À´Ëµ£¬¹ú¼Ê»ù×¼µÄ°²È«Éè¼Æ¾ÍûÓбØÒªÁËÂð£¿ÁíÍ⣬¶Ô»á²úÉúÖØÉ˼°ËÀÍöʹÊΣÏÕµÄÉ豸ºÍ½ö½ö»á²úÉú²ÁÉËΣÏÕµÄÉ豸À´Ëµ£¬ËùÐèÒªµÄ°²È«Éè¼ÆÒ»ÑùÂ𣿠¹ú¼Ê»ù×¼ÖÐʵʩ·çÏÕÆÀ¹ÀµÄ»ù´¡ÉÏ£¬È϶¨É豸µÄΣÏÕÔ´£¬²¢Ö´ÐÐÊÊÓ¦·çÏÕ´óСµÄ°²È«Éè¼Æ£¬Á¦Ç󽫷çÏÕ½µÖÁ×îµÍ¡£ SUNXΪÁ˹¹ÔìÓ¦¶Ô·çÏյȼ¶µÄ°²È«Éè¼Æ£¬Ìá³ö»ùÓÚ¹ú¼Ê°²È«¹æ¸ñµÄ¡°ÀàÐÍ2¡±ºÍ¡°ÀàÐÍ4¡±2ÖÖ¹âÄ»´«¸ÐÆ÷¡£
È«Çò±¸Æë°²È«Ïà¹Ø·¨¹æÐèÒªÓ¦¶Ô·çÏյȼ¶µÄ°²È«Éè¼Æ¡£
| ¹¤×÷»·¾³Öеġ°°²È«¡±ÊÇָÿ¸öÈËÔÚ¹¤×÷ÖÐËùÐèÒªµÄ»·¾³ÒÔ¼°³§É̺ÍÉ豸¶ÔÓÚÕâЩÈËÔ±µÄ°²È«±£ÕÏ¡£·çÏÕÆÀ¹ÀÊǰ²È«Éè¼ÆÊµÊ©µÄ±ØÒª²¿·Ö¡£·çÏÕÆÀ¹À½«×ñÑÖîÈç¡°ÈËΪʧÎó¡±£¬¡°É豸¹ÊÕÏ¡±µÈµÄ¹ú¼Ê±ê×¼×¼Ôò¡£¡°·çÏÕÆÀ¹À¡±ÊÇÆÀ¶¨·çÏÕºÍÕë¶Ô·çÏյȼ¶²ÉÈ¡ÏàÓ¦°²È«´ëÊ©µÄ²½Öè¡£¶ÔÓÚ°²È«Éè¼ÆÆäÆðµãÊÇÐèÒª¿¼ÂÇËùÓеķçÏÕ£¬È»ºó°´ÕÕ·çÏÕÓÅÏÈ˳Ðò£¬Õë¶ÔÕâЩ·çÏÕ¶ø²ÉÈ¡ÏàÓ¦µÄ´ëÊ©¡£ |
°²È«Éè¼ÆÏà¹ØµÄ·¨¹æÔÚÈ«ÊÀ½çÄÚÕýÔÚ·¢Õ¹ °²È«Éè¼ÆË¼Ïë°üÀ¨ÔÚ»ùÓÚÈ«ÊÀ½çÕýÔÚʹÓõÄISO/IECÉϵÄÒµ½ç¹æ¸ñÄÚ¡£

|
¸ù¾Ý·çÏÕÆÀ¹À×÷³öµÄ·çÏÕÕï¶ÏÒÔ¹âÄ»´«¸ÐÆ÷ΪÊ׵ݲȫ¿ØÖÆÏµÍ³Í¨¹ý»ùÓÚISO 13849-1(JIS B9705-1)µÄ·çÏÕÕï¶Ï½øÐÐÑ¡Ôñ£¬ÈçÏÂËùʾ¡£ 
СÐÍ¡¤³¤¾àÀëËÀ½ÇΪ¡°Á㡱¡£²»½öÊʺϹú¼Ê°²È«¹æ¸ñ£¬¶øÇÒʵÏÖÁËÓÅÁ¼µÄ»ù±¾ÐÔÄÜ¡£ÊʺϹú¼Ê°²È«¹æ¸ñIEC 61496(ÀàÐÍ2)´ÓÌù½ü¡¤Ê¡¿Õ¼ä°²×°µÄСÐÍ»úе£¬µ½³¤¾àÀ롤¿íÇøÓòµÄ´óÐÍÉ豸£¬ÄܶÔÓ¦¸÷ÖÖÓ¦ÓÃÈí¼þ£¬ÊµÏÖʹÓ÷½±ãµÄÓÅÁ¼ÐÔÄÜ¡£SF2BϵÁÐÄܰïÄãÇáËɵÄʵÏÖ°²È«¶Ô²ß£¬²¢ÇÒ°ïÄãÔÚÉí±ß´´Ô찲ȫ»·¾³¡£

ËÀ½ÇΪ¡°Á㡱<ÐÂÌá°¸>
±¾Ì峤¶È£½±£»¤¸ß¶È£¬Òò´Ë¿É¸ßЧ°²×°¡£ ʵÏÖÎÞËÀ½ÇµÄ¼ì²âÇøÓò¡£´®ÁªÁ¬½Óʱ£¬¹âÄ»´«¸ÐÆ÷Ö®¼äµÄ½Ó·ì´¦£¬²»»áÒòËÀ½Ç¶ø²úÉúΣÏյĿª¿Ú²¿¡£¿ÉʵÏÖ¸ü¼òµ¥ÇÒ½ô´ÕµÄ×°Öá£

¸ù¾ÝÐèÒª¿É×÷²»Í¬µÄµ÷½Ú
±¸Óб£»¤¸ß¶È168mm¡«1,912mmµÄ·á¸»µÄµ÷½Ú·¶Î§¡£ ¸ù¾Ý×îС¼ì²âÎïÌåµÄ´óС²»Í¬£¬±¸ÓÐ2ÖÖÀàÐÍ£¬²¢ÇÒͨ¹ýÔÚ¹âÄ»´«¸ÐÆ÷ÉÏÁ¬½Ó´®ÁªÁ¬½ÓרÓø¨Öú´«¸ÐÆ÷(ÁíÊÛ)£¬×î¶à¿É´®ÁªÁ¬½Ó3Ì×(ºÏ¼Æ¹âÖáÊý×î¶à128¸ù¡£µ«ÊÇSF2B-A¡õ´®ÁªÁ¬½Ó2Ì×ʱÊÇ96¹âÖᣬ´® ÁªÁ¬½Ó3Ì×ʱÊÇ64¹âÖá)¡£ |
Arm/FootÐÍ SF2B-A¡õ ×îС¼ì²âÎïÌå¦Õ47mm (¹âÖá¼ä¾à40mm) |
HandÐÍ SF2B-H¡õ ×îС¼ì²âÎïÌå¦Õ27mm (¹âÖá¼ä¾à20mm)
|
 |
 | |
¹âÄ»´«¸ÐÆ÷ÉÏÁ¬½Ó´®ÁªÁ¬½ÓרÓø¨Öú´«¸ÐÆ÷ʱ¿É´®ÁªÁ¬½Ó¡£
¡¤ ¹âÄ»´«¸ÐÆ÷ºÍ´®ÁªÁ¬½ÓרÓø¨Öú´«¸ÐÆ÷(ÁíÊÛ)ÊDz»Í¬Ðͺ𣴮ÁªÁ¬½Óʱ£¬ÇëÎñ±ØÊ¹ÓÃÁíÊ۵Ĵ®ÁªÁ¬½ÓרÓø¨Öú´«¸ÐÆ÷ºÍ´®ÁªÁ¬½ÓÓõçÀ¡£ ¡¤ SF2B-H8-¡õºÍSF2B-A4-¡õ£¬²»¿ÉÖ±½ÓÁ¬½Ó¡£ÏêÇéÇë²ÎÔÄ¡°Ê¹ÓÃÖ¸ÄÏ¡±(PDF P.72¡«)µÄʹÓÃ˵Ã÷¡£
 |
HandÐͺÍArm/FootÐÍÒ²¿É»ìÔÚÒ»Æð¡£
 |
ÍâÂҹ⡤Ï໥¸ÉÈÅ£¬»¹ÓÐÑÌÎí¡ ¼´Ê¹ÔÚ¶ñÁÓ»·¾³ÏÂÒ²ÄÜ·¢»Ó·Ç³£¿É¿¿µÄÐÔÄÜ¡£
 |

¼õÉÙ½Ó·ìµÄÎÞ·ì¹¹Ôì·ÀÖ¹ÓÍÎí¼°»Ò³¾½øÈë ÓÃͲ״µÄÄںб£»¤ÄÚ²¿×é¼þ¡£¾¡¿ÉÄÜÏû³ýÁËÓÍÎí¼°»Ò³¾µÈµÄ½øÈë¿Ú¡¢×é¼þ¼°Í¸¾µÃæµÈµÄ·ì϶(½Ó·ì)¡£ [±£»¤¹¹ÔìÊÇIP65(IEC)¡£] |
±£»¤¹âÄ»´«¸ÐÆ÷²¢·ÀÖ¹¹ÊÕÏ
±£»¤¼ì²âÃæµÄÇ°Ãæ±£»¤ÕÖ ¼´Ê¹½«¹âÄ»´«¸ÐÆ÷ÉèÖÃÔÚÓÍ×Õ¼°º¸½Ó·É½¦µÈ¶ñÁÓ»·¾³ÖÐÒ²¿É±£»¤¼ì²âÃæ¡£(ÁíÊÛ)
 |
¹ú¼Ê°²È«¹æ¸ñµÄ¸ÉÈÅ¶Ô²ß ËõС¹â⣬¼õÉÙ¸ÉÈÅ ¹ú¼Ê°²È«¹æ¸ñIEC 61496-2ÖÐÖ¸³öΪÁËÌá¸ß¹âÄ»´«¸ÐÆ÷µÄÄ͸ÉÈÅÐÔÄÜ£¬Èç¹û¹âµÄ¿ª¿Ú½ÇʹÓÃÀàÐÍ2£¬¹æ¶¨½Ç¶ÈËõСΪ¡À5¡ã(L£¾3m)ÒÔÏ¡£
 |
¼Ì³ÐÁËÔÚÒÔǰµÄ¹âÄ»´«¸ÐÆ÷µÄʵ¼ÊÒµ¼¨ÉÏ֤ʵÁ˵ÄÏȽøµÄ¡ù ELCA»úÄÜ¡£ÒÖÖÆÏ໥¸ÉÈÅ¡¤ÍâÂÒ¹âµÄÓ°Ïì¡£¡ù Extraneous Light Check & Avoid
ûÓзÀ¸ÉÈÅÏߣ¬¼õÉÙÏ໥¸ÉÈÅ ×Ô¶¯×ª»»¹âÄ»´«¸ÐÆ÷µÄɨÃèͬ²½×°Ö㬼õÉÙÏ໥¸ÉÈÅ¡£
 |
¼õÉÙÍâÂÒ¹âÒýÆðµÄÎó¶¯×÷ »ùÓÚ˫ɨÃ跽ʽ¡¢ÖØÊÔ´¦ÀíµÈSUNX¶ÀÓеÄй¦ÄÜ£¬¼õÉÙÀ´×ÔÖܱßÉ豸µÄ˲¼äÍâÂÒ¹âÓ°Ïì¡£
 |
´ÓÆô¶¯µ½±£»¤¡¤Î¬»¤×·Çó±ãÀûÐÔ¡£
Ò»ÑÛ¼´¿ÉÈ·ÈÏÈë¹âλÖõĹâÖá¶ÔÆëָʾµÆ ¹âÖá¶ÔÆëָʾµÆ½«¹âÄ»´«¸ÐÆ÷µÄ¹âÖá·Ö³É4µÈ·ÝÏÔʾ¡£×÷Ϊ¹âÖá¶ÔÆëµÄ»ù×¼µÄ×î϶Ë(»ò£¬×îÉ϶Ë)µÄ¹âÖá¶ÔÆëʱ£¬LED³ÊºìÉ«ÉÁ˸¡£È»ºó£¬¹âÖá¶ÔÆëµÄ²¿·ÖÒÀ´ÎÁÁºìµÆ£¬Èç¹ûËùÓйâÖáÈë¹âÔòËùÓÐLEDÁÁÂ̵ơ£¶øÇÒÈç¹ûÈë¹âÁ¿Ê®·Ö³ä×㣬ÔÙ¼ÓÉÏÁÁÆðµÄÎȶ¨Èë¹âָʾµÆ(STB.)£¬¿É¸üÎȶ¨µØ½øÐÐÉèÖá£
 |
ÔÚÉ豸½ÓÈëµçԴǰ¿Éµ÷Õû¹âÖá ¹âÖáµ÷ÕûÆ÷SF-LAT-2B(ÁíÊÛ)²ÉÓÃÒ×¼ûµÄ¼¤¹â¹âµã¹âÖá¿É¿ìËÙ½øÐйâÖáµ÷Õû¡£ÒòΪÕâÊÇÓÃ¸Éµç³Ø¹¤×÷µÄ£¬ËùÒÔ¿ÉÒÔÔÚ¹âÄ»´«¸ÐÆ÷½ÓÈëµçԴǰ½øÐе÷Õû¡£
 |
×¼±¸¾É¹âÄ»´«¸ÐÆ÷µÄ»¥»»µçÀºͻ¥»»°²×°Ö§¼Ü´ÓÏÖÔÚʹÓÃÖеĹâÄ»´«¸ÐÆ÷SF2-AϵÁУ¬SF2-NϵÁм°ÇøÓò´«¸ÐÆ÷NA40ϵÁУ¬SF1-NϵÁнøÐе÷»»Ê±£¬×¼±¸ÁËÄܼòµ¥½»»»½ÓÏߵĻ¥»»µçÀ¼°»¥»»°²×°Ö§¼Ü(×¢1)¡£°²×°¿×¼°¿ØÖƵç·²àµÄÆ¥ÅäµçÀ¿ÉÒÔ¼ÌÐøÊ¹Óá£ÓÉÓÚÎÞÐè¾É²úÆ·µÄάÐÞÁã¼þ£¬¿É½«×¢²áºÅÂëÈ«²¿Í³Ò»ÎªSF2BϵÁС£ ×¢£º1)¹ØÓÚÓëÆäËûµÄ¹âÄ»´«¸ÐÆ÷¡¤ÇøÓò´«¸ÐÆ÷µÄµ÷»»£¬¼ÇÔØÓÚÁíÍâ×ÊÁÏ¡£ÇëÓëÎÒÃÇÁªÏµ¡£
|
Ò»ÑÛ¼´¿ÉÈ·ÈÏ´íÎóÄÚÈÝ£¡×°±¸Êý×Ö´íÎóָʾµÆÊ±³£¼ì¹âÄ»´«¸ÐÆ÷µÄµçÀÂÎó½ÓÏß¡¤¶ÏÏß¡¤¶Ì·¼°ÄÚ²¿µç·Òì³£ºÍÒì³£Èë¹âµÈ¡£ÍòÒ»·¢ÉúÎÊÌâʱ£¬Ò²ÄÜͨ¹ýÊý×Öָʾ¸æÖª´íÎóÄÚÈÝ¡£ÎÞÐèÏñÒÔǰÄÇÑù·Ñʱ¼äÈ¥ÊýLEDµÄÉÁ˸´ÎÊý£¬Ò»ÑÛ¼´¿ÉÈ·ÈÏ´íÎóÄÚÈÝ£¬Èç¹ûÉ豸Æô¶¯Ê±·¢ÉúÎÊÌâºÍ½øÐÐά»¤£¬Í¨¹ýµç»°µÈ¼´¿É˳Àû½øÐм¼ÊõÖ§³Ö¡£ |
<±ãÀûÐÔ> ¸ù¾Ý´«´ï´íÎóºÅÂë ͨ¹ýµç»°Ë³Àû½øÐм¼ÊõÖ§³Ö |
 |
 | |
¡¤ ͨ¹ýÈËÌå±£»¤ÓÃ;´ÓÇøÓò´«¸ÐÆ÷½øÐе÷»»Ê±£¬ÎªÁËʹÉè¼Æ·ûºÏ¹ú¼Ê°²È«¹æ¸ñ£¬±ØÐëʵʩÉ豸µÄ·çÏÕÆÀ¹À£¬½áºÏ¹âÄ»´«¸ÐÆ÷µÄÀàÐÍÖÆ¶¨³ö¿ØÖƵ緵ݲȫÉè¼Æ¡£ ¡¤ ½«SF2BϵÁкÍÇøÓò´«¸ÐÆ÷µ÷»»Ê±£¬Í¶¹âÆ÷ºÍÊܹâÆ÷Ö®¼ä¾Í»áÓë¹âͬ²½£¬Òò´Ë¼ì²â¾àÀëËõ¶Ìµ½0.2¡«5m£¬ÁíÍ⣬ELCA¹¦ÄÜÎÞЧ¡£
¹ú¼Ê»ù×¼µÄ°²È«Éè¼ÆSF2BϵÁÐÊÇÒÔ·ûºÏ¹ú¼Ê°²È«¹æ¸ñIEC 61496µÄÀàÐÍ2Ϊ׼ÔòµÄ°²È«Éè¼Æ£¬ÇÒ±»µÚÈý·½ÈÏÖ¤»ú¹ØÈÏÖ¤¡£ ¡¤µç·Ò쳣ʱ£¬½«¹âÄ»´«¸ÐÆ÷ÉèÖóÉËø¶¨×´Ì¬£¬¹Ø±ÕOSSD(¿ØÖÆÊä³ö)ºÍ¾¯±¨Êä³ö¡£ ¡¤½øÐÐÊä³öµç·µÄ¼ì²éÇÒÊä³ö¾§Ìå¹Ü¶Ì·ʱҲÉèÖóÉËø¶¨×´Ì¬¡£ ¡¤Í¨¹ý²âÊÔÊäÈëÒýÆðµÄ×ÔÎÒÅжϣ¬½øÐÐË«ÖØÍ¶¹â¡¢Í¶¹âÁ¿µÈµÄÏêϸ²¿·ÖµÄ¼ì²é¡£
 |
¡ùÇøÓò´«¸ÐÆ÷ºÍ¹âÄ»´«¸ÐÆ÷µÄ°²È«Éè¼ÆÉϵÄÇø±ð ÀàÐÍ2¹âÄ»´«¸ÐÆ÷ºÍÇøÓò´«¸ÐÆ÷ÉÏ£¬´«¸ÐÆ÷Ò쳣ʱ£¬ÊÇ·ñ½øÐÐOFF¹¤×÷µÄ¿É¿¿ÐÔ´ó²»Ò»Ñù¡£
 |
Âú×ã¹ú¼Ê»ù×¼µÄ°²È«µç·Éè¼Æ·çÏÕÆÀ¹Àʱ£¬Âú×ãÖÖÀà2µÄϵͳÈçÏÂËùʾ¡£ ¡¾ÖÖÀà2µÄÒªÇóÊÂÏî¡¿¡ñ ʹÓÿɿ¿ÐԸߵÄÁ㲿¼þ ¡ñϵͳÔÚÊʵ±µÄ¼ä¸ôÀï½øÐмì²é
¿ÉÒÔÑ¡ÔñµÄ°²È«µç·¹âÄ»´«¸ÐÆ÷±¾ÌåÉÏÄÚÖÃÍⲿÉ豸µÄ¼à¿Ø¹¦ÄÜ(¼ÌµçÆ÷º¸½Ó¼àÊÓµÈ)¡£¶ÔÓÚδʹÓð²È«¼ÌµçÆ÷×é¼þµÄ¹âÄ»´«¸ÐÆ÷£¬ÓÐÖúÓÚÔÚÆäÖܱßÐγɰ²È«µç·£¬´Ó¶ø½µµÍ²¿¼þ³É±¾¡¢¼õС¿ØÖÆÅÌÌå»ý¡£ÁíÍ⣬ÓÉÓÚʹÓÃÁ¬½ÓÆ÷Á¬½Ó¿ØÖÆ×é¼þ£¬Ò²¿ÉÑ¡Ôñ¼òµ¥¹¹Öþ¡¢¼òµ¥Ê©¹¤°²È«µç·µÄ·½·¨¡£
½«ÊµÏÖ°²È«µç·µÄ¼òµ¥¹¹Ôì-¼òµ¥Ê©¹¤µÄÁ¬½ÓÆ÷Á¬½Ó¿ØÖÆ×é¼þÅÅÔÚÒ»ÌõÖ±ÏßÉϽ«ÊʺϹú¼Ê°²È«¹æ¸ñµÄ¹âÄ»´«¸ÐÆ÷µÄÖܱߵç·¼¯Öе½Ò»Ì¨ÉÏ¡£¼õÉÙ¹¹Öþµç·µÄʱ¼ä¡£ |
SF-C11 |
¡ñµ¥´¥Á¬½Ó
 Óë¹âÄ»´«¸ÐÆ÷µÄ½ÓÏßÊǵ¥´¥Á¬½Ó¡£Ëõ¶ÌÁËÊ©¹¤ºÍ½»»»Ê±¼ä¡£ |
¡ñÎÞÐèÉ趨Ť¾ØµÄ¼òµ¥Ê©¹¤
 ½øÐйâÄ»´«¸ÐÆ÷ÒÔÍâµÄ½ÓÏߵĶË×Ó×ù²ÉÓõ¯´¥Ê½¡£ÎÞÐèÉ趨¶Ë×ӵĽô¹ÌŤ¾Ø¡£ |
¡ñ²ÉÓ÷ÖÀëʽ¶Ë×Ó×ù£¬¼õÉÙά»¤¹¤×÷Á¿
 ²ÉÓ÷ÖÀëʽ¶Ë×Ó×ù¡£Î¬»¤Ê±ÎÞÐèÖØÐ½ÓÏß¡£ |
ϸ³¤Éè¼Æ ʵÏÖÁ˺ñ¶È22.5mm¡£¼´Ê¹ÔÚÅÌÄÚ½öÓеĿռäÀïÒ²Äܰ²×°¡£ |
 |
ÉÌÆ·¹¹³É
¶©¹ºÖ¸ÄÏ
| ÖÖÀà |
ÐÎ×´ |
¼ì²â¾àÀë(×¢1) (ÓÐЧ¾àÀë) |
ÐͺŠ|
¹âÖáÊý |
±£»¤¸ß¶È |
| NPNÊä³öÐÍ |
PNPÊä³öÐÍ |
| HandÐÍ |
×îС ¼ì²â ÎïÌå f27A (20A¼ä¾à) |
 |
0.2¡«13m »¥»»¹âÀ ʹÓÃSF2B-CB05-B ʱ£º0.2¡«5m |
SF2B-H8-N(×¢2) |
SF2B-H8-P(×¢2) |
8 |
168 |
| SF2B-H12-N |
SF2B-H12-P |
12 |
232 |
| SF2B-H16-N |
SF2B-H16-P |
16 |
312 |
| SF2B-H20-N |
SF2B-H20-P |
20 |
392 |
| SF2B-H24-N |
SF2B-H24-P |
24 |
472 |
| SF2B-H28-N |
SF2B-H28-P |
28 |
552 |
| SF2B-H32-N |
SF2B-H32-P |
32 |
632 |
| SF2B-H36-N |
SF2B-H36-P |
36 |
712 |
| SF2B-H40-N |
SF2B-H40-P |
40 |
792 |
| SF2B-H48-N |
SF2B-H48-P |
48 |
952 |
| SF2B-H56-N |
SF2B-H56-P |
56 |
1,112 |
| SF2B-H64-N |
SF2B-H64-P |
64 |
1,272 |
| SF2B-H72-N |
SF2B-H72-P |
72 |
1,432 |
| SF2B-H80-N |
SF2B-H80-P |
80 |
1,592 |
| SF2B-H88-N |
SF2B-H88-P |
88 |
1,752 |
| SF2B-H96-N |
SF2B-H96-P |
96 |
1,912 |
| Arm/FootÐÍ |
×îС ¼ì²â ÎïÌå ¦Õ 47 A( 40 A ¼ä¾à) |
 |
0.2¡«13m »¥»»¹âÀ ʹÓÃSF2B-CB05-B ʱ£º0.2¡«5m |
SF2B-A4-N(×¢2) |
SF2B-A4-P(×¢2) |
4 |
168 |
| SF2B-A6-N |
SF2B-A6-P |
6 |
232 |
| SF2B-A8-N |
SF2B-A8-P |
8 |
312 |
| SF2B-A10-N |
SF2B-A10-P |
10 |
392 |
| SF2B-A12-N |
SF2B-A12-P |
12 |
472 |
| SF2B-A14-N |
SF2B-A14-P |
14 |
552 |
| SF2B-A16-N |
SF2B-A16-P |
16 |
632 |
| SF2B-A18-N |
SF2B-A18-P |
18 |
712 |
| SF2B-A20-N |
SF2B-A20-P |
20 |
792 |
| SF2B-A24-N |
SF2B-A24-P |
24 |
952 |
| SF2B-A28-N |
SF2B-A28-P |
28 |
1,112 |
| SF2B-A32-N |
SF2B-A32-P |
32 |
1,272 |
| SF2B-A36-N |
SF2B-A36-P |
36 |
1,432 |
| SF2B-A40-N |
SF2B-A40-P |
40 |
1,592 |
| SF2B-A44-N |
SF2B-A44-P |
44 |
1,752 |
| SF2B-A48-N |
SF2B-A48-P |
48 |
1,912 | ×¢£º1) ¼ì²â¾àÀëÊÇָͶ¹âÆ÷ºÍÊܹâÆ÷µÄ¿ÉÉ趨·¶Î§¡£¼ì²âµÄÎïÌåµÄ¼ì²âÖµÒ²¿ÉΪ0.2mÒÔÏ¡£
| Æ·Ãû |
ÐÎ×´ |
ÐͺŠ|
˵Ã÷ |
| ±ê×¼°²×°Ö§¼Ü |
 |
MS-SF2B-1 |
ÓÃÓÚ¹âÄ»´«¸ÐÆ÷±³Ãæ¼°²àÃæ°²×° Óõݲװ֧¼Ü¡£ (4¸öͶ¹âÆ÷ºÍÊܹâÆ÷ÓÃ1Ì×) |
| ÎÞËÀ½Ç°²×°Ö§¼Ü |
 |
MS-SF2B-3 |
°²×°Ö§¼Ü²»±ØÒç³ö±£»¤¸ß¶È(¹âÄ» ´«¸ÐÆ÷³¤¶È)£¬¿É°²×°¹âÄ»´«¸ÐÆ÷¡£ (4¸öͶ¹âÆ÷ºÍÊܹâÆ÷ÓÃ1Ì×) |
| »¥»»°²×°Ö§¼Ü |
SF2-A/ SF2-NÓÃ |
±³Ãæ¡¢²àÃæ°²×°Óà |
 |
MS-SF2B-5 |
SF2-A/SF2-NϵÁеĵ÷»»Ê±Ê¹Óᣠ(4¸öͶ¹âÆ÷ºÍÊܹâÆ÷ÓÃ1Ì×) |
SF1-N/ NA40ÓÃ |
±³Ãæ°²×°Óà |
 |
MS-SF2B-4 |
ʹÓô«¸ÐÆ÷°²×°Ö§¼Ü MS-SF1-1/MS-NA40-1µÄSF1-N/ NA40ϵÁеĵ÷»»Ê±Ê¹Óᣠ(4¸öͶ¹âÆ÷ºÍÊܹâÆ÷ÓÃ1Ì×) |
| NA40ÓÃ |
²àÃæ°²×°Óà |
 |
MS-SF2B-6 |
²àÃæ°²×°(Ö±½Ó°²×°)µÄNA40ϵÁÐ µÄµ÷»»Ê±Ê¹Óᣠ(4¸öͶ¹âÆ÷ºÍÊܹâÆ÷ÓÃ1Ì×) |
| SF1-NÓÃ |
²àÃæ°²×°Óà |
 |
MS-SF2B-7 |
²àÃæ°²×°(Ö±½Ó°²×°)µÄSF1-NϵÁÐ µÄµ÷»»Ê±Ê¹Óᣠ(4¸öͶ¹âÆ÷ºÍÊܹâÆ÷ÓÃ1Ì×) |
| MS-SF2B-1 |
MS-SF2B-3 |
MS-SF2B-5 |
 |
 |
 |
| MS-SF2B-6 |
MS-SF2B-7 |
MS-SF2B-4 |
 |
 |
 |
| ÖÖÀà |
ÐÎ×´ |
ÐͺŠ|
˵Ã÷ |
8 о µç À |
3 µ×ñ µçÀ |
É¢ ×° Ïß |
 |
SF2B-CCB3 |
µçÀ³¤3m Ö÷ÌåÖØÁ¿Ô¼370g(2¸ù) |
Á¬½Óµ½¹âÄ»´«¸ÐÆ÷Ö÷Ì壬½ÓÏß»òÁ¬½Óµ½¿ØÖÆ×é¼þSF-C13ʱʹÓá£2¸ùͶ¹âÆ÷ºÍÊܹâÆ÷ÓÃ1Ì×£¬µçÀÂÍâ¾¶£ºf6mm µçÀÂÑÕÉ«£ºÍ¶¹âÆ÷ÓÃÊÇ»ÒÉ«£¬ ÊܹâÆ÷ÓÃÊÇ»ÒÉ«(´øºÚÏß) ×îСÍäÇú°ë¾¶£ºR6mm |
| SF2B-CCB7 |
µçÀ³¤7m Ö÷ÌåÖØÁ¿Ô¼820g(2¸ù) |
| SF2B-CCB10 |
µçÀ³¤10m Ö÷ÌåÖØÁ¿Ô¼1,160g(2¸ù) |
| SF2B-CCB15 |
µçÀ³¤15m Ö÷ÌåÖØÁ¿Ô¼1,720g(2¸ù) |
Á¬ ½Ó Æ÷ |
 |
SF2B-CB05 |
µçÀ³¤0.5m Ö÷ÌåÖØÁ¿Ô¼95g(2¸ù) |
Á¬½Óµ½¹âÄ»´«¸ÐÆ÷Ö÷Ì壬Á¬½Óµ½ÑÓ³¤ÓõçÀ»ò¿ØÖÆ×é¼þSF-C11ʱʹÓᣠ2¸ùͶ¹âÆ÷ºÍÊܹâÆ÷ÓÃ1Ì×£¬µçÀÂÍâ¾¶£ºf6mm Á¬½ÓÆ÷×î´óÍâ¾¶£ºf14mm µçÀÂÑÕÉ«£ºÍ¶¹âÆ÷ÓûÒÉ«£¬ÊܹâÆ÷ÓûÒÉ«(´øºÚÏß) Á¬½ÓÆ÷ÑÕÉ«£ºÍ¶¹âÆ÷ÓûÒÉ«£¬ÊܹâÆ÷ÓúÚÉ« ×îСÍäÇú°ë¾¶£ºR6mm |
| SF2B-CB5 |
µçÀ³¤5m Ö÷ÌåÖØÁ¿Ô¼620g(2¸ù) |
| SF2B-CB10 |
µçÀ³¤10m Ö÷ÌåÖØÁ¿Ô¼1,200g(2¸ù) |
4 ÑÓ³¤ ÓõçÀ |
É¢ ×° Ïß |
 |
SFB-CC3 |
µçÀ³¤3m Ö÷ÌåÖØÁ¿Ô¼380g(2¸ù) |
µçÀÂÑÓ³¤»òÁ¬½Óµ½¿ØÖÆ×é¼þSF-C13ʱʹÓᣠ2¸ùͶ¹âÆ÷ºÍÊܹâÆ÷ÓÃ1Ì×£¬µçÀÂÍâ¾¶£ºf6mm Á¬½ÓÆ÷×î´óÍâ¾¶£ºf14mm µçÀÂÑÕÉ«£ºÍ¶¹âÆ÷ÓûÒÉ«£¬ÊܹâÆ÷ÓûÒÉ«(´øºÚÏß) ×îСÍäÇú°ë¾¶£ºR6mm |
| SFB-CC10 |
µçÀ³¤10m Ö÷ÌåÖØÁ¿Ô¼1,200g(2¸ù) |
Á½ ¶Ë ¾ù ´ø Á¬ ½Ó Æ÷ |
Ͷ ¹â Æ÷ Óà |
 |
SFB-CCJ10E |
µçÀ³¤10m Ö÷ÌåÖØÁ¿580g(1¸ù) |
µçÀÂÑÓ³¤»òÁ¬½Óµ½¿ØÖÆ×é¼þSF-C11ʱʹÓᣠͶ¹âÆ÷ºÍÊܹâÆ÷Óø÷1¸ù£¬µçÀÂÍâ¾¶£ºf6mm Á¬½ÓÆ÷×î´óÍâ¾¶£ºf14mm µçÀÂÑÕÉ«£ºÍ¶¹âÆ÷ÓûÒÉ«£¬ÊܹâÆ÷ÓûÒÉ«(´øºÚÏß) Á¬½ÓÆ÷ÑÕÉ«£ºÍ¶¹âÆ÷ÓûÒÉ«£¬ÊܹâÆ÷ÓúÚÉ« ×îСÍäÇú°ë¾¶£ºR6mm |
ÊÜ ¹â Æ÷ Óà |
SFB-CCJ10D |
µçÀ³¤10m Ö÷ÌåÖØÁ¿600g(1¸ù) |
3 »¥»» µçÀ (µ×ñµçÀÂ) |
SF2-A/ SF2-NÓÃ |
 ¡ù¹ØÓÚ»¥»»µçÀµĽÓÏߣ¬ÇëÓëÎÒÃÇÁªÏµ¡£ |
SF2B-CB05-A |
µçÀ³¤0.5m Ö÷ÌåÖØÁ¿95g(2¸ù) |
SF2-A/SF2-NϵÁе÷»»Ê±Ê¹Ó᣿ÉÖ±½ÓÁ¬½Óµ½´øÁ¬½ÓÆ÷µÄµçÀÂSF2N-CC¡õ£¬Ë³Àûµ÷»»µ½SF2BϵÁС£ 2¸ùͶ¹âÆ÷ºÍÊܹâÆ÷ÓÃ1Ì×£¬µçÀÂÍâ¾¶£ºf6mm Á¬½ÓÆ÷×î´óÍâ¾¶£ºf14mm µçÀÂÑÕÉ«£ºÍ¶¹âÆ÷ÓûÒÉ«£¬ÊܹâÆ÷ÓûÒÉ«(´øºÚÏß) Á¬½ÓÆ÷ÑÕÉ«£ºÍ¶¹âÆ÷ÓûÒÉ«£¬ÊܹâÆ÷ÓúÚÉ« ×îСÍäÇú°ë¾¶£ºR6mm |
4 о µç À |
SF1-N/ NA40ÓÃ |
SF2B-CB05-B |
µçÀ³¤0.5m Ö÷ÌåÖØÁ¿95g(2¸ù) |
SF1-N/NA40ϵÁе÷»»Ê±Ê¹Ó᣿ÉÖ±½ÓÁ¬½Óµ½SF1-CC¡õ/NA40-CC¡õ£¬Ë³Àûµ÷»»µ½SF2BϵÁС£2¸ùͶ¹âÆ÷ºÍÊܹâÆ÷ÓÃ1Ì×£¬µçÀÂÍâ¾¶£ºf6mm Á¬½ÓÆ÷×î´óÍâ¾¶£ºf14mm µçÀÂÑÕÉ«£ºÍ¶¹âÆ÷ÓûÒÉ«£¬ ÊܹâÆ÷ÓûÒÉ«(´øºÚÏß) Á¬½ÓÆ÷ÑÕÉ«£ºÍ¶¹âÆ÷ÓûÒÉ«£¬ÊܹâÆ÷ÓúÚÉ« ×îСÍäÇú°ë¾¶£ºR6mm |
| 5´®ÁªÁ¬½ÓÓõçÀ |
 ¡ùºÍ´®ÁªÁ¬½ÓרÓø¨Öú´«¸ÐÆ÷Ò»ÆðʹÓà |
SF2B-CSL01 |
µçÀ³¤0.1m Ö÷ÌåÖØÁ¿70g(2¸ù) |
´®ÁªÁ¬½Ó¹âÄ»´«¸ÐÆ÷ºÍ´®ÁªÁ¬½ÓרÓø¨Öú´«¸ÐÆ÷ʱʹÓá£2¸ùͶ¹âÆ÷ºÍÊܹâÆ÷ÓÃ1Ì×(Ͷ¹âÆ÷ºÍÊܹâÆ÷ÓÃÏàͬ) µçÀÂÍâ¾¶£ºf6mm µçÀÂÑÕÉ«£º»ÒÉ«(Ͷ¹âÆ÷ºÍÊܹâÆ÷ÓÃÏàͬ) ×îСÍäÇú°ë¾¶£ºR6mm |
| SF2B-CSL05 |
µçÀ³¤0.5m Ö÷ÌåÖØÁ¿120g(2¸ù) |
½«ÆäËû¹âÄ»´«¸ÐÆ÷»òÇøÓò´«¸ÐÆ÷µ÷»»³ÉSF2BϵÁеŦÄÜ¡£µ÷»»¶ÔÏó»úÖÖ²»Í¬£¬ËùʹÓõĵ×ñµçÀºͰ²×°Ö§¼ÜÒ²²»Í¬¡£Êµ¼ÊµÄ½ÓÏߺͰ²×°µÈ£¬ Çë²ÎÔÄʹÓÃ˵Ã÷Êé¡£
| µ÷»»»úÖÖ |
»¥»»µçÀ |
»¥»»Ö§¼Ü |
±ä¸ü˵Ã÷ºÍ×¢Òâµã |
SF2-A/SF2-N ϵÁÐ |
SF2B-CB05-A |
MS-SF2B-5 |
• NPNÊä³öÐÍ£º½«ÆÁ±ÎµçÏßÁ¬½Óµ½£«V¡£PNPÊä³öÐÍ£º½«ÆÁ±ÎÁ¬½Óµ½0V¡£ • ÒѾ´æÔ򵀮¥ÅäµçÀÂSF2N-CC¡õ(ÁíÊÛ)¿É¼ÌÐøÊ¹Óᣠ• ²»ÄÜʹÓ÷À¸ÉÈŹ¦ÄÜ(²¢ÁªÁ¬½Ó)¡£ |
| SF1-NϵÁÐ |
SF2B-CB05-B |
ʹÓÃMS-SF1-1ʱ£ºMS-SF2B-4£¬ Ö±½Ó°²×°Ê±£ºMS-SF2B-7 |
• Ͷ¹âÆ÷£ºÍ¬²½µçÏß±ä¸üΪ·À¸ÉÈÅÏß¡£ÊܹâÆ÷£ºÍ¬²½µçÏß±ä¸üΪ¿ØÖÆÊä³ö(OSSD1)¡£ • ÒѾ´æÔ򵀮¥ÅäµçÀÂSF1-CC¡õA(ÁíÊÛ)¿É¼ÌÐøÊ¹Óᣠ• ²»ÄÜʹÓÃͶ¹âÆ÷µÄ¹âÖá¶ÔÆëָʾµÆ¡£ |
| NA40ϵÁÐ |
SF2B-CB05-B |
ʹÓÃMS-NA40-1ʱ£ºMS-SF2B-4£¬ Ö±½Ó°²×°Ê±£ºMS-SF2B-6 |
• ±¸ÓпØÖÆÊä³ö(OSSD2)£¬¶ø²»ÊÇ×ÔÎÒÕï¶ÏÊä³ö¡£ • ²»ÄÜʹÓÃͶ¹âÍ£Ö¹¹¦ÄÜ¡£ • ÒѾ´æÔ򵀮¥ÅäµçÀÂNA40-CC¡õ(ÁíÊÛ)¿É¼ÌÐøÊ¹Óᣠ• NA40-CC¡õ(ÁíÊÛ)µÄÖÜΧζÈÊÇ£10~£«50¡ãC¡£ |
| ÖÖÀà |
ÐÎ×´ |
¼ì²â¾àÀë(×¢1) (ÓÐЧ¾àÀë) |
ÐͺŠ|
¹âÖáÊý |
±£»¤¸ß¶È (mm)(×¢4) |
ÏûºÄµçÁ÷ (×¢5) |
H a n d ÐÍ |
×î С ¼ì ²â Îï Ìå ¦Õ 27 A (¼ä ¾à Ϊ 20 A) |
 |
0.2¡«13£í (¹âÄ»´«¸ÐÆ÷²à»¥»»µçÀÂʹÓÃSF2B-CB05-Bʱ£º0.2~5m) |
SF2B-H8SL(×¢2) |
8 |
168 |
Ͷ¹âÆ÷£º20mAÒÔÏ ÊܹâÆ÷£º25mAÒÔÏ |
| SF2B-H12SL |
12 |
232 |
| SF2B-H16SL |
16 |
312 |
Ͷ¹âÆ÷£º20mAÒÔÏ ÊܹâÆ÷£º35mAÒÔÏ |
| SF2B-H20SL |
20 |
392 |
| SF2B-H24SL |
24 |
472 |
Ͷ¹âÆ÷£º30mAÒÔÏ ÊܹâÆ÷£º45mAÒÔÏ |
| SF2B-H28SL |
28 |
552 |
| SF2B-H32SL |
32 |
632 |
Ͷ¹âÆ÷£º30mAÒÔÏ ÊܹâÆ÷£º55mAÒÔÏ |
| SF2B-H36SL |
36 |
712 |
| SF2B-H40SL |
40 |
792 |
Ͷ¹âÆ÷£º40mAÒÔÏ ÊܹâÆ÷£º65mAÒÔÏ |
| SF2B-H48SL |
48 |
952 |
| SF2B-H56SL |
56 |
1,112 |
Ͷ¹âÆ÷£º45mAÒÔÏ ÊܹâÆ÷£º85mAÒÔÏ |
| SF2B-H64SL |
64 |
1,272 |
| SF2B-H72SL |
72
|
1,432 |
Ͷ¹âÆ÷£º50mAÒÔÏ ÊܹâÆ÷£º105mAÒÔÏ |
| SF2B-H80SL |
80 |
1,592 |
| SF2B-H88SL |
88 |
1,752 |
Ͷ¹âÆ÷£º60mAÒÔÏ ÊܹâÆ÷£º125mAÒÔÏ |
| SF2B-H96SL |
96 |
1,912 |
A r m / F o o tÐÍ |
×î С ¼ì ²â Îï Ìå ¦Õ 47 A (¼ä ¾à 40 A) |
 |
0.2¡«13£í (¹âÄ»´«¸ÐÆ÷²à»¥»»µçÀÂʹÓÃSF2B-CB05-Bʱ£º0.2~5m) |
SF2B-A4SL(×¢2)
|
4 |
168 |
Ͷ¹âÆ÷£º15mAÒÔÏ ÊܹâÆ÷£º20mAÒÔÏ |
| SF2B-A6SL |
6 |
232 |
| SF2B-A8SL |
8 |
312 |
Ͷ¹âÆ÷£º15mAÒÔÏ ÊܹâÆ÷£º25mAÒÔÏ |
| SF2B-A10SL |
10 |
392 |
| SF2B-A12SL |
12 |
472 |
Ͷ¹âÆ÷£º20mAÒÔÏ ÊܹâÆ÷£º30mAÒÔÏ |
| SF2B-A14SL |
14 |
552 |
| SF2B-A16SL |
16 |
632 |
Ͷ¹âÆ÷£º20mAÒÔÏ ÊܹâÆ÷£º35mAÒÔÏ |
| SF2B-A18SL |
18 |
712 |
| SF2B-A20SL |
20 |
792 |
Ͷ¹âÆ÷£º25mAÒÔÏ ÊܹâÆ÷£º40mAÒÔÏ |
| SF2B-A24SL |
24 |
952 |
| SF2B-A28SL |
28 |
1,112 |
Ͷ¹âÆ÷£º25mAÒÔÏ ÊܹâÆ÷£º50mAÒÔÏ |
| SF2B-A32SL |
32 |
1,272 |
| SF2B-A36SL |
36 |
1,432 |
Ͷ¹âÆ÷£º30mAÒÔÏ ÊܹâÆ÷£º60mAÒÔÏ |
| SF2B-A40SL |
40 |
1,592 |
| SF2B-A44SL |
44 |
1,752 |
Ͷ¹âÆ÷£º35mAÒÔÏ ÊܹâÆ÷£º70mAÒÔÏ |
| SF2B-A48SL |
48 |
1,912 | ×¢£º 1) ¼ì²â¾àÀëÊÇָͶ¹âÆ÷ºÍÊܹâÆ÷µÄ¿ÉÉ趨·¶Î§¡£¼ì²âÎïÌåµÄ¼ì²âÖµÒ²¿ÉΪ0.2mÒÔÏ¡£ 2) SF2B-H8SLºÍSF2B-A4SLûÓб¸Óд®ÁªÁ¬½ÓÓÃÁ¬½ÓÆ÷¡£3Ì×´®ÁªÁ¬½Óʱ£¬ÖмäµÄλÖò»ÄÜʹÓ᣹ØÓÚÏêÇ飬Çë²ÎÔÄʹÓÃÖ¸ÄÏ(PDF P.72)¡£ 3) ´®ÁªÁ¬½ÓרÓø¨Öú´«¸ÐÆ÷µÄ¹æ¸ñ£¬ÏûºÄµçÁ÷³ýÍ⣬Óë¹âÄ»´«¸ÐÆ÷Ïàͬ¡£µ«ÊÇûÓб¸ÓÐÊä³ö¡£
Åä¼þ(ÁíÊÛ)
| Æ·Ãû |
ÐÎ×´ |
ÐͺŠ|
˵Ã÷ |
¼ÞÁ¬Ö§³ÅÖ§¼Ü |
¼ÞÁ¬Ö§³ÅÖ§¼Ü (×¢1) |
 |
MS-SF2B-2 |
ʹ¹âÄ»´«¸ÐÆ÷¹Ì¶¨ÔÚÖмäλÖõݲװ֧¼Ü¡£¿É°²×°ÔÚ¹âÄ»´«¸ÐÆ÷µÄ±³Ãæ¼°²àÃæ¡£ |
MS-SF2B-2 <±³Ã氲װʱ>
 <²àÃæ°²×°Ê±>
 |
| ²âÊÔ¸Ë¦Õ 27 |
 |
SF2B-TR27 |
ÈÕ³£¼ì²éÓÃ×îС¼ì²âÎïÌå(¦Õ 27mm), HandÐÍ(×îС¼ì²âÎïÌå¦Õ 27mmÓÃ) | ×¢£º 1)¸ù¾Ý²úÆ·µÄ²»Í¬£¬ÐèÒªµÄÌ×ÊýÒ²²»Ò»Ñù¡£ÏêÇéÇë²ÎÔÄPDF P.78ÍâÐγߴçͼ¡£
| Æ·Ãû |
ÐÎ×´ |
ÐͺŠ|
ÊÊÓõçÀ |
˵Ã÷ |
Á¬½ÓÆ÷Á¬½Ó ¿ØÖÆ×é¼þ |
 |
SF-C11 |
SF2B-CB¡õ SFB-CCJ10¡õ |
Óôø8оÁ¬½ÓÆ÷µÄµçÀÂÓë¹âÄ»´«¸ÐÆ÷Á¬½Ó¡£ ¿É¶ÔÓ¦µ½¿ØÖÆÖÖÀà4(ÓëSF2BϵÁеÄÅäÌ×ÊÇ¿ØÖÆÖÖÀà2)¡£ |
±¡ÐÍ ¿ØÖÆ×é¼þ |
 |
SF-C13 |
SF2B-CB¡õ SFB-CCJ10¡õ |
Óôø8оÁ¬½ÓÆ÷µÄµçÀÂÓë¹âÄ»´«¸ÐÆ÷Á¬½Ó¡£ ¿É¶ÔÓ¦µ½¿ØÖÆÖÖÀà4(ÓëSF2BϵÁеÄÅäÌ×ÊÇ¿ØÖÆÖÖÀà2)¡£ |
| ÊÊÓùâÖáÊý |
Ç°Ãæ±£»¤ÕÖ |
Óç½Ç¾µ |
| Hand |
Arm/Foot |
ÐͺŠ|
ÓÐЧ·´ÉäÃæ |
| 8 |
4 |
FC-SF2BH-8 |
RF-SFBH-8 |
173¡Á72mm |
| 12 |
6 |
FC-SF2BH-12 |
RF-SFBH-12 |
236¡Á72mm |
| 16 |
8 |
FC-SF2BH-16 |
RF-SFBH-16 |
316¡Á72mm |
| 20 |
10 |
FC-SF2BH-20 |
RF-SFBH-20 |
396¡Á72mm |
| 24 |
12 |
FC-SF2BH-24 |
RF-SFBH-24 |
476¡Á72mm |
| 28 |
14 |
FC-SF2BH-28 |
RF-SFBH-28 |
556¡Á72mm |
| 32 |
16 |
FC-SF2BH-32 |
RF-SFBH-32 |
636¡Á72mm |
| 36 |
18 |
FC-SF2BH-36 |
RF-SFBH-36 |
716¡Á72mm |
| 40 |
20 |
FC-SF2BH-40 |
RF-SFBH-40 |
796¡Á72mm |
| 48 |
24 |
FC-SF2BH-48 |
RF-SFBH-48 |
956¡Á72mm |
| 56 |
28 |
FC-SF2BH-56 |
RF-SFBH-56 |
1,116¡Á72mm |
| 64 |
32 |
FC-SF2BH-64 |
RF-SFBH-64 |
1,276¡Á72mm |
| 72 |
36 |
FC-SF2BH-72 |
RF-SFBH-72 |
1,436¡Á72mm |
| 80 |
40 |
FC-SF2BH-80 |
RF-SFBH-80 |
1,596¡Á72mm |
| 88 |
44 |
FC-SF2BH-88 |
RF-SFBH-88 |
1,756¡Á72mm |
| 96 |
48 |
FC-SF2BH-96 |
RF-SFBH-96 |
1,916¡Á72mm | |
¡¤FC-SF2BH-¡õ ±£»¤¹âÄ»´«¸ÐÆ÷µÄ¼ì²âÃæ²»Êܷɽ¦ÎïºÍÓÍ¡¢Ë®µÈ·ÉÉ¢ÎïµÄËðÉË¡£ ʹÓÃÇ°Ãæ±£»¤ÕÖ»áʹ¼ì²â¾àÀëËõ¶Ì¡£¹ØÓÚÏêÇ飬ÇëÓëÎÒÃÇÁªÏµ¡£

¼ì²â¾àÀë
| ¡ª |
¼ì²â¾àÀë(ÓÐЧ¾àÀë) |
| ¡ª |
ʹÓÃSF2B-CB05-Bʱ |
| ½ö°²×°Í¶¹âÆ÷ |
0.2¡«11.5m |
0.2¡«4.5m |
| ½ö°²×°ÊܹâÆ÷ |
0.2¡«11.5m |
0.2¡«4.5m |
| Á½²à¾ù°²×°Í¶¹âÆ÷ºÍÊܹâÆ÷ |
0.2¡«10.0m |
0.2¡«4.0m | ×¢£º1)¼ì²â¾àÀëÊÇָͶ¹âÆ÷ºÍÊܹâÆ÷µÄ¿ÉÉ趨·¶Î§£¬ÎïÌåÔÚ0.2mÒÔÏ¿ÉÒÔ±»¼ì²â¡£ |
| Æ·Ãû |
ÐÎ×´ |
ÐͺŠ|
˵Ã÷ |
¼¤¹â¹âÖá¶ÔÆëÆ÷ SF-LAT-2B

¹âÄ»´«¸ÐÆ÷´óÏÔʾÆ÷
 °²×°ÔÚ¹âÄ»´«¸ÐÆ÷µÄÉ϶ˡ£ Å¡½ô¹âÄ»´«¸ÐÆ÷Ö÷ÌåµÄ°²×°Ö§¼ÜºÍSF-IND-2µÄ°²×°Ö§¼Ü¡£
°²È«¼ÌµçÆ÷ÍÆ¼ö²úÆ·Ö¸ÄÏ ËÉϵ繤(Öê)Éú²ú ÐͺţºSFϵÁÐ
 ÃÔÄã½Ó´¥Æ÷ÍÆ¼ö²úÆ·Ö¸ÄÏ ËÉϵ繤(Öê)Éú²ú ÐͺţºPC-5ϵÁÐ

|
| ²âÊÔ¸Ë¦Õ 47 |
 |
SF2B-TR47 |
ÈÕ³£¼ì²éÓÃ×îС¼ì²âÎïÌå(¦Õ 47mm)£¬Arm/FootÐÍ (×îС¼ì²âÎïÌå¦Õ 47mm)Óà |
| ¼¤¹â¹âÖá¶ÔÆëÆ÷ |
 |
SF-LAT-2B |
ÓÉÓÚ¼¤¹âÖáÒ×¼û£¬¹âÖáµ÷Õû¿É¼òµ¥½øÐС£ Ö÷Òª¹æ¸ñ • µç³Ø£º1.5V(µ¥3¸Éµç³Ø)¡Á2½Ú(¿É½»»») • µç³ØÊÙÃü£ºÁ¬ÐøÓÃÔ¼10Сʱ • ¹âÔ´£ººìÉ«°ëµ¼Ì弤¹â2¼¶(IEC/JIS) ×î´óÊä³ö£º1mW¡¢ Ͷ¹â²¨·å²¨³¤£º650nm • ÖÜΧζȣº0¡«£«40¡ãC (×¢Òâ²»¿É½á¶) • ²ÄÖÊ£ºABS(Ö÷Ìå¿Ç) ÂÁ(°²×°²¿·Ö) • Ö÷ÌåÖØÁ¿£ºÔ¼200g(º¬¸Éµç³Ø) • ¸½¼þ£ºµ¥3¸Éµç³Ø2½Ú |
| ¹âÄ»´«¸ÐÆ÷´óÏÔʾÆ÷ |
 |
SF-IND-2 |
ÓÉÓÚÁ¬½Óµ½¹âÄ»´«¸ÐÆ÷µÄ¸¨ÖúÊä³ö£¬¿É´Ó¸÷½Ç¶ÈÈ·Èϼì²â״̬¡£ Ö÷Òª¹æ¸ñ • µçÔ´µçѹ£º24V DC¡À15% • ÏûºÄµçÁ÷£º12mAÒÔÏ • ָʾµÆ£º³ÈÉ«LED(ʹÓÃ8¸ö) [Íⲿ½ÓµãONʱÁÁµÆ] • ÖÜΧζȣº£10¡«£«55¡ãC (×¢Òâ²»¿É½á¶¡¢½á±ù) • ²ÄÖÊ£ºPOM(Íâ¿Ç)¡¡ ¾Û̼ËáÖ¬(ÕÖ)¡¡ ÀäÔú̼¸Ö(SPCC)(Ö§¼Ü) • µçÀ£º0.3mm2оÏðÆ¤¾øÔµÈíµçÀ£¬³¤3m • ÖØÁ¿£ºÔ¼70g(°üÀ¨Ö§¼Ü) I/Oµç·ͼ <ÓëNPNÊä³öÐÍÁ¬½Óʱ>
 | ¼¼ÊõÐÅÏ¢:
¹æ¸ñ
¸ö±ð¹æ¸ñ
| ÖÖÀà |
×îС¼ì²âÎïÌåf27mm(20mm¼ä¾à)ÐÍ |
| ÏîÄ¿ |
NPNÊä³ö |
SF2B-H8-N |
SF2B-H12-N |
SF2B-H16-N |
SF2B-H20-N |
SF2B-H24-N |
SF2B-H28-N |
| PNPÊä³ö |
SF2B-H8-P |
SF2B-H12-P |
SF2B-H16-P |
SF2B-H20-P |
SF2B-H24-P |
SF2B-H28-P |
| ¹âÖáÊý |
8 |
12 |
16 |
20 |
24 |
28 |
| ¹âÖá¼ä¾à |
20mm |
| ±£»¤¸ß¶È |
168mm |
232mm |
312mm |
392mm |
472mm |
552mm |
| ÏûºÄµçÁ÷ |
Ͷ¹âÆ÷£º40mAÒÔÏ ÊܹâÆ÷£º50mAÒÔÏÂ
|
Ͷ¹âÆ÷£º40mAÒÔÏ ÊܹâÆ÷£º60mAÒÔÏ |
Ͷ¹âÆ÷£º50mAÒÔÏ ÊܹâÆ÷£º70mAÒÔÏ |
| ÖØÁ¿(º¬Í¶¹âÆ÷ºÍÊܹâÆ÷) |
Ö÷ÌåÖØÁ¿£ºÔ¼170g |
Ö÷ÌåÖØÁ¿£ºÔ¼280g |
Ö÷ÌåÖØÁ¿£ºÔ¼400g
|
Ö÷ÌåÖØÁ¿£ºÔ¼510g |
Ö÷ÌåÖØÁ¿£ºÔ¼610g |
Ö÷ÌåÖØÁ¿£ºÔ¼720g |
| ÖÖÀà |
×îС¼ì²âÎïÌåf27mm(20mm¼ä¾à)ÐÍ |
| ÏîÄ¿ |
NPNÊä³ö |
SF2B-H32-N |
SF2B-H36-N |
SF2B-H40-N |
SF2B-H48-N |
SF2B-H56-N |
SF2B-H64-N |
| PNPÊä³ö |
SF2B-H32-P |
SF2B-H36-P |
SF2B-H40-P |
SF2B-H48-P |
SF2B-H56-P |
SF2B-H64-P |
| ¹âÖáÊý |
32 |
36 |
40
|
48 |
56 |
64 |
| ¹âÖá¼ä¾à |
20mm |
| ±£»¤¸ß¶È |
632mm |
712mm |
792mm
|
952mm |
1,112mm |
1,272mm |
| ÏûºÄµçÁ÷ |
Ͷ¹âÆ÷£º50mAÒÔÏ ÊܹâÆ÷£º80mAÒÔÏ |
Ͷ¹âÆ÷£º60mAÒÔÏ ÊܹâÆ÷£º90mAÒÔÏ |
Ͷ¹âÆ÷£º65mAÒÔÏ ÊܹâÆ÷£º110mAÒÔÏ |
| ÖØÁ¿(º¬Í¶¹âÆ÷ºÍÊܹâÆ÷) |
Ö÷ÌåÖØÁ¿£ºÔ¼830g |
Ö÷ÌåÖØÁ¿£ºÔ¼930g |
Ö÷ÌåÖØÁ¿£ºÔ¼1,000g |
Ö÷ÌåÖØÁ¿£ºÔ¼1,300g
|
Ö÷ÌåÖØÁ¿£ºÔ¼1,500g |
Ö÷ÌåÖØÁ¿£ºÔ¼1,700g |
| ÖÖÀà |
×îС¼ì²âÎïÌåf27mm(20mm¼ä¾à)ÐÍ |
| ÏîÄ¿ |
NPNÊä³ö |
SF2B-H72-N |
SF2B-H80-N |
SF2B-H88-N |
SF2B-H96-N |
| PNPÊä³ö |
SF2B-H72-P |
SF2B-H80-P |
SF2B-H88-P |
SF2B-H96-P |
| ¹âÖáÊý |
72 |
80
|
88 |
96 |
| ¹âÖá¼ä¾à |
20mm |
| ±£»¤¸ß¶È |
1,432mm |
1,592mm
|
1,752mm |
1,912mm |
| ÏûºÄµçÁ÷ |
Ͷ¹âÆ÷£º70mAÒÔÏ ÊܹâÆ÷£º130mAÒÔÏ |
Ͷ¹âÆ÷£º80mAÒÔÏ ÊܹâÆ÷£º150mAÒÔÏ |
| ÖØÁ¿(º¬Í¶¹âÆ÷ºÍÊܹâÆ÷) |
Ö÷ÌåÖØÁ¿£ºÔ¼1,900g |
Ö÷ÌåÖØÁ¿£ºÔ¼2,100g
|
Ö÷ÌåÖØÁ¿£ºÔ¼2,300g |
Ö÷ÌåÖØÁ¿£ºÔ¼2,500g |
| ÖÖÀà |
×îС¼ì²âÎïÌåf47mm(40mm¼ä¾à)ÐÍ |
| ÏîÄ¿ |
NPNÊä³ö |
SF2B-A4-N |
SF2B-A6-N |
SF2B-A8-N |
SF2B-A10-N |
SF2B-A12-N |
SF2B-A14-N |
| PNPÊä³ö |
SF2B-A4-P |
SF2B-A6-P |
SF2B-A8-P
|
SF2B-A10-P |
SF2B-A12-P |
SF2B-A14-P |
| ¹âÖáÊý |
4 |
6 |
8 |
10 |
12 |
14 |
| ¹âÖá¼ä¾à |
40mm
|
| ±£»¤¸ß¶È |
168mm |
232mm |
312mm |
392mm |
472mm |
552mm |
| ÏûºÄµçÁ÷ |
Ͷ¹âÆ÷£º35mAÒÔÏ ÊܹâÆ÷£º45mAÒÔÏ |
Ͷ¹âÆ÷£º35mAÒÔÏ ÊܹâÆ÷£º50mAÒÔÏ |
Ͷ¹âÆ÷£º40mAÒÔÏ ÊܹâÆ÷£º55mAÒÔÏ |
| ÖØÁ¿(º¬Í¶¹âÆ÷ºÍÊܹâÆ÷) |
Ö÷ÌåÖØÁ¿£ºÔ¼170g |
Ö÷ÌåÖØÁ¿£ºÔ¼280g |
Ö÷ÌåÖØÁ¿£ºÔ¼400g |
Ö÷ÌåÖØÁ¿£ºÔ¼510g |
Ö÷ÌåÖØÁ¿£ºÔ¼610g |
Ö÷ÌåÖØÁ¿£ºÔ¼720g |
| ÖÖÀà |
×îС¼ì²âÎïÌåf47mm(40mm¼ä¾à)ÐÍ |
| ÏîÄ¿ |
NPNÊä³ö |
SF2B-A16-N |
SF2B-A18-N |
SF2B-A20-N |
SF2B-A24-N |
SF2B-A28-N |
SF2B-A32-N |
| PNPÊä³ö |
SF2B-A16-P |
SF2B-A18-P |
SF2B-A20-P
|
SF2B-A24-P |
SF2B-A28-P |
SF2B-A32-P |
| ¹âÖáÊý |
16 |
18 |
20 |
24 |
28 |
32 |
| ¹âÖá¼ä¾à |
40mm |
| ±£»¤¸ß¶È |
632mm |
712mm |
792mm |
952mm |
1,112mm |
1,272mm |
| ÏûºÄµçÁ÷ |
Ͷ¹âÆ÷£º40mAÒÔÏ ÊܹâÆ÷£º60mAÒÔÏ |
Ͷ¹âÆ÷£º45mAÒÔÏ ÊܹâÆ÷£º65mAÒÔÏÂ
|
Ͷ¹âÆ÷£º50mAÒÔÏ ÊܹâÆ÷£º75mAÒÔÏ |
| ÖØÁ¿(º¬Í¶¹âÆ÷ºÍÊܹâÆ÷) |
Ö÷ÌåÖØÁ¿£ºÔ¼830g |
Ö÷ÌåÖØÁ¿£ºÔ¼930g |
Ö÷ÌåÖØÁ¿£ºÔ¼1,000g |
Ö÷ÌåÖØÁ¿£ºÔ¼1,300g |
Ö÷ÌåÖØÁ¿£ºÔ¼1,500g |
Ö÷ÌåÖØÁ¿£ºÔ¼1,700g |
| ÖÖÀà |
×îС¼ì²âÎïÌåf27mm(20mm¼ä¾à)ÐÍ |
| ÏîÄ¿ |
NPNÊä³ö |
SF2B-A36-N |
SF2B-A40-N |
SF2B-A44-N |
SF2B-A48-N |
| PNPÊä³ö |
SF2B-A36-P |
SF2B-A40-P |
SF2B-A44-P |
SF2B-A48-P |
| ¹âÖáÊý |
36 |
40 |
44 |
48 |
| ¹âÖá¼ä¾à |
40mm |
| ±£»¤¸ß¶È |
1,432mm |
1,592mm
|
1,752mm |
1,912mm |
| ÏûºÄµçÁ÷ |
Ͷ¹âÆ÷£º55mAÒÔÏ ÊܹâÆ÷£º85mAÒÔÏ |
Ͷ¹âÆ÷£º60mAÒÔÏ ÊܹâÆ÷£º95mAÒÔÏ |
| ÖØÁ¿(º¬Í¶¹âÆ÷ºÍÊܹâÆ÷) |
Ö÷ÌåÖØÁ¿£ºÔ¼1,900g |
Ö÷ÌåÖØÁ¿£ºÔ¼2,100g
|
Ö÷ÌåÖØÁ¿£ºÔ¼2,300g |
Ö÷ÌåÖØÁ¿£ºÔ¼2,500g | ×¢£º1) ÔÚδָ¶¨µÄ²â¶¨Ìõ¼þÏ£¬ÖÜΧζȣ½£«20¡ãC¡£
Ò»°ã¹æ¸ñ
| ÖÖÀà |
×îС¼ì²âÎïÌåf27mm(20mm¼ä¾à)ÐÍ |
×îС¼ì²âÎïÌåf47mm(40mm¼ä¾à)ÐÍ |
| ÏîÄ¿ |
NPNÊä³ö |
NPNÊä³ö |
PNPÊä³ö |
NPNÊä³ö |
PNPÊä³ö |
| PNPÊä³ö |
SF2B-H¡õ-N |
SF2B-H¡õ-P
|
SF2B-A¡õ-N |
SF2B-A¡õ-P |
| ÊÊÓùæ¸ñ |
EN 954-1(ÖÖÀà2)£¬EN 61496-1(ÀàÐÍ2)£¬IEC 61496-1/2(ÀàÐÍ2)£¬UL 61496-1/2(ÀàÐÍ2)£¬ UL 1998£¬JIS B 9704-1/2(ÀàÐÍ2)£¬JIS B 9705-1/ISO 13849-1(ÖÖÀà2) |
| ¼ì²â¾àÀë(ÓÐЧ¾àÀë) |
0.2~13m(ʹÓû¥»»µçÀÂSF2B-CB05-Bʱ0.2¡«5m) |
| ×îС¼ì²âÎïÌå |
f27mmµÄ²»Í¸Ã÷Ìå |
f47mmµÄ²»Í¸Ã÷Ìå |
| ÓÐЧ¿ª¿Ú½Ç |
¼ì²â¾àÀ볬¹ý3mʱ¡À5¡ãÒÔÏÂ(·ûºÏIEC 61496-2/UL 61496-2) |
| µçÔ´µçѹ |
24V DC¡À15%¡¡Âö¶¯P-P10%ÒÔÏ |
¿ØÖÆÊä³ö (OSSD1¡¢OSSD2) |
<NPNÊä³öÐÍ> NPN¿ªÂ·¼¯µç¼«¾§Ìå¹Ü ¡¤×î´óÁ÷ÈëµçÁ÷£º200mA ¡¤Íâ¼Óµçѹ£ºÓëµçÔ´µçѹÏàͬ [¿ØÖÆÊä³ö(OSSD1¡¢OSSD2)ºÍ0VÖ®¼ä] ¡¤Ê£Óàµçѹ£º2.0VÒÔÏÂ(Á÷ÈëµçÁ÷Ϊ200mAʱ) (µçÀ³¤30.5mʱ) |
<PNPÊä³öÐÍ> PNP¿ªÂ·¼¯µç¼«¾§Ìå¹Ü ¡¤×î´óÁ÷³öµçÁ÷£º200mA ¡¤Íâ¼Óµçѹ£ºÓëµçÔ´µçѹÏàͬ [¿ØÖÆÊä³ö(OSSD1¡¢OSSD2)ºÍ+VÖ®¼ä] ¡¤Ê£Óàµçѹ£º2.5VÒÔÏÂ(Á÷³öµçÁ÷Ϊ200mAʱ) (µçÀ³¤30.5mʱ) | |
¹¤×÷ģʽ (Êä³ö¹¤×÷) |
ËùÓйâÖáÈë¹âʱON¡¢1¸öÒÔÉϹâÖáÕÚ¹âʱOFF (¹âÄ»´«¸ÐÆ÷ÄÚ²¿Ò쳣ʱ£¬¼°Í¬²½ÐźÅÒ쳣ʱ¶¼ÊÇOFF״̬¡£) |
±£»¤µç· (¶Ì·±£»¤) |
×°±¸ |
| ·´Ó¦Ê±¼ä |
OFF·´Ó¦Ê±¼ä£º15msÒÔÏ£¬ON·´Ó¦Ê±¼ä40¡«60ms |
| ¸¨ÖúÊä³ö(AUX)(×¢2) |
<NPNÊä³öÐÍ> NPN¿ªÂ·¼¯µç¼«¾§Ìå¹Ü ¡¤×î´óÁ÷ÈëµçÁ÷£º60mA ¡¤Íâ¼Óµçѹ£ºÓëµçÔ´µçѹÏàͬ [¸¨ÖúÊä³öºÍ0V¼ä] ¡¤Ê£Óàµçѹ£º2.0VÒÔÏÂ(Á÷ÈëµçÁ÷Ϊ60mAʱ) (µçÀ³¤30.5mʱ) |
<PNPÊä³öÐÍ> PNP¿ªÂ·¼¯µç¼«¾§Ìå¹Ü ¡¤×î´óÁ÷³öµçÁ÷£º60mA ¡¤Íâ¼Óµçѹ£ºÓëµçÔ´µçѹÏàͬ [¸¨ÖúÊä³öºÍ+V¼ä] ¡¤Ê£Óàµçѹ£º2.5VÒÔÏÂ(Á÷³öµçÁ÷Ϊ60mAʱ) (µçÀ³¤30.5mʱ) | |
¹¤×÷ģʽ (Êä³ö¹¤×÷) |
ʹÓÃSF2B-CCB¡õ£¬SF2B-CB¡õʱ£ºOSSD ONʱOFF£¬OSSD OFFʱON ʹÓÃSF2B-CB05-Aʱ£ºÕý³£¹¤×÷ʱON£¬Í¶¹âÆ÷Òì³£¹¤×÷ʱ»òͶ¹âֹͣʱOFF |
±£»¤µç· (¶Ì·±£»¤) |
×°±¸ |
| ͬ²½·½Ê½ |
Ïßͬ²½(ʹÓÃSF2B-CB05-Bʱ¹âͬ²½) |
| ·À¸ÉÈŹ¦ÄÜ |
×°±¸ ¡¤´®ÁªÁ¬½Ó£º×î¶à3Ì×(ºÏ¼Æ¹âÖáÊý×î¶à128¸ù)(µ«ÊÇ£¬SF2B-A¡õÁ¬½Ó2Ì×ʱ×î¶à96¸ù¹âÖᣬÁ¬½Ó3Ì×ʱ×î¶à64¸ù¹âÖá)(×¢3) SF2B-H¡õºÍSF2B-A¡õ¿ÉÒÔ»ìÔÚÒ»ÆðʹÓÃ(×¢4) {ʹÓÃSF2B-CB05-Bʱ(¹âͬ²½) ¡¤´®ÁªÁ¬½Ó£º×î¶à3Ì×(ºÏ¼Æ¹âÖáÊý×î¶à128¸ù)(µ«ÊÇ£¬SF2B-A¡õÁ¬½Ó2Ì×ʱ×î¶à96¸ù¹âÖᣬÁ¬½Ó3Ì×ʱ×î¶à64¸ù¹âÖá)(×¢3) ¡¤²¢ÁªÁ¬½Ó£º×î¶à2Ì× ¡¤´®Áª¡¢²¢Áª»ìºÏÁ¬½Ó£º¿ÉÒÔ´®Áª3Ì׺Ͳ¢Áª2Ì×ͬʱʹÓà SF2B-H¡õºÍSF2B-A¡õ¿ÉÒÔ»ìÔÚÒ»ÆðʹÓÃ(×¢4)} |
| Ͷ¹âÍ£Ö¹¹¦ÄÜ |
×°±¸ |
ÍⲿÉ豸¼à¿Ø¹¦ÄÜ
|
×°±¸ |
| ÄÍ»·¾³ÐÔ |
±£»¤¹¹Ôì |
IP65(IEC) |
ÖÜΧζÈ/ ÖÜΧʪ¶È |
£10¡«+55¡ãC(×¢Òâ²»¿É½á¶¡¢½á±ù)£¬´æ´¢£º£25¡«+70¡ãC/30¡«85%RH, ´æ´¢£º30¡«95%RH |
| ÖÜΧÕÕÃ÷¶È |
°×³ãµÆ:ÊܹâÃæÕÕÃ÷¶È3,500Rx |
| Ä͵çѹ/¾øÔµµç×è |
AC1,000V 1·ÖÖÓ ËùÓеçÔ´Á¬½Ó¶Ë×ÓÓëÍâ¿ÇÖ®¼ä/DC500VÕ×ʱ20M¦¸ÒÔÉÏ ËùÓеçÔ´Á¬½Ó¶Ë×ÓÓëÍâ¿ÇÖ®¼ä |
| ÄÍÕñ¶¯/Äͳå»÷ |
ƵÂÊ10¡«55Hz Ë«Õñ·ù0.75mm XYZ¸÷·½Ïò2Сʱ/ƵÂÊ300m/s²(Ô¼30G) XYZ¸÷·½Ïò3´Î |
| Ͷ¹â¶þ¼«Ìå |
ºìÍâÏßLED(Ͷ¹â²¨·å²¨³¤£º870nm) |
| µçÀÂÑÓ³¤ |
ÓÃÁíÊ󵀮¥ÅäµçÀ¿ɽ«Í¶¹âÆ÷ºÍÊܹâÆ÷·Ö±ð×î´óÑÓ³¤ÖÁ30.5m |
| Á¬½Ó·½Ê½ |
Á¬½ÓÆ÷Á¬½Ó |
| ²ÄÖÊ |
Ö÷ÌåÍâ¿Ç£ºÂÁ£¬ÉÏ϶˲¿·Ö£ºÑ¹Öýп£¬ÄںУº¾Û̼ËáÖ¬¡¤¾Ûõ¥Ê÷Ö¬£¬Ã±£ºPBT
|
| ¸½¼þ |
MS-SF2B-2(¼ÞÁ¬Ö§³ÅÖ§¼Ü)£º(×¢5) SF2B-TR27(²âÊÔ¸Ë)£º1¸ù |
MS-SF2B-2(¼ÞÁ¬Ö§³ÅÖ§¼Ü)£º(×¢5) | ×¢£º 1) ÔÚδָ¶¨µÄ²â¶¨Ìõ¼þÏ£¬ÖÜΧζȣ½£«20¡ãC¡£ 2) ʹÓø¨ÖúÊä³ö(AUX)ʱ£¬²»ÄÜʹÓû¥»»µçÀÂSF2B-CB05-B(ÁíÊÛ)¡£ 3) SF2B-H8-¡õºÍSF2B-A4-¡õ²»ÄÜ´®ÁªÁ¬½Ó¡£¹ØÓÚÏêÇ飬Çë²ÎÔÄʹÓÃÖ¸ÄÏ(PDF P.72¡«)¡£ 4) SF2B-H¡õºÍSF2B-A¡õÒ»Æð´®ÁªÁ¬½ÓµÄÇé¿öÏ£¬Çë°ÑSF2B-A¡õµÄ¹âÖáÊý³ËÒÔ2¼ÆË㣬ºÏ¼Æ¹âÖáÊýÁ¿ÔÚ128¸ùÒÔÏ¡£ Àý)SF2B-H36ºÍSF2B-A44´®ÁªÁ¬½ÓµÄʱºò£¬ºÏ¼Æ¹âÖáÊýÁ¿¾ÍÊÇ124¸ù¡£ SF2B-H36µÄ¹âÖáÊý£«(SF2B-A44µÄ¹âÖáÊý¡Á2)£½ºÏ¼Æ¹âÖáÊý 36¸ù¹âÖᣫ(44¸ù¹âÖá¡Á2)£½124¸ù¹âÖá 5) ¼ÞÁ¬Ö§³ÅÖ§¼ÜMS-SF2B-2¸½´øÓÚÏÂÊö²úÆ·ÖС£²úÆ·²»Í¬£¬¸½´øµÄ¸öÊýÒ²²»Í¬£¬ÈçÏÂËùʾ¡£ 1Ì×£ºSF2B-H¡õ¡40¡«56¹âÖáµÄ¹âÄ»´«¸ÐÆ÷£¬SF2B-A¡õ¡20¡«28¹âÖáµÄ¹âÄ»´«¸ÐÆ÷ 2Ì×£ºSF2B-H¡õ¡64¡«80¹âÖáµÄ¹âÄ»´«¸ÐÆ÷£¬SF2B-A¡õ¡32¡«40¹âÖáµÄ¹âÄ»´«¸ÐÆ÷ 3Ì×£ºSF2B-H¡õ¡88¡«96¹âÖáµÄ¹âÄ»´«¸ÐÆ÷£¬SF2B-A¡õ¡44¡«48¹âÖáµÄ¹âÄ»´«¸ÐÆ÷
רÓÿØÖÆ×é¼þ
| ÐͺŠ|
SF-C11 |
SF-C13 |
| ¿ÉÁ¬½ÓµÄ¹âÄ»´«¸ÐÆ÷ |
SF4B/SF2BϵÁÐ |
SUNXÖÆ¹âÄ»´«¸ÐÆ÷ |
| ÊÊÓùæ¸ñ |
IEC 61496-1£¬UL 61496-1£¬JIS B 9704-1 |
| ¿ØÖÆÖÖÀà |
¿É¶ÔÓ¦ÖÁ·ûºÏISO 13849-1(EN954-1£¬JIS B 9705-1)µÄÖÖÀà4 |
| µçÔ´µçѹ |
24V DC¡À10%¡¡Âö¶¯P-P10%ÒÔÏ |
| ÏûºÄµçÁ÷ |
100mAÒÔÏÂ(¹âÄ»´«¸ÐÆ÷µÄÏûºÄµçÁ÷³ýÍâ) |
| ¶î¶¨±£ÏÕË¿ |
ÄÚÖõç×Ó±£ÏÕË¿£¬ÕڶϵçÁ÷0.5AÒÔÉÏ£¬µçÔ´ÕÚ¶Ïʱ¸´¹é |
| °²È«Êä³ö |
NO½Óµã¡Á3(13-14¡¢23-24¡¢33-34) |
NO½Óµã¡Á3(13-14¡¢23-24¡¢33-34) |
| ʹÓÃÖÖÀà |
AC-15£¬DC-13(IEC 60947-5-1) |
¶î¶¨¹¤×÷µçѹ(Ue)/ ¶î¶¨¹¤×÷µçÁ÷(le) |
30V DC/6A¡¢230V AC/6A¡¢µç×踺ºÉ(½Óµã±£»¤Ê±ÎªÓÕµ¼¸ººÉ)£¬Î¢µçÁ÷£º10mAÒÔÉÏ(24V DCʱ)(×¢2) |
30V DC/4A¡¢230V AC/4A¡¢µç×踺ºÉ(½Óµã±£»¤Ê±ÎªÓÕµ¼¸ººÉ)£¬Î¢µçÁ÷£º10mAÒÔÉÏ(24V DCʱ)(×¢2) |
| ½Óµã²ÄÖÊ/½Óµã |
ÒøÑõ»¯Îý(AgSnO)£¬×ÔÎÒÇåÏ´£¬Ç¿Öƹ¤×÷ |
ÒøÑõ»¯Îý(AgSnO)£¬×ÔÎÒÇåÏ´£¬Ç¿Öƹ¤×÷ |
| ½Óµã½Ó´¥µç×è |
100m¦¸ÒÔÏÂ(³õʼֵ) |
| ½Óµã±£»¤¶î¶¨±£ÏÕË¿ |
6A(ÑÓʱ±£ÏÕË¿) |
4A(ÑÓʱ±£ÏÕË¿) |
| »úеÊÙÃü |
1,000Íò´ÎÒÔÉÏ(¿ª¹ØÆµÂÊ180´Î/·Ö)(×¢3) |
| µçÆøÊÙÃü |
10Íò´ÎÒÔÉÏ(¿ª¹ØÆµÂÊ20´Î/·Ö£¬230V AC/3A¡¡µç×踺ºÉ)(×¢3) |
| ¹¤×÷ʱ¼ä(×Ô¶¯¸´¹é/ÊÖ¶¯¸´¹é) |
80msÒÔÏÂ/90msÒÔÏÂ |
| ·´Ó¦Ê±¼ä(¸´¹éʱ¼ä) |
10msÒÔÏÂ |
| ¸¨ÖúÊä³ö |
°²È«¼ÌµçÆ÷½Óµã(NC½Óµã)¡Á1(41-42)(Ëæ°²È«Êä³ö¶ø¶¯) |
| ¶î¶¨¹¤×÷µçѹ/µçÁ÷ |
24V DC/2A£¬Î¢µçÁ÷£º10mAÒÔÉÏ(24V DCʱ) |
½Óµã±£»¤¶î¶¨±£ÏÕË¿
|
2A(ÑÓʱ±£ÏÕË¿) |
°ëµ¼Ì帨ÖúÊä³ö (AUX) |
<¸º¼«½ÓµØ(PNPʱÉ趨)> ¡¤×î´óÁ÷³öµçÁ÷£º60mA ¡¤Íâ¼Óµçѹ£ºÓëµçÔ´µçѹÏàͬ (°ëµ¼Ì帨ÖúÊä³öºÍ£«V¼ä) ¡¤Ê£Óàµçѹ£º2.3VÒÔÏ (Á÷³öµçÁ÷Ϊ60mAʱ) ¡¤Â©³öµçÁ÷£º2mAÒÔÏ |
<Õý¼«½ÓµØ(NPNʱÉ趨)> ¡¤×î´óÁ÷ÈëµçÁ÷£º60mA ¡¤Íâ¼Óµçѹ£ºÓëµçÔ´µçѹÏàͬ (°ëµ¼Ì帨ÖúÊä³öºÍ0V¼ä) ¡¤Ê£Óàµçѹ£º1.5VÒÔÏ (Á÷ÈëµçÁ÷Ϊ60mAʱ) ¡¤Â©³öµçÁ÷£º2mAÒÔÏ | |
PNP¿ªÂ·¼¯µç¼«¾§Ìå¹Ü ¡¤×î´óÁ÷³öµçÁ÷£º60mA ¡¤Íâ¼Óµçѹ£ºÓëµçÔ´µçѹÏàͬ(°ëµ¼Ì帨ÖúÊä³öºÍ£«V¼ä) ¡¤Ê£Óàµçѹ£º2.3VÒÔÏÂ(Á÷³öµçÁ÷Ϊ60mAʱ) ¡¤Â©³öµçÁ÷£º2mAÒÔÏ |
| Êä³ö¹¤×÷ |
Ëæ¹âÄ»´«¸ÐÆ÷µÄ¸¨ÖúÊä³ö¶ø¶¯ |
¹âÄ»´«¸ÐÆ÷ÕÚ¹âʱON |
| ¹ýÁ¿µçѹÖÖÀà |
¢ó |
Ö¸ ʾ µÆ |
µç Ô´(Ui) |
ÂÌÉ«LED(ͨµçʱÁÁµÆ) |
| °²È«Êä³ö[OUT] |
ÂÌÉ«LED(°²È«Êä³ö¡°¹Ø±Õ¡±Ê±ÁÁµÆ) |
| ÁªËø(INTER_LOCK) |
»ÆÉ«LED(°²È«Êä³ö¡°´ò¿ª¡±Ê±ÁÁµÆ) |
| Òì ³£(FAULT) |
»ÆÉ«LED(·¢ÉúÒ쳣ʱÉÁ˸) |
| Íⲿ¼ÌµçÆ÷¼à¿Ø¹¦ÄÜ |
×° ±¸ |
| ¹Ø±Õת»»¹¦ÄÜ |
×° ±¸ |
| ¼«ÐÔת»»¹¦ÄÜ(×¢4) |
×°±¸(¿ÉÓû¬¶¯¿ª¹Ø×ª»»Õý¼«/¸º¼«½ÓµØ) ¸º¼«½ÓµØ£º¶ÔÓ¦PNPÊä³ö¹âÄ»´«¸ÐÆ÷ Õý¼«½ÓµØ£º¶ÔÓ¦NPNÊä³ö¹âÄ»´«¸ÐÆ÷ |
×°±¸(¿ÉÓýÓÏß´¦Àíת»»Õý¼«/¸º¼«½ÓµØ) ¸º¼«½ÓµØ£º¶ÔÓ¦PNPÊä³ö¹âÄ»´«¸ÐÆ÷ Õý¼«½ÓµØ£º¶ÔÓ¦NPNÊä³ö¹âÄ»´«¸ÐÆ÷ |
| ÎÛȾ¶È |
2 |
| ÄÍ»·¾³ÐÔ |
±£»¤¹¹Ôì |
Íâ¿Ç£ºIP40£¬¶Ë×Ó²¿·Ö£ºIP20 |
| ÖÜΧÎÂ¶È |
£10¡«+55¡ãC(×¢Òâ²»¿É½á¶¡¢½á±ù)£¬´æ´¢£º£25¡«£«70¡ãC |
ÖÜΧʪ¶È
|
30~85%RH£¬´æ´¢£º30~95%RH |
| ÄÍÕñ¶¯ |
ƵÂÊ/Îó¶¯×÷10~55Hz¡¡Ë«Õñ·ù0.35mm XYZ¸÷·½Ïò20´Î |
| Á¬½Ó¶Ë×Ó |
µ¯´¥·ÖÀëʽ±ê×¼¶Ë×Ó |
µ¯´¥¶Ë×Ó |
| Íâ¿Ç²ÄÖÊ |
ABS |
| ÖØÁ¿ |
Ö÷ÌåÖØÁ¿£ºÔ¼320g |
Ö÷ÌåÖØÁ¿£ºÔ¼200g |
×¢£º 1) ÔÚδָ¶¨µÄ²â¶¨Ìõ¼þÏ£¬ÖÜΧζȣ½£«20¡ãC¡£ 2) ¶à¸öSF-C11»òÕßSF-C13²¢ÅÅʹÓÃʱ£¬Ç뽫װÖõļä¸ô¿ØÖÆÔÚ5mmÒÔÉÏ¡£Ìù½ü°²×°Ê±£¬ÖÜΧζÈÓ밲ȫÊä³öµÄ¶î¶¨µçÁ÷µÄ¹ØÏµÇë²ÎÔÄÓÒͼ¡£ 3) ¼ÌµçÆ÷ÊÙÃüÒò¸ººÉµÄÖÖÀࡤ¿ª¹ØÆµÂÊ¡¤ÖÜΧ»·¾³¶øÒì¡£ 4) Õý¼«½ÓµØÊ±½«»¬¶¯¿ª¹Ø×ª»»ÖÁPNP²à£¬¸º¼«½ÓµØÊ±½«»¬¶¯¿ª¹Ø×ª»»ÖÁNPN²à¡£ |
<SF-C11Ìù½ü°²×°Ê±µÄ¶¨¶î½µµÍ>
 |
<SF-C13Ìù½ü°²×°Ê±µÄ¶¨¶î½µµÍ>
 |
I/Oµç·ͼºÍÁ¬½Óͼ
NPNÊä³öÐÍ
 ×¢£º1) Ϊ²»ÓëÆäËûµçÏß½Ó´¥£¬Çë¶ÔδʹÓõĵçÏß½øÐоøÔµ´¦Àí¡£ Çë×¢Òâ ÁªËø(¸´¹éÊäÈë)µç·£¬ÇëÁíÍâ¹¹Ôì¡£
¡ùS1 ¿ª¹ØS1 ¡¤²âÊÔÊäÈë ¿ªÂ·£ºÍ¶¹âÍ£Ö¹ 0¡«£«1.5V(Á÷³öµçÁ÷Ϊ5mAÒÔÏÂ)£ºÍ¶¹â <ÍⲿÉ豸¼à¿ØÎÞЧʱ> ¡¤ÎªÁËʹÍⲿÉ豸¼à¿Ø¹¦ÄÜÎÞЧ£¬ÇëÁ¬½Ó¸¨ÖúÊä³öºÍÍⲿÉ豸¼à¿ØÆ÷ÊäÈë¡£´Ëʱ£¬Çë²»ÒªÔÚ¸¨ÖúÊä³öÉÏÁ¬½Ó¸ººÉ¡£

×¢£º1) Ϊ²»ÓëÆäËûµçÏß½Ó´¥£¬Çë¶ÔδʹÓõĵçÏß½øÐоøÔµ´¦Àí¡£ Çë×¢Òâ ÁªËø(¸´¹éÊäÈë)µç·£¬ÇëÁíÍâ¹¹Ôì¡£
¡ùS1 ¿ª¹ØS1 ¡¤²âÊÔÊäÈë ¿ªÂ·£ºÍ¶¹âÍ£Ö¹ 0¡«£«1.5V(Á÷³öµçÁ÷Ϊ5mAÒÔÏÂ)£ºÍ¶¹â
|
 ×¢£º1) Ϊ²»ÓëÆäËûµçÏß½Ó´¥£¬Çë¶ÔδʹÓõĵçÏß½øÐоøÔµ´¦Àí¡£
<ÍⲿÉ豸¼à¿ØÎÞЧʱ>
 ×¢£º1) Ϊ²»ÓëÆäËûµçÏß½Ó´¥£¬Çë¶ÔδʹÓõĵçÏß½øÐоøÔµ´¦Àí¡£ |
PNPÊä³öÐÍ Ê¹Óõ×ñµçÀÂSF2B-CCB¡õ¡¢SF2B-CB¡õʱ
 Çë×¢Òâ ÁªËø(¸´¹éÊäÈë)µç·£¬ÇëÁíÍâ¹¹Ôì¡£ ¡ùS1 ¿ª¹ØS1 ¡¤²âÊÔÊäÈë ¿ªÂ·£ºÍ¶¹âÍ£Ö¹ Vs¡«Vs£2.5V(Á÷ÈëµçÁ÷Ϊ5mAÒÔÏÂ)£ºÍ¶¹â(×¢2) ×¢£º 1) Ϊ²»ÓëÆäËûµçÏß½Ó´¥£¬Çë¶ÔδʹÓõĵçÏß½øÐоøÔµ´¦Àí¡£ 2) VsΪʹÓÃÖеĵçÔ´µçѹ¡£
<ÍⲿÉ豸¼à¿ØÎÞЧʱ> ¡¤ÎªÁËʹÍⲿÉ豸¼à¿Ø¹¦ÄÜÎÞЧ£¬ÇëÁ¬½Ó¸¨ÖúÊä³öºÍÍⲿÉ豸¼à¿ØÊäÈë¡£´Ëʱ£¬Çë²»ÒªÔÚ¸¨ÖúÊä³öÉÏÁ¬½Ó¸ººÉ¡£
 Çë×¢Òâ ÁªËø(¸´¹éÊäÈë)µç·£¬ÇëÁíÍâ¹¹Ôì¡£ ¡ùS1 ¿ª¹ØS1 ¡¤²âÊÔÊäÈë ¿ªÂ·£ºÍ¶¹âÍ£Ö¹ Vs¡«Vs£2.5V(Á÷ÈëµçÁ÷Ϊ5mAÒÔÏÂ)£ºÍ¶¹â(×¢2) ×¢£º1) Ϊ²»ÓëÆäËûµçÏß½Ó´¥£¬Çë¶ÔδʹÓõĵçÏß½øÐоøÔµ´¦Àí¡£ 2) VsΪʹÓÃÖеĵçÔ´µçѹ¡£ |
 ×¢£º1) Ϊ²»ÓëÆäËûµçÏß½Ó´¥£¬Çë¶ÔδʹÓõĵçÏß½øÐоøÔµ´¦Àí¡£
<ÍⲿÉ豸¼à¿ØÎÞЧʱ>
 ×¢£º1) Ϊ²»ÓëÆäËûµçÏß½Ó´¥£¬Çë¶ÔδʹÓõĵçÏß½øÐоøÔµ´¦Àí¡£ |
SF-C11
NPNÊä³öÐÍ ¡¤½«¹âÄ»´«¸ÐÆ÷ÊäÈ뼫ÐÔÑ¡Ôñ¿ª¹ØÉ趨ÓÚNPN²à£¬²¢½«Õý¼«½ÓµØ¡£
 |
×¢£º 1) ÉÏͼΪÊÖ¶¯¸´¹éʱµÄÇé¿ö¡£Ê¹ÓÃ×Ô¶¯¸´¹éʱ£¬Ç뽫Á¬½Óµ½X2µÄÏßÂ·ÖØÐÂÁ¬½Óµ½X3ÉÏ¡£´Ëʱ£¬ÎÞÐ踴¹é(RESET)°´Å¥¡£ 2) Ç뽫ÔÝʱÐԵĿª¹ØÓÃ×÷¸´¹é(RESET)°´Å¥¡£ 3) ²âÊÔ(TEST)°´Å¥¿ªÂ·Ê±Í¶¹âÍ£Ö¹¡¢¶Ì·ʱͶ¹â¡£Èç¹û²»Ê¹Óã¬Ç뽫T1-T2Ö®¼ä¶Ì·¡£µ«ÊÇͨ¹ý²âÊԸ˵ÈÕڹ⣬ÇëÁíÍâ½øÐÐ×ÔÎÒÕï¶Ï¡£ |
PNPÊä³öÐÍ
¡¤½«¹âÄ»´«¸ÐÆ÷ÊäÈ뼫ÐÔÑ¡Ôñ¿ª¹ØÉ趨ÓÚPNP²à£¬²¢½«0V½ÓµØ¡£

|
×¢£º 1) ÉÏͼΪÊÖ¶¯¸´¹éʱµÄÇé¿ö¡£Ê¹ÓÃ×Ô¶¯¸´¹éʱ£¬Ç뽫Á¬½Óµ½X2µÄÏßÂ·ÖØÐÂÁ¬½Óµ½X3ÉÏ¡£´Ëʱ£¬ÎÞÐ踴¹é(RESET)°´Å¥¡£ 2) Ç뽫ÔÝʱÐԵĿª¹ØÓÃ×÷¸´¹é(RESET)°´Å¥¡£ 3) ²âÊÔ(TEST)°´Å¥¿ªÂ·Ê±Í¶¹âÍ£Ö¹¡¢¶Ì·ʱͶ¹â¡£Èç¹û²»Ê¹Óã¬Ç뽫T1-T2Ö®¼ä¶Ì·¡£µ«ÊÇͨ¹ý²âÊԸ˵ÈÕڹ⣬ÇëÁíÍâ½øÐÐ×ÔÎÒÕï¶Ï¡£ | Á¬½ÓSF-C11ºÍSF2BϵÁÐʱ£¬Îñ±ØÊ¹ÓÃÒÔÏÂÆ¥ÅäµçÀ¡£ SF2B-CB05(µçÀ³¤0.5m)¡¢SF2B-CB5(µçÀ³¤5m) SF2B-CB10(µçÀ³¤10m) SFB-CCJ10E(ÓÃÓÚͶ¹âÆ÷¡¤µçÀ³¤10m) SFB-CCJ10D(ÓÃÓÚÊܹâÆ÷¡¤µçÀ³¤10m)
|
|
|

|
| ¶Ë×ÓÃû |
˵Ã÷ |
| A1 |
£«24V DC |
| A2 |
0V |
13-14¡¢ 23-24¡¢33-34 |
°²È«Êä³ö(NO½Óµã¡Á3) |
| 41-42 |
¸¨ÖúÊä³ö(NC½Óµã¡Á1) |
| X1 |
¸´¹éÊä³ö¶Ë×Ó |
| X2 |
¸´¹éÊäÈë¶Ë×Ó(ÊÖ¶¯) |
| X3 |
¸´¹éÊäÈë¶Ë×Ó(×Ô¶¯) |
| A |
²»Ê¹Óà |
| B |
| T1 |
²âÊÔÊä³ö¶Ë×Ó |
| T2 |
²âÊÔÊäÈë¶Ë×Ó |
| AUX |
°ëµ¼Ì帨ÖúÊä³ö | |
 |
| Á¬½ÓÆ÷ÕëNo. |
Ͷ¹âÆ÷²àÁ¬½ÓÆ÷ |
ÊܹâÆ÷²àÁ¬½ÓÆ÷ |
| 1 |
δʹÓà |
OSSD2 |
| 2 |
£«24V DC |
£«24V DC |
| 3 |
Ͷ¹âÍ£Ö¹ |
OSSD1 |
| 4 |
¸¨ÖúÊä³ö |
EDM (Íⲿ¼ÌµçÆ÷¼à¿Ø) |
| 5 |
ͬ²½µçÏߣ« |
ͬ²½µçÏߣ« |
| 6 |
ͬ²½µçÏߣ |
ͬ²½µçÏߣ |
| 7 |
0V |
0V |
| 8 |
ÆÁ±ÎµçÏß |
ÆÁ±ÎµçÏß | |
SF-C13
NPNÊä³öÐÍ ¡¤½«¹âÄ»´«¸ÐÆ÷¿ØÖÆÊä³öOSSD1ºÍOSSD2·Ö±ðÁ¬½Óµ½S4¡¢S2£¬½ÓµØÕý¼«²à¡£
 ×¢£º 1) ÉÏͼΪÊÖ¶¯¸´¹éʱµÄÇé¿ö¡£Ê¹ÓÃ×Ô¶¯¸´¹éʱ£¬Ç뽫Á¬½Óµ½X2µÄÏßÂ·ÖØÐÂÁ¬½Óµ½X3ÉÏ¡£´Ëʱ£¬ÎÞÐ踴¹é(RESET)°´Å¥¡£ 2) Ç뽫ÔÝʱÐԵĿª¹ØÓÃ×÷¸´¹é(RESET)°´Å¥¡£
PNPÊä³öÐÍ ¡¤½«¹âÄ»´«¸ÐÆ÷¿ØÖÆÊä³öOSSD1ºÍOSSD2·Ö±ðÁ¬½Óµ½S1¡¢S2¡£
 ×¢£º 1)ÉÏͼΪÊÖ¶¯¸´¹éʱµÄÇé¿ö¡£Ê¹ÓÃ×Ô¶¯¸´¹éʱ£¬Ç뽫Á¬½Óµ½X2µÄÏßÂ·ÖØÐÂÁ¬½Óµ½X3ÉÏ¡£´Ëʱ£¬ÎÞÐ踴¹é(RESET)°´Å¥¡£ 2) Ç뽫ÔÝʱÐԵĿª¹ØÓÃ×÷¸´¹é(RESET)°´Å¥¡£
 |
| ¶Ë×ÓÃû |
˵Ã÷ |
| A1 |
£«24V DC |
| A2 |
0V |
| S1¡«S4 |
¹âÄ»´«¸ÐÆ÷¿ØÖÆÊä³ö (OSSD)ÊäÈë¶Ë×Ó |
| AUX |
°ëµ¼Ì帨ÖúÊä³ö |
| X1 |
¸´¹éÊä³ö¶Ë×Ó |
| X2 |
¸´¹éÊäÈë¶Ë×Ó(ÊÖ¶¯) |
| X3 |
¸´¹éÊäÈë¶Ë×Ó(×Ô¶¯) |
| 13-14¡¢23-24¡¢33-34 |
°²È«Êä³ö(NO½Óµã¡Á3) |
| 41-42 |
¸¨ÖúÊä³ö(NC½Óµã¡Á1) | Èô½«¹âÄ»´«¸ÐÆ÷²à½ÓÏߣ¬ÇëÁíÍâ×¼±¸¶Ë×Ó×ù¡£
|
ʹÓÃÖ¸ÄÏ
¡¤±¾×°ÖÃÊÇÀàÐÍ2µçÆø¸ÐӦʽ±£»¤×°Öã¬Å·ÖÞ¹æ¸ñEN 954-1¹æ¶¨µÄ¿ØÖÆÖÖÀà(¿ØÖÆÏµÍ³µÄ°²È«¹ØÁ¬²¿·ÖÖÖÀà)ÖУ¬Ô¤ÏëÔÚÐèÒªÖÖÀà2¡¢ÖÖÀà1¼°ÖÖÀàBµÄϵͳÖÐʹÓá£ÔÚÐèҪѹ´²»úеµÈµÄÖÖÀà4¼°ÖÖÀà3µÄϵͳÖУ¬¾ø¶Ô²»¿ÉʹÓᣠ¡¤ÔÚº£Íâ°²×°±¾×°ÖÃʱ£¬ÊʺÏÓÃOSHA 1910.212ºÍOSHA 1910.217(ÃÀ¹ú)¡¢EN 999(EU)µÈ¡£°²×°Ìõ¼þÇëÈ·Èϸ÷¹úµÄ¹æ¸ñºÍ·¨Âɵȡ£ ¡¤±¾Ä¿Â¼ÊÇÑ¡ÔñºÏÊʲúÆ·µÄÏòµ¼¡£Ê¹ÓòúƷǰÇëÎñ±Ø²ÎÔIJúÆ·¸½´øµÄʹÓÃ˵Ã÷Êé¡£ ¡¤ÓÉÓÚ³ö³§Ê±Í¶¹âÆ÷ºÍÊܹâÆ÷¾ù¾¹ýµ÷Õû£¬Òò´ËÇ뽫Ͷ¹âÆ÷ºÍÊܹâÆ÷°´ÕÕÏàͬµÄÐòÁÐNo.×éºÏʹÓá£ÐòÁÐNo.±êÔÚͶ¹âÆ÷¼°ÊܹâÆ÷µÄ±êÅÆÉÏ¡£(ÐͺÅϲà) ¡¤Õý³£Ê¹ÓÃǰÎñ±Ø¼ì²éÔËÐС£ ¡¤¸Ã°²È«ÏµÍ³½öÓÃÓÚͨ¹ý½ô¼±Í£Ö¹²¿¼þ»ò¹Ø±ÕµçÔ´¼´¿ÉֹͣΣÏÕ²¿¼þ¹¤×÷µÄ»úÆ÷¡£ÇÐÎðʹÓù¤×÷Ñ»·Öв»¿ÉÍ£Ö¹µÄ»úÆ÷ϵͳ¡£
×ÔÎÒÕï¶Ï¹¦ÄÜ¡¤±¾×°Öñ¸ÓÐ×ÔÎÒÕï¶Ï¹¦ÄÜ¡£ ·¢ÏÖÒ쳣ʱ£¬ÂíÉϽøÈëËø¶¨×´Ì¬£¬¿ØÖÆÊä³ö(OSSD1¡¢OSSD2)¹Ì¶¨ÔÚOFF״̬¡£Çë²ÎÔĹÊÕϽâ¾ö(P.75)£¬¼°Ê¹ÓÃ˵Ã÷Ê飬ÅųýÒì³£µÄÔÒò¡£
¡¤ÎªÁËÈ·±£°²È«£¬ÇëÿÌìÖÁÉÙ¼ì²éÒ»´Î±¾×°ÖõÄÕÚ¹â״̬¡£ Èç¹û²»½øÐÐ×ÔÎÒÕï¶Ï£¬¾Í²»Äܼ°Ôç·¢ÏÖÒâÍâ¹ÊÕÏ£¬Î£ÏռӴ󡣿ÉÄܵ¼Ö±¾×°ÖÃÎó¶¯×÷ÒýÆðÖØÉËÉõÖÁËÀÍö¡£ ¡¤ÎªÁËÈ·ÈÏ¿ØÖÆÊä³ö(OSSD1¡¢OSSD2)ºÍ¸¨ÖúÊä³öµÄËùÓÐÒì³££¬±ØÐë¼ì²é±¾×°ÖõÄÕÚ¹â״̬¡£½«±¾×°ÖÃÉèÖóÉÕÚ¹â״̬½øÐмì²éʱ£¬ÇëʵʩÒÔÏÂÈÎÒâÒ»ÖÖ´ëÊ©¡£ ¡¤Í¨¹ý²âÊÔÊäÈë(ֹͣͶ¹â¹¦ÄÜ)£¬Ê¹Í¶¹âÍ£Ö¹¡£ ¡¤Í¨¹ý²âÊԸ˵ȣ¬ÕÚס¹âÖá¡£(µ«ÊÇ£¬Ê¹Óû¥»»µçÀÂSF2B-CB05-Aʱ³ýÍâ)¡£
Ͷ¹âÍ£Ö¹¹¦ÄÜ(²âÊÔÊäÈë)
¡¤Í¶¹âÆ÷ֹͣͶ¹â¹¤×÷µÄ¹¦ÄÜ¡£ÔÚ²âÊÔÊäÈë(·ÛºìÉ«)µÄ״̬Ï£¬¿ÉÒÔÑ¡ÔñͶ¹â/Ͷ¹âÍ£Ö¹¡£
|
²âÊÔÊäÈë
|
Ͷ¹â״̬ |
| |
ʹÓÃSF2-CB05-Bʱ |
| ¿ªÂ· |
Ͷ¹âÍ£Ö¹ |
Ͷ¹â |
| Á¬½Óµ½0V»ò£«V |
Ͷ¹â
|
Ͷ¹âÍ£Ö¹ | ¡¤Í¶¹âֹͣʱ£¬¿ØÖÆÊä³ö(OSSD1£¬OSSD2)³ÊOFF״̬¡£ ¡¤Ê¹Óñ¾¹¦ÄÜʱ£¬ÒòÍâÀ´µÄÔëÒôµ¼Ö´íÎó²Ù×÷ºÍ¿ØÖÆÊä³ö(OSSD1£¬OSSD2)¼°¸¨ÖúÊä³öµÄÒì³££¬ÔÚ×°ÖÃÅÔÒ²ÄÜÈ·ÈÏ¡£ £¼Ê±¼ä±í£¾
Çë²»Òª½«Í£Ö¹Í¶¹â¹¦ÄÜ(²âÊÔÊäÈë)ÓÃ×÷Í£Ö¹×°Öã¬ÕâÓпÉÄÜÔì³ÉËÀÍö»òÕßÖØÉË¡£
¸¨ÖúÊä³ö¡¤¸¨ÖúÊä³ö°²×°ÔÚͶ¹âÆ÷ÉÏ£¬¸ù¾ÝʹÓõĵ×ñµçÀÂ(ÁíÊÛ)µÄ²»Í¬£¬¸¨ÖúÊä³öµÄ¹¤×÷Ò²²»Ò»Ñù¡£
| µ×ñµçÀ |
ͨ³£¹¤×÷ |
Ëø¶¨ |
|
Ͷ¹âֹͣʱ
|
¿ØÖÆÊä³ö (OSSD1¡¢OSSD2)״̬ |
| Èë¹â |
ÕÚ¹â |
| ʹÓÃSF2B-CCB¡õ/ SF2B-CB¡õʱ |
ON |
OFF |
ON |
ON |
| ʹÓÃSF2B-CB05-Aʱ |
OFF |
ON
|
ON |
OFF |
| SF2B-CB05-B |
²»ÄÜʹÓà | ʹÓõ×ñµçÀÂSF2B-CCB¡õ/SF2B-CB¡õ(ÁíÊÛ)ʱ ¡¤¸¨ÖúÊä³ö°²×°ÔÚͶ¹âÆ÷ÉÏ£¬¿ØÖÆÊä³ö(OSSD1£¬OSSD2)ONʱOFF£¬¿ØÖÆÊä³ö(OSSD1£¬OSSD2)OFFʱON¡£ ¡¤¸¨ÖúÊä³ö¿É×÷Ϊ±¾×°ÖõŤ×÷¼à¿ØÆ÷ʹÓᣠ¡¤ÔÚ²»Ê¹ÓÃÍⲿÉ豸¼à¿Ø¹¦ÄÜʱ£¬ÎªÁËʹÍⲿÉ豸¼à¿Ø¹¦ÄÜÎÞЧ£¬ÇëÁ¬½Ó¸¨ÖúÊä³öÏߺÍÍⲿÉ豸¼à¿ØÆ÷ÊäÈëÏß¡£´Ëʱ£¬¸¨ÖúÊä³öÉÏÇëÎðÁ¬½Ó¸ººÉ¡£¹ØÓÚÏêÇ飬Çë²ÎÔÄÍⲿÉ豸¼à¿Ø¹¦ÄÜ(PDF P.72)¼°I/Oµç·ͼºÍÁ¬½Óͼ(PDF P.67)¡£ ¡¤ÍⲿÉ豸¼à¿Ø¹¦ÄÜÎÞЧʹÓÃʱ£¬ÇëÎ𽫸¨ÖúÊä³ö×÷Ϊ±¾×°ÖõŤ×÷¼à¿ØÆ÷Ö±½ÓʹÓá£ÍⲿÉ豸¼à¿ØÎÞЧÇÒ½«¸¨ÖúÊä³ö×÷Ϊ±¾×°ÖõŤ×÷¼à¿ØÆ÷ʹÓÃʱ£¬Ç뽫¸¨ÖúÊä³öºÍÍⲿÉ豸¼à¿ØÊäÈëÁ¬½Óµ½Íⲿ¼ÌµçÆ÷(ÇëÁíÍâ×¼±¸)ÉÏ£¬ÇÒ½«Íⲿ¼ÌµçÆ÷µÄ½Óµã×÷Ϊ±¾×°ÖõŤ×÷¼à¿ØÆ÷ʹÓá£
 ʹÓõ×ñµçÀÂSF2B-CB05-A(ÁíÊÛ)ʱ
ʹÓõ×ñµçÀÂSF2B-CB05-A(ÁíÊÛ)ʱ£¬ÇëÎñ±ØÊ¹Óø¨ÖúÊä³ö¡£¼´Ê¹²ÉÓÿØÖÆÊä³ö(OSSD1)»ò¸¨ÖúÊä³ö£¬ÈÔÊä³öOFFʱ£¬Çë²ÉÈ¡´ëÊ©£¬È·±£¿ØÖÆ»úеÄܹ»Í£Ö¹¡£È粻ʹÓø¨ÖúÊä³ö£¬Ôò¼´Ê¹ÔÚ¿ØÖÆÊä³ö(OSSD1)¹ÊÕÏÆÚ¼ä·¢ÉúÒâÍâ´íÎ󣬻úеҲÎÞ·¨Í£Ö¹¡£¿ÉÄܵ¼ÖÂÖØÉËÉõÖÁËÀÍö¡£ ¡¤ ¸¨ÖúÊä³ö°²×°ÔÚͶ¹âÆ÷ÉÏ£¬¸¨ÖúÊä³öÕý³£¹¤×÷ʱÊä³öON¡£ÔÚÒÔϵÄÇé¿öÏÂÊä³öOFF¡£ ¡¤ ·¢ÉúÒ쳣Ͷ¹âֹͣ״̬¡£[¿ØÖÆÊä³ö(OSSD1)·¢Éú¶Ì·£¬·¢ÉúÒì³£µÈÇé¿ö] ¡¤ ÔÚ²âÊÔÊäÈëÆÚ¼ä¡£ ¡¤ ¿ØÖÆ»úе·½Ãæ²»ÄÜ´«´ïÒì³£Çé¿ö£¬ËùÒÔÓɸ¨ÖúÊä³ö·¢³ö¾¯¸æÐźš£

ʹÓõ׸ǵçÀÂSF2B-CB05-B(ÁíÊÛ)ʱ ¡¤²»ÄÜͨ¹ýµ×¸ÇµçÀÂSF2B-CB05-B(ÁíÊÛ)£¬Ê¹Óø¨ÖúÊä³ö¡£
ÍⲿÉ豸¼à¿Ø¹¦ÄÜ¡¤ ʹÓõ×ñµçÀÂSF2B-CCB¡õ/SF2B-CB¡õ(ÁíÊÛ)ʱ£¬¿ÉÒÔʹÓñ¾¹¦ÄÜ¡£¸Ã¹¦ÄܱíÏÖΪ£¬Á¬½Óµ½¿ØÖÆÊä³ö(OSSD1¡¢OSSD2)µÄÍⲿ°² È«¼ÌµçÆ÷£¬¶ÔÊÇ·ñ°´ÕÕ¿ØÖÆÊä³ö(OSSD1¡¢OSSD2)Õý³£¶¯×÷½øÐмì²â¡£ ¼àÊÓÍⲿ°²È«¼ÌµçÆ÷µÄb½Óµã£¬¼ì²é½Óµãº¸½ÓµÈµÄ¹¤×÷²»Á¼ÒýÆðµÄÒ쳣ʱ£¬½«´«¸ÐÆ÷ÖÃÓÚËø¶¨×´Ì¬£¬¿ØÖÆÊä³ö(OSSD1¡¢OSSD2)OFF¡£ ʹÍⲿÉ豸¼à¿Ø¹¦ÄÜÓÐЧʱ ¡¤ Ç뽫ÍⲿÉ豸¼à¿ØÊäÈë(»ÆÂÌÉ«)Á¬½Óµ½Á¬½ÓÔÚ¿ØÖÆÊä³ö(OSSD1£¬OSSD2)ÉϵÄÍⲿ°²È«¼ÌµçÆ÷µÄb½ÓµãÉÏ¡£½ÓÏßͼÇë²ÎÔÄPDF P.67¡«¡£ ²»Ê¹ÓÃÍⲿÉ豸¼à¿Ø¹¦ÄÜʱ ¡¤ Ç뽫ÍⲿÉ豸¼à¿ØÊäÈë(»ÆÂÌÉ«)ºÍ¸¨ÖúÊä³ö(»ÆÂÌÉ«/ºÚÉ«)Á¬½Ó¡£
´®ÁªÁ¬½Ó×î¶à¿ÉÒÔÁ¬½Ó3Ì×(ºÏ¼Æ¹âÖáÊý×î¶à128¸ù)(×¢1)(×¢2) ¡¤ ¶àÌ×Ͷ¹âÆ÷ºÍÊܹâÆ÷´®ÁªÃæ¶ÔÃæµÄÁ¬½Ó·½·¨¡£ÔÚµ½´ïΣÏÕ²¿Î»ÐèÒª¾¹ý2¸öÒÔÉÏ·½ÏòʱʹÓ᣿ØÖÆÊä³ö(OSSD1£¬OSSD2)²»¹ÜÄĸö½ø ÈëÕÚ¹â״̬±ãOFF¡£ÏêÇéÇë²ÎÔÄʹÓÃ˵Ã÷Êé¡£ ×¢£º1) SF2B-H8-¡õºÍSF2B-A4-¡õÉÏûÓÐ×°±¸´®ÁªÁ¬½ÓÆ÷£¬ËùÒÔ²»ÄÜ´®ÁªÁ¬½Ó¡£SF2B-H8SLºÍSF2B-A4SLδÅ䱸´®ÁªÓÃÁ¬½ÓÆ÷£¬Òò´Ë£¬ÔÚ3Ì×´®ÁªÁ¬½Óʱ£¬Ö»ÄÜÓÃÓÚµÚ3Ìס£ 2) SF2B-A¡õµÄºÏ¼Æ¹âÖáÊý£¬Á¬½Ó2Ì×ʱ×î¶à96¸ù£¬Á¬½Ó3Ì×ʱ×î¶à64¸ù¡£SF2B-H¡õºÍSF2B-A¡õÒ»Æð´®ÁªÁ¬½Óʱ£¬Çë½öÏÞÓÚ½«SF2B-A¡õµÄ¹âÖáÊý³ËÒÔ2¼ÆË㣬ºÏ¼Æ¹âÖáÊýÔÚ128¸ùÒÔÏ¡£ Àý) SF2B-H36ºÍSF2B-A44´®ÁªÁ¬½ÓʱµÄºÏ¼Æ¹âÖáÊý¾ÍÊÇ124¸ù¡£SF2B-H36µÄ¹âÖáÊý£«(SF2B-A44µÄ¹âÖáÊý¡Á2)£½ºÏ¼Æ¹âÖáÊý 36¸ù¹âÖᣫ(44¸ù¹âÖá¡Á2)£½124¸ù¹âÖá
´®ÁªÁ¬½Óʱ£¬Ç뽫¹âÄ»´«¸ÐÆ÷ºÍ´®ÁªÁ¬½ÓרÓø¨Öú´«¸ÐÆ÷(ÁíÊÛ)µÄͶ¹âÆ÷ºÍͶ¹âÆ÷£¬ÒÔ¼°ÊܹâÆ÷ºÍÊܹâÆ÷ͨ¹ýרÓõĴ®ÁªÁ¬½ÓÓõçÀÂSF2B-CSL¡õ(ÁíÊÛ)Á¬½Ó¡£Èç¹û´íÎóÁ¬½Ó£¬»á·¢ÉúÎÞ·¨¼ì²âµÄÁìÓò£¬ÓпÉÄÜÔì³ÉËÀÍö»òÖØÉË¡£
²¢ÁªÁ¬½Ó¡¤ ֻʹÓû¥»»µçÀÂSF2B-CB05-B(ÁíÊÛ)ʱ£¬×î¶à¿ÉÒÔ²¢ÁªÁ¬½Ó2Ìס£ÏêÇéÇë²ÎÔÄʹÓÃ˵Ã÷Êé¡£
 |
´®Áª¡¢²¢Áª»ìºÏÁ¬½Ó¡¤ ֻʹÓû¥»»µçÀÂSF2B-CB05-B(ÁíÊÛ)ʱ£¬×î¶à¿ÉÒÔ´®Áª¡¢²¢Áª»ìºÏÁ¬½Ó3Ì×(ºÏ¼Æ¹âÖáÊý×î¶àΪ128¸ù¡£µ«SF2B-A¡õÁ¬½Ó2Ì×ʱ×î¶à96¸ù£¬Á¬½Ó3Ì×ʱ×î¶à64¸ù)¡£ÏêÇéÇë²ÎÔÄʹÓÃ˵Ã÷Êé¡£
 |
²¿¼þÃû³ÆºÍ¹¦ÄÜ |
| Ãû³Æ |
¹¦ÄÜ |
¹âÖá¶ÔÆë ָʾµÆ (ºìÉ«/ÂÌÉ«) [RECEPTION] |
A |
´«¸ÐÆ÷Éϲ¿ËùÓйâÖáÈë¹âʱ£ººìÉ«µÆÁÁÆð ´«¸ÐÆ÷×îÉ϶˹âÖáÈë¹âʱ£ººìÉ«µÆÉÁ˸ ¿ØÖÆÊä³ö(OSSD1¡¢OSSD2)ONʱ£ºÂÌÉ«µÆÁÁÆð (ʹÓÃSF2B-CB05-Bʱ£¬Ê±³£Ï¨Ãð) |
| B |
´«¸ÐÆ÷ÖÐÉϲ¿ËùÓйâÖáÈë¹âʱ£ººìÉ«µÆÁÁÆð ¿ØÖÆÊä³ö(OSSD1¡¢OSSD2)ONʱ£ºÂÌÉ«µÆÁÁÆð (ʹÓÃSF2B-CB05-Bʱ£¬Ê±³£Ï¨Ãð) |
| C |
´«¸ÐÆ÷ÖÐϲ¿ËùÓйâÖáÈë¹âʱ£ººìÉ«µÆÁÁÆð ¿ØÖÆÊä³ö(OSSD1¡¢OSSD2)ONʱ£ºÂÌÉ«µÆÁÁÆð (ʹÓÃSF2B-CB05-Bʱ£¬Ê±³£Ï¨Ãð) |
| D |
´«¸ÐÆ÷ϲ¿ËùÓйâÖáÈë¹âʱ£ººìÉ«µÆÁÁÆð ´«¸ÐÆ÷×î϶˹âÖáÈë¹âʱ£ººìÉ«µÆÉÁ˸ ¿ØÖÆÊä³ö(OSSD1¡¢OSSD2)ONʱ£ºÂÌÉ«µÆÁÁÆð (ʹÓÃSF2B-CB05-Bʱ£¬Ê±³£Ï¨Ãð) |
¹¤×÷ָʾµÆ (ºìÉ«/ÂÌÉ«) [OPERATION] |
¿ØÖÆÊä³ö(OSSD1¡¢OSSD)OFFʱ£ººìÉ«µÆÁÁÆð ¿ØÖÆÊä³ö(OSSD1¡¢OSSD)ONʱ£ºÂÌÉ«µÆÁÁÆð (ʹÓÃSF2B-CB05-Bʱ Ͷ¹âÆ÷Ò쳣ʱ£ººìÉ«µÆÁÁÆð Ͷ¹âÆ÷Õý³£Ê±£ºÂÌÉ«µÆÁÁÆð) |
Ͷ¹âָֹͣʾµÆ (³ÈÉ«) [HALT] |
Ͷ¹âֹͣʱ£ºÁÁµÆ£¬Í¶¹âʱ£ºÏ¨Ãð |
Ò쳣ָʾµÆ (»ÆÉ«) [FAULT] |
´«¸ÐÆ÷Ò쳣ʱÁÁµÆ»òÕßÉÁ˸ |
É趨ָʾµÆ (ºìÉ«) [SETTING] |
ʱ³£Ï¨Ãð (ʹÓÃSF2B-CB05-Bʱ ƵÂÊÉ趨³É1ʱ£¬ÁÁ1¸öµÆ ƵÂÊÉ趨³É2ʱ£¬ÁÁ2¸öµÆ) |
| ƵÂÊת»»¿ª¹Ø |
ʹÓÃSF2B-CB05-Bʱ£¬ ÔÚÖ÷/¸±²àת»» ʱʹÓá£ÔÚÖ÷²àÉ趨³É¡°1¡±£¬ÔÚ¸±²àÉ趨 ³É¡°2¡±¡£ | |
| Ãû³Æ |
¹¦ÄÜ |
¹âÖá¶ÔÆë ָʾµÆ (ºìÉ«/ÂÌÉ«) [RECEPTION] |
A |
´«¸ÐÆ÷Éϲ¿ËùÓйâÖáÈë¹âʱ£ººìÉ«µÆÁÁÆð ´«¸ÐÆ÷×îÉ϶˹âÖáÈë¹âʱ£ººìÉ«µÆÉÁ˸ ¿ØÖÆÊä³ö(OSSD1¡¢OSSD2)ONʱ£ºÂÌÉ«µÆÁÁÆð |
| B |
´«¸ÐÆ÷ÖÐÉϲ¿ËùÓйâÖáÈë¹âʱ£ººìÉ«µÆÁÁÆð ¿ØÖÆÊä³ö(OSSD1¡¢OSSD2)ONʱ£ºÂÌÉ«µÆÁÁÆð |
| C |
´«¸ÐÆ÷ÖÐϲ¿ËùÓйâÖáÈë¹âʱ£ººìÉ«µÆÁÁÆð ¿ØÖÆÊä³ö(OSSD1¡¢OSSD2)ONʱ£ºÂÌÉ«µÆÁÁÆð |
| D |
´«¸ÐÆ÷ϲ¿ËùÓйâÖáÈë¹âʱ£ººìÉ«µÆÁÁÆð ´«¸ÐÆ÷×î϶˹âÖáÈë¹âʱ£ººìÉ«µÆÉÁ˸ ¿ØÖÆÊä³ö(OSSD1¡¢OSSD2)ONʱ£ºÂÌÉ«µÆÁÁÆð |
OSSDָʾµÆ (ºìÉ«/ÂÌÉ«)[OSSD] |
¿ØÖÆÊä³ö(OSSD1¡¢OSSD2)OFFʱ£ººìÉ«µÆÁÁÆð ¿ØÖÆÊä³ö(OSSD1¡¢OSSD2)ONʱ£ºÂÌÉ«µÆÁÁÆð |
Èë¹âÁ¿Ö¸Ê¾µÆ (³ÈÉ«/ÂÌÉ«) [STB] |
Èë¹â³ä·Öʱ(Èë¹âÁ¿130%ÒÔÉÏ)(×¢1)£ºÂÌÉ«µÆÁÁÆð Èë¹âÎȶ¨Ê±(Èë¹âÁ¿115¡«130%)(×¢1)£ºÏ¨Ãð ²»Îȶ¨Èë¹âʱ(Èë¹âÁ¿100¡«115%)(×¢1)£º³ÈÉ«µÆÁÁÆð ÕÚ¹âʱ£ºÏ¨Ãð(×¢2) |
Ò쳣ָʾµÆ (»ÆÉ«) [FAULT] |
´«¸ÐÆ÷Ò쳣ʱÁÁµÆ»òÉÁ˸ |
Êý×Ö´íÎó ָʾµÆ (ºìÉ«)(×¢3) |
Ëø¶¨Ê±ÁÁµÆÏÔʾÒì³£ÄÚÈÝ (ʹÓÃSF2B-CB05-Bʱ Ëø¶¨Ê±ÁÁµÆÏÔʾÒì³£ÄÚÈÝ ÆµÂÊÉ趨Ϊ1ʱ£¬ÕýÖмäÁÁµÆ ƵÂÊÉ趨Ϊ2ʱ£¬ÕýÖм估϶ÎÁÁµÆ) |
| ƵÂÊת»»¿ª¹Ø |
ʹÓÃSF2B-CB05-Bʱ£¬ÔÚÖ÷/¸±²àת»»Ê±Ê¹Óá£ÔÚÖ÷²àÉ趨³É¡°1¡±£¬ÔÚ¸±²àÉ趨³É¡°2¡± | ×¢£º 1) ¿ØÖÆÊä³ö(OSSD1¡¢OSSD2)ÓÉOFF±äΪONµÄ»ù׼ֵΪÈë¹âÁ¿100%¡£ 2) ÕÚ¹âÊÇÖ¸ÔÚ¼ì²âÁìÓòÓÐÕÚ¹âÎïÌåµÄ´æÔÚ¡£ 3) ÏêÇéÇë²ÎÔĹÊÕϽâ¾ö(PDF P.75)¼°²úÆ·¸½´øµÄʹÓÃ˵Ã÷Êé¡£ 4) ÔÚÖ÷ÌåÉÏ£¬[ ]ÄÚ±êÓÐÁã¼þÃû³Æ¡£ |
½ÓÏß
Çë²ÎÕÕʹÓñ¾×°ÖõØÇøµÄÏàÓ¦¹æ¸ñ¡£ÁíÍ⣬ȷ±£²ÉÈ¡ËùÓбØÒª´ëÊ©ÒÔ±ÜÃâÓÉÓڽӵشíÎó¶ø¿ÉÄÜÒýÆðµÄΣÏÕ²Ù×÷´íÎó¡£ ¡¤ ÇëÈ·ÈÏÔÚµçÔ´¹Ø±Õ״̬ϽøÐнÓÏß¡£ ¡¤ÇëÈ·ÈϵçÔ´µçѹµÄ±ä»¯²»³¬³ö¶î¶¨·¶Î§¡£ ¡¤ Èç¹ûµçÔ´ÊÇÓÉͨÓÿª¹Øµ÷½ÚÆ÷Ìṩ£¬ÇëÈ·±£µçÔ´»ú¼Ü½ÓµØ¶Ë×Ó(F.G.)½ÓµØ¡£ ¡¤ Èç¹ûÔڸòúÆ·¸½½üʹÓòúÉúÔëÒôµÄÉ豸(¿ª¹Øµ÷½ÚÆ÷¡¢×ª»»·¢¶¯»úµÈ)£¬ÇëÎñ±Ø½«É豸»ú¼Ü½ÓµØ¶Ë×Ó(F.G.)½ÓµØ¡£ ¡¤ ÇëÎ𽫵çÏßÓë¸ßѹÏß»òµçÔ´Ïß²¢ÐнÓÏß»òÔÚͬһ¹ÜÏßÄÚÔËÐÐÏß·£¬Õâ¿ÉÄÜ»áÓÉÓÚ¸ÐÓ¦¶øÒýÆðÎó¶¯×÷¡£
ÆäËû¡¤µçÔ´½ÓͨºóµÄ¶Ìʱ¼ä(2s)ÄÚ£¬ÇëÎðʹÓᣠ¡¤ÇëÎðÔÚÓйý¶ÈË®ÕôÆø¡¢»Ò³¾µÈµÄ³¡ËùʹÓñ¾²úÆ·¡£ ¡¤ ÇëÎ𽫴«¸ÐÆ÷ÓëË®¡¢ÓÍ¡¢ÓÍÖ¬»òÓлúÈÜÒº£¬ÈçÏ¡ÊͼÁµÈÖ±½Ó½Ó´¥¡£ ¡¤ ijЩ¿ìËÙÆô¶¯Ê½»ò¸ßƵÕÕÃ÷ʽӫ¹âµÆµÄ¹âÏß¿ÉÄܶԼì²â´øÀ´Ó°Ï죬Çë×¢ÒⲻҪʹÆäÖ±½ÓÊܹ⡣
¡¤ °²×°»úÆ÷ʱ£¬ÇëÈ·±£±ØÐëÍêȫͨ¹ý¼ì²âÁìÓò²ÅÄܵ½´ï»úеΣÏÕ´¦¡£´ËÍ⣬ÔÚ»úÆ÷ΣÏÕ´¦½øÐÐ×÷ҵʱ£¬ÇëÈ·±£ÈËÌåµÄÒ»²¿·Ö»òÈ«²¿±ØÐëÁôÔÚ¼ì²âÁìÓòÄÚ¡£Èç¹ûδ¼ì²âµ½ÈËÌ壬ÓпÉÄÜÔì³ÉÖØÉËÉõÖÁËÀÍö¡£ ¡¤ ÇëÎðʹÓÃÈκη´ÉäÐÍ»ò»Ø¹é·´ÉäÐÍÉ豸¡£ ¡¤ Ç뽫Ïà¶ÔµÄͶ¹âÆ÷ºÍÊܹâÆ÷°´ÏàͬÀàÐÍ(¹âÖá¼ä¾à¡¢¹âÖáÊýÏàͬ)´ÓÉÏÏ·½Ïò¶ÔÆëÁ¬½Ó¡£Èç¹û½«²»Í¬ÀàÐ͵Ä×éºÏÁ¬½Ó£¬Ôò»áÒò´«¸ÐÆ÷¼ì²â²»µ½£¬´Ó¶øÓпÉÄÜÔì³ÉÖØÉËÉõÖÁËÀÍö¡£ ¡¤ Èç¹ûÏà¶ÔÒ»¸öͶ¹âÆ÷(ÊܹâÆ÷)Á¬½Ó¶à¸öÊܹâÆ÷(Ͷ¹âÆ÷)£¬Ôò»áÒò´«¸ÐÆ÷¼ì²â²»µ½»òÏ໥¸ÉÈÅ£¬´Ó¶øÓпÉÄÜÔì³ÉÖØÉËÉõÖÁËÀÍö¡£
ÕýÈ·µÄ°²×°·½·¨
 |
´íÎóµÄ°²×°·½·¨
 |
°²È«¾àÀë
¡¤ ÕýÈ·¼ÆË㰲ȫ¾àÀ룬¼ì²âÁìÓò¼°»úÆ÷ΣÏÕ²¿·ÖӦʼÖÕ±£³Ö°²È«¾àÀë»ò´óÓÚ°²È«¾àÀë¡£(¹ØÓÚ·½³Ìʽ£¬Çë¸ù¾Ý×îÐµĹæ¸ñÈ·ÈÏ¡£)Èô´íÎó¼ÆË㰲ȫ¾àÀë»òûÓб£³Ö°²È«¾àÀ룬»áÒòÔÚµ½´ï»úÆ÷ΣÏÕ²¿·Öǰ²»Äܽô¼±Í£Ö¹£¬´Ó¶øÓпÉÄÜÔì³ÉÖØÉËÉõÖÁËÀÍö¡£ ¡¤ Éè¼ÆÏµÍ³Ê±£¬Çë²ÎÔݲװʹÓÃÉ豸µÄÏà¹ØµØÇø±ê×¼¡£
 |
¡¤ µ±ÈË´¹Ö±½øÈë(Õý³£½øÈë)´«¸ÐÆ÷¼ì²âÁìÓòʱ£¬°²È«¾àÀëµÄ¼ÆËãÒÀ¾ÝÈçÏ·½³Ìʽ¡£Èô½øÈë·½Ïò²»´¹Ö±£¬ÇëÎñ±Ø²ÎÕÕÏà¹Ø¹æ¸ñ(µØÓò¡¢É豸¹æ¸ñµÈ)¡£ |
ÊÊÓÃÓÚÅ·ÖÞ(EU)(¸ù¾ÝEN999)(Ò²ÊÊÓÃÓÚISO13855) ´¹Ö±½øÈë¼ì²âÁìÓò ¡¤¹«Ê½1¡¡S£½K¡ÁT£«C S£º°²È«¾àÀë(mm) ¼ì²âÁìÓòµÄÏßÉÏ(ÃæÉÏ)ºÍ»úеµÄΣÏÕ²¿·Ö£¬µ½¼ì²âÁìÓò×î½ü µÄµØ·½£¬ËùÐèÒªµÄ×îµÍÏ޶ȵľàÀë¡£ K£ºÈËÌå»òÎïÌåµÄ½øÈëËÙ¶È(mm/s) ͨ³£ÒÔSF2B-H¡õ2,000(mm/s)£¬SF2B-A¡õ1,600(mm/s)¼ÆËã¡£ T£ºËùÓÐ×°ÖÃϵͳµÄ·´Ó¦Ê±¼ä(s) T£½Tm£«TSF2B Tm£º»úеµÄ×ֹͣʱ¼ä(s) TSF2B£º±¾×°Öõķ´Ó¦Ê±¼ä0.015(s) C£º´Ó´«¸ÐÆ÷µÄ×îС¼ì²âÎïÌåËã³öÀ´µÄ×·¼Ó¾àÀë(mm) µ«ÊÇ£¬CÖµ²»¿ÉСÓÚ0¡£ C£½8¡Á(d£14) d:×îС¼ì²âÎïÌåµÄÖ±¾¶(mm) SF2B-H¡õ£ºd£½27(mm)£¬C£½104(mm) SF2B-A¡õʱC£½850(mm)(¹Ì¶¨)¡£
¡¤¼ÆË㰲ȫ¾àÀëSʱ£¬·ÖΪÈçÏÂ5ÖÖÇé¿ö¡£ Ê×ÏÈ£¬ÉÏÊö¹«Ê½ÒÔK£½2,000(mm/s)¼ÆËã¡£´Ëʱ¼ÆËã½á¹û·ÖΪ3ÖÖ£¬1)S<100, 2)100¡ÜS¡Ü500, 3)S>500¡£¼ÆËã½á¹û3)S>500ʱ£¬Çë°´ÉÏÊö¹«Ê½ÒÔK£½1,600(mm/s)ÔٴμÆËã¡£´Ëʱ¼ÆËã½á¹û·ÖΪ2ÖÖ£¬4)S¡Ü500£¬5)S>500¡£¹ØÓÚÏêÇ飬Çë²ÎÔIJúÆ·¸½´øµÄʹÓÃ˵Ã÷Êé¡£ |
ÊÊÓÃÓÚÃÀ¹ú(¸ù¾ÝANSI B11.19) ¡¤¹«Ê½¡¡S£½K¡Á(Ts£«Tc£«TSF2B£«Tbm)£«Dpf S£º°²È«¾àÀë(mm) ¼ì²âÁìÓòµÄÏßÉÏ(ÃæÉÏ)ºÍ»úеµÄΣÏÕ²¿·Ö£¬µ½¼ì²âÁìÓò×î½üµÄµØ·½£¬ËùÐèÒªµÄ×îµÍÏ޶ȵľàÀë¡£ K£º½øÈëËÙ¶È(OSHAÍÆ¼öֵΪ63(inch/s)¡Ö1,600(mm/s)¡£ ÔÚANSI B11.19ÖÐ䶨Òå½øÈëËÙ¶È¡£¾ö¶¨ÊÊÓõÄKֵʱÇ뿼ÂǰüÀ¨²Ù×÷ÈËÔ±ÌåÁ¦ÔÚÄÚµÄÖî¶àÒªËØ¡£ Ts£º¿ØÖÆÒªËØ(¿ÕÆø·§µÈ)²â¶¨»úеµÄֹͣʱ¼ä(s) Tc£ºÍ£Ö¹ËùÐè»úе¿ØÖƵç·µÄ×î´ó·´Ó¦Ê±¼ä(s) TSF2B£º±¾×°Öõķ´Ó¦Ê±¼ä0.015(s) Tbm£ºÔÝÍ£¼à¿ØÆ÷ÔÊÐíµÄ×·¼Óֹͣʱ¼ä(s) Tbm£½Ta£(Ts£«Tc) Ta£ºÔÝÍ£¼à¿ØÆ÷É趨ʱ¼ä(s) »úеûÓÐ×°±¸ÔÝÍ£¼à¿ØÆ÷£¬½¨Ò齫(Ts£«Tc)µÄ20%ÒÔÉÏ×÷Ϊ׷¼Óֹͣʱ¼ä¡£ Dpf£ºÓÉ´«¸ÐÆ÷µÄ×îС¼ì²âÎïÌ弯Ëã³öµÄ×·¼Ó¾àÀë(mm) SF2B-H¡õ Dpf£½2.676(inch)¡Ö68(mm) SF2B-A¡õ Dpf£½5.355(inch)¡Ö136(mm) Dpf=3.4¡Á(d£0.276)(inch) Dpf=3.4¡Á(d£7)(mm) d£º×îС¼ì²âÎïÌåµÄÖ±¾¶1.063(inch)¡Ö27(mm) SF2B-H¡õ ×îС¼ì²âÎïÌåµÄÖ±¾¶1.851(inch)¡Ö47(mm) SF2B-A¡õ |
·´Éä±íÃæµÄÓ°Ïì
°²×°±¾×°ÖÃʱ£¬Ó¦¿¼ÂÇÀ´×ÔÖÜΧ·´ÉäÐÔ±íÃæµÄÓ°Ï죬²¢²ÉȡͿÊη´ÉäÃæ¡¢ÕڱΡ¢¼Ó´Ö·´ÉäÃæ£¬±ä¸ü·´ÉäÃæµÄ²ÄÖʵÈÊʵ±´ëÊ©¡£·ñÔòÈô¹âÄ»´«¸ÐÆ÷¼ì²â²»µ½£¬ÓпÉÄÜÔì³ÉÖØÉËÉõÖÁËÀÍö¡£ • Çë´Ó¹â·´ÉäÂʸߵıíÃæµ½ÈçÏÂËùʾµÄ×îС¼ä¸ôÒÔÉϽøÐÐÉèÖá£
 |
×¢£º 1) ʹÓÃSF2B-CB05-Bʱ£¬¼ì²â¾àÀëLΪ0.3¡«5m¡£ 2) ±¾×°ÖõÄÓÐЧ¿ª¿Ú½Ç°´IEC 61496-2/UL 61496-2µÄÐèÇóÊÇ¡À5º(L>3mʱ)ÒÔÏ£¬µ«¿¼Âǰ²×°Ê±µÄ¹âÖáÆ«ÒÆµÈÒòËØ£¬ÇëÉèÏëÓÐЧ¿ª¿Ú½ÇΪ¡À6º£¬Ô¶Àë¹âÔó±íÃæÔÙÉèÖᣠ|
¹ÊÕϽâ¾ö
| Ö¢×´ |
ÔÒò |
´¦Àí |
| ËùÓеÄָʾµÆÏ¨Ãð |
µçԴûÓй©¸ø¡£ |
ÇëÈ·ÈϵçÔ´ÈÝÁ¿ÊÇ·ñ³ä×ã¡£ÇëÕýÈ·Á¬½ÓµçÔ´¡£ |
| µçÔ´µçѹ²»ÔÚ¹æ¸ñÖµÄÚ¡£ |
Ç빩¸ø¹æ¸ñÖµÄڵĵçÔ´µçѹ¡£ |
| Á¬½ÓÆ÷ûÓÐÁ¬½ÓºÃ¡£ |
ÇëÁ¬½ÓºÃÁ¬½ÓÆ÷¡£ |
Ò쳣ָʾµÆ(»ÆÉ«) ÁÁµÆ»òÉÁ˸
 |
¡¾1´ÎÉÁ˸¡¿×ܹâÄ»´«¸ÐÆ÷Êý/×ܹâÖáÊýÒì³£¡£ |
ÇëÕýÈ·Á¬½Ó¶Ëñ¡£ ÇëÕýÈ·Á¬½Ó´®ÁªÁ¬½ÓÓõçÀ¡£ ÇëÈ·ÈÏ´®ÁªÁ¬½ÓרÓø¨Öú´«¸ÐÆ÷µÄ»úÖÖ(Ͷ¹âÆ÷¡¢ÊܹâÆ÷)¡£Ç뽫´®ÁªÁ¬½Ó¹âÄ»´«¸ÐÆ÷×ܹâÖáÊýÉ趨ÔÚ¹æ¸ñÖµÄÚ¡£ |
| ¡¾2´ÎÉÁ˸¡¿¸¨ÖúÊä³öÒì³£¡£ |
Ç뽫¸¨ÖúÊä³öÏßÕýÈ·½ÓÏß¡£ |
| ¡¾ÒÔÉÏÇé¿ö³ýÍâ¡¿ÔëÒô¡¢µçÔ´µÈµÄÓ°Ïì»òÄÚ²¿µç·µÄ¹ÊÕÏ¡£ |
ÇëÈ·Èϱ¾×°ÖõÄÖÜΧÔëÒô»·¾³¡£ ÇëÈ·ÈϽÓÏß¡¢µçÔ´µçѹ¡¢µçÔ´ÈÝÁ¿¡£Èç¹û»¹²»ÄÜÕý³£¹¤×÷£¬ÇëÓë±¾¹«Ë¾ÁªÏµ¡£ |
Ͷ¹âָֹͣʾµÆ (³ÈÉ«)ÁÁµÆ[HALT]
 |
ÏÖÔÚÊÇͶ¹âֹͣ״̬¡£ |
Ç뽫²âÊÔÊäÈë(Ͷ¹âÍ£Ö¹)ÏßÕýÈ·½ÓÏß¡£Ê¹ÓõçÀ²»Í¬£¬Âß¼Ò²²»Í¬¡£ |
| ͬ²½µçÏß½ÓÏßÒì³£¡£ |
Ç뽫ͬ²½µçÏßÕýÈ·½ÓÏß¡£ |
| ÊܹâÆ÷²àûÓй¤×÷¡£ |
Çë½øÐÐÊܹâÆ÷²à¼ì²é¡£ |
| ·À¸ÉÈÅÏß½ÓÏßÒì³£¡£(ʹÓÃSF2B-CB05-Bʱ£ºÉ趨ÔÚ¸±²à) |
Ç뽫·À¸ÉÈÅÏßÕýÈ·½ÓÏß¡£ |
| Ö÷/¸±²àÉ趨Òì³£¡£( ʹÓÃSF2B-CB05-Bʱ£ºÉ趨ÔÚÖ÷²à) |
ÇëÉ趨ÔÚÖ÷²à¡£ |
| Ö÷²àûÓй¤×÷¡£ |
Çë½øÐÐÖ÷²à¼ì²é¡£ |
¹¤×÷ָʾµÆÒ»Ö±ÁÁºìµÆ (ûÓÐÈë¹â)[OPERATION]
 |
Ͷ¹âÆ÷¡¢ÊܹâÆ÷Ö®¼äµÄ¹âÖáû¶ÔÆë¡£ |
Çëµ÷Õû¹âÖá¡£ |
| Ö¢×´ |
ÔÒò |
´¦Àí |
| ËùÓеÄָʾµÆÏ¨Ãð |
µçԴûÓй©¸ø¡£ |
ÇëÈ·ÈϵçÔ´ÈÝÁ¿ÊÇ·ñ³ä×ã¡£ÇëÕýÈ·Á¬½ÓµçÔ´¡£ |
| µçÔ´µçѹ²»ÔÚ¹æ¸ñÖµÄÚ¡£ |
Ç빩¸ø¹æ¸ñÖµÄڵĵçÔ´µçѹ¡£ |
| Á¬½ÓÆ÷ûÓÐÁ¬½ÓºÃ¡£ |
ÇëÁ¬½ÓºÃÁ¬½ÓÆ÷¡£ |
Ò쳣ָʾµÆ (»ÆÉ«)ÁÁµÆ»ò ÉÁ˸
 |
¡¾Êý×Ö´íÎóָʾµÆ£º ¡¿×ܹâÄ»´«¸ÐÆ÷Êý/¹âÖáÊýÒì³£¡£ |
ÇëÕýÈ·Á¬½Ó¶Ëñ¡£ ÇëÕýÈ·Á¬½Ó´®ÁªÁ¬½ÓÓõçÀ¡£ ÇëÈ·ÈÏ´®ÁªÁ¬½ÓרÓø¨Öú´«¸ÐÆ÷µÄ»úÖÖ(Ͷ¹âÆ÷¡¢ÊܹâÆ÷)¡£ Ç뽫´®ÁªÁ¬½Ó¹âÄ»´«¸ÐÆ÷×ܹâÖáÊýÉ趨ÔÚ¹æ¸ñÖµÄÚ¡£ |
| ¡¾Êý×Ö´íÎóָʾµÆ£º ¡¿¿ØÖÆÊä³ö(OSSD1¡¢OSSD2)Òì³£¡£ |
Ç뽫¿ØÖÆÊä³ö(OSSD1¡¢OSSD2)ÏßÕýÈ·½ÓÏß¡£ |
¡¾Êý×Ö´íÎóָʾµÆ£º ¡¿ÍâÂÒ¹âÒì³£¡£ |
ÇëÎð½«ÍâÂÒ¹âÈë¹âÖÁÊܹâÆ÷¡£ |
| ¡¾Êý×Ö´íÎóָʾµÆ£º ¡¿ÍⲿÉ豸¼à¿ØÆ÷Òì³£¡£ |
Ç뽫ÍⲿÉ豸¼à¿ØÊäÈëÏßÕýÈ·½ÓÏß¡£Çë¸ü»»¼ÌµçÆ÷¡£Çë¸ü»»ÖÁºÏÊʵķ´Ó¦Ê±¼äµÄ¼ÌµçÆ÷¡£ |
| ¡¾Êý×Ö´íÎóָʾµÆ£º ¡¿µ×²¿Á¬½ÓÆ÷Òì³£¡£ |
ÇëÈ·Èϵײ¿Á¬½ÓÆ÷µÄÖÖÀà¡£ÊܹâÆ÷²àµçÀÂÑÕÉ«£º»ÒÉ«(Óв»Í¬ÑÕ É«µçÏß) |
| ¡¾ÉÏÊöÇé¿ö³ýÍâ¡¿ÔëÒô¡¢µçÔ´µÈµÄÓ°Ïì»òÄÚ²¿µç·µÄ¹ÊÕÏ¡£ |
ÇëÈ·Èϱ¾×°ÖõÄÖÜΧÔëÒô»·¾³¡£ÇëÈ·ÈϽÓÏß¡¢µçÔ´µçѹ¡¢µçÔ´ÈÝÁ¿¡£Èç¹û»¹²»ÄÜÕý³£¹¤×÷£¬ÇëÓë±¾¹«Ë¾ÁªÏµ¡£ |
Îȶ¨Èë¹âָʾ µÆ(³ÈÉ«)ÁÁµÆ
 |
Ͷ¹âÆ÷ºÍÊܹâÆ÷Ö®¼äµÄ¹âÖáû¶ÔÆë¡£ |
Çëµ÷Õû¹âÖá¡£ |
OSSDָʾµÆ Ò»Ö±ÁÁºìµÆ (ûÓÐÈë¹â)
 |
Ͷ¹âÆ÷¡¢ÊܹâÆ÷Ö®¼äµÄ¹âÖáû¶ÔÆë¡£ |
Çëµ÷Õû¹âÖá¡£ |
| Ͷ¹âÆ÷¡¢ÊܹâÆ÷Ö®¼äµÄ¹âÖáÊý²»Í¬¡£ |
Çëµ÷ÕûÖÁÏàͬµÄ¹âÖáÊý¡£ |
| Ö÷/¸±É趨²»Í¬¡£(SF2B-CB05-BÉÏʹÓÃʱ) |
Çëµ÷ÕûÖÁÏàͬµÄÉ趨¡£ | |
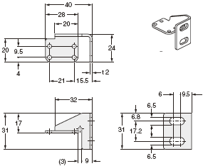
ÍâÐγߴçͼ(µ¥Î»£ºmm)
SF2B-¡õ SF2B-¡õSL ¹âÄ»´«¸ÐÆ÷¡¢´®ÁªÁ¬½ÓרÓø¨Öú´«¸ÐÆ÷
ÏÂͼÊDZê×¼°²×°Ö§¼ÜMS-SF2B-1(ÁíÊÛ)ºÍ¼ÞÁ¬Ö§³ÅÖ§¼ÜMS-SF2B-2µÄ°²×°Í¼¡£
| £¼ºó²¿°²×°£¾ |
£¼²àÃæ°²×°£¾ |  ×¢£º 1) ¼ÞÁ¬Ö§³ÅÖ§¼ÜMS-SF2B-2¸½´øÓÚ²úÆ·ÉÏ¡£²úÆ·²»Í¬£¬¸½´øµÄ¸öÊýÒ²²»Í¬¡£ 2) SF2B-H8(SL)-¡õºÍSF2B-A4(SL)-¡õ¼°SF2B-H8SLºÍSF2B-A4SLÉÏûÓÐ×°±¸¶Ëñ¡£
| ÐͺŠ|
A |
B |
C |
D |
E |
F |
| SF2B-H8(SL)(-¡õ) |
SF2B-A4(SL)(-¡õ) |
168 |
207 |
223 |
£ |
£ |
£ |
| SF2B-H12(SL)(-¡õ) |
SF2B-A6(SL)(-¡õ) |
232 |
270 |
286 |
£ |
£ |
£ |
| SF2B-H16(SL)(-¡õ) |
SF2B-A8(SL)(-¡õ) |
312 |
350 |
366 |
£ |
£ |
£ |
| SF2B-H20(SL)(-¡õ) |
SF2B-A10(SL)(-¡õ) |
392 |
430 |
446 |
£ |
£ |
£ |
| SF2B-H24(SL)(-¡õ) |
SF2B-A12(SL)(-¡õ) |
472 |
510 |
526 |
£ |
£ |
£ |
| SF2B-H28(SL)(-¡õ) |
SF2B-A14(SL)(-¡õ) |
552 |
590 |
606 |
£ |
£ |
£ |
| SF2B-H32(SL)(-¡õ) |
SF2B-A16(SL)(-¡õ) |
632 |
670 |
686 |
£ |
£ |
£ |
| SF2B-H36(SL)(-¡õ) |
SF2B-A18(SL)(-¡õ) |
712 |
750 |
766 |
£ |
£ |
£ |
| SF2B-H40(SL)(-¡õ) |
SF2B-A20(SL)(-¡õ) |
792 |
830 |
846 |
390 |
£ |
£ |
| SF2B-H48(SL)(-¡õ) |
SF2B-A24(SL)(-¡õ) |
952 |
990 |
1,006 |
470 |
£ |
£ |
| SF2B-H56(SL)(-¡õ) |
SF2B-A28(SL)(-¡õ) |
1,112 |
1,150 |
1,166 |
550 |
£ |
£ |
| SF2B-H64(SL)(-¡õ) |
SF2B-A32(SL)(-¡õ) |
1,272 |
1,310 |
1,326 |
418 |
842 |
£ |
| SF2B-H72(SL)(-¡õ) |
SF2B-A36(SL)(-¡õ) |
1,432 |
1,470 |
1,486 |
472 |
948 |
£ |
| SF2B-H80(SL)(-¡õ) |
SF2B-A40(SL)(-¡õ) |
1,592 |
1,630 |
1,646 |
525 |
1,055 |
£ |
| SF2B-H88(SL)(-¡õ) |
SF2B-A44(SL)(-¡õ) |
1,752 |
1,790 |
1,806 |
433 |
870 |
1,308 |
| SF2B-H96(SL)(-¡õ) |
SF2B-A48(SL)(-¡õ) |
1,912 |
1,950 |
1,966 |
473 |
950 |
1,428 | |
| ÐͺŠ|
G |
H |
L |
| SF2B-H¡õ |
20 |
6 |
6(×¢1) |
| SF2B-A¡õ |
40 |
26 |
6(×¢1) | ×¢£º1) SF2B-H8(SL)(-¡õ)ºÍSF2B-A4-(SL)(-¡õ)Ϊ22mm¡£ |
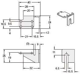
SF2B-¡õ SF2B-¡õSL ¹âÄ»´«¸ÐÆ÷¡¢´®ÁªÁ¬½ÓרÓø¨Öú´«¸ÐÆ÷
ÏÂͼÊDZê×¼°²×°Ö§¼ÜMS-SF2B-1(ÁíÊÛ)ºÍ¼ÞÁ¬Ö§³ÅÖ§¼ÜMS-SF2B-2µÄ°²×°Í¼¡£ ×¢£º 1) ¼ÞÁ¬Ö§³ÅÖ§¼ÜMS-SF2B-2¸½´øÓÚ²úÆ·ÉÏ¡£²úÆ·²»Í¬£¬¸½´øµÄ¸öÊýÒ²²»Í¬¡£ 2) SF2B-H8(SL)-¡õºÍSF2B-A4(SL)-¡õ¼°SF2B-H8SLºÍSF2B-A4SLÉÏûÓÐ×°±¸¶Ëñ¡£
| ÐͺŠ|
A |
K |
L |
M |
N |
P |
Q |
R |
| SF2B-H8(SL)(-¡õ) |
SF2B-A4(SL)(-¡õ) |
168 |
155 |
£ |
£ |
£ |
£ |
£ |
£ |
| SF2B-H12(SL)(-¡õ) |
SF2B-A6(SL)(-¡õ) |
232 |
219 |
£ |
£ |
£ |
£ |
£ |
£ |
| SF2B-H16(SL)(-¡õ) |
SF2B-A8(SL)(-¡õ) |
312 |
299 |
£ |
£ |
£ |
£ |
£ |
£ |
| SF2B-H20(SL)(-¡õ) |
SF2B-A10(SL)(-¡õ) |
392 |
379 |
£ |
£ |
£ |
£ |
£ |
£ |
| SF2B-H24(SL)(-¡õ) |
SF2B-A12(SL)(-¡õ) |
472 |
459 |
£ |
£ |
£ |
£ |
£ |
£ |
| SF2B-H28(SL)(-¡õ) |
SF2B-A14(SL)(-¡õ) |
552 |
539 |
£ |
£ |
£ |
£ |
£ |
£ |
| SF2B-H32(SL)(-¡õ) |
SF2B-A16(SL)(-¡õ) |
632 |
619 |
£ |
£ |
£ |
£ |
£ |
£ |
| SF2B-H36(SL)(-¡õ) |
SF2B-A18(SL)(-¡õ) |
712 |
699 |
£ |
£ |
£ |
£ |
£ |
£ |
| SF2B-H40(SL)(-¡õ) |
SF2B-A20(SL)(-¡õ) |
792 |
779 |
390 |
£ |
£ |
379.5 |
£ |
£ |
| SF2B-H48(SL)(-¡õ) |
SF2B-A24(SL)(-¡õ) |
952 |
939 |
470 |
£ |
£ |
459.5 |
£ |
|
| SF2B-H56(SL)(-¡õ) |
SF2B-A28(SL)(-¡õ) |
1,112 |
1,099 |
550 |
£ |
£ |
539.5 |
£ |
£ |
| SF2B-H64(SL)(-¡õ) |
SF2B-A32(SL)(-¡õ) |
1,272 |
1,259 |
418 |
842 |
£ |
407.5 |
831.5 |
£ |
| SF2B-H72(SL)(-¡õ) |
SF2B-A36(SL)(-¡õ) |
1,432 |
1,419 |
472 |
948 |
£ |
461.5 |
937.5 |
£ |
| SF2B-H80(SL)(-¡õ) |
SF2B-A40(SL)(-¡õ) |
1,592 |
1,579 |
525 |
1,055 |
£ |
514.5 |
1,044.5 |
£ |
| SF2B-H88(SL)(-¡õ) |
SF2B-A44(SL)(-¡õ) |
1,752 |
1,739 |
433 |
870 |
1,308
|
422.5 |
859.5 |
1,297.5 |
| SF2B-H96(SL)(-¡õ) |
SF2B-A48(SL)(-¡õ) |
1,912 |
1,899 |
473 |
950 |
1,428 |
462.5 |
939.5 |
1,417.5 | |
| ÐͺŠ|
G |
H |
L |
| SF2B-H¡õ |
20 |
6 |
6(×¢1) |
| SF2B-A¡õ |
40 |
26 |
6(×¢1) | ×¢£º1) SF2B-H8(SL)(-¡õ)ºÍSF2B-A4(SL)(-¡õ)Ϊ22mm¡£ |
MS-SF2B-1 ±ê×¼°²×°Ö§¼Ü(ÁíÊÛ)
ºó²¿°²×°Ê±
 |
²àÃæ°²×°Ê±
 |
ºó²¿°²×°Ê±
 ²ÄÖÊ:²»Ðâ¸Ö(SUS304) 4¸öÖ§¼Ü(RÐÍ¡¢LÐ͸÷2¸ö)1Ì× {¸½´øM3Áù±ßÐβåÍ·ÂÝ˨(³¤5mm) (¹âÄ»´«¸ÐÆ÷°²×°ÓÃ8¸ö£¬¹âÖáµ÷ÕûÓÃ8¸ö)}
|
²àÃæ°²×°Ê±
 |
MS-SF2B-2 ¼ÞÁ¬Ö§³ÅÖ§¼Ü(¸½´øÓÚ¹âÄ»´«¸ÐÆ÷)
ÓÃÓں󲿰²×°
 |
ÓÃÓÚ²àÃæ°²×°
 |
ÓÃÓÚÖ÷Ìå°²×°
 ²ÄÖÊ£º²»Ðâ¸Ö(SUS304) ºó²¿°²×°ÓᢲàÃæ°²×°Óá¢Ö÷Ìå°²×°Óø÷2¸ö1Ì×(×¢1) | ×¢£º 1) ¼ÞÁ¬Ö§³ÅÖ§¼ÜMS-SF2B-2¸½´øÓÚÏÂÊö²úÆ·ÖС£²úÆ·²»Í¬£¬¸½´øµÄ¸öÊýÒ²²»Í¬£¬ÈçÏÂËùʾ¡£ 1Ì×£ºSF2B-H¡õ¡40¡«56¹âÖáµÄ¹âÄ»´«¸ÐÆ÷£¬SF2B-A¡õ¡20¡«28¹âÖáµÄ¹âÄ»´«¸ÐÆ÷ 2Ì×£ºSF2B-H¡õ¡64¡«80¹âÖáµÄ¹âÄ»´«¸ÐÆ÷£¬SF2B-A¡õ¡32¡«40¹âÖáµÄ¹âÄ»´«¸ÐÆ÷ 3Ì×£ºSF2B-H¡õ¡88¡«96¹âÖáµÄ¹âÄ»´«¸ÐÆ÷£¬SF2B-A¡õ¡44¡«48¹âÖáµÄ¹âÄ»´«¸ÐÆ÷
MS-SF2B-3 ÎÞËÀ½Ç°²×°Ö§¼Ü(ÁíÊÛ)
Ö÷Ìå
 ²ÄÖÊ£º²»Ðâ¸Ö(SUS304)¡¢Ñ¹Öýп 4¸öÖ§¼Ü1Ì×
L×ÖÐΰ²×°
 |
¼ÞÁ¬Ö§³ÅÖ§¼ÜÓÃµæÆ¬(¸½´ø) ʹÓÃÎÞËÀ½Ç°²×°Ö§¼Ü²àÃæ°²×°¹âÄ»´«¸ÐÆ÷ʱ£¬½«Æä×÷Ϊ¼ÞÁ¬Ö§³ÅÖ§¼ÜMS-SF2B-2µÄµæÆ¬Ê¹Óá£
 ²ÄÖÊ£º²»Ðâ¸Ö(SUS304) 6¸öÖ§¼Ü1Ì× [¸½´ø12¸öM5Áù±ßÐβåÍ·ÂÝ˨(³¤8mm)]
°²×°µ÷Õû·¶Î§ ¹âÄ»´«¸ÐÆ÷µÄ×î´ó½Ç¶Èµ÷Õû·¶Î§Îª¡À10¡ã¡£
 |
MS-SF2B-4 SF1-N/NA40Óû¥»»°²×°Ö§¼Ü(ÁíÊÛ) ²ÄÖÊ:²»Ðâ¸Ö(SUS304) 4¸öÖ§¼Ü1Ì× [¸½´ø8¸öM3Áù±ßÐβåÍ·ÂÝ˨(³¤5mm)]
MS-SF2B-5 SF2-A£¯SF2-NÓû¥»»°²×°Ö§¼Ü(ÁíÊÛ)
ºó²¿°²×°Ê±
 |
²àÃæ°²×°Ê±
 |
ºó²¿°²×°Ê±
 ²ÄÖÊ£º²»Ðâ¸Ö(SUS304) 4¸öÖ§¼Ü(RÐÍ¡¢LÐ͸÷2¸ö)1Ì× {¸½´øM3Áù±ßÐβåÍ·ÂÝ˨(³¤5mm)(¹âÄ»´«¸ÐÆ÷°²×°ÓÃ8¸ö¡¢¹âÖáµ÷ÕûÓÃ8¸ö)} |
²àÃæ°²×°Ê±
 |
MS-SF2B-6 NA40Óû¥»»°²×°Ö§¼Ü(ÁíÊÛ)
 ²ÄÖÊ:²»Ðâ¸Ö(SUS304) 4¸öÖ§¼Ü(RÐÍ¡¢LÐ͸÷2¸ö)1Ì× [¸½´øM3Áù±ßÐβåÍ·ÂÝ˨(³¤5mm)(¹âÄ»´«¸ÐÆ÷°²×°ÓÃ8¸ö¡¢¹âÖáµ÷ÕûÓÃ8¸ö)] |
 |
MS-SF2B-7 SF1-NÓû¥»»°²×°Ö§¼Ü(ÁíÊÛ)
ÓÒ²àÃæÉϲ¿°²×°ÓÃ
 |
×ó²àÃæÉϲ¿°²×°ÓÃ
 |
ÓÒ²àÃæÏ²¿°²×°ÓÃ
 ²ÄÖÊ:²»Ðâ¸Ö(SUS304) 4ÖÖÒ»¸öÖ§¼Ü¸÷1Ì× [¸½´ø8¸öM3Áù±ßÐβåÍ·ÂÝ˨(³¤5mm)] |
×ó²àÃæÏ²¿°²×°ÓÃ
 |
SF2B-CCB¡õ µ×ñµçÀÂ(ÁíÊÛ) |
SF2B-CB¡õ µ×ñµçÀÂ(ÁíÊÛ) |
SFB-CC3 SFB-CC10 ÑÓ³¤ÓõçÀÂ(ÁíÊÛ) |
SFB-CCJ10E SFB-CCJ10D ÑÓ³¤ÓõçÀÂ(ÁíÊÛ) |
SF2B-CSL01 SF2B-CSL05 ´®ÁªÁ¬½ÓÓõçÀÂ(ÁíÊÛ) |
SF-C11 ¿ØÖƵ¥Ôª(ÁíÊÛ) |
SF-C13 ¿ØÖƵ¥Ôª(ÁíÊÛ) |
SF-LAT-2B ¼¤¹â¹âÖá¶ÔÆëÆ÷![SF-LAT-2B ¼¤¹â¹âÖá¶ÔÆëÆ÷]](/Editor/UploadFiles/products02/20081224141432703.gif) |
| |
SF-IND-2 ¹âÄ»´«¸ÐÆ÷´óÏÔʾÆ÷(ÁíÊÛ) |
|
|
|