|
|
|
 |
 |
| ×¢£º1) BSF4-AH80¿ÉÔÚA¡«B(ÆøÌå»òÕôÆû·ÖÀà)¡¢T1¡«T6(ζȵȼ¶)µÄ·¶Î§ÄÚʹÓá£
|
|
¡¤ ÕýÈ·¼ÆË㰲ȫ¾àÀ룬¼ì²âÁìÓò¼°»úÆ÷ΣÏÕ²¿·ÖӦʼÖÕ±£³Ö°²È«¾àÀë»ò´óÓÚ°²È«¾àÀë¡£Èô´íÎó¼ÆË㰲ȫ¾àÀë»òûÓб£³Ö°²È«¾àÀ룬»áµ¼ÖÂÖØÉËÉõÖÁËÀÍö¡£ ¡¤ Éè¼ÆÏµÍ³Ê±£¬Çë²ÎÔݲװʹÓÃÉ豸µÄÏà¹ØµØÇø±ê×¼¡£ |
 |
¡¤ µ±ÈË´¹Ö±ÒÆÏò(Õý³£½øÈë)´«¸ÐÆ÷¼ì²âÇøÊ±£¬°²È«¾àÀëµÄ¼ÆËãÒÀ¾ÝÒÔÏ·½³Ìʽ¡£ (¹ØÓÚ·½³Ìʽ£¬Çë¸ù¾Ý×îÐµĹæ¸ñÈ·ÈÏ¡£) |
|
|
¡¤ ·½³Ìʽ D£½K¡ÁT£«C D£º °²È«¾àÀë(mm)¼ì²âÁìÓò±íÃæÓë»úÆ÷µÄΣÏÕ²¿·ÖÖ®¼äµÄ×îС¾àÀë¡£ K£º ²Ù×÷Ô±ÉíÌå»òÎïÌåµÄ½øÈëËÙ¶È(mm/Ãë)ͨ³£ÒÔ2,000(mm/Ãë)¼ÆËã¡£ T£º ËùÓÐÉ豸·´Ó¦Ê±¼ä(Ãë)T£½Tm£«TSF2 Tm£ºÉ豸×î´óµÄֹͣʱ¼ä(Ãë)ss TSF2£ºSF2-EHϵÁз´Ó¦Ê±¼ä0.015(Ãë) C£º ÓÉ´«¸ÐÆ÷×îС¼ì²âÎïÌå³ß´ç¼ÆËã³öµÄ¶îÍâ¾àÀë(mm)¡£µ«ÊÇCÖµ²»¿ÉСÓÚµÈÓÚ0¡£C£½8¡Á(d£14) d£º×îС¼ì²âÎïÌåÖ±¾¶30(mm)¡£ |
|
|
¡¤ ·½³Ìʽ D£½K¡Á(Ts£«Tc£«TSF2£«Tbm)£«Dpf D£º °²È«¾àÀë(mm)¼ì²âÁìÓò±íÃæÓë»úÆ÷µÄΣÏÕ²¿·ÖÖ®¼äµÄ×îС¾àÀë¡£ K£º ½øÈëËÙ¶È{OSHAÍÆ¼öֵΪ63(inch/Ãë) [¡Ö1,600 (mm/Ãë)]}ANSI B11.19ûÓÐÏêϸ˵Ã÷½øÈëËÙ¶È(K)¡£¾ö¶¨Kֵʱ£¬Ó¦¿¼ÂǰüÀ¨²Ù×÷Ô±ÌåÁ¦ÔÚÄÚµÄÖî¶àÒòËØ¡£ Ts£ºÓÉ¿ØÖÆÔª¼þ(¿ÕÆø·§µÈ)µÄ¹¤×÷ʱ¼ä¼ÆËã³öµÄֹͣʱ¼ä(Ãë) Tc£º Í£Ö¹ËùÐè¿ØÖÆµç·×î´óµÄ·´Ó¦Ê±¼ä(Ãë) TSF2£ºSF2-EHϵÁз´Ó¦Ê±¼ä0.015Ãë Tbm£º ÔÝÍ£¼à¿ØÆ÷µÄ¶îÍâֹͣʱ¼ä¹«²î(Ãë)Tbm£½Ta£(Ts£«Tc) Ta£ºÔÝÍ£¼à¿ØÆ÷µÄÉ趨ʱ¼ä(Ãë)ÈôÉ豸ÎÞÔÝÍ£¼à¿ØÆ÷£¬¿É½«(Ts£«Tc)µÄ20%ÒÔÉÏΪ¶îÍâֹͣʱ¼ä¡£ Dpf£º ÓÉ´«¸ÐÆ÷×îС¼ì²âÎïÌå³ß´ç¼ÆËã³öµÄ¶îÍâ¾àÀë(mm) [Dpf£½78.2mm Dpf£½3.4¡Á(d£0.276) (inch) Dp£½3.4¡Á(d£7) (mm) d£º×îС¼ì²âÎïÖ±¾¶1.2 (inch)¡Ö30 (mm)] |
|
|
|
°²×°´«¸ÐÆ÷ʱӦ¿¼ÂÇÖÜΧ·´ÉäÐÔ±íÃæµÄÓ°Ïì²¢²ÉÈ¡Êʵ±µÄ´ëÊ©¡£·ñÔòÈô´«¸ÐÆ÷¼ì²â²»µ½£¬»áµ¼ÖÂÖØÉËÉõÖÁËÀÍö¡£ ¡¤ ÇëÔÚ´«¸ÐÆ÷ºÍ·´ÉäÃæÖ®¼ä±£³ÖÒÔϸø³öµÄ×îС¾àÀë¡£ |
  |
| ×¢£º ´«¸ÐÆ÷µÄÓÐЧ¿ª¿Ú½Ç°´IEC 61496-2/UL 61496-2µÄÒªÇóÊÇ¡À2.5¡ã(L£¾3m)£¬µ«Ô¶Àë·´Éä±íÃæ°²×°Ê±£¬³¬¹ý¡À3¡ãʱ»áµ¼ÖÂ¶ÔÆë´íÎó¡£ |
°²×° ¡¤ µçÀµÄ×îСÍäÇú°ë¾¶ÎªR35mm¡£°²×°´«¸ÐÆ÷ʱ£¬Ó¦¿¼ÂǵçÀÂÍäÇú°ë¾¶¡£ |
|
|
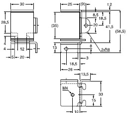
| ¡¤ ¸ù¾Ý°²×°·½Ïò(²àÃæ»òºó²¿)Ñ¡Ôñ´«¸ÐÆ÷°²×°Ö§¼ÜµÄ°²×°·½Ïò£¬ÓÃ2¸öÁù±ßÐβåÍ·ÂÝ˨ÁÙʱ¹Ì¶¨Ö§¼Ü£¬ÒÔµ÷Õû°²×°½Ç¶È(M4£¬³¤10mm)¡£¹âÖá¶ÔÆëºó£¬½«Æä°²È«½ô¹Ì¡£½ô¹ÌŤ¾ØÓ¦Îª1.2N¡¤mÒÔÏ¡£ |
| <²àÃæ°²×°> |
<ºó²¿°²×°> |
 | |
|
|
| 1.¸ù¾Ý°²×°·½Ïò(²à»òºó²¿)Ñ¡Ôñ´«¸ÐÆ÷°²×°Ö§¼ÜµÄ°²×°·½Ïò£¬ÓÃÁù±ßÐβåÍ·ÂÝ˨(M4£¬³¤10mm)ÁÙʱ¹Ì¶¨Ö§¼Ü½øÐÐλÖõ÷Õû¡£¹âÖá¶ÔÆëºó£¬½«Æä°²È«½ô¹Ì¡£½ô¹ÌŤ¾àӦΪ 1.2N¡¤mÒÔÏ¡£ |
 |
| 2.½«UÐμÞÁ¬Ö§³ÅÖ§¼Ü¿Ûס´«¸ÐÆ÷Ö÷Ì壬ÓÃÁù±ßÐβåÍ·ÂÝ˨(M4£¬³¤6mm)ÁÙʱ¹Ì¶¨Ö§¼Ü½øÐÐλÖõ÷Õû¡£¹âÖá¶ÔÆëºó£¬½«Æä°²È«½ô¹Ì¡£½ô¹ÌŤ¾ØÓ¦Îª1.2N¡¤mÒÔÏ¡£ |
 |
| ×¢£º ÉÏͼËùʾ°ÑͶ¹âÆ÷°²×°ÔÚ¼ÞÁ¬Ö§³ÅÖ§¼ÜÉϵķ½·¨¡£×¢Ò⣬Èô°ÑÊܹâÆ÷°²×°ÓëÖ§¼ÜÉÏ£¬¶¥²¿ºÍµ×²¿·½Ïòµßµ¹¡£ |
|
|
| 1.²ð³ýÖ÷´«¸ÐÆ÷ºÍ¸±´«¸ÐÆ÷ÉϵÄ4¸öM4ÂÝË¿(³¤10mm)¡£ÈçÏÂͼ¡£ |
 |
| 2.ÈçÏÂͼËùʾ£¬ÔÚÖ÷´«¸ÐÆ÷ºÍ¸±´«¸ÐÆ÷ÉϲðÏÂÂÝË¿´¦°²×°´®ÁªµçÀ¡£ |
 |
Ͷ¹âÍ£Ö¹¹¦ÄÜ ¡¤ µ±Í¶¹âÍ£Ö¹µÄµçÏß(·ÛºìÉ«)Á¬½ÓÔÚ£«V»ò±£³Ö¿ªÂ·Ê±£¬Í¶¹â¼´±»Í£Ö¹¡£ÓÉÓÚ¼ì²âÊä³öÎÞÐè¼ì²âÎïÌå¼´¿É½øÐÐON/OFFÇл»£¬Í¶¹âÍ£Ö¹ÄÜÓÃÓÚÆô¶¯²âÊÔ¡£ |
 |
|
|
| ¡¤ ´®ÁªÁ¬½Ó×î¶à4Ì×(×î¶à192¹âÖá)£¬²¢ÁªÁ¬½Ó×î¶à4Ì×(×î¶à192¹âÖá)¼°´®ÁªºÍ²¢Áª»ìºÏÁ¬½Ó×î¶à12Ì×(×î¶à192¹âÖá)£¬¿ÉÒÔ·ÀÖ¹¸ÉÈÅ¡£ÒÔ´ËΪÀý£¬½«¸ö±ð¸ÉÈÅ(£«)(»ÒÉ«)ÓëÏàÁÚ´«¸ÐÆ÷µÄ¸ÉÈÅ(£)(»Ò/ºÚ)ÏàÁ¬½Ó¡£ |
 |
|
|
¡¤ ÒÔ²¢Áª»ò²¢Áª¡¢´®Áª»ìºÏÁ¬½ÓΪÀý£¬ÔÚ´ò¿ªµçԴ֮ǰ£¬½«Ö÷´«¸ÐÆ÷AµÄÖ÷/¸±Ñ¡ÔñÊäÈë(×Ï)Á¬½ÓÖÁ0V£¬²¢½«¸±´«¸ÐÆ÷BµÄÖ÷/¸±Ñ¡ÔñÊäÈë(×Ï)Á¬½Óµ½£«V»ò¿ªÂ·¡£Ö÷/¸±µÄÑ¡ÔñÔÚ´ò¿ªµçԴʱֻÄܽøÐÐÒ»´Î¡£ÈçÑ¡ÔñÊÇÔÚ´ò¿ªµç Ô´ºó½øÐУ¬ÔòÎÞ·¨¸ü¸Ä¡£ÁíÍ⣬µ±´«¸ÐÆ÷ÉèΪ¸±Ê±£¬Ö÷/¸±Ñ¡ÔñÊäÈë±£³Ö¿ªÂ·£¬ÇëÈ·±£Æä¾øÔµÐÔ¡£ ¡¤ µ±´®ÁªÁ¬½Ó»ò×÷Ϊ1Ì×ʹÓÃʱ£¬½«Ö÷´«¸ÐÆ÷µÄÖ÷/Ñ¡ÔñÊäÈë(×Ï)Á¬½Óµ½0V¡£ |
 |
Á¬½Ó |
|
|
|
| µ±¿ÉÒÔ´Ó2¸ö»ò¸ü¶à·½Ïò½Ó½üΣÏÕÇøÓòʱ£¬¶àÌ×µÄͶ¹âÆ÷ºÍÊܹâÆ÷Ó¦´®ÁªÁ¬½Ó¡£µ±ÈκÎÒ»Ì׵ĹâÖá±»¸ÉÈÅʱ£¬Êä³ö¼´×ªÎªOFF¡£ |
¡¤ Èô¿ÉÒÔ´Ó2¸öÒÔÉÏ·½Ïò½Ó½ü2¸öÒÔÉϵÄΣÏÕÇøÓò£¬¶à×éµÄͶ¹âÆ÷ºÍÊܹâÆ÷¿É½øÐд®ÁªºÍ²¢ÁªµÄ»ìºÏÁ¬½Ó¡£¶ÔÓÚ´®ÁªÁ¬½ÓµÄ´«¸ÐÆ÷£¬ÈçÈκιâÖá±»¸ÉÈÅ£¬Êä³ö¼´×ªÎªOFF¡£¶ÔÓÚ²¢ÁªÁ¬½ÓµÄ´«¸ÐÆ÷£¬Ö»ÓйâÖá±»¸ÉÈŵĴ«¸ÐÆ÷µÄÊä³öתΪOFF¡£ |
![´®ÁªÁ¬½Ó [×î¶à¿ÉÁ¬½Ó4Ì×(×î¶à192¹âÖá)]](/Editor/UploadFiles/products02/20081224154942458.jpg) |
![´®Áª/²¢Áª»ìºÏÁ¬½Ó[×î¶à¿ÉÁ¬½Ó12Ì×(×î¶à192¹âÖá)]](/Editor/UploadFiles/products02/20081224154942762.jpg) |
|
|
Èô½ö´Ó1¸ö·½Ïò¾Í¿É½Ó½ü2¸ö»ò¸ü¶àµÄΣÏÕÇøÓò£¬Í¨¹ýÁ¬½Ó Ͷ¹âÆ÷ºÍÊܹâÆ÷µÄ·À¸ÉÈÅÏßÒÔµ¥¶À¼à¿ØÎ£ÏÕÇøÓò£¬¶àÌ×Ͷ ¹âÆ÷ºÍÊܹâÆ÷¿É²¢ÁªÁ¬½Ó¡£ÓÉÓÚÊä³öÊǵ¥¶ÀµÄ£¬Òò´Ë½ö¹â Öá±»¸ÉÈŵĴ«¸ÐÆ÷µÄÊä³öת»»ÎªOFF¡£ |
![²¢ÁªÁ¬½Ó [×î¶à¿ÉÁ¬½Ó4Ì×(×î¶à192¹âÖá)]](/Editor/UploadFiles/products02/20081224154942358.jpg) |