Ò»¡¢ ÒºÌåÎÐÂÖÁ÷Á¿¼ÆµÄ¸ÅÊö
PN-LY2200ϵÁÐ
ÎÐÂÖÁ÷Á¿¼ÆÊDZ¾¹«Ë¾²ÉÓùúÍâÏȽø¼¼ÊõÉú²úÖÆÔìµÄ£¬ÊÇ×îÀíÏë¼ÆÁ¿ÒºÌåµÄÁ÷Á¿¼ÆÖ®Ò»¡£Ëü¾ßÓнṹ¼òµ¥£¬¼ÆÁ¿¾«¶È¸ß£¬Ê¹ÓÃÊÙÃü³¤£¬²Ù×÷¼òµ¥£¬ÈÝÒ×¼ìÐÞµÈÌØµã¡£¸Ã²úÆ·¹ã·ºÓÃÓÚÒ±½ð¡¢»¯¹¤¡¢Ê¯ÓÍ¡¢³Ç½¨¡¢»·±£¡¢Ê³Æ·µÈÁìÓò£¬¸ß¾«¶È²âÁ¿Ë®¡¢×ÔÀ´Ë®¡¢²ñÓÍ¡¢ÆûÓͺͽϵÍÕ³¶ÈÔÓ͵ÈÒºÌåµÄÌå»ýÁ÷Á¿¡£
¶þ¡¢ ÒºÌåÎÐÂÖÁ÷Á¿¼ÆµÄ¹¤×÷ÔÀí¸ÐÆ÷ÄÚµÄÎÐÂÖÔÚÁ÷Ìå×÷ÓÃϲúÉúÐýת£¬Ê¹Ðźżì²âÆ÷µÄ´Å³¡²úÉú±ä»¯£¬Òò´ËÔÚÐźżì²âÆ÷µÄÏßȦÖиÐÓ¦³ö½»±äµçѹ£¬ÔÚ¾¹ý·Å´óÆ÷·Å´ó¡¢Â˲¨¡¢ÕûÐÎÊä³ö·½²¨Ðźš£´ËÐźŵçѹµÄƵÂÊÓëÒ¶ÂÖµÄתËÙ³ÉÕý±È£¬¼´ÓëÁ÷ÌåµÄÁ÷Á¿£¨Á÷ËÙ£©³ÉÕý±È¡£
Èý¡¢ÒºÌåÎÐÂÖÁ÷Á¿¼ÆµÄÒDZíÀàÐÍ
A¡¢ÏÖ³¡ÏÔʾÐÍ ±¾ÖÇÄÜÁ÷Á¿¼ÆÊDzÉÓÃÏȽøµ¥Æ¬Î¢»ú¼¼ÊõÉè¼ÆµÄÐÂÐÍÁ÷Á¿¼ÆÏÔʾÒÇ±í£¬ÓëÂö³åÐźÅÊä³öµÄÁ÷Á¿´«¸ÐÆ÷£¨ÈçÎÐÂÖ¡¢ÐýÎУ©ÅäÌס£¿ÉÏÔʾ˲ʱÁ÷Á¿ºÍÀÛ¼Æ×ÜÁ¿¡£ÀÛ¼ÆÁ÷Á¿£º°ËλÊý×Ö£¬Ð¡ÊýµãºóÃæ3λÓÐЧÊý×Ö¡£Ë²Ê±Á÷Á¿£ºÁùλÊý×Ö£¬¿ÉÏÔʾ³öÿÉýµÄ±ä»¯¡£ÏÔʾ¾«¶È£º¡À1¸öÏÔʾµ¥Î»¡£ÐźÅÊä³ö£ºÂö³åÊä³ö£º1~3000HzÍ⹩+12~+24VDCµçÔ´ µçÁ÷Êä³ö£º4~20mAÍ⹩+24VDCµçÔ´£¨Á½ÏßÖÆ£©ÄÚÖÃ2½Ú3Vï®µç³Ø²¢Áª¹©µç¡£µ±µçѹµÍÓÚ2.7Vʱ³öÏÖǷѹָʾ£¬¸ô±¬ÐÍ¡£Ð¡ÐźÅÇгý¹¦ÄÜ¡£
B¡¢Âö³åÊä³öÐÍ ¹¤×÷µçѹ£º+12VDC»ò+24VDCÁ½ÖÖ£¨¿Í»§¶¨»õǰ±ØÐëÑ¡¶¨Ò»ÖÖ¹©µçµçÔ´£©¡£ÐźŴ«Êä¾àÀ룺СÓÚ250Ãס£Êä³öÐźţº·½²¨ÐźŷùÖµ£º+12VDC¹©µç·ùÖµ´óԼΪ10V+24VDC¹©µç·ùÖµ´óԼΪ20V°²×°£º·Å´óÆ÷ºÍÎÐÂÖÁ÷Á¿´«¸ÐÆ÷Á¬½ÓΪM16¡Á1.5ÂÝÎÆ£¬ÎÐÂÖÁ÷Á¿´«¸ÐÆ÷°²×°Íêºó£¬°Ñ·Å´óÆ÷Å¡µ½ÎÐÂÖÁ÷Á¿´«¸ÐÆ÷ÉÏ£¬ÓÃÊÖÅ¡µ½¸Ð¾õ·Å´óÆ÷µ½µ×ºóÔÙ°ÑËø½ôÂÝĸ´ø½ô¡£½ÓÏߣºÂö³åÊä³öÐÍ·Å´óÆ÷¶ÔÍâÒýÏßΪÈý¸ù£¬ºìÏß¡¢°×Ïߺ͡£ºìÏß½ÓÕýµçÔ´£¬°×ÏßΪÂö³åÊä³öºÍÆäËüÏÔʾÒÇ»òÉ豸Á¬½Ó£¬½ÓµØ¡£
C¡¢4¡«20mAÊä³öÐÍ ¹¤×÷µçѹ£ºÍ⹩µç+24VDC£¨Á½ÏßÖÆ£©Êä³öÐźţº4~20mA»ò1-5V¡¢4mA¶ÔÓ¦ÎÐÂÖÁ÷Á¿´«¸ÐÆ÷ÁãÁ÷Á¿£¬20mA¶ÔÓÃÎÐÂÖÁ÷Á¿´«¸ÐÆ÷×î´óÁ÷Á¿£¬Á÷Á¿·¶Î§¼ûÎÐÂÖÁ÷Á¿´«¸ÐÆ÷ÃúÅÆ¡£ÐźŴ«Êä¾àÀ룺СÓÚ250Ãס£°²×°£ºÎÐÂÖÁ÷Á¿´«¸ÐÆ÷°²×°Íêºó£¬°Ñ·Å´óÆ÷Å¡µ½ÎÐÂÖÁ÷Á¿´«¸ÐÆ÷½ÓÍ·´¦£¨m16¡Á1.5ÂÝÎÆ£©£¬ÓÃÊÖÅ¡µ½¸Ð¾õ·Å´óÆ÷ÒѾµ½µ×ºó°ÑËø½ôÂÝĸ´ø½ô¡£½ÓÏߣº4~20mAÊä³öÐÍ·Å´óÆ÷¶ÔÍâÒýÏßΪºìÏߺͰ×Ïß¡£ºìÏßΪµçÔ´Ïߣ¬°×ÏßΪÐźÅÏß¡£
D¡¢·ÖÌåÔ¶´«ÏÔʾÐÍ ¹¤×÷µçѹ£ºÍâµçÔ´¹©µç220VACÐźŴ«Êä¾àÀ룺СÓÚ250Ã×ÏÔʾÒÇ˲ʱËÄλ£ºÀÛ¼Æ×ÜÁ¿¾ÅλÏÔʾÏÔʾÒdzߴ磺ºáʽ£º160mm¡Á80mmÊúʽ£º80mm¡Á160mmÏÔʾÒÇ´ø4~20mAÊä³ö²¢ÄÜÓë¼ÆËã»úÁ¬½Ó. ËÄ¡¢ ÒºÌåÎÐÂÖÁ÷Á¿¼ÆµÄÉè¼ÆÌØµã PN-LY2200ÐÍÎÐÂÖÁ÷Á¿¼Æ¾ßÓÐG£¨¸ß£©¡¢Z£¨ÖУ©¡¢D£¨µÍ£©ÈýÖÖϵÁУ¬¹¤×÷ѹÁ¦×î¸ß´ïµ½50Mpa¡£Ö÷ÒªÓÃÓÚÓÍÌïעˮϵͳ¶Ô¸ßѹˮµÄ¼ÆÁ¿¡£Í¬Ê±»¹ÊÊÓÃÓÚ¸÷ÖָߵÍѹˮ»úϵͳµÄÁ÷Á¿¼ì²â¡£ ²ÉÓÃȫӲÖʺϽð£¨Ì¼»¯ÎÙ£©Ê½Ðü±ÛÁº½á¹¹Öá³Ð£¬¼¯×ª¶¯Öá³ÐÓëѹÁ¦Öá³ÐÓÚÒ»Ì壬´ó´óÌá¸ßÁËÖá³ÐÊÙÃü£¬²¢¿ÉÔÚÉÙÁ¿ÄàɳÓëÎÛÎïµÄ½éÖÊÖй¤×÷¡£ ´«¸ÐÆ÷²ÉÓÃÈ«²»Ðâ¸Ö½á¹¹£¬£¨ÎÐÂÖ²ÉÓÃ2Cr13£©·À¸¯Ê´ÐÔÄܺá£îÌîÜÓÀ´ÅºÏ½ð×÷ΪÐźżì²âÆ÷£¬Êä³öÐźÅÇ¿£¬´ÅÎȶ¨ÐԺ㬿ÉÔÚ0-120¡æ½éÖÊÖÐÕý³£¹¤×÷¡£ ÈÝÒ×άÐÞ£¬Á÷Á¿¼ÆÓÐ×ÔÕûÁ÷µÄ½á¹¹£¬Ð¡ÐÍÇáÇÉ£¬½á¹¹¼òµ¥£¬¿ÉÔÚ¶Ìʱ¼äÄÚ½«Æä×éºÏ²ð¿ª£¬ÄÚ²¿ÇåÎú¼òµ¥¡£ Îå¡¢ ÒºÌåÎÐÂÖÁ÷Á¿¼ÆµÄÖ÷Òª¼¼Êõ²ÎÊý£º¸½±íÒ»
²âÁ¿½éÖÊ£ºÒºÌå ´«¸ÐÆ÷¾«¶È£º¡À0.5%£»¡À1.0%£¨Ìض¨¿É´ï0.2%£© ÖØ¸´ÐÔ£ºÖ¸Ê¾ÖµµÄ¡À0.2% »·¾³Î¶ȣº0¡æ¡«+120¡æ Ïà¶Ôʪ¶È£º5%¡«95% ·À±¬±êÖ¾£ºibIIBT4 ·À»¤µÈ¼¶£ºIP67 |
¸½±íÒ» |
|
| |
|
|
|
|
|
|
|
| |
|
| ÐͺŠ|
Õý³£Á÷Á¿·¶Î§m3/h |
ÏÂÏÞÀ©´ó·¶Î§m3/h |
¹¤×÷ѹÁ¦MPa |
GÐ͹¤×÷ѹÁ¦MPa |
ZÐ͹¤×÷ѹÁ¦MPa |
DÐ͹¤×÷ѹÁ¦MPa |
¹«³ÆÍ¨¾¶MM |
| LY-4 |
0.04-0.25 |
|
|
|
6.4 |
2.5 |
4 |
| LY-6 |
0.1-0.6 |
|
|
|
6.4 |
2.5 |
6 |
| LY-10 |
0.2-1.2 |
|
25 |
25 |
|
2.5 |
10 |
| LY-15 |
0.7-6 |
0.6-6 |
32 |
32 |
6.4 |
2.5 |
15 |
| LY-25 |
1.2-10 |
1-10 |
50 25 |
50 |
6.4 |
2.5 |
25 |
| LY-40 |
2.5-20 |
2-20 |
50 25 |
50 |
6.4 |
2.5 |
40 |
| LY-50 |
5-40 |
4-40 |
50 2.5 |
50 |
6.4 |
2.5 |
50 |
| LY-80 |
12-100 |
10-100 |
32 2.5 |
32 |
6.4 |
2.5 |
80 |
| LY-100 |
25-200 |
20-200 |
32 2.5 |
|
6.4 |
2.5 |
100 |
| LY-150 |
50-400 |
40-400 |
25 1.6 |
|
6.4 |
2.5 |
150 |
| LY-200 |
100-800 |
80-800 |
25 1.6 |
|
6.4 |
2.5 |
200 |
| LY-250 |
150-1200 |
120-1200 |
25 1.6 |
|
6.4 |
2.5 |
250 |
| LY-300 |
300-2500 |
250-2500 |
1.6 |
|
6.4 |
2.5 |
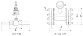
300 | | | Áù¡¢ ÒºÌåÎÐÂÖÁ÷Á¿¼ÆµÄÒDZí½á¹¹³ß´ç
 ¸½±í¶þ
| ¹«³ÆÍ¨¾¶DN |
¸ßGÖÐZµÍD |
Á¬½Ó·½Ê½ |
L1 |
L |
D |
D1 |
d |
¿×Êý |
±¸×¢ |
| 4 |
Z |
ZG3/8 |
65 |
420 |
|
|
|
|
|
| D |
ZG3/8 |
65 |
420 |
|
|
|
|
|
| 6 |
Z |
ZG3/8 |
65 |
420 |
|
|
|
|
|
| D |
ZG3/8 |
65 |
420 |
|
|
|
|
|
| 10 |
G |
M24¡Á2 |
65 |
215 |
|
|
|
|
µ¼¹ÜÁ¬½Ó |
| D |
M24¡Á2 |
65 |
215 |
|
|
|
|
µ¼¹ÜÁ¬½Ó |
| 15 |
G |
M27¡Á1.5 |
72 |
290 |
|
|
|
|
µ¼¹ÜÁ¬½Ó |
| D |
M27¡Á1.5 |
72 |
290 |
|
|
|
|
µ¼¹ÜÁ¬½Ó |
| 20 |
G |
M36¡Á2 |
91 |
390 |
|
|
|
|
µ¼¹ÜÁ¬½Ó |
| D |
M36¡Á2 |
91 |
390 |
|
|
|
|
µ¼¹ÜÁ¬½Ó |
| 25 |
G |
M48¡Á2 |
110 |
410 |
|
|
|
|
µ¼¹ÜÁ¬½Ó |
| Z |
·¨À¼Á¬½Ó |
110 |
150 |
115 |
85 |
14 |
4 |
|
| D |
·¨À¼Á¬½Ó |
110 |
150 |
115 |
85 |
14 |
4 |
|
| 40 |
G |
M64¡Á2.5 |
174 |
363 |
188 |
146 |
23 |
6 |
|
| G |
M55¡Á2 |
160 |
560 |
|
|
|
|
µ¼¹ÜÁ¬½Ó |
| Z |
·¨À¼Á¬½Ó |
140 |
185 |
145 |
110 |
18 |
4 |
|
| D |
·¨À¼Á¬½Ó |
140 |
185 |
145 |
110 |
18 |
4 |
|
| 50 |
G |
M64¡Á2.5 |
230 |
419 |
188 |
146 |
23 |
6 |
|
| Z |
·¨À¼Á¬½Ó |
150 |
185 |
160 |
125 |
18 |
4 |
|
| D |
·¨À¼Á¬½Ó |
150 |
185 |
160 |
125 |
18 |
4 |
|
| 80 |
G |
M144¡Á3.5 |
250 |
570 |
250 |
185 |
25 |
6 |
|
| Z |
·¨À¼Á¬½Ó |
200 |
250 |
195 |
160 |
18 |
8 |
|
| D |
·¨À¼Á¬½Ó |
200 |
240 |
195 |
160 |
18 |
8 |
|
| 100 |
Z |
·¨À¼Á¬½Ó |
220 |
270 |
230 |
190 |
23 |
8 |
|
| D |
·¨À¼Á¬½Ó |
220 |
260 |
230 |
190 |
23 |
8 |
|
| 150 |
Z |
·¨À¼Á¬½Ó |
300 |
360 |
300 |
250 |
25 |
8 |
|
| D |
·¨À¼Á¬½Ó |
300 |
350 |
300 |
250 |
25 |
8 |
|
| 200 |
Z |
·¨À¼Á¬½Ó |
360 |
420 |
375 |
320 |
30 |
12 |
|
| D |
·¨À¼Á¬½Ó |
360 |
410 |
360 |
310 |
25 |
12 |
|
| 250 |
Z |
·¨À¼Á¬½Ó |
420 |
485 |
445 |
385 |
34 |
12 |
|
| D |
·¨À¼Á¬½Ó |
420 |
475 |
425 |
370 |
30 |
12 |
|
| 300 |
Z |
·¨À¼Á¬½Ó |
432 |
520 |
510 |
450 |
34 |
16 |
|
| D |
·¨À¼Á¬½Ó |
432 |
510 |
485 |
430 |
30 |
16 |
|
http://www.llj18.com/