ÌØµã
¡ò ÖýÂÁÅçËÜÍâ¿Ç£¬¼á¹ÌÄÍÓÃ
¡ò ¼¤¹âµ÷×èζȲ¹³¥£¬Ê¹ÓÃÎÂÓò¿í
¡ò ½ø¿ÚÀ©É¢¹èоƬ£¬³¤ÆÚÎȶ¨ÐÔºÃ
¡ò ·ÀÀËÓ¿µçѹ£¬¼«ÐÔ·´Ïò±£»¤
¡ò ¿¹¸ÉÈÅÉè¼Æ£¬Êʺ϶ñÁÓʹÓû·¾³
¡ò ¹¦ºÄµÍ¡¢³ÙÖÍÎó²îС¡¢Öظ´ÐÔºÃ
¡ò ´øÒº¾§±íÍ·»òÖ¸Õë±íÍ·ÏÔʾ
¡ò ±ê×¼ÂÝÎÆÁ¬½Ó£¬Ê¹Ó÷½±ã
Ò»¡¢Ñ¡ÐÍ
|
TEYB- |
|
ÍпËѹÁ¦±äËÍÆ÷ϵÁÐ |
|
|
K |
|
À©É¢¹è´«¸ÐÆ÷ |
|
|
O- |
|
²»·À±¬ |
|
|
X |
|
´øÖ¸ÕëÏÔʾ |
|
Z |
|
´øÒº¾§ÏÔʾ |
|
|
A |
|
µçÁ÷Êä³ö |
|
V |
|
µçѹÊä³ö |
|
|
N |
¸ºÑ¹ |
|
G |
±íѹ |
¶þ¡¢¼¼Êõ²ÎÊý
|
Á¿ ³Ì |
0~6KPa»ò0~60MPa -100pa-100paÄÚ¸÷Á¿³Ì |
|
¹©µçµçѹ |
24VDC£¨12VDC~36VDC£© |
|
Êä³öÐźŠ|
4mA~20mA,0~10mA»ò0~5V£¬1V~5V |
|
׼ȷ¶È |
A¼¶¡Ü¡À0.25%F.S,B¼¶¡Ü¡À0.5%F.S |
|
¸ºÔØÄÜÁ¦ |
¡Ü500¦¸(µçÁ÷Êä³ö)£¬¡Ý3K¦¸(µçѹÊä³ö) |
|
»·¾³ÎÂ¶È |
0~50¡æ |
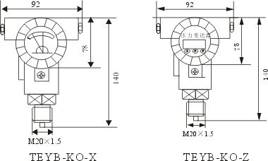
Èý¡¢ÍâÐγߴç

°²×°£ºM20¡Á1.5ÂÝÎÆÁ¬½Ó