EBB¾¼ÃÐÍ´«¸ÐÆ÷²úÆ·ÌØµã£º
¡ñ¼á¹ÌÄÍÓã¬È«·â±ÕÉè¼Æ£»
¡ñÐԼ۱ȸߣ¬¿É²âÁ¿¾«¶ÈÒªÇóÏà¶Ô½ÏµÍµÄ³¡ºÏÎ»ÒÆµÄ²âÁ¿£»
¡ñ·Ç½Ó´¥Ê½²âÁ¿£¬Ê¹ÓÃÖÜÆÚ³¤ £»
¡ñ²âÁ¿ÆðʼλÖã¬È«Á¿³Ì¿Éµ÷¡£
|
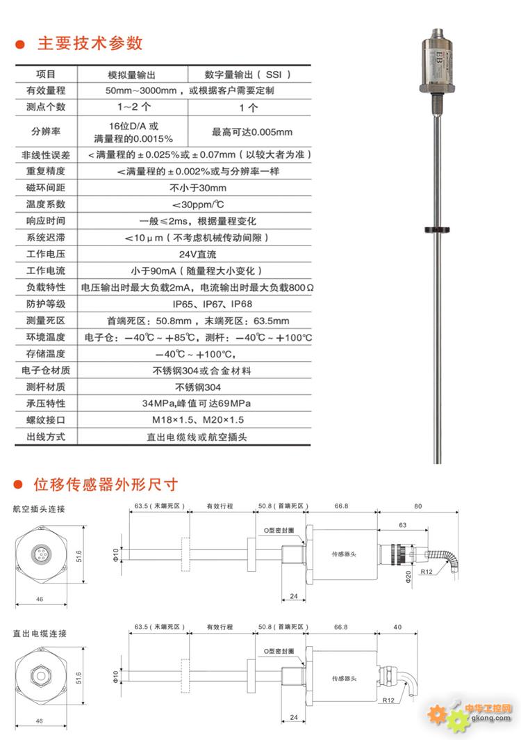
²úÆ·Ãû³Æ
|
¾¼ÃÐÍÎ»ÒÆ´«¸ÐÆ÷
|
|
²âÁ¿·¶Î§
|
50mm¡«3000mm ÐèÒª¸ü³¤Á¿³ÌÐè¶¨ÖÆ
|
|
ζÈϵÊý
|
£¼ 30PPm/¡æ
|
|
Êä³öÐźÅ
|
µçÁ÷£¬µçѹ£¬SSI
|
|
¹©µçµçѹ
|
+24V
|
|
ζȷ¶Î§
|
-40¡æ ¡« +100¡æ
|
|
µçÆø·À»¤
|
IP65 IP67 IP68
|
|
ÄÍѹÄÜÁ¦
|
34MPa(Á¬Ðø) / 69MPa £¨·åÖµ£©            
|