| ÏêϸÃèÊö£º
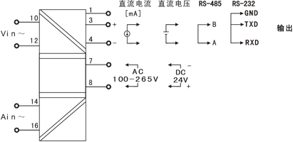
½ÓÏßͼ

¡ï ÈýÏàÆ½ºâ¸ºÔزâÁ¿Ê±£¬½ÓÏß·½·¨ÈçÏ£º

¡ï µ¥Ïà¸ºÔØ²âÁ¿Ê±£¬½ÓÏß·½·¨ÈçÏ£º

½á¹¹ÍâÐÍͼ


¼¼Êõ²ÎÊý
| ÊäÈë |
| ÊäÈëÐźŠ|
½»Á÷0¡«600VÊäÈë,600VÒÔÉÏÓɵçѹ»¥¸ÐÆ÷ת»»ÎªÂúÁ¿³ÌΪ100VµÄµçѹÊäÈë |
| |
½»Á÷0¡«5AÊäÈ룬5AÒÔÉÏÓɵçÁ÷»¥¸ÐÆ÷ת»»ÎªÂúÁ¿³ÌΪ5AµÄµçÁ÷ÊäÈë |
| Êä³ö |
| Êä³öÐźŠ|
4-20mA,0-10mA,0-20mA,1-5V,0-5V |
| Êä³ö¸ºÔØ |
µçÁ÷ÐÍ¡Ü500¦¸,µçѹÐÍ¡Ý250K¦¸ |
| ͨѶ |
MODBUS-RTUÐÒé,RS-485´«Êä¾àÀë¡Ü1000Ã×,RS-232´«Êä¾àÀë¡Ü10Ã× |
| µçÔ´ |
| µçÔ´ |
DC24V(¡À10%)£¬AC100-265V 50-60Hz |
| ¹¦ºÄ |
¡Ü5W |
| ÆäËü²ÎÊý |
ÄÍѹǿ¶È (ÊäÈë/Êä³ö/ͨѶ֮¼ä) |
¡Ý1000V.AC 1·ÖÖÓ |
¾øÔµ×迹 (ÊäÈë/Êä³ö/ͨѶ֮¼ä) |
¡Ý100M¦¸ |
| ¹¤×÷ÎÂ¶È |
0¡«50¡æ |
| Ïà¶Ôʪ¶È |
¡Ü85%RH |
| °²×°·½Ê½ |
35mmDINµ¼¹ì°²×° |
| °²×°³ß´ç |
22.5*110*115mm(¿í*¸ß*Éî) |
| ²âÁ¿¾«¶È |
0.3%FS¡À1×Ö |
| ÏìӦʱ¼ä |
¡Ü1S |
| ÖØÁ¿ |
Ô¼150¿Ë |
ÒDZíÑ¡ÐÍ
| |
|
6 |
|
7 |
|
8 |
|
9 |
| D4ϵÁÐÖÇÄܵçÁ¿±äËÍÆ÷ NHR-D4 |
- |
¡õ |
|
¡õ |
- |
¡õ |
- |
¡õ |
| λ |
¹æ¸ñ |
×¢ÊÍ |
|
| | ¡ý X Y |
|
| | | | | | | | | | | | | | ¡ý ¡õ |
|
| | | | | | | | | | | | | | | | | | | | | | | | | | | ¡ý ¡õ |
|
| | | | | | | | | | | | | | | | | | | | | | | | | | | | | | | ¡ý A D |
| 6 |
<ÏÔʾ·½Ê½> |
|
| ÎÞÏÔʾ |
| Òº¾§ÏÔʾ |
| 7 |
<ÊäÈëÀàÐÍ>(´ÓÁбíÖÐÑ¡Ôñ´úÂë) |
|
|
| ´úÂë |
ÀàÐÍ |
| A |
½»Á÷µçÁ÷ |
| V |
½»Á÷µçѹ |
| COS |
¹¦ÂÊÒòËØ |
| HZ |
¹¤ÆµÖܲ¨ |
| W0 |
ÎÞ¹¦¹¦ÂÊ |
| W1 |
µ¥Ï๦ÂÊ |
| W2 |
ÈýÏàÆ½ºâ¹¦ÂÊ |
| 8 |
<Êä³ö> |
|
|
| ´úÂë |
ÀàÐÍ |
| X |
ÎÞÊä³ö |
| 0 |
4-20mA |
| 1 |
1-5V |
| 2 |
0-10mA |
| 3 |
0-5V |
| 4 |
0-20mA |
| D1 |
RS-485ͨѶ(Modbus) |
| D2 |
RS-232ͨѶ(Modbus) |
| 9 |
<µçÔ´> |
|
|
| AC100-265V 50-60Hz |
| DC24V |
ÐͺžÙÀý£ºNHR-D4-Y-A-0-D(A/0-5A) ÖÇÄܵçÁ¿±äËÍÆ÷´øÒº¾§ÏÔʾ£¬ÊäÈëÐźÅΪ0-5A£¬Êä³öÐźÅΪ4-20mA£¬¹©µçµçԴΪDC24V¡£ ±¸×¢£º¶©»õʱÇëÔÚÑ¡Ðͺó±ê×¢ÊäÈëÁ¿³Ì·¶Î§£»ÌØÊ⹦Äܿɶ©ÖÆ¡£ |