ATZGB-780F1ϵÁÐÄ£¿é»ùÓÚ×îÐÂAtmelµÄ»ìºÏÐźŵÄÓ²¼þƽ̨,ËûÃÇÊÇרΪÎÞÏß´«¸ÐÆ÷¡¢¿ØÖƺÍÊý¾Ý²É¼¯Ó¦ÓÃÉè¼ÆµÄ£¬Ëü¾ßÓÐÌå»ýСÇÉ¡¢½Ó¿Ú¼òµ¥¡¢ ʹÓ÷½±ã¡¢¹¦ºÄµÍ¡¢´«Êä¾àÀëÔ¶µÈÓŵ㣬ģ¿é¾ßÓÐÖй¦ÂʺÍС¹¦ÂÊÁ½ÖÖ·¢Éäģʽ£¬Âú×㲻ͬ¹¦ÂÊÒªÇóµÄ³¡ºÏÐèÇó¡£
ATZGB-780F1Ä£¿éÀ©Õ¹Á˸ü¶àµÄ¹¦ÄÜ£º
1.À©Õ¹µÄ½Ó¿Ú£¨Ä£ÄâºÍÊý×Ö£©£º
8226;40±¸Ñ¡GPIO£¨°üÀ¨8±¸Ñ¡µÄIRQÊäÈ룩
8226;4ͨµÀ10λADCµÄÊäÈë+1·µçѹ¼à²â£¨Ê¹ÓÃJTAGÏ߸´ÓÃʱ¿É´ï8ͨµÀADCÊäÈ룩
8226;´øÁ÷¿ØµÄÒì²½´®¿Ú£¨UART£©£¬¿É¸´ÓÃΪͬ²½´®¿ÚUSART
8226;8λÊý¾Ý×ÜÏß+16λµØÖ·×ÜÏß
8226;I2C
8226;SPI
8226;1-Wire
8226;PWM
2.×î¶à¿ÉÖ§³Ö44¸ö¿ÉÅäÖõÄGPIO¶Ë¿Ú
3. Ìṩ3VµçƽµÄUART¿Ú£¬¿ÉÍâ½Ó232»ò485µçƽת»»Ð¾Æ¬
4. ÌṩÍⲿ¾§Ìå½Ó¿Ú
5. ¿É×Ô¶¨ÒåMACµØÖ·¡¢PANID¡¢´ØºÅµÈ²ÎÊý£¬²¢´æ´¢ÔÚÄÚ²¿µÄEEPROMÖÐ
6. Ö§³Ö779¡«787M WPAN¡¢Å·ÃË863M ISMƵ¶Î¡¢±±ÃÀ915M ISMƵ¶Î
7. ¼¯³ÉZGB-TRXÐÒéÕ»£¬»ùÓÚUARTºÍÃüÁîÉèÖÃ
8. ·¢É书ÂÊ¡¢RFƵ¶Î¡¢ÍøÂç±êºÅ£¨PANID£©¡¢½ÚµãµØÖ·µÈ¿ÉÅäÖÃ
9. ×Ô¶¯×éÍø£¬×Ô¶¯Â·ÓÉ£¬Á´Â·×ÔÓú
10. ÌṩÐÝÃß¿ØÖÆIO£¬¿ÉÓ븸É豸ͬʱ½øÈëµÍ¹¦ºÄģʽ
11. ¹Ü½Å·â×°£º1.27mmµ¥ÅÅÕëÖ±²å·â×°»òÓÊÆ±¿×·â×°
Ö÷ÒªÌØµã
|
µçÔ´µçѹ |
1.8to3.6 V |
|
¹¤×÷µçÁ÷£ºRXģʽ |
19mA |
|
¹¤×÷µçÁ÷£ºTX(10dBm) ģʽ |
31 mA |
|
¹¤×÷µçÁ÷£º½Úµçģʽ |
0.3~3 uA |
|
¿ªÀ«µØÍ¨ÐžàÀë |
3000 m |
|
µØÏÂÍ£³µ³¡Í¨ÐžàÀë |
TBD |
|
CPUƬÄÚ Flash ´æ´¢Æ÷ÈÝÁ¿ |
128K bytes |
|
CPUƬÄÚ RAM ´æ´¢Æ÷ÈÝÁ¿ |
8K bytes |
|
CPUƬÄÚ EEPROM ´æ´¢Æ÷ÈÝÁ¿ |
4K bytes |
|
CPU¹¤×÷ƵÂÊ |
1¡«8 MHz |
|
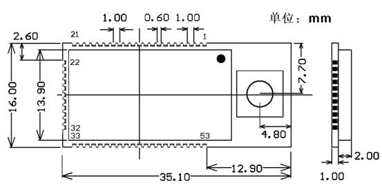
³ß´ç |
35*16*3mm |
É䯵֏±ê
|
²ÎÊýÃû³Æ |
ÊýÖµ·¶Î§ |
µ¥Î» |
˵Ã÷ |
|
¹¤×÷ƵÂÊ·¶Î§ |
769¡«936 |
MHz |
²½½ø1M»ò0.1MHz |
|
Ƶ¶ÎÊýÁ¿ |
4 |
¸ö |
ÖйúWPAN±ê×¼ |
|
1 |
¸ö |
Å·ÃËSRD±ê×¼ |
|
10 |
¸ö |
±±ÃÀISM±ê×¼ |
|
Ƶ¶Î¼ä¸ô |
2 |
MHz |
ÖйúWPAN±ê×¼ |
|
·¢É书ÂÊ |
-11¡«+10 |
dBm |
¿É½øÐÐ16 ²½µ÷Õû |
|
½ÓÊÕÁéÃô¶È |
-110 |
dBm |
PER = 1% |
|
ÎÞÏßËÙÂÊ |
20¡«1000 |
kbps |
|
|
É䯵½Ó¿Ú×迹 |
50 |
Ohm |
µ¥¶Ë·ÇƽºâÊä³ö |
½á¹¹Ö¸±ê
|
²ÎÊýÃû³Æ |
ÊýÖµ·¶Î§ |
µ¥Î» |
˵Ã÷ |
|
ÍâÐͳߴç |
35*16*3 |
mm |
|
|
½Ó¿ÚÅÅÕë¼ä¸ô |
1£®27 |
mm |
|
|
¹¤×÷ζȷ¶Î§ |
-40¡«85 |
¡æ |
|
|
¹¤×÷ʪ¶È·¶Î§ |
0¡«95% |
|
·ÇÄý½á |
ÍøÂçÍØÆË

µã¶Ôµã¼°ÐÇÐÍÍøÂçÍØÆËͼ

Ê÷ÐÍÍøÂçÍØÆËͼ£¨ËùÓнڵã¾ùΪͬһ·Ö´Ø£©

Ê÷ÐÍ´Ø×´ÍøÂçÍØÆËͼ£¨Ö»Óд¦ÓÚͬһ´ØÄڵĽڵã²ÅÄÜ×éÍøÍ¨ÐÅ£©
ÍâÐͳߴçͼ

¶©»õÐÅÏ¢
|
Ä£¿éÃû³Æ |
˵Ã÷ |
|
ATZGB7800F1 |
´øÓÐSMAÌìÏßÁ¬½ÓÆ÷µÄ700~900¿Éµ÷Ƶ¶Î IEEE802.15.4/ZigBeeÄ£¿é´«ÊäËÙÂÊ20-1000Kbps¡£ÓÊÆ±¿×½Ó¿Ú¡£ |
|
ATZGB780FX1 |
´øÓÐSMAÌìÏßÁ¬½ÓÆ÷µÄ700~900¿Éµ÷Ƶ¶Î IEEE802.15.4/ZigBeeÄ£¿é´«ÊäËÙÂÊ20-1000Kbps¡£1.27mmµ¥ÅÅÕëÖ±²å·â×°¡£ |