|
|
|
²úÆ·Ãû³Æ£º
|
СÐÍÖØ¸ººÉÐг̿ª¹Ø
|
|
ÐÍ ºÅ£º
|
SH4140-RL
|
|
¼Û ¸ñ£º
|
0.00
|
|
Æ· ÅÆ£º
|
587
|
|
|
|

²úÆ·¹æ¸ñ
- ±£»¤¹¹Ôì
- IP56
- »úеµÄÊÙÃü
- 30µçÆøµÄÊÙÃü
- 10ÈÝÐí¶¯×÷ƵÂÊ
- »úеµÄ
- 120
- µçÆøµÄ
- 30
- ¾øÔµµç×è
- 100M¦¸ 51060;49345;(DC 500V½Ó´¥µç×è
- 50m¦¸
- ÄÚµçѹ
- ·ÇÁ¬Ðø¶Ë×Ó¼ä
- AC1000V (50/60Hz 1¸ñ¶Ë×Ӻͷdzäµç½ðÊô²¿¼ä
- AC2000V (50/60Hz 1Äͳå»÷
- Ä;Ã
- 1000m/s²(100G)
- Î⶯×÷
- 50557;250m/s²(25G)
- Õð¶¯
- 10-55Hz1.5mm
- »·¾³Î¶È
- - 10~+55¡æ
- »·¾³Î¶È
- 45~85%RH 51060;54616;
¼¼Êõ×ÊÁÏ ÏÂÔØ ¶¯×÷ÌØÐÔ
- OF max.g
- 1,400
- RF min.g
- 165
- PT
- 20730; ¡À 5730;
- MD max
- 5730;
- TT min
- 70730;
- ACTUTOR
- undefined
-
- undefined
- O.F max.N
- undefined
ÖØÁ¿
SH4140-RL
0.54 Kg
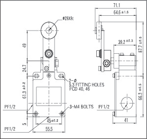
ÍâÐÎͼ
¶î¶¨
¶î¶¨
| ¶î¶¨µçѹ(V) |
ÎÞÓÕµ¼¸ººÉ(A) |
ÓÕµ¼¸ººÉ(A) |
| µç×踺ºÉ |
ָʾµÆ¸ººÉ |
ÓÕµ¼¸ººÉ |
µç¶¯»ú¸ººÉ |
³£Ê± ±Õ· |
³£Ê± ¿ªÂ· |
³£Ê± ±Õ· |
³£Ê± ¿ªÂ· |
³£Ê± ±Õ· |
³£Ê± ¿ªÂ· |
³£Ê± ±Õ· |
³£Ê± ¿ªÂ· |
- ³õʼµçÁ÷
- ³£Ê±±Õ·
- 20A
- ³£Ê±¿ªÂ·
- 10A
- »·¾³Î¶È
- -10~+70¡æ»·¾³Î¶È
- 95%RH
|
|
|