|
|
|
²úÆ·Ãû³Æ£º
|
½ØÖ¹·§JZF-40FA.JZF-60F.JZF-65F.JZF-80F
|
|
ÐÍ ºÅ£º
|
|
|
¼Û ¸ñ£º
|
0.00
|
|
Æ· ÅÆ£º
|
2614
|
|
|
|
Ïêϸ˵Ã÷£º

| JZFÐͽØÖ¹·§ |
|
ͼÐηûºÅ

ÐͺÅ˵Ã÷
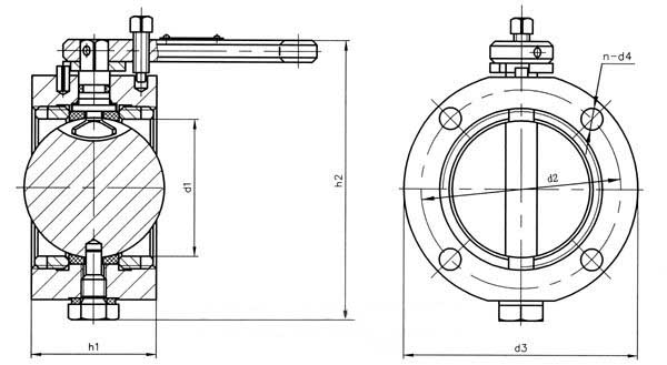
 ¢Ù ²úÆ·´úºÅ£ºJZF½ØÖ¹·§ ¢Ú ¹«³ÆÍ¨¾¶£º40¡¢60¡¢65¡¢80¡¢100mm ¢Û Á¬½ÓÐÎʽ£ºF-·¨À¼Ê½ ÍâÐγߴç
|

|
ÐͺŠ|
h1 |
h2 |
d1 |
d2 |
d3 |
n-d4 |
Á½¶ËÃÜ·âÐÎʽ |
|
JZF-40FA |
40 |
90 |
§¶44 |
§¶64 |
§¶75 |
4-§¶7 |
Á½¶ËÆ½Ãæ¡¢ÎÞOÐÎȦ¹µ²Û |
|
JZF-40FB |
40 |
90 |
§¶44 |
§¶70 |
§¶81 |
4-§¶7 |
Á½¶Ë´ø56¡Á3.5 OÐÎȦ¹µ²Û |
|
JZF-60F |
45 |
115 |
§¶68 |
§¶92 |
§¶105 |
4-§¶7 |
Á½¶ËÆ½Ãæ¡¢ÎÞOÐÍȦ¹µ²Û |
|
JZF-65F |
50 |
150 |
§¶68 |
§¶108 |
§¶135 |
6-§¶11 |
Á½¶ËÆ½Ãæ¡¢ÎÞOÐÍȦ¹µ²Û |
|
JZF-80F |
50 |
150 |
§¶91 |
§¶120 |
§¶135 |
4-§¶9 |
Á½¶ËÆ½Ãæ¡¢ÎÞOÐÍȦ¹µ²Û |
|
JZF-100F |
55 |
175 |
§¶116 |
§¶148 |
§¶165 |
4-§¶9 |
Á½¶ËÆ½Ãæ¡¢ÎÞOÐÍȦ¹µ²Û | | | |
| |
| ¡¡ |
 |
|
|
|