|
|
|
²úÆ·Ãû³Æ£º
|
Z2FSÐ͵þ¼Óʽµ¥Ïò½ÚÁ÷·§
|
|
ÐÍ ºÅ£º
|
|
|
¼Û ¸ñ£º
|
0.00
|
|
Æ· ÅÆ£º
|
2614
|
|
|
|
Ïêϸ˵Ã÷£º
|
|
Z2FSÐ͵þ¼Óʽµ¥Ïò½ÚÁ÷·§ NG 6, 10 ѹÁ¦ÖÁ35Mpa Á÷Á¿ÖÁ60L/min |
|
ÓÃ; |
|
| Z2FSÐ͵þ¼Óʽµ¥Ïò½ÚÁ÷·§Í¨¹ý¸Ä±ä½ÚÁ÷¿Ú¶ÏÃæ´óСÀ´µ÷½ÚÓÍ·Á÷Á¿£¬ÊµÏÖÁ÷Á¿¿ØÖÆ¡£ÔÚ·´Ïòʱ£¬ÓÍÁ÷Ö±½Óͨ¹ýµ¥Ïò·§»ØÓÍ¡£Ñ¡Óò»Í¬°²×°Î»ÖÿÉʵÏÖ½ø¿Ú½ÚÁ÷»ò³ö¿Ú½ÚÁ÷¡£ | | |

|
ͼÐÍ·ûºÅ |
|
|
|
ÐͺÅ˵Ã÷ |
|
|
|
¼¼Êõ²ÎÊý |
|
| Á÷¶¯·½Ïò |
Ò»¸ö·½Ïò½ÚÁ÷£¬ÁíÒ»¸ö·½Ïò¾¹ýµ¥Ïò·§»ØÁ÷ |
| ½éÖÊ |
¿óÎïÖÊҺѹÓÍ£¬Á×Ëá֬ҺѹÓÍ |
| ½éÖÊζȷ¶Î§ |
-20¡«+70¡æ |
| ½éÖÊÕ³¶È·¶Î§ |
2.8¡«380mm2/s |
| ¹¤×÷ѹÁ¦ |
ÖÁ35MPa |
| ÎÛȾ¶È |
ÔÊÐí×î¸ßÓÍÒºÎÛȾ¶ÈµÈ¼¶°´NAS1638µÚ9¼¶£¬Òò´Ë£¬ÎÒÃÇÍÆ¼ö¹ýÂËÆ÷×îС¹ýÂ˾«¶È¦Â10¡Ý75 | |
|
¹¤×÷ÔÀí |
|
|
|
Z2FSÐÍ·§Êǵþ¼ÓʽÉè¼Æ³É¶Ô½ÚÁ÷µ¥Ïò·§¡£ ¸Ã·§ÓÃÓÚÏÞÖÆÀ´×ÔÒ»¸ö»ò¶þ¸ö¹¤×÷ÓͿڵÄÖ÷Á÷Á¿»ò¿ØÖÆÁ÷Á¿¡£ Á½¸ö¶Ô³ÆÉèÖõĽÚÁ÷µ¥Ïò·§ÔÚÒ»¸ö·½ÏòÉÏÏÞ¶¨Á÷Á¿(ͨ¹ýµ÷Õû½ÚÁ÷·§Ð¾)ÔÚÏà·´·½ÏòÉÏÔÊÐí×ÔÓÉÁ÷¶¯¡£ ÓÃÓÚ½ø¿Ú½ÚÁ÷¿ØÖÆÊ±£¬ÓÍÒº´ÓÓÍ¿ÚAÁ÷¾½ÚÁ÷¿Ú(1)µ½´ï¹¤×÷ÓͿڣ¬½ÚÁ÷·§Ð¾(4.1)¿É½èÖúÓÚÉ趨Âݶ¤(5)½øÐÐÖáÏòµ÷Õû£¬´Ó¶ø¿ÉÒÔÉ趨½ÚÁ÷¿Ú(1)¡£Í¬Ê±£¬ÔÚÓÍ·AÖеÄÓÍҺͨ¹ý½ÚÁ÷(4.1)Á÷¾ÓÍ¿×(2)µ½´ïµ¯»É¼Ó½Ø²à£¬´æÔÚµÄѹÁ¦Ó뵯»ÉÁ¦¹²Í¬×÷ÓÃʹ½ÚÁ÷·§(4.1)±£³ÖÔÚ½ÚÁ÷λÖᣠÓÍÒº´ÓÖ´ÐÐÆ÷»ØÁ÷ÍÆ¶¯½ÚÁ÷·§Ð¾(4.2)£¬ÔÊÐíÓÍÒº×ÔÓÉÁ÷¾·§¡£´Ëʱ·§×÷Ϊµ¥Ïò·§¹¤×÷¡£ Ö÷Á÷Á¿ÏÞÖÆ ³É¶Ôµ¥Ïò½ÚÁ÷·§ÊÇΪÁ˸ıäÖ´ÐÐÆ÷µÄËÙ¶È¡£°²×°ÓÚ·½Ïò·§ºÍµ×°åÖ®¼äµÄ(Ö÷Á÷Á¿ÏÞÖÆ)¡£ ¿ØÖÆÁ÷Á¿ÏÞÖÆ ÔÚÒº¿Ø·½Ïò·§µÄÇé¿öÏ£¬³É¶Ô½ÚÁ÷µ¥Ïò·§ÓÃÓÚÒº¿Ø×èÄáµ÷Õû£¬ÔÚ´ËÇé¿öÏ£¬Ëü±»°²×°ÓÚÖ÷·§ºÍ¿ØÖÆ·§Ö®¼ä¡£ |
|
ÌØÐÔÇúÏß |
|
|
|
ÍâÐγߴç |
|
Z2FS6ÐÍ |
|
|
|
Z2FS10ÐÍ |
|
|
|
Z2FS16ÐÍ |
|
|
|
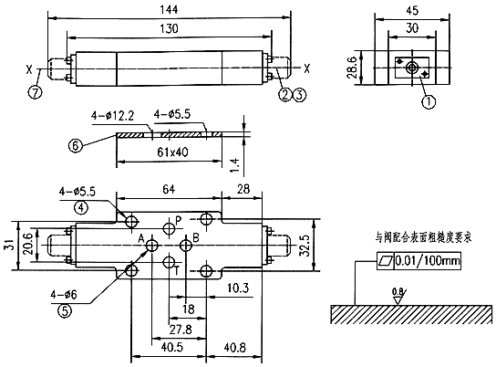
1.±êÅÆ 2.µ÷½ÚÂÝ˨ 3.×óÐý£º½ÚÁ÷¿Ú¿ª´ó ÓÒÐý£»½ÚÁ÷¿Ú¹ØÐ¡ 4.·§µÄ°²×°ÂÝ¿× 5.ÓÍÇ»¿×A¡¢B¡¢P¡¢T 6.OÐÍȦ¸ô°å 7.½«½ø¿Ú½ÚÁ÷¸ÄΪ³ö¿Ú½ÚÁ÷ʱ£¬°Ñ·§ÈÄ¡°X-X¡±ÖáÐýת180¡ã¼´¿ÉʵÏÖ(¶Ô6¡¢10¶øÑÔ£¬16°´¼ÇºÅ) |
µþ¼Óʽµ¥Ïò½ÚÁ÷·§Z2SRK10-1-1X ,µþ¼Óʽµ¥Ïò½ÚÁ÷·§Z2S6B1-6X/SO40,µþ¼Óʽµ¥Ïò½ÚÁ÷·§Z2S6A1-6X/,µþ¼Óʽµ¥Ïò½ÚÁ÷·§Z2S22B1-5X/,µþ¼Óʽµ¥Ïò½ÚÁ÷·§Z2S16B2-5X/,Z2S16-3-5X/,µþ¼Óʽµ¥Ïò½ÚÁ÷·§Z2FS6-7-4X/2QV,µþ¼Óʽµ¥Ïò½ÚÁ÷·§Z2FS6-5-4X/2QV,Z2FS22-3X/SV,µþ¼Óʽµ¥Ïò½ÚÁ÷·§Z2FS10-7-3X ,µþ¼Óʽµ¥Ïò½ÚÁ÷·§Z2FS10-3-3X ,µþ¼Óʽµ¥Ïò½ÚÁ÷·§Z2DBK10VC2-1X/210V,µþ¼Óʽµ¥Ïò½ÚÁ÷·§Z2DB6VD2-4X/100,ZSF50F1-1-1X/M/01,µþ¼Óʽµ¥Ïò½ÚÁ÷·§Z4S16-2X/,µþ¼Óʽµ¥Ïò½ÚÁ÷·§Z2S6B2-6X/,µþ¼Óʽµ¥Ïò½ÚÁ÷·§Z2S6-3-6X ,µþ¼Óʽµ¥Ïò½ÚÁ÷·§Z2S22-4-5X/,Z2S10-1-3X ,Z2FS6B2-4X/2QV,µþ¼Óʽµ¥Ïò½ÚÁ÷·§Z2FS6A3-4X/2QV,µþ¼Óʽµ¥Ïò½ÚÁ÷·§Z2FS6-5-4X/2QV,µþ¼Óʽµ¥Ïò½ÚÁ÷·§Z2FS10B5-3X/SV,µþ¼Óʽµ¥Ïò½ÚÁ÷·§Z2FS10B5-3X/S2V,µþ¼Óʽµ¥Ïò½ÚÁ÷·§Z2FRM6TB2-2X/32QRV,µþ¼Óʽµ¥Ïò½ÚÁ÷·§Z2FRM6CB2-2X/6QRV,µþ¼Óʽµ¥Ïò½ÚÁ÷·§Z2DBK6VC2-1X/210V,µþ¼Óʽµ¥Ïò½ÚÁ÷·§Z2DB6VD2-4X/100V,µþ¼Óʽµ¥Ïò½ÚÁ÷·§Z2DB6VC2-4X/315V,µþ¼Óʽµ¥Ïò½ÚÁ÷·§ZSF32F0-1-1X/M/01 SO1,µþ¼Óʽµ¥Ïò½ÚÁ÷·§Z4S16-2X ,Z2S6B1-6X/SO60,µþ¼Óʽµ¥Ïò½ÚÁ÷·§Z2S6A1-6X ,Z2S22-1-5X ,µþ¼Óʽµ¥Ïò½ÚÁ÷·§Z2S16B2-5X ,µþ¼Óʽµ¥Ïò½ÚÁ÷·§Z2S10-3-3X ,µþ¼Óʽµ¥Ïò½ÚÁ÷·§Z2FS6B2-4X/2Q,µþ¼Óʽµ¥Ïò½ÚÁ÷·§Z2FS6-3-4X/2QV,µþ¼Óʽµ¥Ïò½ÚÁ÷·§Z2FS6-3-4X/1QV,µþ¼Óʽµ¥Ïò½ÚÁ÷·§Z2FS6-2-4X/2Q,µþ¼Óʽµ¥Ïò½ÚÁ÷·§Z2FS22-3X/S,µþ¼Óʽµ¥Ïò½ÚÁ÷·§Z2FS16-3X/S,µþ¼Óʽµ¥Ïò½ÚÁ÷·§Z2FS10A3-3X/S2V,µþ¼Óʽµ¥Ïò½ÚÁ÷·§Z2FS10-5-3X/S2V
|
|
|