Ïêϸ˵Ã÷£º
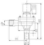
DCF-ZÖ±½Çʽµç´ÅÂö³å·§
DCF-ZÐÍ·§ÎªÖ±½Çʽ·§£¬Æä½ø³ö¿ÚÖ®¼äµÄ¼Ð½ÇΪ90¶È£¬ËüÊÊÓÃÓÚ´¢ÆøÍ²Óë³ý³¾Åç´µ¹ÜµÄ°²×°Á¬½Ó£¬ÆøÁ÷³©Í¨£¬ÄÜÌṩ·ûºÏÒªÇóµÄÂö³åÇå»ÒÆøÁ÷¡£ |

 |
|
ÐͺŠ|
¿Ú¾¶ |
½Ó¿ÚÖ±¾¶ |
¹¤×÷µçѹ |
¹¤×÷ѹÁ¦ |
|
Ó¢ÖÆ |
¹«ÖÆ |
|
DCF-Z-20 |
0.75" |
G0.75" |
20 |
DC24V |
0.4-0.6MPa |
|
DCF-Z-25 |
1" |
G1" |
25 |
|
DCF-Z-40 |
1.5" |
G1.5" |
40 |
|
DCF-Z-40S |
1.5" |
G1.5" |
40 |
|
DCF-Z-50S |
2" |
G2" |
50 |
|
DCF-Z-62S |
2.5" |
G2.5" |
62 |
|
DCF-Z-76S |
3" |
G3" |
76 | |
DCF-YÑÍûʽµç´ÅÂö³å·§
DCF-YÐÍ·§ÎªÑÍûʽ·§£¬ ·§×ùǶÈëÆø°üÄÚ°²×°£¬×èÁ¦Ð¡£¬Á÷ͨÐԺã¬Åç´µÁ¿¸ß£¬Ìá¸ßÁ˸ººÉ´ø¶¯Á¿£¬À©´óÁËÆøÔ´Ñ¹Á¦µÄʹÓ÷¶Î§£¬¸üÊʺÏÓÚÆøÔ´Ñ¹Á¦½ÏµÍ³¡ºÏʹÓá£

 |
 |
 |
| DCF-Y-25/40ÍâÐγߴçͼ |
DCF-Y-50/62/76¼°DMY-II-80·§ÍâÐγߴçͼ |
|
ÐͺŠ|
¿Ú¾¶ |
A |
B |
C |
D |
E |
F |
ÖØÁ¿(kg) |
|
Á¬½ÓÂÝÎÆ |
¹«ÖÆ |
|
DCF-Y-25 |
1" |
25 |
35 |
33 |
140 |
96 |
|
|
0.8 |
|
DCF-Y-40S |
1.5" |
40 |
48 |
40 |
182 |
112 |
|
|
1.3 |
|
DCF-Y-50S |
60 |
50 |
60.5 |
30 |
188 |
202 |
178 |
180 |
2.5 |
|
DCF-Y-62S |
75 |
62 |
75.5 |
35 |
196 |
230 |
202 |
208 |
3.2 |
|
DCF-Y-76S |
89 |
76 |
89.5 |
35 |
200 |
247 |
219 |
227 |
3.5 |
DMY-II-80Ð͵ç´ÅÂö³å·§
DMY-II-80Ð͵ç´ÅÂö³å·§ÊÊÓÃÓÚÒ»ÇдóÖ±¾¶¡¢³¤²¼´üÂö³å´üʽ³ý³¾Æ÷¡£ËüµÄÌØµã£º¿Ú¾¶´ó£¬Åç´µµÄÆøÁ÷Á¿ËðʧС£¬¹ã·ºÓ¦ÓÃÓÚ£º¸ÖÌú¡¢Ò±Á¶¡¢Ë®Äà¡¢»¯¹¤¡¢¿óɽµÈÐÐÒµµÄ´óÐ͵Íѹ³¤²¼´ü³ý³¾Æ÷µÄÅäÌס££¨±ê×¢Çë²ÎÕÕDCF-YÐÍ·§Í¼Ê¾£©

|
ÐͺŠ|
¿Ú¾¶ |
A |
B |
C |
D |
E |
F |
ÖØÁ¿(kg) |
|
Á¬½ÓÂÝÎÆ |
¹«ÖÆ |
|
DMY-II-80 |
89 |
89 |
85 |
52 |
187 |
242 |
204 |
185 |
3.1 |
DCF-2L-BÐÍÖ±½Çʽµç´ÅÂö³å·§
DCF-2L-BÐ͵ç´ÅÂö³å·§ÎªÖ±½ÇÐÍ·§£¬ËüµÄÌØµãÊÇÆøÇ»ÈÝ»ý´ó£¬Ä¤Æ¬Ì§Æð¸ß¶È´ó£¬Åç´µÁ¿´ó£¬°²×°¸üÁé»î£¬ÄÜÌṩ·ûºÏÒªÇóµÄ°²×°·½Ê½£¬±»¹ã·ºÓ¦ÓÃÓÚ´üʽ³ý³¾Æ÷µÄÅäÌ×ʹÓᣠ|
|
 |
|
ÐͺŠ|
¿Ú¾¶(mm) |
¹¤×÷µçѹ |
¹¤×÷ѹÁ¦ |
|
DCF-2L-B |
20 |
DC24V |
0.2-0.6MPa | |
DCF-ZMÍâÂÝÎÆÊ½µç´ÅÂö³å·§
вýDCF-ZMÐÍÖ±½Çµç´ÅÂö³å·§£¬ÊÇÔÚZÐÂÐÍÖ±½Çµç´ÅÂö³å·§»ù´¡ÉϸĽøµÄÐÂÆ·ÖÖ¡£¸Ãµç´ÅÂö³å·§¾ßÓÐZÐÂÐ͵ç´ÅÂö³å·§µÄÁéÃô¶È¸ß¡¢ÅÅÆøÁ¿´ó¡¢¹¤×÷Îȶ¨µÄÐÔÄÜ£¬¶øÇÒ¾ßÓа²×°¡¢Ê¹Óá¢Î¬ÐÞ·½±ãµÄÌØµã¡£

 |
|
ÐͺŠ|
·§Ìå½ø/ÅÅÆø¿Úͨ¾¶ |
Á¬½Ó¹ÜÍâ¾¶£¨mm£© |
³ß´ç£¨mm£© |
| Ó¢´ç |
¹«ÖÆ |
A |
B |
C |
D |
E |
F |
¦Õ |
|
DCF-ZM-20 |
G0.75" |
20 |
¦Õ26.7 |
67 |
45 |
26 |
26 |
167 |
120 |
80 |
|
DCF-ZM-25 |
G1" |
25 |
¦Õ33.4 |
78 |
70 |
32 |
38 |
187 |
132 |
96 |
|
DCF-ZM-40S |
G1.5" |
40 |
¦Õ48 |
102 |
78 |
51 |
42 |
232 |
178 |
112 | | |