Ê×Ò³ - ÐÂÎÅ - ÕÐÆ¸ - ÏÂÔØ - ²úÆ· - ³§ÉÌ - ·½°¸ - ÎÄÕª - Çó¹º - Õ¹ÀÀ
Ãâ·Ñ×¢²á µÇ¼ | ¹ã¸æ·þÎñ | ¿Í·þÖÐÐÄ
Öлª¹¤¿ØÍø ¡ú ¹¤¿Ø²úÆ· ¡ú DCF-Z-20Ö±½Çʽµç´ÅÂö³å·§
²úÆ·Ãû³Æ£º DCF-Z-20Ö±½Çʽµç´ÅÂö³å·§
ÐÍ ºÅ£º
¼Û ¸ñ£º 0.00
Æ· ÅÆ£º 2614
 
Êղش˲úÆ·     ²é¿´ÊÕ²Ø

Ïêϸ˵Ã÷£º
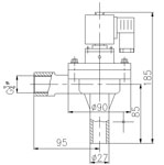
DCF-ZÖ±½Çʽµç´ÅÂö³å·§

    DCF-ZÐÍ·§ÎªÖ±½Çʽ·§£¬Æä½ø³ö¿ÚÖ®¼äµÄ¼Ð½ÇΪ90¶È£¬ËüÊÊÓÃÓÚ´¢ÆøÍ²Óë³ý³¾Åç´µ¹ÜµÄ°²×°Á¬½Ó£¬ÆøÁ÷³©Í¨£¬ÄÜÌṩ·ûºÏÒªÇóµÄÂö³åÇå»ÒÆøÁ÷¡£

 

DCF-ZÖ±½Çʽµç´ÅÂö³å·§ÍâÐγߴçͼ

ÐͺÅ

¿Ú¾¶

½Ó¿ÚÖ±¾¶

¹¤×÷µçѹ

¹¤×÷ѹÁ¦

Ó¢ÖÆ

¹«ÖÆ

DCF-Z-20

0.75"

G0.75"

20

DC24V

0.4-0.6MPa

DCF-Z-25

1"

G1"

25

DCF-Z-40

1.5"

G1.5"

40

DCF-Z-40S

1.5"

G1.5"

40

DCF-Z-50S

2"

G2"

50

DCF-Z-62S

2.5"

G2.5"

62

DCF-Z-76S

3"

G3"

76

DCF-YÑÍûʽµç´ÅÂö³å·§

    DCF-YÐÍ·§ÎªÑÍûʽ·§£¬ ·§×ùǶÈëÆø°üÄÚ°²×°£¬×èÁ¦Ð¡£¬Á÷ͨÐԺã¬Åç´µÁ¿¸ß£¬Ìá¸ßÁ˸ººÉ´ø¶¯Á¿£¬À©´óÁËÆøÔ´Ñ¹Á¦µÄʹÓ÷¶Î§£¬¸üÊʺÏÓÚÆøÔ´Ñ¹Á¦½ÏµÍ³¡ºÏʹÓá£

DCF-YÑÍûʽµç´ÅÂö³å·§ÍâÐγߴçͼ DCF-YÑÍûʽµç´ÅÂö³å·§ÍâÐγߴçͼ DCF-YÑÍûʽµç´ÅÂö³å·§ÍâÐγߴçͼ
DCF-Y-25/40ÍâÐγߴçͼ DCF-Y-50/62/76¼°DMY-II-80·§ÍâÐγߴçͼ

ÐͺÅ

¿Ú¾¶

A

B

C

D

E

F

ÖØÁ¿(kg)

Á¬½ÓÂÝÎÆ

¹«ÖÆ

DCF-Y-25

1"

25

35

33

140

96

 

0.8

DCF-Y-40S

1.5"

40

48

40

182

112

 

 

1.3

DCF-Y-50S

60

50

60.5

30

188

202

178

180

2.5

DCF-Y-62S

75

62

75.5

35

196

230

202

208

3.2

DCF-Y-76S

89

76

89.5

35

200

247

219

227

3.5

DMY-II-80Ð͵ç´ÅÂö³å·§

    DMY-II-80Ð͵ç´ÅÂö³å·§ÊÊÓÃÓÚÒ»ÇдóÖ±¾¶¡¢³¤²¼´üÂö³å´üʽ³ý³¾Æ÷¡£ËüµÄÌØµã£º¿Ú¾¶´ó£¬Åç´µµÄÆøÁ÷Á¿ËðʧС£¬¹ã·ºÓ¦ÓÃÓÚ£º¸ÖÌú¡¢Ò±Á¶¡¢Ë®Äà¡¢»¯¹¤¡¢¿óɽµÈÐÐÒµµÄ´óÐ͵Íѹ³¤²¼´ü³ý³¾Æ÷µÄÅäÌס££¨±ê×¢Çë²ÎÕÕDCF-YÐÍ·§Í¼Ê¾£©

ÐͺÅ

¿Ú¾¶

A

B

C

D

E

F

ÖØÁ¿(kg)

Á¬½ÓÂÝÎÆ

¹«ÖÆ

DMY-II-80

89

89

85

52

187

242

204

185

3.1

DCF-2L-BÐÍÖ±½Çʽµç´ÅÂö³å·§

    DCF-2L-BÐ͵ç´ÅÂö³å·§ÎªÖ±½ÇÐÍ·§£¬ËüµÄÌØµãÊÇÆøÇ»ÈÝ»ý´ó£¬Ä¤Æ¬Ì§Æð¸ß¶È´ó£¬Åç´µÁ¿´ó£¬°²×°¸üÁé»î£¬ÄÜÌṩ·ûºÏÒªÇóµÄ°²×°·½Ê½£¬±»¹ã·ºÓ¦ÓÃÓÚ´üʽ³ý³¾Æ÷µÄÅäÌ×ʹÓá£
DCF-2L-BÐÍÖ±½Çʽµç´ÅÂö³å·§
DCF-2L-BÐÍÖ±½Çʽµç´ÅÂö³å·§ÍâÐγߴçͼ

ÐͺÅ

¿Ú¾¶(mm)

¹¤×÷µçѹ

¹¤×÷ѹÁ¦

DCF-2L-B

20

DC24V

0.2-0.6MPa


DCF-ZMÍâÂÝÎÆÊ½µç´ÅÂö³å·§

    Ð­²ýDCF-ZMÐÍÖ±½Çµç´ÅÂö³å·§£¬ÊÇÔÚZÐÂÐÍÖ±½Çµç´ÅÂö³å·§»ù´¡ÉϸĽøµÄÐÂÆ·ÖÖ¡£¸Ãµç´ÅÂö³å·§¾ßÓÐZÐÂÐ͵ç´ÅÂö³å·§µÄÁéÃô¶È¸ß¡¢ÅÅÆøÁ¿´ó¡¢¹¤×÷Îȶ¨µÄÐÔÄÜ£¬¶øÇÒ¾ßÓа²×°¡¢Ê¹Óá¢Î¬ÐÞ·½±ãµÄÌØµã¡£

DCF-ZMÍâÂÝÎÆÊ½µç´ÅÂö³å·§ÍâÐγߴçͼ

ÐͺÅ

·§Ìå½ø/ÅÅÆø¿Úͨ¾¶

Á¬½Ó¹ÜÍâ¾¶£¨mm£©

³ß´ç£¨mm£©

Ó¢´ç ¹«ÖÆ

A

B

C

D

E

F

¦Õ

DCF-ZM-20

G0.75" 20

¦Õ26.7

67

45

26

26

167

120

80

DCF-ZM-25

G1" 25

¦Õ33.4

78

70

32

38

187

132

96

DCF-ZM-40S

G1.5" 40

¦Õ48

102

78

51

42

232

178

112

¡¡
 


¹«Ë¾¼ò½é
²úƷĿ¼
¹©Ó¦ÐÅÏ¢

¹«Ë¾Ãû³Æ£º ÎߺþÊଵÂÉ­×Ô¶¯»¯É豸ÓÐÏÞ¹«Ë¾
µç »°£º 0553 7876548 / Ðûµ¤µ¤
ÊÖ»ú£º 15155328833
µØ Ö·£º °²»ÕÊ¡ÎߺþÊз±²ýÏØÖÐÐĹ㳡ÉÌÒµ½Ö2-103
ÓÊ ±à£º 241200
Ö÷ Ò³£º http://www.whcckj.com

¸Ã³§ÉÌÏà¹Ø²úÆ·£º
  • 2WC-20³£¿ªµç´Å·§
  •  
  • UX22-1L,UX22-2L,UX23-2Lµç´Å·§
  •  
  • 2WC-15³£¿ªµç´Å·§
  •  
  • 2WC-35³£¿ªµç´Å·§
  •  
  • 2WC-25³£¿ªµç´Å·§
  •  
  • 2WC-40³£¿ªµç´Å·§
  •  
  • 2WB-35F ·¨À¼Ê½²»Ðâ¸Öµç´Å·§
  •  
  • UW-C-06,UW-C-08,UW-C-10µç´Å·§
  •  
  • UWϵÁеç´Å·§
  •  
  • UD-06,UD-08,UD-10µç´Å·§
  •  
    ¸ü¶à²úÆ·...
      ¹ØÓÚÎÒÃÇ | ÁªÏµÎÒÃÇ | ¹ã¸æ·þÎñ | ±¾Õ¾¶¯Ì¬ | ÓÑÇéÁ´½Ó | ·¨ÂÉÉùÃ÷ | ·Ç·¨ºÍ²»Á¼ÐÅÏ¢¾Ù±¨  
    ¹¤¿ØÍø¿Í·þÈÈÏߣº0755-86369299
    °æÈ¨ËùÓÐ ¹¤¿ØÍø Copyright@ Gkong.com, All Rights Reserved