|
|
|
²úÆ·Ãû³Æ£º
|
QGA¡¢QGBϵÁÐÆø¸×
|
|
ÐÍ ºÅ£º
|
|
|
¼Û ¸ñ£º
|
0.00
|
|
Æ· ÅÆ£º
|
2614
|
|
|
|
Ïêϸ˵Ã÷£º QGA¡¢QGBϵÁÐÆø¸× QGAϵÁÐÎÞ»º³åÆø¸×

| QGAϵÁÐÆø¸×ÊÇÎÞ»º³å×°ÖÃµÄÆÕÍ¨Æø¸×£¬¹¤×÷½éÖÊΪ¾¹ý¾»»¯´¦ÀíµÄº¬ÓÍÎíѹËõ¿ÕÆø¡£ | |
|
|
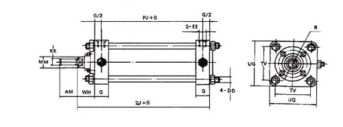
| ±êע˵Ã÷:QGA¢Ù-¢Ú-¢Û |
|
|
¢ÙÆø¸×ÄÚ¾¶ ¢ÚÆø¸×ÐÐ³Ì ¢ÛÆø¸×°²×°ÐÎʽ Î޼Ǻţº»ù±¾ÐÍ f£ºÇ°·¨À¼Ê½ |
| |
F£ººó·¨À¼Ê½ G£º½Å¼Üʽ B£ºÖмä°ÚÖáʽ S£ºÎ²²¿Ðü¹Òʽ |
|
»ù±¾²ÎÊý: |
|
Æø¸×ÄÚ¾¶ £¨mm) |
Ðг̷¶Î§ (mm) |
¹¤×÷ѹÁ¦·¶Î§ (MPa) |
ÖÜΧ½éÖÊÎÂ¶È £¨¡æ£© |
ÀíÂÛ×÷ÓÃÁ¦£¨N£© £¨Ñ¹Á¦Îª0.4MPaʱ¼ÆË㣩 |
|
ÍÆÁ¦ |
ÀÁ¦ |
|
¦Õ40 |
0¡«300 |
0.15¡«0.8 |
-10¡«80 |
500 |
450 |
|
¦Õ50 |
0¡«300 |
0.15¡«0.8 |
780 |
700 |
|
¦Õ63 |
0¡«800 |
0.15¡«0.8 |
1250 |
1120 |
|
¦Õ80 |
0¡«800 |
0.15¡«0.8 |
2010 |
1880 |
|
¦Õ100 |
0¡«1500 |
0.15¡«0.8 |
3140 |
2950 |
|
¦Õ125 |
0¡«2000 |
0.1¡«0.8 |
4910 |
4720 |
|
¦Õ160 |
0¡«2500 |
0.1¡«0.8 |
8040 |
7720 |
|
¦Õ200 |
0¡«2500 |
0.1¡«0.8 |
12570 |
12250 |
|
¦Õ250 |
0¡«2500 |
0.1¡«0.8 |
19640 |
19140 | |
|
×¢£º¸ù¾ÝÉϱíÑ¡ÓÃÆø¸×ʱ£¬Ó¦½«ÀíÂÛÍÆÁ¦ºÍÀÁ¦Ôö´ó15¡«20% |
QGBϵÁлº³åÆø¸×

|
QGB50¡Á180-CA |
| |
QGBϵÁÐÆø¸×ÊÇ»º³åÆø¸×¡£¹¤×÷½éÖÊΪ¾¹ý¾»»¯´¦ÀíµÄº¬ÓÍÎíѹËõ¿ÕÆø¡£ |
| |
Æø¸×µÄ»º³å×÷Óã¬Êǵ±»îÈûÔ˶¯µ½½Ó½üÐгÌÄ©¶Ëʱ£¬°²×°ÓÚÆø¸×ÄÚ²¿µÄ»º³å×°ÖÿªÊ¼Æð×÷Óã¬Ê¹»îÈûÔ˶¯ËٶȽµµÍ£¬Ô˶¯Æ½ÎÈ£¬±ÜÃâ·¢Éú³å»÷ÏÖÏ󣬸ÃϵÁÐÆø¸×¸×¾¶¦Õ40¡¢¦Õ50mm |
| |
µÄΪ²»¿Éµ÷»º³å£¬¸×¾¶¦Õ63mm¼°ÒÔÉϸ׾¶µÄÆø¸×Ϊ¿Éµ÷»º³å¡£ |
| |
|
| |
|
| ±êע˵Ã÷QGA¢Ù-¢Ú-¢Û |
| |
¢ÙÆø¸×ÄÚ¾¶ ¢ÚÆø¸×ÐÐ³Ì ¢ÛÆø¸×°²×°ÐÎʽ Î޼ǺÅ:»ù±¾ÐÍ f:ǰ·¨À¼Ê½ |
| |
|
F:ºó·¨À¼Ê½ G:½Å¼Üʽ B:Öмä°ÚÖáʽ S:β²¿Ðü¹Òʽ |
»ù±¾²ÎÊý |
| |
|
Æø¸×ÄÚ¾¶ £¨mm) |
Ðг̷¶Î§ (mm) |
¹¤×÷ѹÁ¦·¶Î§ (MPa) |
ÖÜΧ½éÖÊÎÂ¶È £¨¡æ£© |
ÀíÂÛ×÷ÓÃÁ¦£¨N£© £¨Ñ¹Á¦Îª0.4MPaʱ¼ÆË㣩 |
|
ÍÆÁ¦ |
ÀÁ¦ |
|
¦Õ40 |
40¡«300 |
0.15¡«0.8 |
-10¡«80 |
500 |
450 |
|
¦Õ50 |
40¡«300 |
0.15¡«0.8 |
780 |
700 |
|
¦Õ63 |
63¡«800 |
0.15¡«0.8 |
1250 |
1120 |
|
¦Õ80 |
63¡«800 |
0.15¡«0.8 |
2010 |
1880 |
|
¦Õ100 |
100¡«1500 |
0.15¡«0.8 |
3140 |
2940 |
|
¦Õ125 |
100¡«2000 |
0.1¡«0.8 |
4920 |
4520 |
|
¦Õ160 |
160¡«2500 |
0.1¡«0.8 |
8040 |
7540 |
|
¦Õ200 |
160¡«2500 |
0.1¡«0.8 |
12560 |
12060 |
|
¦Õ250 |
250¡«2500 |
0.1¡«0.8 |
19640 |
18860 |
|
¦Õ320 |
300¡«2500 |
0.1¡«0.8 |
32160 |
30910 |
|
¦Õ400 |
300¡«2500 |
0.1¡«0.8 |
50400 |
48400 | |
| ×¢£º¸ù¾ÝÉϱíÑ¡ÓÃÆø¸×ʱ£¬Ó¦½«ÀíÂÛÍÆÁ¦ºÍÀÁ¦Ôö´ó15¡«20% | | | |
| |
| ¡¡ |
 |
|
|
|