|
摘要:油液污染度检测仪动态校准试验台用以在流量交变状态下动态校准颗粒计数器,设备以 PLC为控制核心 , 通过与上位工控机的通讯 , 实现数据的高速采集、处理和分析; 利用回路控制来控制系统中压力、流量,应用以太网模块与上位机通讯,简化了设计,提高了系统的性能。
关键词:流量交变;动态校准;回路控制
1.引言
颗粒度计数器应用于油液污染度检测,可精密计量出油液中各种规格微粒的个数,是油液污染度检测中的重要部件。油液污染度检测仪动态校准试验台是用以校准颗粒度计数器,在定压力、定流量状态下与定压力、流量交变状态下,被校准颗粒度计数器与标准计数器接在系统同一位置,检测被校准颗粒计数器的性能。本文介绍以 PLC为控制核心的实时测控系统及其在油液污染度检测仪动态校准试验台的应用。
2.系统工作原理

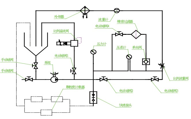
图1 系统框架图
图1示出设备在工作中运行状态如下:在上位机上设定系统所需压力P1,最大流量Q1与最小流量Q2,流量交变周期T,系统保持温度t,开始运行系统后,打开电动球阀1,2,3;关闭电动球阀4。系统自动检测最大流量值来计算电机的最大转速并在此转速上恒定运行。此时油液经泵组后通过比例溢流阀回到油箱,运行比例溢流阀PID控制程序,调整系统压力,在系统压力满足0.99P1≤P≤1.01P1时开始运行比例流量阀PID控制程序,调整系统流量Q,当系统压力0.99P1≤P≤1.01P1与系统流量0.99Q2≤Q≤1.01Q2同时满足时,记录比例溢流阀与比例流量阀PID参数;继续运行比例流量阀PID控制程序,调整系统流量系统压力0.99P1≤P≤1.01P1与系统流量0.99Q1≤Q≤1.01Q1同时满足时,记录记录比例溢流阀与比例流量阀PID参数。之后在周期内循环运行两组PID控制参数下的控制,使系统在定压力P下在流量Q1与流量Q2交变运行。
3.PLC控制原理
根据系统的控制及可扩展性等方面的要求, 选用日本OMRON公司的 CJ系列 PLC, CPU采用CJ1G-CPU43P,各功能模块中, CJ1W-ETN21通讯模块实现与上位机的通讯连接; CJ1WAD081-V1
模拟量输入模块负责各传感器的数据采集; CJ1W-TC103温度模块用于采集系统温度信号,CJ1W-DA041模拟量输出模块用于向各比例控制放大器,变频器发送控制信号。CJ1GCPU43P内置回路控制,在本系统中应用如下:主要使用两个PID分别控制比例溢流阀及比例流量阀(见图2)。在PID控制,
回路控制在User Link Table中设置PID模块中运行及输出参数,压力和流量PID控制MV值输出在DM区,再由DM区输出到模拟量输出模块来控制比例溢流阀与比例流量阀。

图2 通信数据
PID设定参数(以PID1为例)
在本系统中,由于系统控制的特性,在P、I、D中只使用了P与I,将P值设定为200%,可保证系统稳定运行,I值调整到550倍操作周期,效果良好,PID设定参数如图3所示。

图3 PID设定参数
4.结束语
本试验台具有以下优点:(1)采用 PLC的逻辑互锁及外部物理互锁相结合的方式, 大大减少了误操作;
(2)所带本试验台功能齐全,既可进行颗粒度计数器的校准,又可应用于其它产品的性能试验,满足了试验台经济性的需要;
(3)通过CJ1G-CPU43P的运用,提高了试验精度,操作更加的方便。
参考文献(略)
|