Ê×Ò³ - ÐÂÎÅ - ÕÐÆ¸ - ÏÂÔØ - ²úÆ· - ³§ÉÌ - ·½°¸ - ÎÄÕª - Çó¹º - Õ¹ÀÀ
Ãâ·Ñ×¢²á µÇ¼ | ¹ã¸æ·þÎñ | ¿Í·þÖÐÐÄ
Öлª¹¤¿ØÍø ¡ú ¹¤¿Ø²úÆ· ¡ú µç½ÓµãѹÁ¦±í
²úÆ·Ãû³Æ£º µç½ÓµãѹÁ¦±í
ÐÍ ºÅ£º YXC
¼Û ¸ñ£º
Æ· ÅÆ£º 7280
 
Êղش˲úÆ·     ²é¿´ÊÕ²Ø

¸ÅÊö
     µç½ÓµãѹÁ¦±íÊÊÓÃÓÚ²âÁ¿¶ÔÍ­ºÏ½ðÎÞ¸¯Ê´¡¢ÎÞ±¬Õ¨Î£ÏÕ¡¢·Ç½á¾§µÄ¸÷ÖÖÒºÌå¡¢ÆøÌåµÈ½éÖÊѹÁ¦¡£ÒÇ±í¾­ÓëÏàÓ¦µÄµçÆøÆ÷¼þÅäÌ×ʹÓ㬿ɴﵽ¶Ô±»²âѹÁ¦ÏµÍ³ÊµÏÖÔ¤ÏÈÉ趨µÄ×î´ó»ò×îСѹÁ¦ÖµµÄ˫λ×Ô¶¯¿ØÖƺͷ¢ÐÅ£¨±¨¾¯£©µÄÄ¿µÄ¡£
    ÒDZí¾ßÓвâÁ¿¿ØÖƹ¦ÄÜ£¬¿ÉÈÎÒâÉ趨ÉÏ¡¢ÏÂÏÞÖµ£¬¶¯×÷Îȶ¨¿É¿¿£¬ÔÚʯÓÍ¡¢»¯¹¤¡¢µçÕ¾¡¢Ò±½ðµÈ¹¤ÒµÆóÒµ¼°»úµçÉ豸ÉϹ㷺ÅäÌ×ʹÓá£

½á¹¹Ô­Àí
     ÒDZíÓɲâÁ¿ÏµÍ³¡¢Ö¸Ê¾×°ÖᢴÅÖúµç½Óµã×°Öá¢Íâ¿Ç¡¢µ÷½Ú×°Öü°½ÓÏߺеÈ×é³É¡£
    µ±±»²âѹÁ¦×÷ÓÃÓÚµ¯»É¹Üʱ£¬ÆäÄ©¶Ë²úÉúÏàÓ¦µÄµ¯ÐÔ±äÐÎÒ»Î»ÒÆ£¬¾­´«¶¯»ú¹¹·Å´óºó£¬ÓÉָʾװÖÃÔÚ¶ÈÅÌÉÏָʾ³öÀ´¡£Í¬Ê±Ö¸Õë´ø¶¯µç½Óµã×°ÖõĻ´¥µãÓëÉ趨ָÕëÉϵĴ¥Í·£¨ÉÏÏÞ»òÏÂÏÞ£©Ïà½Ó´¥µÄ˲ʱ£¬ÖÂʹ¿ØÖÆÏµÍ³½Óͨ»ò¶Ï¿ªµç·£¬ÒÔ´ïµ½×Ô¶¯¿ØÖƺͷ¢Ðű¨¾¯µÄÄ¿µÄ¡£
    ÔÚµç½Óµã×°Öõĵç½Ó´¥ÐźÅÕëÉÏ£¬×°Óпɵ÷½ÚµÄÓÀ¾Ã´Å¸Ö£¬¿ÉÒÔÔö¼Ó½ÓµãÎüÁ¦£¬¼Ó¿ì½Ó´¥¶¯×÷£¬´Ó¶øÊ¹´¥µã½Ó´¥¿É¿¿£¬Ïû³ýµç»¡£¬ÄÜÓÐЧµØ±ÜÃâÒDZíÓÉÓÚ¹¤×÷»·¾³Õñ¶¯»ò½éÖÊѹÁ¦Âö¶¯Ôì³É´¥µãµÄƵ·±¹Ø¶Ï¡£ËùÒÔ¸ÃÒDZí¾ßÓж¯×÷¿É¿¿¡¢Ê¹ÓÃÊÙÃü³¤¡¢´¥µã¿ª¹Ø¹¦ÂʽϴóµÈÓŵ㡣

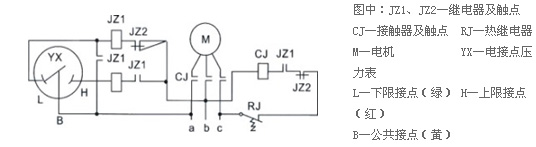
    ¡ñ ½Óµã×°ÖÃµçÆø²ÎÊý¼°¿ØÖÆÐÎʽ


Ðͺűíʾ

µçÆøµç·Á¬½ÓʾÒâͼ

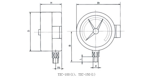
ÍâÐγߴç

ÏêÇéÇë²éÔı¾¹«Ë¾ÍøÕ¾£ºwww.shwyyq.com    www.shwyyb.cn

 


¹«Ë¾¼ò½é
²úƷĿ¼
¹©Ó¦ÐÅÏ¢

¹«Ë¾Ãû³Æ£º ÉϺ£ÍþÒ°ÒÇÆ÷ÒDZíÓÐÏÞ¹«Ë¾
µç »°£º 021 33532821 / Ëï¹ãΰ
ÊÖ»ú£º 13524291388
µØ Ö·£º ÆÕÍÓÇø°²Ô¶Â·16Ū
ÓÊ ±à£º 200060
Ö÷ Ò³£º http://www.shwyyq.com

¸Ã³§ÉÌÏà¹Ø²úÆ·£º
  • ²»Ðâ¸ÖĤºÐµç½ÓµãѹÁ¦±í
  •  
  • ²»Ðâ¸ÖĤºÐѹÁ¦±í
  •  
  • ²»Ðâ¸ÖѹÁ¦±í
  •  
  • µç½ÓµãѹÁ¦±í
  •  
  • µç×èÔ¶´«Ñ¹Á¦±í
  •  
  • ·À±¬µç½ÓµãѹÁ¦±í
  •  
  • ¸ôĤѹÁ¦±í
  •  
  • ¾«ÃÜѹÁ¦±í
  •  
  • ¾ØÐÎĤºÐѹÁ¦±í
  •  
  • ĤºÐѹÁ¦±í
  •  
    ¸ü¶à²úÆ·...
      ¹ØÓÚÎÒÃÇ | ÁªÏµÎÒÃÇ | ¹ã¸æ·þÎñ | ±¾Õ¾¶¯Ì¬ | ÓÑÇéÁ´½Ó | ·¨ÂÉÉùÃ÷ | ·Ç·¨ºÍ²»Á¼ÐÅÏ¢¾Ù±¨  
    ¹¤¿ØÍø¿Í·þÈÈÏߣº0755-86369299
    °æÈ¨ËùÓÐ ¹¤¿ØÍø Copyright@ Gkong.com, All Rights Reserved