|
|
|
²úÆ·Ãû³Æ£º
|
É䯵µ¼ÄÉÁÏλ¿ª¹ØNYSP
|
|
ÐÍ ºÅ£º
|
NYSP
|
|
¼Û ¸ñ£º
|
0.00
|
|
Æ· ÅÆ£º
|
9913
|
|
|
|
|
|
|
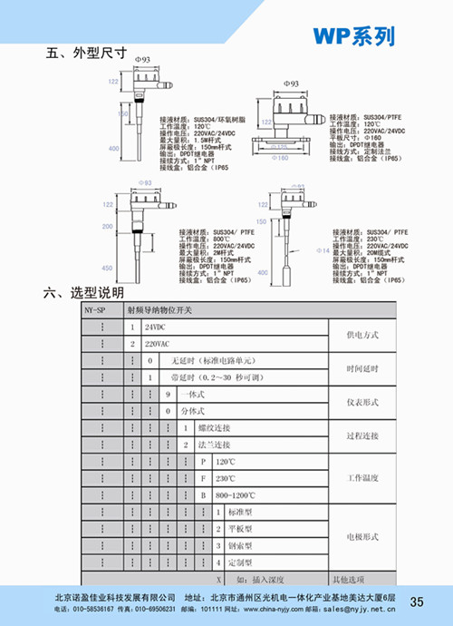
É䯵µ¼ÄÉ¿ª¹ØÒÑÔÚÏÂÁг¡ºÏ³É¹¦Ó¦Ó㺠¡ô Ãæ ·Û ³§£º¼ì²âÃæ·Û¡¢ÂóÁ£ÁÏλ ¡ô ËÇ ÁÏ ³§£º¼ì²â¶¹ÆÉÁÏλ ¡ô ·¢ µç ³§£º¼ì²â·Ûú»ÒÁÏλ ¡ô ²£ Á§ ³§£º¼ì²âʯӢɰ¼°Ëé²£Á§ÁÏλ ¡ô ½¨Öþ»úе£º¼ì²âË®Äà²ÖÁÏλ ¡ô ÖýÔì»úе£º¼ì²âɳÁ£ÁÏλ ¡ô ÒºÁ¦»úе£º¼ì²âÈó»¬ÓÍҺλ ¡ô »¯ ¹¤ ³§£º¼ì²âµÓÂÚ¡¢°±ÂÚ¡¢Ëá¡¢¼îµÈ»¯¹¤ÎïÁϵÄҺλ ¡ô »· ±££º¼ì²âÎÛˮҺλ ¡ô ¹ø ¯ ³§£º¼ì²âÆû°üˮλ¡¢¼°ÆäËûѹÁ¦ÈÝÆ÷Һλ Ë®Äà·ÛÁÏλ¿ª¹Ø/Ë®Äà·ÛµçÈÝ¿ª¹Ø/»Ò¶·ÁÏλ¿ª¹Ø/³ý³¾Æ÷ÁÏλ¿ª¹Ø/Ë®Äà»Ò²ÖÁÏλ¿ª¹Ø É䯵µ¼ÄÉÁÏλ¿ª¹Ø¹¤×÷ÔÀí£º ¹¤×÷ÔÀíÊÇ»ùÓÚÉ䯵(RF)µçÈݼ¼Êõ¡£½«Ò»¸öÎÞÏßµçÆµÂÊÊ©¼ÓÔÚ̽ͷÉÏ£¬Í¨¹ýÁ¬ÐøµÄ·ÖÎö£¬È·¶¨ÓÉÖÜΧ»·¾³Ôì³ÉµÄÓ°Ïì¡£ÒòËùÓвÄÁϾù¾ßÓнéµç³£Êý£¬¶øÇÒÆäµ¼µçÂʶ¼²»Í¬ÓÚ¿ÕÆø£¬µ±Ì½Í·Óë²ÄÁϽӴ¥Ê±ÓÉÓÚ΢СµçÈÝÁ¿Æ«ÒÆËù·´Ó³µÄ×Ü×迹·¢Éú±ä»¯¡£ÒòΪͨµçµÄ̽ͷºÍÈÝÆ÷±Ú¹¹³ÉµçÈÝÆ÷µÄ¶þ¿é¼«°å£¬Ì½Í·µÄ¾øÔµÌåºÍÖÜΧ¿ÕÆø³ÉΪ½éµç²ÄÁÏ£¬µ±¿ÕÆø(Æä½éµç³£ÊýΪ1.0)±»ÈÎºÎÆäËü²ÄÁÏ(½éµç³£Êý>1)Öû»Ê±£¬µçÈÝЧӦµÃÒÔ¼ÓÇ¿¡£´Ó¶ø¸Ä±äÁËÓ¦Óó¡ºÏµÄ×迹¡£¼´µçÈÝÖµµÄ±ä»¯Ôì³ÉÁË×迹µÄ±ä»¯¡£ÕâÒ»Ó°Ïì±»µç·²âÁ¿ºó,ÔÙÓëÓÉÁéÃô¶ÈÉèÖÃ(µç·)½¨Á¢µÄ²Î¿¼»ù×¼Ïà±È½Ï¡£ ÁéÃô¶ÈÕýÈ·ÉèÖûáÓ°Ïì´«¸ÐÆ÷Êä³öÕýÈ·±ä»¯¡£Ì½Í·µÄNull-KoTeTMµç·¿ÉÒÔʹ²âÁ¿µç·¶Ô̽ͷÉ϶ѻýµÄÎïÁϺöÂÔ²»¼Æ£¬·ñÔòËü»áÒýÆðÁéÃô¶ÈµÄ¹ÊÕÏ¡£Null-KoTeTMµç·ÓÃÓë¼Óµ½´«¸Ð̽ͷͬÑùµÄÎÞÏßµçÆµÂʵçλ¼¤Àø¡£ÓÉÓÚµçÁ÷²»ÄÜÔÚÏàͬµÄµçλÏÂÁ÷¶¯£¬Null-KoTeTMµç·¾Í¸ô¶ÏÁËͨ³£´ÓͨµçµÄ̽ͷ¾¹ý¶Ñ»ýµÄÎïÁϵ½ÈÝÆ÷±ÚµÄµçÁ÷Á÷¶¯¡£ÕâÑù²âÁ¿µ½µÄÊÇͨµç̽ͷÖÜΧµÄÎïÁÏ£¬¶ø²»ÊǶѻýµÄÎïÁÏ¡£ É䯵µ¼ÄÉÁÏλ¿ª¹ØÒDZíÌØµã£º ¡öͨÓÃÐÔÇ¿£º¿ÉÓ¦ÓÃÓÚ¸÷ÖÖµ¼µçºÍ·Çµ¼µç½éÖʵIJâÁ¿£¬ÀýÈçÒºÌå¡¢Õ³³íÎï¡¢¿ÅÁ£¡¢·ÛÄ©¡¢·É»Ò¡£ ¡ö¿É¿¹Õ³¸½£º²ÉÓÃרÀûµÄ¿¹Õ³¸½µç·£¬¿ÉÒÔÏû³ýÒòÎïÁÏÕ³¸½¶ø²úÉúµÄÐé¼ÙÐźš£ ¡ö̽ͷ¿É²ð£º¿ØÖÆÆ÷Óë̽ͷ֮¼äûÓеçÀÂÁ¬½Ó£¬ËæÊ±¿ÉÒÔ½«¿ØÖÆÆ÷²ð³ý¸ü»»Î¬ÐÞ£¬²»Ó°Ïì½ø³öÎïÁÏ¡£ ¡öÄ͸ߵÍΣºÊÊÓÃÓÚ-184¡æÖÁ280¡æµÄ¹¤×÷»·¾³£¬Áí¿ÉÌṩÊÊÓÃÓÚ¸ü¸ßζȵÄÌÕ´É̽ͷ¡£ ¡öÊä³öÐÎʽ£º²ÉÓÃË«µ¶Ë«ÖÀµÄ¼ÌµçÆ÷ÐźÅÊä³ö£¬Í¬Ê±ÓÐ״̬µÆÏÔʾÊä³ö״̬£¬²¢ÓÐ0ÖÁ30ÃëµÄÑÓʱ¹¦ÄÜ¡£ É䯵µ¼ÄÉÁÏλ¿ª¹Ø¿ØÖÆÆ÷¼¼Êõ²ÎÊý£º ¹ÊÕϱ¨¾¯£ºÉÏÏÞ»òÏÂÏÞ£¬ÏÖ³¡¿Éµ÷¡£ Êä³ö¼ÌµçÆ÷£ºË«µ¶Ë«ÖÀ£¬10A£¬115VAC»ò26VDC(×èÐÔ)»ò5A£¬220VAC ÑÓʱʱ¼ä£º0-30Ãë¿Éµ÷£º(¿ª»ò¹Ø) µçÔ´µçѹ£º120/240VAC, 50/60HZ»ò24VDC ¹¦ÂÊ£º3W Íâ¿Ç±ê×¼£ºÖýÂÁ£¬±ê×¼ »·¾³Î¶ȣº-40¡æ¡«+66¡æ ÁéÃô¶È£º0.5pf¡«750pf ·À±¬£ºI¼¶£¬C»òD×飻II¼¶£¬E£¬F»òG×é¡£ ʧµç±£»¤£º³£¿ª»ò³£±Õ£¬ÏÖ³¡¿ÉÇл»¡£ µçÆø½Ó¿Ú£º3/4" NPT ¡ñ̽ͷ²ÎÊý£º °²×°ÂÝÎÆ£º3/4¡±NPT ̽ͷ²ÄÁÏ£º304/316²»Ðâ¸Ö¡¢PTFE ²Ù×÷ζȣº-184¡æ¡«260¡æ£¨´óÓÚ260¡æ¿ÉÁíÑ¡ÓøßÎÂÌÕ´É̽ͷ£© ²Ù×÷ѹÁ¦£º0¡«2Mpa ¡ñ¹¤×÷ѹÁ¦ºÍζȹØÏµ£º 31.5Kg/Cm3 @ 149¡æ 24.7Kg/Cm3 @ 205¡æ 0Kg/Cm3 @ 260¡æ

| |
|
|
|