首页 新闻 工控搜 论坛 厂商论坛 产品 方案 厂商 人才 文摘 下载 展览
中华工控网首页
  P L C | 变频器与传动 | 传感器 | 现场检测仪表 | 工控软件 | 人机界面 | 运动控制
  D C S | 工业以太网 | 现场总线 | 显示调节仪表 | 数据采集 | 数传测控 | 工业安全
  电 源 | 嵌入式系统 | PC based | 机柜箱体壳体 | 低压电器 | 机器视觉
收藏本文     查看收藏

一、 开关电源的电路组成:

  开关电源的主要电路是由输入电磁干扰滤波器(EMI)、整流滤波电路、功率变换电路、PWM控制器电路、输出整流滤波电路组成。辅助电路有输入过欠压保护电路、输出过欠压保护电路、输出过流保护电路、输出短路保护电路等。

  开关电源的电路组成方框图如下:

  

浅谈开关电源原理 - 海阔天空 - 海阔天空     BLOG

?

  

浅谈开关电源原理 - 海阔天空 - 海阔天空     BLOG

?

  ① 防雷电路:当有雷击,产生高压经电网导入电源时,由MOV1、MOV2、MOV3:F1、F2、F3、FDG1组成的电路进行保护。当加在压敏电阻两端的电压超过其工作电压时,其阻值降低,使高压能量消耗在压敏电阻上,若电流过大,F1、F2、F3会烧毁保护后级电路。

  ③ 整流滤波电路:交流电压经BRG1整流后,经C5滤波后得到较为纯净的直流电压。若C5容量变小,输出的交流纹波将增大。

  2、 DC输入滤波电路原理:

  

浅谈开关电源原理 - 海阔天空 - 海阔天空     BLOG

?

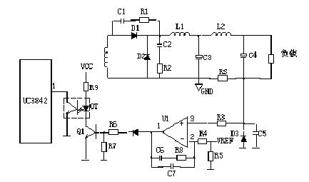
  ① 输入滤波电路:C1、L1、C2组成的双π型滤波网络主要是对输入电源的电磁噪声及杂波信号进行抑制,防止对电源干扰,同时也防止电源本身产生的高频杂波对电网干扰。C3、C4为安规电容,L2、L3为差模电感。

  ② R1、R2、R3、Z1、C6、Q1、Z2、R4、R5、Q2、RT1、C7组成抗浪涌电路。在起机的瞬间,由于C6的存在Q2不导通,电流经RT1构成回路。当C6上的电压充至Z1的稳压值时Q2导通。如果C8漏电或后级电路短路现象,在起机的瞬间电流在RT1上产生的压降增大,Q1导通使Q2没有栅极电压不导通,RT1将会在很短的时间烧毁,以保护后级电路。

  三、 功率变换电路:

  1、 MOS管的工作原理:目前应用最广泛的绝缘栅场效应管是MOSFET(MOS管),是利用半导体表面的电声效应进行工作的。也称为表面场效应器件。由于它的栅极处于不导电状态,所以输入电阻可以大大提高,最高可达105欧姆,MOS管是利用栅源电压的大小,来改变半导体表面感生电荷的多少,从而控制漏极电流的大小。

  2、 常见的原理图:

  

浅谈开关电源原理 - 海阔天空 - 海阔天空     BLOG

?

  3、工作原理:

  R4、C3、R5、R6、C4、D1、D2组成缓冲器,和开关MOS管并接,使开关管电压应力减少,EMI减少,不发生二次击穿。在开关管Q1关断时,变压器的原边线圈易产生尖峰电压和尖峰电流,这些元件组合一起,能很好地吸收尖峰电压和电流。从R3测得的电流峰值信号参与当前工作周波的占空比控制,因此是当前工作周波的电流限制。当R5上的电压达到1V时,UC3842停止工作,开关管Q1立即关断 。

  R1和Q1中的结电容CGS、CGD一起组成RC网络,电容的充放电直接影响着开关管的开关速度。R1过小,易引起振荡,电磁干扰也会很大;R1过大,会降低开关管的开关速度。Z1通常将MOS管的GS电压限制在18V以下,从而保护了MOS管。

浅谈开关电源原理 - 海阔天空 - 海阔天空     BLOG

?

  当输出U0升高,经取样电阻R7、R8、R10、VR1分压后,U1③脚电压升高,当其超过U1②脚基准电压后U1①脚输出高电平,使Q1导通,光耦OT1发光二极管发光,光电三极管导通,UC3842①脚电位相应变低,从而改变U1⑥脚输出占空比减小,U0降低。

  当输出U0降低时,U1③脚电压降低,当其低过U1②脚基准电压后U1①脚输出低电平,Q1不导通,光耦OT1发光二极管不发光,光电三极管不导通,UC3842①脚电位升高,从而改变U1⑥脚输出占空比增大,U0降低。周而复始,从而使输出电压保持稳定。调节VR1可改变输出电压值。

  

浅谈开关电源原理 - 海阔天空 - 海阔天空     BLOG

?

  当输出短路,UC3842①脚电压上升,U1 ③脚

  5、下图是用电流互感器取样电流的保护电路,

  停止工作,周而复始,当短路或过载消失,电路自行恢复。

  七、输出端限流保护:

  

浅谈开关电源原理 - 海阔天空 - 海阔天空     BLOG

?

  上图是常见的输出端限流保护电路,其工作原理简述如上图:当输出电流过大时,RS(锰铜丝)两端电压上升,U1③脚电压高于②脚基准电压,U1①脚输出高电压,Q1导通,光耦发生光电效应,UC3842①脚电压降低,输出电压降低,从而达到输出过载限流的目的。

  八、输出过压保护电路的原理:

  输出过压保护电路的作用是:当输出电压超过设计值时,把输出电压限定在一安全值的范围内。当开关电源内部稳压环路出现故障或者由于用户操作不当引起输出过压现象时,过压保护电路进行保护以防止损坏后级用电设备。应用最为普遍的过压保护电路有如下几种:

  1、可控硅触发保护电路:

  

浅谈开关电源原理 - 海阔天空 - 海阔天空     BLOG

?

  4、输出过压锁死电路:

  

浅谈开关电源原理 - 海阔天空 - 海阔天空     BLOG
 

状 态: 离线

公司简介
产品目录

公司名称: 武汉天立华高电气设备有限公司
联 系 人: 天立华高
电  话: 027-86385331
传  真:
地  址: 武汉市http://www.whtlhgdq.com/东湖风景区先锋工业园天立大厦2幢
邮  编: 430083
主  页:
 
该厂商相关技术文摘:
氧化锌避雷器阻性电流提取算法探讨
根据矿物绝缘电缆的特点进行开发与应用
变电站自动化系统的实施策略
电气自动化在水电站中的应用
集控站时钟同步系统设计
方向式微机母线保护的研究
一种矩阵级联型高压变频器的研究
红外线人体测温仪电路的设计
云广±800 kV直流输电工程输电容量探讨
居民小区远程抄表系统
真空断路器的发展表现
电解液离子与炭电极双电层电容的关系
更多文摘...
立即发送询问信息在线联系该技术文摘厂商:
用户名: 密码: 免费注册为中华工控网会员
请留下您的有效联系方式,以方便我们及时与您联络

关于我们 | 联系我们 | 广告服务 | 本站动态 | 友情链接 | 法律声明 | 不良信息举报
工控网客服热线:0755-86369299
版权所有 中华工控网 Copyright©2022 Gkong.com, All Rights Reserved