DQ245M是基于DSP控制的两相步进电机驱动器。它是将先进的DSP控制芯片和独特的控制电路结合一起所构成的新一代全数字步进电机驱动器。驱动电压为DC24-50V,适配电流在4.0A以下、外径42-57mm的各种型号的两相混合式步进电机。该驱动器内部采用类似伺服控制原理的电路,此电路可以使电机运行平稳,几乎没有震动和噪音。定位精度最高可达40000脉冲/转。该产品广泛应用于雕刻机、小型数控机床、包装机械等分辨率较高的中、小型数控设备上。
命名方式
DQ----------全数字经济适用型驱动器
2 ------------控制三相步进电机
4 ----------驱动器输出相电流4A(有效值)
5 ----------电压值为DC24-50V
X -----------X=M:基本功能的驱动器
X=N:根据客户要求定制程序的驱动器
特点
● 高性能、低价格
● 设有16档等角度恒力矩细分,最高分辨率40000脉冲/转
● 最高反应频率可达500Kpps
● 步进脉冲停止超过100ms时,线圈电流自动减到设定电流的一半
● 光电隔离信号输入/输出
● 驱动电流1.2A/相到4.0A/相分16档可调
● 单电源输入,电压范围:DC24V-50V
● 相位记忆功能(注:输入停止超过3秒后,驱动器自动记忆当时电机相位,重新上电或MF信号由低电平变为高电平时,驱动器自动恢复电机相位)
电流设定
驱动器工作电流由DIP-1端子设定,运行电流为正常工作输出电流设置开关(注:本驱动器电流值为有效值)
|
运行电流(A)
|
1.2
|
1.5
|
2.0
|
2.3
|
2.5
|
3.0
|
3.2
|
3.6
|
4.0
|
4.0
|
4.0
|
4.0
|
4.0
|
4.0
|
4.0
|
4.0
|
|
D1
|
OFF
|
OFF
|
OFF
|
OFF
|
OFF
|
OFF
|
OFF
|
OFF
|
ON
|
ON
|
ON
|
ON
|
ON
|
ON
|
ON
|
ON
|
|
D2
|
OFF
|
OFF
|
OFF
|
OFF
|
ON
|
ON
|
ON
|
ON
|
OFF
|
OFF
|
OFF
|
OFF
|
ON
|
ON
|
ON
|
ON
|
|
D3
|
OFF
|
OFF
|
ON
|
ON
|
OFF
|
OFF
|
ON
|
ON
|
OFF
|
OFF
|
ON
|
ON
|
OFF
|
OFF
|
ON
|
ON
|
|
D4
|
OFF
|
ON
|
OFF
|
ON
|
OFF
|
ON
|
OFF
|
ON
|
OFF
|
ON
|
OFF
|
ON
|
OFF
|
ON
|
OFF
|
ON
|
细分设定
驱动器细分由DIP-2端子设定,共16档,由6位拨码开关的前四位分别设定(后两位为功能设定)。附表如:细分数(脉冲/转)
|
细分数
|
200
|
400
|
800
|
1000
|
1600
|
2000
|
3200
|
4000
|
5000
|
6400
|
8000
|
10000
|
12800
|
20000
|
25600
|
40000
|
|
D1
|
ON
|
ON
|
ON
|
ON
|
ON
|
ON
|
ON
|
ON
|
OFF
|
OFF
|
OFF
|
OFF
|
OFF
|
OFF
|
OFF
|
OFF
|
|
D2
|
ON
|
ON
|
ON
|
ON
|
OFF
|
OFF
|
OFF
|
OFF
|
ON
|
ON
|
ON
|
ON
|
OFF
|
OFF
|
OFF
|
OFF
|
|
D3
|
ON
|
ON
|
OFF
|
OFF
|
ON
|
ON
|
OFF
|
OFF
|
ON
|
ON
|
OFF
|
OFF
|
ON
|
ON
|
OFF
|
OFF
|
|
D4
|
ON
|
OFF
|
ON
|
OFF
|
ON
|
OFF
|
ON
|
OFF
|
ON
|
OFF
|
ON
|
OFF
|
ON
|
OFF
|
ON
|
OFF
|
|
D5
|
ON, 双脉冲:PU为正向步进脉冲信号,DR为反向步进脉冲信号
|
|
OFF, 单脉冲:PU为步进脉冲信号,DR为方向控制信号
|
|
D6
|
自动检测开关(OFF时接收外部脉冲,ON时驱动器内部以30转/分的速度运行)
|
I/O信号
所有输入信号均通过光电隔离,为确保内置高速光耦可靠导通,要求提供控制信号的电流驱动能力至少15mA。驱动器内部已串入光耦限流电阻,当输入信号电压高于5V时,可根据需要外串电阻R进行限流。
限流电阻R的阻值选取:
当控制器/执行器信号输出电平为 +5V时: R1=0, R2=0;
+12V时: R1=510Ω,R2=820Ω;
+24V时: R1=1.2KΩ,R2=1.8KΩ。
输入信号共阳接法

输入信号共阴接法

差分输入的时候请按下图接线

输出信号
驱动器输出信号通过光耦隔离输出,驱动电流为最大为50mA。
RDY信号输出

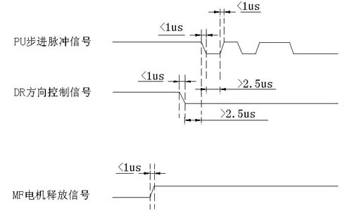
输入信号波形时序图

!注意
1、输入电压不能超过直流50V;
2、输入控制信号电平为5V,当高于5V时需要接限流电阻;
3、输入脉冲信号下降沿有效;
4、驱动器温度超过75度时驱动器停止工作,故障指示灯ALM亮,直到驱动器温度降到50度时,驱动器需要重新上电才能恢复工作。出现过热保护请加装散热器;
5、过流(负载短路)故障指示灯ALM亮,请检查电机接线及其他短路故障,排除后需要重新上电恢复;
6、无电机故障指示灯ALM亮,请检查电机接线,排除后需要重新上电恢复;
驱动器接线、尺寸示意图 (单位;mm)

引脚功能说明
|
端口定义
|
针脚号
|
标记符号
|
功能
|
注释
|
|
RS-232
|
1
|
RX
|
接收数据
|
接上位机串口RX(功能保留)
|
|
2
|
TX
|
发送数据
|
接上位机串口TX(功能保留)
|
|
3
|
GND
|
地线
|
接上位机串口地(功能保留)
|
|
4
|
5V
|
5V电源
|
接上位机串口电源(功能保留)
|
|
信号
端口
|
1
|
PU+
|
输入信号光电隔离正端
|
接+5V供电电源,+5V-+24V均可驱动,高于+5V需接限流电阻
|
|
2
|
PU-
|
DP5= OFF, PU为步进脉冲信号
|
下降沿有效,每当脉冲由高变低时电机走一步,输入电阻220Ω,要求:低电平0-0.5V,高电平4-5V,脉冲宽度>2.5μS
|
|
DP5=ON, PU为正相步进脉冲信号
|
|
3
|
DR+
|
输入信号光电隔离正端
|
接+5V供电电源,+5V-+24V均可驱动,高于+5V需接限流电阻
|
|
4
|
DR-
|
DP5= OFF, DR为方向控制信号
|
用于改变电机转向。输入电阻220Ω,要求:低电平0-0.5V,高电平4-5V,脉冲宽度>2.5μS
|
|
DP5=ON, DR为反向步进脉冲信号
|
|
5
|
MF+
|
输入信号光电隔离正端
|
接+5V供电电源,+5V-+24V均可驱动,高于+5V需接限流电阻
|
|
6
|
MF-
|
电机释放信号
|
有效(低电平)时关断电机接线电流,驱动器停止工作,电机处于自由状态
|
|
7
|
RDY+
|
驱动器准备好输出信号光电隔离正端
|
驱动器状态正常,准备就绪接受控制器信号时该信号有效(低电平)
|
|
8
|
RDY-
|
驱动器准备好输出信号光电隔离负端
|
|
|
电机、电源端
|
1
|
B-
|
电机接线
|
|
|
2
|
B+
|
|
3
|
A-
|
|
4
|
A+
|
|
5
|
DC-
|
电源
|
电源:DC24~50V
|
|
6
|
DC+
|
常见问题和处理方法对照表:
|
现象
|
可能的原因
|
措施
|
|
电机不转
|
指示灯无显示
|
检查供电是否正常
|
|
故障指示灯亮
|
检查驱动器是否过流、过热、缺电机
|
|
电机轴已锁,电机不动作。
|
检查外部控制信号
|
|
指示灯显示正常,电机轴未锁机
|
检查MF信号是否有效
|
|
电机堵转
|
最高速度设置过大
|
降低最高速度
|
|
加速时间太短
|
加长加速时间或增大驱动器脉冲滤波常数
|
|
位置不准
|
细分数不对
|
选择正确的细分数
|
|
电机负载过大
|
更换电机或适当增大驱动器运行电流
|
|
“漏电”现象
|
驱动器、电机没有可靠接地
|
把驱动器、电机可靠接地
|
|
驱动器、电机严重发热
|
驱动器运行电流大或外界散热条件差
|
适当的减小驱动器运行电流或增加驱动器和电机的通风散热
|