命名方式
DQ----------全数字经济适用型驱动器
2 ------------控制三相步进电机
5 ----------驱动器输出相电流5A(有效值)
8 ----------电压值为DC24-80V
X -----------X=M:基本功能的驱动器
X=N:根据客户要求定制程序的驱动器
特点
● 高性能、低价格
● 设有16档等角度恒力矩细分,最高分辨率40000脉冲/转
● 最高反应频率可达200Kpps
● 步进脉冲停止超过100ms时,线圈电流自动减到设定电流的一半
● 光电隔离信号输入/输出
● 驱动电流1.2A/相到5.0A/相分16档可调
● 单电源输入,电压范围:DC24-80V
● 相位记忆功能(注:输入停止超过3秒后,驱动器自动记忆当时电机相位,重新上电或MF信号由低电平变为高电平时,驱动器自动恢复电机相位)
电流设定
驱动器工作电流由DIP-1端子设定,运行电流为正常工作输出电流设置开关(注:本驱动器电流值为有效值)
|
运行电流(A) |
1.2 |
1.5 |
2.0 |
2.3 |
2.5 |
3.0 |
3.2 |
3.6 |
4.0 |
4.5 |
5.0 |
5.0 |
5.0 |
5.0 |
5.0 |
5.0 |
|
D1 |
OFF |
OFF |
OFF |
OFF |
OFF |
OFF |
OFF |
OFF |
ON |
ON |
ON |
ON |
ON |
ON |
ON |
ON |
|
D2 |
OFF |
OFF |
OFF |
OFF |
ON |
ON |
ON |
ON |
OFF |
OFF |
OFF |
OFF |
ON |
ON |
ON |
ON |
|
D3 |
OFF |
OFF |
ON |
ON |
OFF |
OFF |
ON |
ON |
OFF |
OFF |
ON |
ON |
OFF |
OFF |
ON |
ON |
|
D4 |
OFF |
ON |
OFF |
ON |
OFF |
ON |
OFF |
ON |
OFF |
ON |
OFF |
ON |
OFF |
ON |
OFF |
ON |
细分设定
驱动器细分由DIP-2端子设定,共16档,由6位拨码开关的前四位分别设定(后两位为功能设定)。附表如:细分数(脉冲/转)
|
细分数 |
200 |
400 |
800 |
1000 |
1600 |
2000 |
3200 |
4000 |
5000 |
6400 |
8000 |
10000 |
12800 |
20000 |
25600 |
40000 |
|
D1 |
ON |
ON |
ON |
ON |
ON |
ON |
ON |
ON |
OFF |
OFF |
OFF |
OFF |
OFF |
OFF |
OFF |
OFF |
|
D2 |
ON |
ON |
ON |
ON |
OFF |
OFF |
OFF |
OFF |
ON |
ON |
ON |
ON |
OFF |
OFF |
OFF |
OFF |
|
D3 |
ON |
ON |
OFF |
OFF |
ON |
ON |
OFF |
OFF |
ON |
ON |
OFF |
OFF |
ON |
ON |
OFF |
OFF |
|
D4 |
ON |
OFF |
ON |
OFF |
ON |
OFF |
ON |
OFF |
ON |
OFF |
ON |
OFF |
ON |
OFF |
ON |
OFF |
|
D5 |
ON, 双脉冲:PU为正向步进脉冲信号,DR为反向步进脉冲信号 |
|
OFF, 单脉冲:PU为步进脉冲信号,DR为方向控制信号 |
|
D6 |
自动检测开关(OFF时接收外部脉冲,ON时驱动器内部以30转/分的速度运行) |
I/O信号
所有输入信号均通过光电隔离,为确保内置高速光耦可靠导通,要求提供控制信号的电流驱动能力至少15mA。驱动器内部已串入光耦限流电阻,当输入信号电压高于5V时,可根据需要外串电阻R进行限流。
限流电阻R的阻值选取:
当控制器/执行器信号输出电平为 +5V时: R1=0, R2=0;
+12V时: R1=510Ω,R2=820Ω;
+24V时: R1=1.2KΩ,R2=1.8KΩ。
输入信号共阳接法
输入信号共阴接法
差分输入的时候请按下图接线
输出信号
驱动器输出信号通过光耦隔离输出,驱动电流为最大为50mA。
RDY信号输出
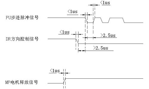
输入信号波形时序图
!注意
1、输入电压不能超过直流80V;
2、输入控制信号电平为5V,当高于5V时需要接限流电阻;
3、输入脉冲信号下降沿有效;
4、驱动器温度超过75度时驱动器停止工作,故障指示灯ALM亮,直到驱动器温度降到50度时,驱动器需要重新上电才能恢复工作。出现过热保护请加装散热器;
5、过流(负载短路)故障指示灯ALM亮,请检查电机接线及其他短路故障,排除后需要重新上电恢复;
6、无电机故障指示灯ALM亮,请检查电机接线,排除后需要重新上电恢复;
驱动器接线、尺寸示意图 (单位;mm)

引脚功能说明
|
端口定义 |
针脚号 |
标记符号 |
功能 |
注释 |
|
RS-232 |
1 |
RX |
接收数据 |
接上位机串口RX(功能保留) |
|
2 |
TX |
发送数据 |
接上位机串口TX(功能保留) |
|
3 |
GND |
地线 |
接上位机串口地(功能保留) |
|
4 |
5V |
5V电源 |
接上位机串口电源(功能保留) |
|
信号
端口 |
1 |
PU+ |
输入信号光电隔离正端 |
接+5V供电电源,+5V-+24V均可驱动,高于+5V需接限流电阻 |
|
2 |
PU- |
DP5= OFF, PU为步进脉冲信号 |
下降沿有效,每当脉冲由高变低时电机走一步,输入电阻220Ω,要求:低电平0-0.5V,高电平4-5V,脉冲宽度>2.5μS |
|
DP5=ON, PU为正相步进脉冲信号 |
|
3 |
DR+ |
输入信号光电隔离正端 |
接+5V供电电源,+5V-+24V均可驱动,高于+5V需接限流电阻 |
|
4 |
DR- |
DP5= OFF, DR为方向控制信号 |
用于改变电机转向。输入电阻220Ω,要求:低电平0-0.5V,高电平4-5V,脉冲宽度>2.5μS |
|
DP5=ON, DR为反向步进脉冲信号 |
|
5 |
MF+ |
输入信号光电隔离正端 |
接+5V供电电源,+5V-+24V均可驱动,高于+5V需接限流电阻 |
|
6 |
MF- |
电机释放信号 |
有效(低电平)时关断电机接线电流,驱动器停止工作,电机处于自由状态 |
|
7 |
RDY+ |
驱动器准备好输出信号光电隔离正端 |
驱动器状态正常,准备就绪接受控制器信号时该信号有效(低电平) |
|
8 |
RDY- |
驱动器准备好输出信号光电隔离负端 |
|
|
电机、电源端 |
1 |
B- |
电机接线 |
|
|
2 |
B+ |
|
3 |
A- |
|
4 |
A+ |
|
5 |
DC- |
电源 |
电源:DC24~80V |
|
6 |
DC+ |
常见问题和处理方法对照表:
|
现象 |
可能的原因 |
措施 |
|
电机不转 |
指示灯无显示 |
检查供电是否正常 |
|
故障指示灯亮 |
检查驱动器是否过流、过热、缺电机 |
|
电机轴已锁,电机不动作。 |
检查外部控制信号 |
|
指示灯显示正常,电机轴未锁机 |
检查MF信号是否有效 |
|
电机堵转 |
最高速度设置过大 |
降低最高速度 |
|
加速时间太短 |
加长加速时间或增大驱动器脉冲滤波常数 |
|
位置不准 |
细分数不对 |
选择正确的细分数 |
|
电机负载过大 |
更换电机或适当增大驱动器运行电流 |
|
“漏电”现象 |
驱动器、电机没有可靠接地 |
把驱动器、电机可靠接地 |
|
驱动器、电机严重发热 |
驱动器运行电流大或外界散热条件差 |
适当的减小驱动器运行电流或增加驱动器和电机的通风散热 |