深圳市威山自动化是一家专门从事自动控制方面机电产品代理、生产、销售为一体的高科技企业。 公司现在主要代理产品为“BS”步进电机驱动器,CRT运动控制器,DVS电机,规格齐全,功能强大,性能优良,品质可靠,全可以和国外产品相媲美,并具有极高的性价比。同时公司还自主开发了多种型号的通用经济型运动控制器和多轴运动控制卡供广大客户选用。此外,还有低噪声、低价位“BAISHAN”步进电机和日本“SANYO”系列步进电机。十多年来,公司产品已广泛应用于数控机床、激光雕刻、电脑绣花、纺织印刷、包装机械、标记机、雕刻机、绕线机械、坐标测量仪器、XYZ三维工作台、机器人、医疗设备、陶瓷机械等行业中。 公司拥有一批积累了丰富经验的开发、生产、销售和工程服务人员,可为用……
特点
* 高性能、低价格
* 设有16档等角度恒力矩细分,最高分辨率40000步/转
* 最高反应频率可达200Kpps
* 步进脉冲停止超过1.5s时,线圈电流自动减到设定电流的一半
* 光电隔离信号输入/输出
* 驱动电流0.8A/相到4.5A/相分16档可调
* 单电源输入,电压范围:DC24V-50V
电流设定
驱动器工作电流由D1-D4端子设定,运行电流为正常工作输出电流设置开关(详见下表)
|
运行电流(A)
|
0.8
|
1.0
|
1.2
|
1.5
|
1.8
|
2.0
|
2.3
|
2.5
|
|
D1
|
OFF
|
OFF
|
OFF
|
OFF
|
OFF
|
OFF
|
OFF
|
OFF
|
|
D2
|
OFF
|
OFF
|
OFF
|
OFF
|
ON
|
ON
|
ON
|
ON
|
|
D3
|
OFF
|
OFF
|
ON
|
ON
|
OFF
|
OFF
|
ON
|
ON
|
|
D4
|
OFF
|
ON
|
OFF
|
ON
|
OFF
|
ON
|
OFF
|
ON
|
|
运行电流(A)
|
2.8
|
3.0
|
3.2
|
3.5
|
3.8
|
4.0
|
4.2
|
4.5
|
|
D1
|
ON
|
ON
|
ON
|
ON
|
ON
|
ON
|
ON
|
ON
|
|
D2
|
OFF
|
OFF
|
OFF
|
OFF
|
ON
|
ON
|
ON
|
ON
|
|
D3
|
OFF
|
OFF
|
ON
|
ON
|
OFF
|
OFF
|
ON
|
ON
|
|
D4
|
OFF
|
ON
|
OFF
|
ON
|
OFF
|
ON
|
OFF
|
ON
|
-
细分设定
驱动器细分由D5-D8端子设定,共16档,D9和D10为功能设定。附表如:细分数(脉冲/转)
|
细分数
|
200
|
400
|
800
|
1000
|
1600
|
2000
|
3200
|
4000
|
|
D5
|
ON
|
ON
|
ON
|
ON
|
ON
|
ON
|
ON
|
ON
|
|
D6
|
ON
|
ON
|
ON
|
ON
|
OFF
|
OFF
|
OFF
|
OFF
|
|
D7
|
ON
|
ON
|
OFF
|
OFF
|
ON
|
ON
|
OFF
|
OFF
|
|
D8
|
ON
|
OFF
|
ON
|
OFF
|
ON
|
OFF
|
ON
|
OFF
|
|
细分数
|
5000
|
6400
|
8000
|
10000
|
12800
|
16000
|
20000
|
40000
|
|
D5
|
OFF
|
OFF
|
OFF
|
OFF
|
OFF
|
OFF
|
OFF
|
OFF
|
|
D6
|
ON
|
ON
|
ON
|
ON
|
OFF
|
OFF
|
OFF
|
OFF
|
|
D7
|
ON
|
ON
|
OFF
|
OFF
|
ON
|
ON
|
OFF
|
OFF
|
|
D8
|
ON
|
OFF
|
ON
|
OFF
|
ON
|
OFF
|
ON
|
OFF
|
|
D9
|
ON, 双脉冲:PU为正向步进脉冲信号,DR为反向步进脉冲信号
|
|
OFF, 单脉冲:PU为步进脉冲信号,DR为方向控制信号
|
|
D10
|
自动检测开关(OFF时接收外部脉冲,ON时驱动器内部以30转/分的速度运行)
|
注:可根据客户要求定制细分数!
注意!
1、输入电压不能超过DC50V;
2、输入控制信号电平为5V,当高于5V时需要接限流电阻;
3、输入脉冲信号下降沿有效;
4、驱动器温度超过80℃时驱动器停止工作,故障指示灯ALM亮,直到驱动器温度降到50℃时,驱动器需要重新上电才能恢复工作。出现过热保护请加装散热器;
5、过流(负载短路)故障指示灯ALM亮,请检查电机接线及其他短路故障,排除后需要重新上电恢复;
6、无电机故障指示灯ALM亮,请检查电机接线,排除后需要重新上电恢复。
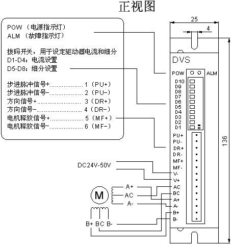
驱动器接线尺寸示意图
引脚功能说明
|
标记符号
|
功能
|
注释
|
|
PU+
|
输入信号光电隔离正端
|
接+5V供电电源。+5V到+24V均可驱动,高于5V需接限流电阻。
|
|
PU-
|
DP9=OFF, PU为步进脉冲信号
|
下降沿有效,每当脉冲由高变低时电机走一步。输入电阻220Ω。要求:低电平0-0.5V,高电平4-5V,脉冲宽度>2.5μS。
|
|
DP9=ON, PU为正向步进脉冲信号
|
|
DR+
|
输入信号光电隔离正端
|
接+5V供电电源。+5V到+24V均可驱动,高于5V需接限流电阻。
|
|
DR-
|
DP9=OFF, DR为方向控制信号
|
用于改变电机转向。输入电阻220Ω。要求:低电平0-0.5V,高电平4-5V,脉冲宽度>2.5μS。
|
|
DP9=ON, DR为反向步进脉冲信号
|
|
MF+
|
输入信号光电隔离正端
|
接+5V供电电源。+5V到+24V均可驱动,高于5V需接限流电阻。
|
|
MF-
|
电机释放信号
|
有效(低电平)时关断电机线圈电流,驱动器停止工作,电机处于自由状态。
|
|
V-
|
电源负极
|
电源:DC24-50V
|
|
V+
|
电源正极
|
|
AC
|
电机接线
|

|
|
BC
|
|
A+
|
|
A-
|
|
B+
|
|
B-
|
, LY: Arial; COLOR: rgb(0,0,0); PADDING-TOP: 0px">ON
D4
OFF
ON
OFF
ON
OFF
ON
OFF
ON
细分设定
驱动器细分由D5-D8端子设定,共16档,D9和D10为功能设定。附表如:细分数(脉冲/转)
|
细分数
|
200
|
400
|
800
|
1000
|
1600
|
2000
|
3200
|
4000
|
|
D5
|
ON
|
ON
|
ON
|
ON
|
ON
|
ON
|
ON
|
ON
|
|
D6
|
ON
|
ON
|
ON
|
ON
|
OFF
|
OFF
|
OFF
|
OFF
|
|
D7
|
ON
|
ON
|
OFF
|
OFF
|
ON
|
ON
|
OFF
|
OFF
|
|
D8
|
ON
|
OFF
|
ON
|
OFF
|
ON
|
OFF
|
ON
|
OFF
|
|
细分数
|
5000
|
6400
|
8000
|
10000
|
12800
|
16000
|
20000
|
40000
|
|
D5
|
OFF
|
OFF
|
OFF
|
OFF
|
OFF
|
OFF
|
OFF
|
OFF
|
|
D6
|
ON
|
ON
|
ON
|
ON
|
OFF
|
OFF
|
OFF
|
OFF
|
|
D7
|
ON
|
ON
|
OFF
|
OFF
|
ON
|
ON
|
OFF
|
OFF
|
|
D8
|
ON
|
OFF
|
ON
|
OFF
|
ON
|
OFF
|
ON
|
OFF
|
|
D9
|
ON, 双脉冲:PU为正向步进脉冲信号,DR为反向步进脉冲信号
|
|
OFF, 单脉冲:PU为步进脉冲信号,DR为方向控制信号
|
|
D10
|
自动检测开关(OFF时接收外部脉冲,ON时驱动器内部以30转/分的速度运行)
|
注:可根据客户要求定制细分数!
注意!
1、输入电压不能超过DC50V;
2、输入控制信号电平为5V,当高于5V时需要接限流电阻;
3、输入脉冲信号下降沿有效;
4、驱动器温度超过80℃时驱动器停止工作,故障指示灯ALM亮,直到驱动器温度降到50℃时,驱动器需要重新上电才能恢复工作。出现过热保护请加装散热器;
5、过流(负载短路)故障指示灯ALM亮,请检查电机接线及其他短路故障,排除后需要重新上电恢复;
6、无电机故障指示灯ALM亮,请检查电机接线,排除后需要重新上电恢复。
驱动器接线尺寸示意图
引脚功能说明
|
标记符号
|
功能
|
注释
|
|
PU+
|
输入信号光电隔离正端
|
接+5V供电电源。+5V到+24V均可驱动,高于5V需接限流电阻。
|
|
PU-
|
DP9=OFF, PU为步进脉冲信号
|
下降沿有效,每当脉冲由高变低时电机走一步。输入电阻220Ω。要求:低电平0-0.5V,高电平4-5V,脉冲宽度>2.5μS。
|
|
DP9=ON, PU为正向步进脉冲信号
|
|
DR+
|
输入信号光电隔离正端
|
接+5V供电电源。+5V到+24V均可驱动,高于5V需接限流电阻。
|
|
DR-
|
DP9=OFF, DR为方向控制信号
|
用于改变电机转向。输入电阻220Ω。要求:低电平0-0.5V,高电平4-5V,脉冲宽度>2.5μS。
|
|
DP9=ON, DR为反向步进脉冲信号
|
|
MF+
|
输入信号光电隔离正端
|
接+5V供电电源。+5V到+24V均可驱动,高于5V需接限流电阻。
|
|
MF-
|
电机释放信号
|
有效(低电平)时关断电机线圈电流,驱动器停止工作,电机处于自由状态。
|
|
V-
|
电源负极
|
电源:DC24-50V
|
|
V+
|
电源正极
|
|
AC
|
电机接线
|

|
|
BC
|
|
A+
|
|
A-
|
|
B+
|
|
B-
|
, b(0,0,0); PADDING-TOP: 0px; FONT-FAMI: Arial">ON
D4
OFF
ON
OFF
ON
OFF
ON
OFF
ON
细分设定
驱动器细分由D5-D8端子设定,共16档,D9和D10为功能设定。附表如:细分数(脉冲/转)
|
细分数
|
200
|
400
|
800
|
1000
|
1600
|
2000
|
3200
|
4000
|
|
D5
|
ON
|
ON
|
ON
|
ON
|
ON
|
ON
|
ON
|
ON
|
|
D6
|
ON
|
ON
|
ON
|
ON
|
OFF
|
OFF
|
OFF
|
OFF
|
|
D7
|
ON
|
ON
|
OFF
|
OFF
|
ON
|
ON
|
OFF
|
OFF
|
|
D8
|
ON
|
OFF
|
ON
|
OFF
|
ON
|
OFF
|
ON
|
OFF
|
|
细分数
|
5000
|
6400
|
8000
|
10000
|
12800
|
16000
|
20000
|
40000
|
|
D5
|
OFF
|
OFF
|
OFF
|
OFF
|
OFF
|
OFF
|
OFF
|
OFF
|
|
D6
|
ON
|
ON
|
ON
|
ON
|
OFF
|
OFF
|
OFF
|
OFF
|
|
D7
|
ON
|
ON
|
OFF
|
OFF
|
ON
|
ON
|
OFF
|
OFF
|
|
D8
|
ON
|
OFF
|
ON
|
OFF
|
ON
|
OFF
|
ON
|
OFF
|
|
D9
|
ON, 双脉冲:PU为正向步进脉冲信号,DR为反向步进脉冲信号
|
|
OFF, 单脉冲:PU为步进脉冲信号,DR为方向控制信号
|
|
D10
|
自动检测开关(OFF时接收外部脉冲,ON时驱动器内部以30转/分的速度运行)
|
注:可根据客户要求定制细分数!
注意!
1、输入电压不能超过DC50V;
2、输入控制信号电平为5V,当高于5V时需要接限流电阻;
3、输入脉冲信号下降沿有效;
4、驱动器温度超过80℃时驱动器停止工作,故障指示灯ALM亮,直到驱动器温度降到50℃时,驱动器需要重新上电才能恢复工作。出现过热保护请加装散热器;
5、过流(负载短路)故障指示灯ALM亮,请检查电机接线及其他短路故障,排除后需要重新上电恢复;
6、无电机故障指示灯ALM亮,请检查电机接线,排除后需要重新上电恢复。
驱动器接线尺寸示意图
引脚功能说明
|
标记符号
|
功能
|
注释
|
|
PU+
|
输入信号光电隔离正端
|
接+5V供电电源。+5V到+24V均可驱动,高于5V需接限流电阻。
|
|
PU-
|
DP9=OFF, PU为步进脉冲信号
|
下降沿有效,每当脉冲由高变低时电机走一步。输入电阻220Ω。要求:低电平0-0.5V,高电平4-5V,脉冲宽度>2.5μS。
|
|
DP9=ON, PU为正向步进脉冲信号
|
|
DR+
|
输入信号光电隔离正端
|
接+5V供电电源。+5V到+24V均可驱动,高于5V需接限流电阻。
|
|
DR-
|
DP9=OFF, DR为方向控制信号
|
用于改变电机转向。输入电阻220Ω。要求:低电平0-0.5V,高电平4-5V,脉冲宽度>2.5μS。
|
|
DP9=ON, DR为反向步进脉冲信号
|
|
MF+
|
输入信号光电隔离正端
|
接+5V供电电源。+5V到+24V均可驱动,高于5V需接限流电阻。
|
|
MF-
|
电机释放信号
|
有效(低电平)时关断电机线圈电流,驱动器停止工作,电机处于自由状态。
|
|
V-
|
电源负极
|
电源:DC24-50V
|
|
V+
|
电源正极
|
|
AC
|
电机接线
|

|
|
BC
|
|
A+
|
|
A-
|
|
B+
|
|
B-
|
, LY: Arial; COLOR: rgb(0,0,0); PADDING-TOP: 0px">ON
D4
OFF
ON
OFF
ON
OFF
ON
OFF
ON
细分设定
驱动器细分由D5-D8端子设定,共16档,D9和D10为功能设定。附表如:细分数(脉冲/转)
|
细分数
|
200
|
400
|
800
|
1000
|
1600
|
2000
|
3200
|
4000
|
|
D5
|
ON
|
ON
|
ON
|
ON
|
ON
|
ON
|
ON
|
ON
|
|
D6
|
ON
|
ON
|
ON
|
ON
|
OFF
|
OFF
|
OFF
|
OFF
|
|
D7
|
ON
|
ON
|
OFF
|
OFF
|
ON
|
ON
|
OFF
|
OFF
|
|
D8
|
ON
|
OFF
|
ON
|
OFF
|
ON
|
OFF
|
ON
|
OFF
|
|
细分数
|
5000
|
6400
|
8000
|
10000
|
12800
|
16000
|
20000
|
40000
|
|
D5
|
OFF
|
OFF
|
OFF
|
OFF
|
OFF
|
OFF
|
OFF
|
OFF
|
|
D6
|
ON
|
ON
|
ON
|
ON
|
OFF
|
OFF
|
OFF
|
OFF
|
|
D7
|
ON
|
ON
|
OFF
|
OFF
|
ON
|
ON
|
OFF
|
OFF
|
|
D8
|
ON
|
OFF
|
ON
|
OFF
|
ON
|
OFF
|
ON
|
OFF
|
|
D9
|
ON, 双脉冲:PU为正向步进脉冲信号,DR为反向步进脉冲信号
|
|
OFF, 单脉冲:PU为步进脉冲信号,DR为方向控制信号
|
|
D10
|
自动检测开关(OFF时接收外部脉冲,ON时驱动器内部以30转/分的速度运行)
|
注:可根据客户要求定制细分数!
注意!
1、输入电压不能超过DC50V;
2、输入控制信号电平为5V,当高于5V时需要接限流电阻;
3、输入脉冲信号下降沿有效;
4、驱动器温度超过80℃时驱动器停止工作,故障指示灯ALM亮,直到驱动器温度降到50℃时,驱动器需要重新上电才能恢复工作。出现过热保护请加装散热器;
5、过流(负载短路)故障指示灯ALM亮,请检查电机接线及其他短路故障,排除后需要重新上电恢复;
6、无电机故障指示灯ALM亮,请检查电机接线,排除后需要重新上电恢复。
驱动器接线尺寸示意图
引脚功能说明
|
标记符号
|
功能
|
注释
|
|
PU+
|
输入信号光电隔离正端
|
接+5V供电电源。+5V到+24V均可驱动,高于5V需接限流电阻。
|
|
PU-
|
DP9=OFF, PU为步进脉冲信号
|
下降沿有效,每当脉冲由高变低时电机走一步。输入电阻220Ω。要求:低电平0-0.5V,高电平4-5V,脉冲宽度>2.5μS。
|
|
DP9=ON, PU为正向步进脉冲信号
|
|
DR+
|
输入信号光电隔离正端
|
接+5V供电电源。+5V到+24V均可驱动,高于5V需接限流电阻。
|
|
DR-
|
DP9=OFF, DR为方向控制信号
|
用于改变电机转向。输入电阻220Ω。要求:低电平0-0.5V,高电平4-5V,脉冲宽度>2.5μS。
|
|
DP9=ON, DR为反向步进脉冲信号
|
|
MF+
|
输入信号光电隔离正端
|
接+5V供电电源。+5V到+24V均可驱动,高于5V需接限流电阻。
|
|
MF-
|
电机释放信号
|
有效(低电平)时关断电机线圈电流,驱动器停止工作,电机处于自由状态。
|
|
V-
|
电源负极
|
电源:DC24-50V
|
|
V+
|
电源正极
|
|
AC
|
电机接线
|

|
|
BC
|
|
A+
|
|
A-
|
|
B+
|
|
B-
|
, b(0,0,0); PADDING-TOP: 0px; FONT-FAMI: Arial">ON
D4
OFF
ON
OFF
ON
OFF
ON
OFF
ON
细分设定
驱动器细分由D5-D8端子设定,共16档,D9和D10为功能设定。附表如:细分数(脉冲/转)
|
细分数
|
200
|
400
|
800
|
1000
|
1600
|
2000
|
3200
|
4000
|
|
D5
|
ON
|
ON
|
ON
|
ON
|
ON
|
ON
|
ON
|
ON
|
|
D6
|
ON
|
ON
|
ON
|
ON
|
OFF
|
OFF
|
OFF
|
OFF
|
|
D7
|
ON
|
ON
|
OFF
|
OFF
|
ON
|
ON
|
OFF
|
OFF
|
|
D8
|
ON
|
OFF
|
ON
|
OFF
|
ON
|
OFF
|
ON
|
OFF
|
|
细分数
|
5000
|
6400
|
8000
|
10000
|
12800
|
16000
|
20000
|
40000
|
|
D5
|
OFF
|
OFF
|
OFF
|
OFF
|
OFF
|
OFF
|
OFF
|
OFF
|
|
D6
|
ON
|
ON
|
ON
|
ON
|
OFF
|
OFF
|
OFF
|
OFF
|
|
D7
|
ON
|
ON
|
OFF
|
OFF
|
ON
|
ON
|
OFF
|
OFF
|
|
D8
|
ON
|
OFF
|
ON
|
OFF
|
ON
|
OFF
|
ON
|
OFF
|
|
D9
|
ON, 双脉冲:PU为正向步进脉冲信号,DR为反向步进脉冲信号
|
|
OFF, 单脉冲:PU为步进脉冲信号,DR为方向控制信号
|
|
D10
|
自动检测开关(OFF时接收外部脉冲,ON时驱动器内部以30转/分的速度运行)
|
注:可根据客户要求定制细分数!
注意!
1、输入电压不能超过DC50V;
2、输入控制信号电平为5V,当高于5V时需要接限流电阻;
3、输入脉冲信号下降沿有效;
4、驱动器温度超过80℃时驱动器停止工作,故障指示灯ALM亮,直到驱动器温度降到50℃时,驱动器需要重新上电才能恢复工作。出现过热保护请加装散热器;
5、过流(负载短路)故障指示灯ALM亮,请检查电机接线及其他短路故障,排除后需要重新上电恢复;
6、无电机故障指示灯ALM亮,请检查电机接线,排除后需要重新上电恢复。
驱动器接线尺寸示意图
引脚功能说明
|
标记符号
|
功能
|
注释
|
|
PU+
|
输入信号光电隔离正端
|
接+5V供电电源。+5V到+24V均可驱动,高于5V需接限流电阻。
|
|
PU-
|
DP9=OFF, PU为步进脉冲信号
|
下降沿有效,每当脉冲由高变低时电机走一步。输入电阻220Ω。要求:低电平0-0.5V,高电平4-5V,脉冲宽度>2.5μS。
|
|
DP9=ON, PU为正向步进脉冲信号
|
|
DR+
|
输入信号光电隔离正端
|
接+5V供电电源。+5V到+24V均可驱动,高于5V需接限流电阻。
|
|
DR-
|
DP9=OFF, DR为方向控制信号
|
用于改变电机转向。输入电阻220Ω。要求:低电平0-0.5V,高电平4-5V,脉冲宽度>2.5μS。
|
|
DP9=ON, DR为反向步进脉冲信号
|
|
MF+
|
输入信号光电隔离正端
|
接+5V供电电源。+5V到+24V均可驱动,高于5V需接限流电阻。
|
|
MF-
|
电机释放信号
|
有效(低电平)时关断电机线圈电流,驱动器停止工作,电机处于自由状态。
|
|
V-
|
电源负极
|
电源:DC24-50V
|
|
V+
|
电源正极
|
|
AC
|
电机接线
|

|
|
BC
|
|
A+
|
|
A-
|
|
B+
|
|
B-
|
, LY: Arial; COLOR: rgb(0,0,0); PADDING-TOP: 0px">ON
D4
OFF
ON
OFF
ON
OFF
ON
OFF
ON
细分设定
驱动器细分由D5-D8端子设定,共16档,D9和D10为功能设定。附表如:细分数(脉冲/转)
|
细分数
|
200
|
400
|
800
|
1000
|
1600
|
2000
|
3200
|
4000
|
|
D5
|
ON
|
ON
|
ON
|
ON
|
ON
|
ON
|
ON
|
ON
|
|
D6
|
ON
|
ON
|
ON
|
ON
|
OFF
|
OFF
|
OFF
|
OFF
|
|
D7
|
ON
|
ON
|
OFF
|
OFF
|
ON
|
ON
|
OFF
|
OFF
|
|
D8
|
ON
|
OFF
|
ON
|
OFF
|
ON
|
OFF
|
ON
|
OFF
|
|
细分数
|
5000
|
6400
|
8000
|
10000
|
12800
|
16000
|
20000
|
40000
|
|
D5
|
OFF
|
OFF
|
OFF
|
OFF
|
OFF
|
OFF
|
OFF
|
OFF
|
|
D6
|
ON
|
ON
|
ON
|
ON
|
OFF
|
OFF
|
OFF
|
OFF
|
|
D7
|
ON
|
ON
|
OFF
|
OFF
|
ON
|
ON
|
OFF
|
OFF
|
|
D8
|
ON
|
OFF
|
ON
|
OFF
|
ON
|
OFF
|
ON
|
OFF
|
|
D9
|
ON, 双脉冲:PU为正向步进脉冲信号,DR为反向步进脉冲信号
|
|
OFF, 单脉冲:PU为步进脉冲信号,DR为方向控制信号
|
|
D10
|
自动检测开关(OFF时接收外部脉冲,ON时驱动器内部以30转/分的速度运行)
|
注:可根据客户要求定制细分数!
注意!
1、输入电压不能超过DC50V;
2、输入控制信号电平为5V,当高于5V时需要接限流电阻;
3、输入脉冲信号下降沿有效;
4、驱动器温度超过80℃时驱动器停止工作,故障指示灯ALM亮,直到驱动器温度降到50℃时,驱动器需要重新上电才能恢复工作。出现过热保护请加装散热器;
5、过流(负载短路)故障指示灯ALM亮,请检查电机接线及其他短路故障,排除后需要重新上电恢复;
6、无电机故障指示灯ALM亮,请检查电机接线,排除后需要重新上电恢复。
驱动器接线尺寸示意图
引脚功能说明
|
标记符号
|
功能
|
注释
|
|
PU+
|
输入信号光电隔离正端
|
接+5V供电电源。+5V到+24V均可驱动,高于5V需接限流电阻。
|
|
PU-
|
DP9=OFF, PU为步进脉冲信号
|
下降沿有效,每当脉冲由高变低时电机走一步。输入电阻220Ω。要求:低电平0-0.5V,高电平4-5V,脉冲宽度>2.5μS。
|
|
DP9=ON, PU为正向步进脉冲信号
|
|
DR+
|
输入信号光电隔离正端
|
接+5V供电电源。+5V到+24V均可驱动,高于5V需接限流电阻。
|
|
DR-
|
DP9=OFF, DR为方向控制信号
|
用于改变电机转向。输入电阻220Ω。要求:低电平0-0.5V,高电平4-5V,脉冲宽度>2.5μS。
|
|
DP9=ON, DR为反向步进脉冲信号
|
|
MF+
|
输入信号光电隔离正端
|
接+5V供电电源。+5V到+24V均可驱动,高于5V需接限流电阻。
|
|
MF-
|
电机释放信号
|
有效(低电平)时关断电机线圈电流,驱动器停止工作,电机处于自由状态。
|
|
V-
|
电源负极
|
电源:DC24-50V
|
|
V+
|
电源正极
|
|
AC
|
电机接线
|

|
|
BC
|
|
A+
|
|
A-
|
|
B+
|
|
B-
|