Ê×Ò³ - ÐÂÎÅ - ÕÐÆ¸ - ÏÂÔØ - ²úÆ· - ³§ÉÌ - ·½°¸ - ÎÄÕª - Çó¹º - Õ¹ÀÀ
Ãâ·Ñ×¢²á µÇ¼ | ¹ã¸æ·þÎñ | ¿Í·þÖÐÐÄ
Öлª¹¤¿ØÍø ¡ú ¹¤¿Ø²úÆ· ¡ú ÒÒÈ²ÆøÓõ㷧Ïä
²úÆ·Ãû³Æ£º ÒÒÈ²ÆøÓõ㷧Ïä
ÐÍ ºÅ£º
¼Û ¸ñ£º 0.00
Æ· ÅÆ£º
 
Êղش˲úÆ·     ²é¿´ÊÕ²Ø
ÒÒÈ²ÆøÓõ㷧Ïä

Ò»¡¢Óà ;
¡¡¡¡±¾²úÆ·ÊÊÓÃÓÚ½ðÊôÆøº¸¡¢Æø¸î¡¢»ðÑæ±íÃæÇåÀíºÍÈȼӹ¤µÄÑõÆø¹Ü·Óû§µã£¬Ò²ÄÜͬÈܽâÒÒȲ¸ÖÆ¿×éÅäÌ×ʹÓÃÓÚÉÏÊö¸÷ÖÖÓû§µã¡£

¶þ¡¢½á¹¹Ìصã
¡¡¡¡±¾²úÆ·Íⲿ±£»¤Ïä²ÉÓÃÌìºìÉ«¿¾Æá·ÀÐ⣬·§Ïä½Óµã£¨º¬¸Úλ»Ø»ð·ÀÖ¹×°Ö㩿ɹ©1-3ÈË·Ö±ðʹÓã¬Ò²¿É¹©Í¬Ê±Ê¹Óá£ËùÓÃÒDZí¿Éͨ¹ý·§ÏäÃæ°å¿úÊÓ¿×Ö±½Ó¹Û²ì£¬ÄÚ²¿ËùÓйÜ·¾ù²ÉÓÃÓÅÖÊ̼¸ÖÖÆ×÷£¬·§ÏäÃŽÓÓÐÏäÌåרÓÃËø£¬±ãÓÚ¼¯ÖйÜÀí£¬¿É±ÜÃâÒòÎó²Ù×÷Ôì³ÉµÄÄÜÔ´À˷ѺÍй©ÒýÆðµÄ²»°²È«ÒòËØ¡£

Èý¡¢²úÆ·¼¼Êõ²ÎÊý

ÐÍ ºÅ
C2H2/B-1ÐÍ
C2H2/B-2ÐÍ
C2H2/B-3ÐÍ
Õý³£Ê¹ÓÃÑõÆøÑ¹Á¦MPa
0.07-0.15
0.07-0.15
0.07-0.15
Á÷Á¿Nm3/H
5
10
15
ÍâÐγߴçmm
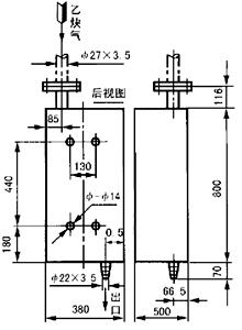
800¡Á380¡Á280
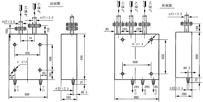
800¡Á680¡Á280
800¡Á980¡Á280
½ÓÍ·¹æ¸ñ
¼û¸½Í¼
¼û¸½Í¼
¼û¸½Í¼


ËÄ¡¢×¢ÒâÊÂÏî
¡¡¡¡±¾²úÆ·ÔÚ°²×°¹ý³ÌÖÐÇë×¢Òâ½ø³öÆø¿Ú²»¿É½Ó·´£¬·¢ÏÖ¶ÂÈûÇé¿öÓ¦ÇåÏ´£¬Ê¹ÓÃÒ»ÄêºóÓ¦½øÐÐÈ«Ãæ¼ìÐÞÇÒÐè¸ü»»ÃÜ·â¼þ£¬×°ÅäºóÓ¦½øÐÐÊÔѹ¡¢»Ø»ðÊÔÑéºÏ¸ñ£¬ÒÔ±£Ö¤×è»ðÐÔÄÜ¡£

C2H2/B-2ÐÍ¡¢3ÐÍÒÒȲ°²È«·§Ï䰲װʾÒâͼ
C2H2/B-1ÐÍÒÒȲ°²È«·§Ï䰲װʾÒâͼ
 


¹«Ë¾¼ò½é
²úƷĿ¼
¹©Ó¦ÐÅÏ¢

¹«Ë¾Ãû³Æ£º Æô¶«ÊÐêÆöλ·±£É豸ÓÐÏÞ¹«Ë¾
µç »°£º 0513 83038997 / ³ÂÎÄÇå
ÊÖ»ú£º 13906283997
µØ Ö·£º Æô¶«Êп­Ðý·338 ÃºÆøÅÅË®Æ÷ ÃºÆøÀäÄýË®ÅÅË®Æ÷ µ¯×Ó·§
ÓÊ ±à£º 226200
Ö÷ Ò³£º http://www.jschxyj.com

¸Ã³§ÉÌÏà¹Ø²úÆ·£º
  • С¹ÜµÀÀäÄýË®ÅÅË®Æ÷
  •  
  • ¸ßѹÑõÆø·ÅÉ¢ÏûÉùÆ÷
  •  
  • ÃºÆøÓõ㷧Ïä
  •  
  • ú·Û¹ýÂËÆ÷
  •  
  • ¸ß¯Àä·ç·Å·ç·§ÏûÉùÆ÷
  •  
  • ÃºÆøÅÅË®Æ÷
  •  
  • ÒÒÈ²ÆøÓõ㷧Ïä
  •  
  • ÇòÃæÆ«ÖÃÊ½Æø¶¯ÖÓ·§
  •  
  • µ¯×Ó·§
  •  
  • ÉÕ½á»úÖ÷Öá·ç»ú³ö¿ÚÏûÉùÆ÷
  •  
    ¸ü¶à²úÆ·...
      ¹ØÓÚÎÒÃÇ | ÁªÏµÎÒÃÇ | ¹ã¸æ·þÎñ | ±¾Õ¾¶¯Ì¬ | ÓÑÇéÁ´½Ó | ·¨ÂÉÉùÃ÷ | ·Ç·¨ºÍ²»Á¼ÐÅÏ¢¾Ù±¨  
    ¹¤¿ØÍø¿Í·þÈÈÏߣº0755-86369299
    °æÈ¨ËùÓÐ ¹¤¿ØÍø Copyright@ Gkong.com, All Rights Reserved