Ê×Ò³ - ÐÂÎÅ - ÕÐÆ¸ - ÏÂÔØ - ²úÆ· - ³§ÉÌ - ·½°¸ - ÎÄÕª - Çó¹º - Õ¹ÀÀ
Ãâ·Ñ×¢²á µÇ¼ | ¹ã¸æ·þÎñ | ¿Í·þÖÐÐÄ
Öлª¹¤¿ØÍø ¡ú ¹¤¿Ø²úÆ· ¡ú ÃºÆøÅÅË®Æ÷
²úÆ·Ãû³Æ£º ÃºÆøÅÅË®Æ÷
ÐÍ ºÅ£º
¼Û ¸ñ£º 0.00
Æ· ÅÆ£º
 
Êղش˲úÆ·     ²é¿´ÊÕ²Ø
ÃºÆøË®ÅÅË®Æ÷




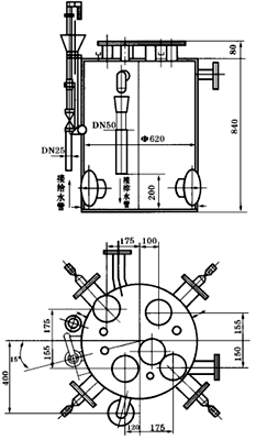
Ò»¡¢¸Å Êö
¡¡¡¡1¡¢±¾ÅÅË®Æ÷ÊÊÓÃÓÚÀëÐÄÊ½ÃºÆø¹Ä·ç»ú±¾Ìå¼°½ø³ö¿Ú¹ÜÅÅË®¡£
¡¡¡¡2¡¢¸ÃÅÅË®Æ÷²ÉÓÃѹÁ¦¸øË®£¬¸øË®Ê±Îª2-4t/h¡£
¡¡¡¡3¡¢ÉèÔÚ¶ÌìµÄÅÅË®Æ÷ÔÚº®ÀäµØÇøÒª²ÉÈ¡·À¶³´ëÊ©£¬ÉèÔÚÊÒÄÚµÄÓ¦ÓÐÁ¼ºÃµÄ×ÔȻͨ·ç¡£
¡¡¡¡4¡¢ÅÅË®Æ÷ÀäÄýˮӦ¼¯Öд¦Àí¡£










 


¹«Ë¾¼ò½é
²úƷĿ¼
¹©Ó¦ÐÅÏ¢

¹«Ë¾Ãû³Æ£º Æô¶«ÊÐêÆöλ·±£É豸ÓÐÏÞ¹«Ë¾
µç »°£º 0513 83038997 / ³ÂÎÄÇå
ÊÖ»ú£º 13906283997
µØ Ö·£º Æô¶«Êп­Ðý·338 ÃºÆøÅÅË®Æ÷ ÃºÆøÀäÄýË®ÅÅË®Æ÷ µ¯×Ó·§
ÓÊ ±à£º 226200
Ö÷ Ò³£º http://www.jschxyj.com

¸Ã³§ÉÌÏà¹Ø²úÆ·£º
  • С¹ÜµÀÀäÄýË®ÅÅË®Æ÷
  •  
  • ¸ßѹÑõÆø·ÅÉ¢ÏûÉùÆ÷
  •  
  • ÃºÆøÓõ㷧Ïä
  •  
  • ú·Û¹ýÂËÆ÷
  •  
  • ¸ß¯Àä·ç·Å·ç·§ÏûÉùÆ÷
  •  
  • ÃºÆøÅÅË®Æ÷
  •  
  • ÒÒÈ²ÆøÓõ㷧Ïä
  •  
  • ÇòÃæÆ«ÖÃÊ½Æø¶¯ÖÓ·§
  •  
  • µ¯×Ó·§
  •  
  • ÉÕ½á»úÖ÷Öá·ç»ú³ö¿ÚÏûÉùÆ÷
  •  
    ¸ü¶à²úÆ·...
      ¹ØÓÚÎÒÃÇ | ÁªÏµÎÒÃÇ | ¹ã¸æ·þÎñ | ±¾Õ¾¶¯Ì¬ | ÓÑÇéÁ´½Ó | ·¨ÂÉÉùÃ÷ | ·Ç·¨ºÍ²»Á¼ÐÅÏ¢¾Ù±¨  
    ¹¤¿ØÍø¿Í·þÈÈÏߣº0755-86369299
    °æÈ¨ËùÓÐ ¹¤¿ØÍø Copyright@ Gkong.com, All Rights Reserved