Ê×Ò³ - ÐÂÎÅ - ÕÐÆ¸ - ÏÂÔØ - ²úÆ· - ³§ÉÌ - ·½°¸ - ÎÄÕª - Çó¹º - Õ¹ÀÀ
Ãâ·Ñ×¢²á µÇ¼ | ¹ã¸æ·þÎñ | ¿Í·þÖÐÐÄ
Öлª¹¤¿ØÍø ¡ú ¹¤¿Ø²úÆ· ¡ú ÃºÆøÓõ㷧Ïä
²úÆ·Ãû³Æ£º ÃºÆøÓõ㷧Ïä
ÐÍ ºÅ£º
¼Û ¸ñ£º 0.00
Æ· ÅÆ£º
 
Êղش˲úÆ·     ²é¿´ÊÕ²Ø
ÃºÆøÓõ㷧Ïä

Ò»¡¢Óà ;
¡¡¡¡±¾²úÆ·ÊÊÓÃÓÚÆøº¸¡¢Æø¸î¡¢»ðÑæ±íÃæÇåÀíºÍÈȼӹ¤µÄ½¹Â¯ÃºÆø¼°»ìºÏÃºÆø¹ÜµÀÓû§µã¡£

¶þ¡¢½á¹¹Ìصã
¡¡¡¡±¾²úÆ·Íⲿ±£»¤Ïä²ÉÓÃÌì»ÒÉ«¿¾Æá·ÀÐ⣬·§Ïä½Óµã¿É¹©1-4°Ñº¸¾æ»ò¸î¾æ·Ö±ðʹÓã¬Ò²¿É¹©Í¬Ê±Ê¹Óá£ËùÓÃÒDZí¿Éͨ¹ý·§ÏäÃæ°å¿úÊÓ¿×Ö±½Ó¹Û²ì£¬·§ÏäÄÚ²¿·ÖÅäÆ÷¾ùÑ¡ÓÃÓÅÖÊ̼¸ÖÖÆ×÷£¬·§ÏäÃÅ×°ÓÐÏäÌåרÓÃËø£¬±ãÓÚ¼¯ÖйÜÀí£¬¿É±ÜÃâÒòÎó²Ù×÷Ôì³ÉµÄÄÜÔ´À˷ѺÍй©ÒýÆðµÄ²»°²È«ÒòËØ¡£

Èý¡¢²úÆ·¼¼Êõ²ÎÊý

ÐÍ ºÅ
MG/A-1ÐÍ
MG/A-2ÐÍ
MG/A-3ÐÍ
MG/A-4ÐÍ
Õý³£Ê¹ÓÃÑõÆøÑ¹Á¦MPa
0.01-0.1
0.01-0.1
0.01-0.1
0.01-0.1
Á÷Á¿Nm3/H
5-10
10-20
15-30
20-40
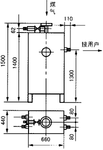
ÍâÐγߴçmm
1400¡Á660¡Á440
1400¡Á660¡Á440
1400¡Á660¡Á440
1400¡Á660¡Á440
½ÓÍ·¹æ¸ñ
DN15¡Á1
DN15¡Á2
DN15¡Á3
DN15¡Á4
½Ó¹Ü·¨À¼¹æ¸ñ
JB81-59
JB81-59
JB81-59
JB81-59
PN1.0 DN50
PN1.0 DN50
PN1.0 DN50
PN1.0 DN50
Î塢ʹÓÃ˵Ã÷
¡¡¡¡£¨1£©²Ù×÷ʱ£¬½Ó¹Ü·¨À¼DN50ÓëϵͳÖеķ§ÃÅÏà¹Ø¿ª·§£¬ÓÃÈí¹Ü½«½Ó¹ÜDN15Ó뺸¾æ»ò¸î¾æÏàÁ¬£¬¹ØÉÏɨ·§¼°ÏäÄÚµÄÅÅÎÛ·§¼´¿ÉÏòº¸¾æ»ò¸î¾æ¹©ÃºÆø¡£
¡¡¡¡£¨2£©´µË¢Ê±£¬¹ØÉϽøÆø·§¼°½ÓÍ··§ÃÅ£¬ÓÃÈí¹Ü´µÉ¨·§ÃÅÓ봵ˢ½éÖÊÕôÆû»òµªÆøÏà½Ó£¬´ò¿ªÅÅÎÛ·§¼´¿É·§Ïä½øÐдµÉ¨¡£
 


¹«Ë¾¼ò½é
²úƷĿ¼
¹©Ó¦ÐÅÏ¢

¹«Ë¾Ãû³Æ£º Æô¶«ÊÐêÆöλ·±£É豸ÓÐÏÞ¹«Ë¾
µç »°£º 0513 83038997 / ³ÂÎÄÇå
ÊÖ»ú£º 13906283997
µØ Ö·£º Æô¶«Êп­Ðý·338 ÃºÆøÅÅË®Æ÷ ÃºÆøÀäÄýË®ÅÅË®Æ÷ µ¯×Ó·§
ÓÊ ±à£º 226200
Ö÷ Ò³£º http://www.jschxyj.com

¸Ã³§ÉÌÏà¹Ø²úÆ·£º
  • С¹ÜµÀÀäÄýË®ÅÅË®Æ÷
  •  
  • ¸ßѹÑõÆø·ÅÉ¢ÏûÉùÆ÷
  •  
  • ÃºÆøÓõ㷧Ïä
  •  
  • ú·Û¹ýÂËÆ÷
  •  
  • ¸ß¯Àä·ç·Å·ç·§ÏûÉùÆ÷
  •  
  • ÃºÆøÅÅË®Æ÷
  •  
  • ÒÒÈ²ÆøÓõ㷧Ïä
  •  
  • ÇòÃæÆ«ÖÃÊ½Æø¶¯ÖÓ·§
  •  
  • µ¯×Ó·§
  •  
  • ÉÕ½á»úÖ÷Öá·ç»ú³ö¿ÚÏûÉùÆ÷
  •  
    ¸ü¶à²úÆ·...
      ¹ØÓÚÎÒÃÇ | ÁªÏµÎÒÃÇ | ¹ã¸æ·þÎñ | ±¾Õ¾¶¯Ì¬ | ÓÑÇéÁ´½Ó | ·¨ÂÉÉùÃ÷ | ·Ç·¨ºÍ²»Á¼ÐÅÏ¢¾Ù±¨  
    ¹¤¿ØÍø¿Í·þÈÈÏߣº0755-86369299
    °æÈ¨ËùÓÐ ¹¤¿ØÍø Copyright@ Gkong.com, All Rights Reserved