http://www.gkong.com 2025-11-22 20:06 杭州时域电子科技有限公司
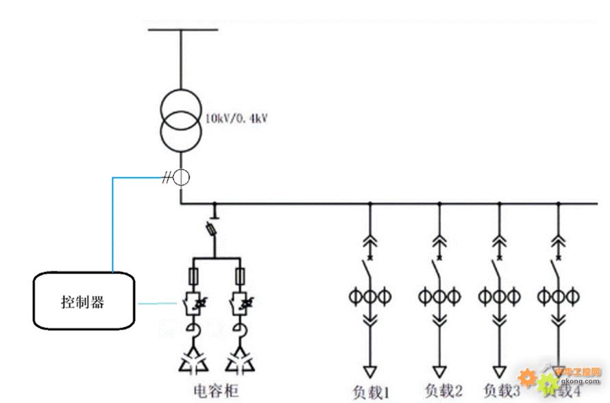
在工厂实际应用中,会出现负载正常工作时功率因数达标而在负载停止工作后功率因数下降这一现象,主要原因可能是因为变压器空载无功未得到补偿。

主要的解决方案有“高采低补”与“空载直补”两种:
“高采低补”技术方案通过在高压侧安装开口式电流互感器,采集高压侧电流信号,并将其接入低压侧的无功补偿控制器。该改造能够实现对变压器自身无功损耗与负载侧无功需求的整体补偿,有效规避因变压器空载无功导致的功率因数考核罚款。需要注意的是,该方案涉及高压侧作业,需安排停电进行线路改造,施工与后期维护成本较高。同时,“高采低补”需选用支持毫安级电流信号输入的专用控制器,而常规控制器通常以5A为标准输入信号,若控制器不匹配将引发补偿误判或补偿功能失效等问题。

“空载直补”:更换具备“空载直补”功能的专用无功补偿控制器,预设固定的补偿容量参数。当变压器处于轻载或空载时,控制器将自动投入电容组补偿,以补偿变压器本身所产生的空载无功功率。该方案的优势在于改造简便、成本较低,且能有效规避变压器空载运行时的功率因数考核。需注意的是,该方案需在变压器空载状态下进行现场调试与参数设定;若电网结构或变压器运行方式发生较大变化(如变压器增容或更换),原有预设参数将不再适用,需重新开展调试与设置工作。

前期精彩推荐:
光伏发电后无功补偿控制器如何解决力调电费罚款的问题
无功补偿控制器显示功率因数0.99,可还是被罚款了,这到底是怎么回事?
安装新的无功补偿控制器后有力调电费产生?—无功补偿器欠流保护案例分享
谐波对功率因数有何影响?谐波影响下功率因数的补偿上限设置问题
无功补偿控制器投切时间讲解
功率因数PF与功率因数cosФ的区别
案例分析:无功补偿控制器电容投满功率因数还不达标?
光伏并网接入点与无功补偿(功率因数)的影响
充电桩昼夜负载不均导致功率因数不达标案例分享
充电桩引发力调电费问题的解决方案-空载直补
揭秘光伏并网后功率因数降低之谜!
无功补偿选 SVG 还是电容?年电费差出 2.9 万!选错多花 10 倍钱
并网点在电流互感器前,如何提升功率因数?
#无功补偿控制器 #光伏四象限 #抗谐波 #力调电费罚款
#功率因数不达标 #高采低补 #空载直补
欢迎光临TB店铺:电力控制仪表行,原厂现货供应高采低补光伏四象限无功补偿控制器变压器空载无功补偿控制器智能低压功率因数补偿控制器。