中国自动化学会专家咨询工作委员会指定宣传媒体
免费注册
广告服务 | 客服中心
P L C | 变频与传动 |  传 感 器 | 仪器仪表 | 工业软件 | 人机界面 | 运动控制 |  嵌 入 式 | 工业电源 | 机柜箱体
D C S | 工业互联网 |  工 控 机 | 数据采集 | 数传测控 | 工业安全 | 工业通信 |  机 器 人 | 机器视觉 | 低压电器
产品名称: 虹润仪表HR-WP-S815模糊PID自整定调节器/温控器
型  号: HR-WP-X D815、S815、D415、S415、D715、D915、TD815、TS815
价  格:
品  牌:
 
收藏此产品     查看收藏
产品介绍:
虹润仪表 · 首页 > 虹润仪表 > HR-WP-S815-01-23-HL模糊PID自整定调节器/温控器
 
点击查看大图
产品名称:HR-WP-S815-01-23-HL模糊PID自整定调节器/温控器/虹润模糊自整定调节器/虹润温控器
产品型号:HR-WP-X D815、S815、D415、S415、D715、D915、TD815、TS815
 
 

 

HR-WP系列模糊PID自整定调节器/温控器(外给定)其主要特点:
  模糊PID自整定调节控制仪采用了人工智能模糊控制;提高了采样速率(250ms)、运算精度、控制精度(一般优于0.2%FS);在外给定基础上采用微分先行的控制方式有效的抑制了对象的扰动问题;
  可自动跟随外部给定值进行控制输出(模拟量控制输出或继电器控制输出)。
  可实现自动/手动无扰动切换。手动切换至自动时,采用逼近法积算,并带切换限幅功能,以实现手动/自动的平稳切换。
  可同时两路输入并显示测量信号及外给定信号。
  可分别带有一路模拟量控制输出或开关量控制输出--继电器及一路模拟量变送输出,适用于各种测量控制场合。
  可带串行通信输出,可与各种带串行输入/输出的设备进行双向通信,组成网络控制系统;采用标准MODBUS RTU通信协议。
  采用双LED数码(可同时显示测量值+外给定值或输出量)+双光柱(可同时显示测量值+外给定值或输出量),光柱显示,使显示更为清晰直观。
技术指标
商   标

型   号

HR-WP-X

D815、S815、D415、S415、D715、D915、TD815、TS815系列

输入信号

热 电 偶: K、E、S、B、J、T;冷端温度自动补偿范围0~50℃,补偿准确度±1℃。
热 电 阻: Pt100、Cu50;引线电阻补偿范围≤15Ω。
远传电阻: 30~350Ω(远传压力表)。
直流电压: 0~5V、1~5V;
直流电流: 0~10mA、4~20mA 。
输入阻抗: 电压信号Ri≥250KΩ。

输出信号

模拟量输出:DC 0~10mA输出(负载电阻≤750Ω)
            DC 4~20mA输出(负载电阻≤500Ω)
            DC 0~5V输出(负载电阻≥250KΩ)
            DC 1~5V输出(负载电阻≥250KΩ)
开关量输出:继电器控制输出─继电器ON/OFF带回差。AC220V/1A,DC24V/3A (阻性负载)
            可控硅控制输出─SCR(可控硅过零触发脉冲)输出,光电隔离,400V/0.5A
            固态继电器控制输出─SSR(固态继电器控制信号)输出,光电隔离,6~24V/30mA
            双向可控硅无触点开关输出--SOT输出,光电隔离,400V/7A
通讯输出: 接口方式─标准串行双向通讯接口:光电隔离,RS-485,RS-232等
           波特率─1200~9600bps 内部自由设定
馈电输出: DC24±1V,负载电流≤30mA

特   性

测量精度: ±0.5%FS或0.2%FS
分 辨 率: ±1字
测量范围: -1999~9999字
显示方式: -1999~9999字测量值显示
           -1999~9999字设定值显示
           -1999~9999字控制目标值显示
           0~100%输出量显示
           双LED+双光柱显示
           发光二极管工作状态显示
温度补偿: 0~50℃数字式温度自动补偿
参数设定 ·面板轻触式按键数字设定
         ·参数设定值断电后永久保存
         ·参数设定值密码锁定
保护方式 ·输入回路断线报警(热电偶或电阻输入时),继电器输出状态LED指示
         ·输入超/欠量程报警
         ·电源欠压自动复位
         ·工作异常自动复位(Watch Dog)
 

使用环境

环境温度: 0~50℃
相对湿度: ≤85%RH ·避免强腐蚀性气体
供电电压: 常规型 AC220V %(50Hz±2Hz线性电源)
           特殊型 AC90V~265V-开关电源
                  DC24V±2V-开关电源
功 耗: ≤5W(AC220V线性电源供电)
        ≤4W(AC90~265V开关电源供电)
        ≤4W(DC24V电源供电)

 
HR-WP-X TD/D815系列(横式) S/TS815(竖式)
仪表外形

 

      

外形尺寸 宽×高×深:160×80×140mm 宽×高×深:80×160×140mm
开孔尺寸

单位:mm

单位:mm

重量 ·常规型:850g                            ·特殊型:550g

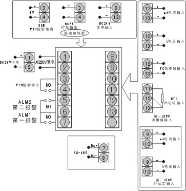
接线图

备注 特殊订货与本接线图不同之处,以随机接线图为准。(竖式与上接线图一致,但方向不一样,竖式仪表向左旋转90℃,竖式光柱向右旋转90℃。815系列无正反转功能。)
HR-WP-X D915系列 D715系列
仪表外形
外形尺寸 宽×高×深:96×96×105mm 宽×高×深:72×72×105mm
开孔尺寸 单位:mm 单位:mm
重量 ·常规型:500g ·常规型:450g
接线图

D915系列



  备注:特殊订货与本接线图不同之处,以随机接线图为准。牋不同功能在同一端子的,只能选其中一种功能。

D715系列

备注:特殊订货与本接线图不同之处,以随机接线图为准。牋不同功能在同一端子的,只能选其中一种功能。

HR-WP-X D415系列(横式) S415系列(竖式)
仪表外形
外形尺寸 宽×高×深:96×48×105mm 宽×高×深:48×96×105mm
开孔尺寸 单位:mm 单位:mm
接线图

横式

备注 特殊订货与本接线图不同之处,以随机接线图为准。(竖式与上接线图一致,但方向不一样,竖式仪表向左逆时针旋转90℃。)不同功能在同一端子的,只能选其中一种功能。
HR-WP系列模糊PID自整定调节器/温控器(外给定)型谱表
型              号 说      明
HR-WP-X -□ -□ -□ -□ 外给定模糊PID自整定调节器/温控器
外形尺寸 D415
S415
D715
D815
S815
D915
                  外给定控制 96×48mm(横式)
外给定控制 48×96mm(竖式)
外给定控制 72×72mm
外给定控制 160×80mm(横式)
外给定控制 80×160mm(竖式)
外给定控制 96×96mm
通讯方式                   参见“通讯方式”
控制输出方式                 参见“输出方式”
变送输出方式               参见“输出方式”
PV输入类型             参见“输入类型”
SV输入类型           参见“输入类型”
第一报警方式   N
H
L
      无报警
上限报警 (只能选其中一种报警方式)
下限报警
第二报警方式   N
H
L
G
A
D
    无报警
上限报警
下限报警 (只能选其中一种报警方式)
偏差内报警
偏差外报警
LBA报警
馈电输出   P   一路DC24V输出
供电方式   T
W
A
AC90~265V(开关电源)供电
DC24V(开关电源)供电
AC220V供电(线性电源)
测量精度  
B
0.5%FS±1字(可省略)
0.2%FS±1字(请注明)
 
HR-WP系列模糊PID自整定调节器/温控器(外给定)型谱表
型              号 说      明
HR-WP-X -□ -□ -□ -□ 光柱显示外给定模糊PID自整定调节器/温控器
外形尺寸 TD815
TS815
                  外给定控制160×80mm(横式)
外给定控制80×160mm(竖式)
通讯方式                   参见“通讯方式”
控制输出方式                 参见“输出方式”
变送输出方式               参见“输出方式”
PV测量输入             参见“输入类型”
SV外给定输入           参见“输入类型”
第一报警方式   N
H
L
      无报警(可省略)
上限报警 (只能选其中一种报警方式)
下限报警
第二报警方式   N
H
L
G
A
D
    无报警(可省略)
上限报警
下限报警 (只能选其中一种报警方式)
偏差内报警
偏差外报警
LBA报警
馈电输出   P   一路DC24V输出
供电方式   T
W
A
AC90~265V(开关电源)供电
DC24V(开关电源)供电
AC220V供电(线性电源)
测量精度  
B
0.5%FS±1字(可省略)
0.2%FS±1字(请注明)
输入类型SL0=36为全切换(特殊型号或要求的,请提供分度号或参考标准,订货时说明)
代码 分度号 测量范围 代码 分度号 测量范围
00 B 0~1800℃ 12 BA1 -199.9~600.0℃
01 S 0~1600℃ 13 BA2 -199.9~600.0℃
02 K 0~1300℃ 14 保留 保留
03 E 0~1000℃ 15 保留 保留
04 T -199.9~400℃ 16 30~350Ω -1999~9999字
05 J 0~1200℃ 17 0~20mA -1999~9999字
06 保留参数 保留参数 18 0~10mA -1999~9999字
07 保留参数 保留参数 19 4~20mA -1999~9999字
08 Wre3-25 0~2300℃ 20 0~5V -1999~9999字
09 Cu50 -50.0~150.0℃ 21 1~5V -1999~9999字
10 Cu100 -50.0~150.0℃ 28 特殊信号 -1999~9999字
11 Pt100 -199.9~650.0℃ 36 信号全切换 -1999~9999字
仪表通讯接口方式:
代    码 0 2 8
通讯方式 无通讯 RS-232通讯口 RS-485通讯口
变送输出类型:
代  码 0 2 3 4 5 8
输出方式 无输出 4~20mA 0~10mA 1~5V 0~5V 特殊规格
 PID控制输出类型:
代    码 1 2 3 4 5 6 7 8 9
输出方式 继电器 4~20mA 0~10mA 1~5V 0~5V SCR输出 SSR输出 特殊规格 SOT输出

 

 


 

数字显示仪 SWP-C101-00-23-N
数字显示控制仪 SWP-C103-01-23-HL
数字显示仪 SWP-C401-00-23-N
数字显示仪 SWP-C401-02-23-N
数字显示控制仪 SWP-C403-01-23-HL
数字显示控制仪 SWP-C403-02-23-HL
货  品  名  称 规        格
数字显示仪 SWP-C701-00-23-N
数字显示仪 SWP-C701-02-23-N
数字显示控制仪 SWP-C703-01-23-HL
数字显示控制仪 SWP-C703-02-23-HL
数字显示仪 SWP-C801-00-23-N
数字显示仪 SWP-C801-02-23-N
数字显示控制仪 SWP-C803-01-23-HL
数字显示控制仪 SWP-C803-02-23-HL
数字显示控制仪 SWP-C804-01-23-HHLL
数字显示控制仪 SWP-C804-02-23-HHLL
数字显示仪 SWP-C901-00-23-N
数字显示仪 SWP-C901-02-23-N
数字显示控制仪 SWP-C903-01-23-HL
数字显示控制仪 SWP-C903-02-23-HL
数字显示控制仪 SWP-C904-01-23-HHLL
数字显示控制仪 SWP-C904-02-23-HHLL
光柱显示仪 SWP-T801-00-23-N
光柱显示仪 SWP-T801-02-23-N
光柱显示控制仪 SWP-T803-01-23-HL
光柱显示控制仪 SWP-T803-02-23-HL
光柱显示控制仪 SWP-T804-01-23-HHLL
光柱显示控制仪 SWP-T804-02-23-HHLL
双回路数字显示控制仪 SWP-D803-01-23-HL
双回路数字显示仪 SWP-D421-00-23/23-N
双回路数字显示仪 SWP-D821-00-23/23-N
双回路数字显示仪 SWP-D821-022-23/23-N
双回路数字显示控制仪 SWP-D823-011-23/23-HL/HL
双回路数字显示控制仪 SWP-D823-022-23/23-HL/HL
双回路数字显示仪 SWP-D721-00-23/23/-N
双回路数字显示控制仪 SWP-D723-011-23/23-HL/HL
双回路数字显示仪 SWP-D921-00-23/23/-N
双回路数字显示控制仪 SWP-D923-011-23/23-HL/HL
双回路光柱显示仪 SWP-T821-00-23/23-N
双回路光柱显示仪 SWP-T821-022-23/23-N
双回路光柱显示控制仪 SWP-T823-011-23/23-HL/HL
双回路光柱显示控制仪 SWP-T823-022-23/23-HL/HL
多路巡检仪 SWP-MD906-00-23-N
多路巡检控制仪 SWP-MD907-01-23-HL
多路巡检仪 SWP-MD806-00-23-N
多路巡检仪(统一输出) SWP-MD806-02-23-N
多路巡检控制仪 SWP-MD807-01-23-HL
多路巡检仪(统一输出) SWP-MD807-02-23-HL
多路巡检控制仪(分别报警) SWP-MD808-01-23-HL
多路巡检控制仪(分别输出统一报警) SWP-MD808-02-23-HL
多路巡检仪 SWP-MD809-00-23-N
多路巡检仪(统一输出) SWP-MD809-02-23-N
多路巡检控制仪 SWP-MD814-01-23-HL
多路巡检仪(统一输出) SWP-MD814-02-23-HL
多路巡检控制仪分别上限报警 SWP-MD814-01-23-16H
多路巡检控制仪分别上下报警 SWP-MD814-01-23-16H16L
PID自整定控制仪 SWP-ND105-010-23-N
PID自整定控制仪 SWP-ND105-020-23-HL
PID自整定控制仪 SWP-ND405-010-23-N
PID自整定控制仪 SWP-ND405-020-23-HL
PID自整定控制仪 SWP-ND705-010-23-N
PID自整定控制仪 SWP-ND705-020-23-HL
PID自整定控制仪 SWP-ND805-010-23-HL
PID自整定控制仪 SWP-ND805-020-23-HL
PID自整定控制仪 SWP-ND905-010-23-HL
PID自整定控制仪 SWP-ND905-020-23-HL
PID光柱显示控制仪 SWP-NT805-010-23-HL
PID光柱显示控制仪 SWP-NT805-020-23-HL
PID外给定控制仪 SWP-ND415-010-23/12-N
PID外给定控制仪 SWP-ND415-020-23/12-HL
PID外给定控制仪 SWP-ND715-010-23/12-N
PID外给定控制仪 SWP-ND715-020-23/12-HL
PID外给定记录仪 SWP-ND815-010-23/12-HL
PID外给定记录仪 SWP-ND815-020-23/12-HL
PID外给定控制仪 SWP-ND915-010-23/12-N
PID外给定控制仪 SWP-ND915-020-23/12-HL
PID外给定控制仪 SWP-NT815-010-23/12-HL
PID外给定控制仪 SWP-NT815-020-23/12-HL
货  品  名  称 规        格
PID阀位控制仪 SWP-ND425-010-23/12-N
PID阀位控制仪 SWP-ND425-020-23/12-HL
PID阀位控制仪 SWP-ND725-010-23/12-N
PID阀位记录仪 SWP-ND725-020-23/12-HL
PID阀位控制仪 SWP-ND825-010-23/12-HL
PID阀位记录仪 SWP-ND825-020-23/12-HL
PID阀位记录仪 SWP-ND925-010-23/12-N
PID阀位控制仪 SWP-ND925-020-23/12-HL
PID阀位记录仪 SWP-NT825-010-23/12-HL
PID阀位控制仪 SWP-NT825-020-23/12-HL
手动操作器 SWP-ND435-010-23/12-N
手动操作器 SWP-ND435-020-23/12-HL
手动操作器 SWP-ND735-010-23/12-N
手动操作器 SWP-ND735-020-23/12-HL
手动操作器 SWP-ND835-010-23/12-HL
手动操作器内置双向可控硅 SWP-ND835-090-23/12-HL
手动操作器 SWP-ND835-020-23/12-HL
手动操作器 SWP-ND935-010-23/12-HL
手动操作器 SWP-ND935-020-23/12-HL
手动操作器 SWP-NT835-010-23/12-HL
手动操作器内置双向可控硅 SWP-NT835-090-23/12-HL

, style="BORDER-BOTTOM: windowtext 0.5pt solid; BORDER-LEFT: windowtext 0.5pt solid; BACKGROUND-COLOR: transparent; HEIGHT: 18.75pt; BORDER-TOP: windowtext; BORDER-RIGHT: windowtext 0.5pt solid" class=xl24 height=25>双回路数字显示仪

SWP-D721-00-23/23/-N
双回路数字显示控制仪 SWP-D723-011-23/23-HL/HL
双回路数字显示仪 SWP-D921-00-23/23/-N
双回路数字显示控制仪 SWP-D923-011-23/23-HL/HL
双回路光柱显示仪 SWP-T821-00-23/23-N
双回路光柱显示仪 SWP-T821-022-23/23-N
双回路光柱显示控制仪 SWP-T823-011-23/23-HL/HL
双回路光柱显示控制仪 SWP-T823-022-23/23-HL/HL
多路巡检仪 SWP-MD906-00-23-N
多路巡检控制仪 SWP-MD907-01-23-HL
多路巡检仪 SWP-MD806-00-23-N
多路巡检仪(统一输出) SWP-MD806-02-23-N
多路巡检控制仪 SWP-MD807-01-23-HL
多路巡检仪(统一输出) SWP-MD807-02-23-HL
多路巡检控制仪(分别报警) SWP-MD808-01-23-HL
多路巡检控制仪(分别输出统一报警) SWP-MD808-02-23-HL
多路巡检仪 SWP-MD809-00-23-N
多路巡检仪(统一输出) SWP-MD809-02-23-N
多路巡检控制仪 SWP-MD814-01-23-HL
多路巡检仪(统一输出) SWP-MD814-02-23-HL
多路巡检控制仪分别上限报警 SWP-MD814-01-23-16H
多路巡检控制仪分别上下报警 SWP-MD814-01-23-16H16L
PID自整定控制仪 SWP-ND105-010-23-N
PID自整定控制仪 SWP-ND105-020-23-HL
PID自整定控制仪 SWP-ND405-010-23-N
PID自整定控制仪 SWP-ND405-020-23-HL
PID自整定控制仪 SWP-ND705-010-23-N
PID自整定控制仪 SWP-ND705-020-23-HL
PID自整定控制仪 SWP-ND805-010-23-HL
PID自整定控制仪 SWP-ND805-020-23-HL
PID自整定控制仪 SWP-ND905-010-23-HL
PID自整定控制仪 SWP-ND905-020-23-HL
PID光柱显示控制仪 SWP-NT805-010-23-HL
PID光柱显示控制仪 SWP-NT805-020-23-HL
PID外给定控制仪 SWP-ND415-010-23/12-N
PID外给定控制仪 SWP-ND415-020-23/12-HL
PID外给定控制仪 SWP-ND715-010-23/12-N
PID外给定控制仪 SWP-ND715-020-23/12-HL
PID外给定记录仪 SWP-ND815-010-23/12-HL
PID外给定记录仪 SWP-ND815-020-23/12-HL
PID外给定控制仪 SWP-ND915-010-23/12-N
PID外给定控制仪 SWP-ND915-020-23/12-HL
PID外给定控制仪 SWP-NT815-010-23/12-HL
PID外给定控制仪 SWP-NT815-020-23/12-HL
货  品  名  称 规        格
PID阀位控制仪 SWP-ND425-010-23/12-N
PID阀位控制仪 SWP-ND425-020-23/12-HL
PID阀位控制仪 SWP-ND725-010-23/12-N
PID阀位记录仪 SWP-ND725-020-23/12-HL
PID阀位控制仪 SWP-ND825-010-23/12-HL
PID阀位记录仪 SWP-ND825-020-23/12-HL
PID阀位记录仪 SWP-ND925-010-23/12-N
PID阀位控制仪 SWP-ND925-020-23/12-HL
PID阀位记录仪 SWP-NT825-010-23/12-HL
PID阀位控制仪 SWP-NT825-020-23/12-HL
手动操作器 SWP-ND435-010-23/12-N
手动操作器 SWP-ND435-020-23/12-HL
手动操作器 SWP-ND735-010-23/12-N
手动操作器 SWP-ND735-020-23/12-HL
手动操作器 SWP-ND835-010-23/12-HL
手动操作器内置双向可控硅 SWP-ND835-090-23/12-HL
手动操作器 SWP-ND835-020-23/12-HL
手动操作器 SWP-ND935-010-23/12-HL
手动操作器 SWP-ND935-020-23/12-HL
手动操作器 SWP-NT835-010-23/12-HL
手动操作器内置双向可控硅 SWP-NT835-090-23/12-HL
关 键 词: 虹润PID自整定 虹润控制仪
 



公司简介
产品目录
解决方案

公司名称: 香港上润精密仪器有限公司
联 系 人: 孙青青
电  话: 0371-55031379
手  机: 18037271783
地  址: 河南省郑州市二七区泰和苑小区188号院
邮  编: 450005
主  页:
 
该厂商相关产品:
MPM416W[0-5m(MPM416W[0-5mH2O]5E22iC1)
XMT5260P,百特数(XMT5260P XMT52UO XMT5460P)
智能三相交流电压表/WP( WP-LE3V-C2804-3HT/WP-LE3V-C2203-4HT)
XMT5260P百特工控(XMT5260P XMT52UO XMT5460P)
百特XMG5260P光柱(XMG5000,XMG5260P)
XMH5000数显记录仪(XMH5000)
XMAY5000智能液(XMAY5000)
XMG5260P,XMB(XMG5260P XMG5000)
WP-XTRM-4115(WP-XTRM-4115)
24通道数据采集器XMC(XMC5000)
液位智能转换控制仪,WP(WP-H801-02-A; WP-H903-01-A-HL)
MPM489E22B1C(MPM489[0-100Kpa]E22B1C5G)
双回路数字显示仪/WP-(WP-D823-022-23-HL-HL-P)
XMPAF8000 锅炉(XMPA66VP)
福光百特XMB8000四(XMB82UUUU6 XMB8000)
双输入显示控制仪表XME(XME5000)
XMGI5000智能型双(XMGI5000)
上润智能直流电压功率显示(WP-LEDDV-C6E1(300V/300V)/WP-LEDDV-C2H12T(1000V/100V))
上润智能单相交流有功电能(WP-LEJP-C900HLT)
更多产品...

关于我们 | 联系我们 | 广告服务 | 本站动态 | 友情链接 | 法律声明 | 隐私声明

粤ICP备11107638号-2 经营许可证编号:粤B2-20130035 粤公网安备:44030502000203 工商网监 版权所有 工控网 Copyright© Gkong.com, All Rights Reserved